- 您的位置:
- 标准下载网 >>
- 标准分类 >>
- 国家标准(GB) >>
- GB/T 3782-1993 乙炔炭黑技术条件
标准号:
GB/T 3782-1993
标准名称:
乙炔炭黑技术条件
标准类别:
国家标准(GB)
英文名称:
Technical requirements for acetylene black标准状态:
已作废-
发布日期:
1993-03-03 -
实施日期:
1993-01-02 -
作废日期:
2007-01-01 出版语种:
简体中文下载格式:
.rar.pdf下载大小:
133.48 KB
替代情况:
替代GB 3781.1-1983;GB 3782-1983;被GB/T 3782-2006代替采标情况:
≈JIS K 1469-84(89)
点击下载
标准简介:
标准下载解压密码:www.bzxz.net
本标准规定了乙炔炭黑的产品分类、技术要求、测定方法、检验规则及包装、贮存、采样和验收方法。本标准适用于以乙炔气为原料,在高温下进行裂解而制得的炭黑。本标准适用于干电池、无线电件以及橡胶制品等行业用乙炔炭黑。 GB/T 3782-1993 乙炔炭黑技术条件 GB/T3782-1993
部分标准内容:
中华人民共和国国家标准
乙炔炭黑技术条件
Acetylene black-Specification limits1主题内容与适用范围
GB/T3782—93
代替B3781,1—83
GR3782-83
本标准规定乙快炭黑(亦称乙炔黑)的产品分类、技术要求、测定方法,检验规则及包装,贮运,采样和验收方法。
本标准适用于以乙炔气为原料,在高温下进行裂解而制得的炭黑。本标准适用于干电池、无线电元件以及橡胶制品等行业用乙炔炭黑。2引用标准
GB/T 3780.8
炭黑加热减量的测定
GB/T3780.9炭黑灰分的测定
GB/T 3780.12
炭黑杂质检查
乙快炭黑pH值的测定
GB/T 3781.4
GB/T 3781.5
GB/T 3781.6
GB/T 3781. 7
GB/T 3781. 8
艺炔炭黑粗粒分的测定
艺炔炭黑视比容的测定
乙炔炭黑吸碘值的测定Www.bzxZ.net
乙炔炭黑盐酸吸液量的测定
GB/T3781.9乙快炭黑电阻率的测定3产品分类
3.1 粉状品。
3.250%压缔品。将粉状乙炔炭黑压缩,使它的视比容达到粉状时的二分之一左右。3.375为压缩品。将粉状乙炔炭黑压缩,使它的视比容达到粉状时的三分之--左右。4技术要求
各类别等级的乙炔炭黑,不得含有砂砾、铁屑等杂质。各项化学、物理性能检验用的试样均需通过850μm(20日)筛。
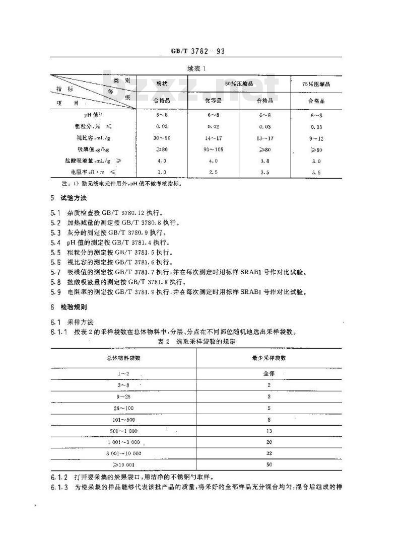
乙炔炭黑的物理、化学性能应符合表1规定。表1乙炔炭黑技术指标
加热减量,为
灰分,%≤
合格品
国家技术监督局1993-03-03批准优等品
50%压缩品
合格品
75%压缩品
合格品
1993-12-01实施
粗粒分,%
视比容,mT./g
吸碘值+g/kg
盐酸吸液黄.mL/g
电阻率·m
GB/T 3782 : 93
续表1
50%压缩品
合格品
注:)除无线电元件用外,PH值不做考核指标。5试验方法
5.1杂质检查按 GB/T 3780.12执行。5.2加热减量的测定按GB/T3780.8执行。5.3灰分的测定按GB/T3780.9执行。5. 4pH 值的测定按GB/T 3781. 4 执行5.5粗粒分的测定按GB/T3781.5执行。5. 6视比容的测定按GB/T 3781. 6执行优等品
90~105
合格品
75%压输品
合格品
吸碘值的测定按 GB/T 3781. 7执行,并在每次测定时用标样 SRAB1 号作对比试验。5.7
5.8盐酸吸液量的测定按GH/T3781.8执行。5. 9
电阻率的测定按GB/T3781.9执行,并在每次测定时用标样SRAB1号作对比试验。检验规则
6.1采样方法
6.1.1按表2的采样袋数在总体物料中,分层,分点在不向部位随机地选出采样袋数。表2选取采样袋数的规定
总体物料接数
26~100
101~500
501~1 000
1 001 ~3 000
3 001--10 000
6.1.2打开要采集的炭黑袋口,用洁净的不锈钢勺取样最少采样袋数
为使采集的样品能够代表该批产品的质量,将采好的全部样品充分混合均勾,混合后组成的样6. 1. 3
品应在 300 g以上。
6. 1.4样品标签
CB/T 3782-93
样品入带有磨口的玻璃容器后,立即在外壁贴上标签,作为检验和保留的样品。标签包括下列内容:
样品类别及编号
总体物料批号及数量:
生产单位;
d样品;
采样地点;
f、采样日期:
g.采样者姓名。
6.1.5样品的保存
6.1.5.1样品应保存在温、湿度适宜的样品室内。6.1.5.2样品有效存期为半年。
6.2检验分类
6.2.1出/检验
出厂捡验项月分为「电池或无线电元件用的乙炔炭黑两种情况。a。干电池用乙炔黑需检验粗粒分、视比容,吸碘值、盐酸吸液量和电阻率。b。无线电元件用乙炔炭需检验粗粒分、pH值、视比容、吸碘值、盐酸吸液和电阻率。6. 2. 2型式检验
对本标准中规定的技术要求全部进行检验。6.3验收规则
6.3.1每个出厂批检验1个样品,如果有1项不符合相应要求,则允许复验1次,仍不符合要求则应降级或为不合格品。
6.3.2型式检验如有1项不符合相应要求,则应复验1次,仍不符合要求则该时期产品应降级或判为不合格品。
6.3.3毕产的检验部门必须保证出厂的产品符合标准规定的要求,并在每批产品出厂同时给收方寄送产品质量合格证书。
6.3.4用户有权按标准对产品进行检验,有权拒收不符合标准要求的产品。6.3.5验收期限为产品到达收货方或口岸的30~~40d之内,如发现产品有问题时,则应按6.1条抽样复验,复验规则间 6. 3. 1 条和 6.3. 2条。7.产品的包装、标志
7.1生产过程结束时,按每包净重5.0kg或10.0kg进行包装、称量。7.2为了便于贮运,包装袋的形式为扁平长方体,袋口封好。7.3包装材料必须有足够的强度,防止在运过程中破损,-般内层用二层80的牛皮纸外套以聚乙烯塑料袋(或在集装袋上涂覆聚乙烯)再用案丙稀塑料编织袋集装,特殊情况由供需双方商定。7.4包装标
每个包装袋正面应有醒日的标志,标志包括下列内容:产品名称;
b.注珊商标;
所执行标准的编号,产品质量等级d.净重:
e.生产厂名!
GB/T3782—93
f.生产目期和生产批号以及“小心轻效\,注意防潮等字样。8产品的贮存和运输
8.1产品应贮存在通风,干燥的仓库内。8.2产品堆放应整齐、清洁,注册商标、批号生产日期等标志应清晰辨认,严禁重压。8.3避免与可使产品变质或使包装袋损坏的物品混存,混运。8.4存和运输过程中应保证产品的包装清洁和不破损,凡出包外的产品,不得返入包内。附加说明:
本标准由中华人民共和国化学工业部提出。本标准由化学工业部炭黑工业研究设计所归口。本标准由化学工业部炭黑工业研究设计所负责起草。本标准主要起草人于莲、孟川英。本标准参照采用日本工业标准JISK1469—84(89)乙烘黑》。
小提示:此标准内容仅展示完整标准里的部分截取内容,若需要完整标准请到上方自行免费下载完整标准文档。
乙炔炭黑技术条件
Acetylene black-Specification limits1主题内容与适用范围
GB/T3782—93
代替B3781,1—83
GR3782-83
本标准规定乙快炭黑(亦称乙炔黑)的产品分类、技术要求、测定方法,检验规则及包装,贮运,采样和验收方法。
本标准适用于以乙炔气为原料,在高温下进行裂解而制得的炭黑。本标准适用于干电池、无线电元件以及橡胶制品等行业用乙炔炭黑。2引用标准
GB/T 3780.8
炭黑加热减量的测定
GB/T3780.9炭黑灰分的测定
GB/T 3780.12
炭黑杂质检查
乙快炭黑pH值的测定
GB/T 3781.4
GB/T 3781.5
GB/T 3781.6
GB/T 3781. 7
GB/T 3781. 8
艺炔炭黑粗粒分的测定
艺炔炭黑视比容的测定
乙炔炭黑吸碘值的测定Www.bzxZ.net
乙炔炭黑盐酸吸液量的测定
GB/T3781.9乙快炭黑电阻率的测定3产品分类
3.1 粉状品。
3.250%压缔品。将粉状乙炔炭黑压缩,使它的视比容达到粉状时的二分之一左右。3.375为压缩品。将粉状乙炔炭黑压缩,使它的视比容达到粉状时的三分之--左右。4技术要求
各类别等级的乙炔炭黑,不得含有砂砾、铁屑等杂质。各项化学、物理性能检验用的试样均需通过850μm(20日)筛。
乙炔炭黑的物理、化学性能应符合表1规定。表1乙炔炭黑技术指标
加热减量,为
灰分,%≤
合格品
国家技术监督局1993-03-03批准优等品
50%压缩品
合格品
75%压缩品
合格品
1993-12-01实施
粗粒分,%
视比容,mT./g
吸碘值+g/kg
盐酸吸液黄.mL/g
电阻率·m
GB/T 3782 : 93
续表1
50%压缩品
合格品
注:)除无线电元件用外,PH值不做考核指标。5试验方法
5.1杂质检查按 GB/T 3780.12执行。5.2加热减量的测定按GB/T3780.8执行。5.3灰分的测定按GB/T3780.9执行。5. 4pH 值的测定按GB/T 3781. 4 执行5.5粗粒分的测定按GB/T3781.5执行。5. 6视比容的测定按GB/T 3781. 6执行优等品
90~105
合格品
75%压输品
合格品
吸碘值的测定按 GB/T 3781. 7执行,并在每次测定时用标样 SRAB1 号作对比试验。5.7
5.8盐酸吸液量的测定按GH/T3781.8执行。5. 9
电阻率的测定按GB/T3781.9执行,并在每次测定时用标样SRAB1号作对比试验。检验规则
6.1采样方法
6.1.1按表2的采样袋数在总体物料中,分层,分点在不向部位随机地选出采样袋数。表2选取采样袋数的规定
总体物料接数
26~100
101~500
501~1 000
1 001 ~3 000
3 001--10 000
6.1.2打开要采集的炭黑袋口,用洁净的不锈钢勺取样最少采样袋数
为使采集的样品能够代表该批产品的质量,将采好的全部样品充分混合均勾,混合后组成的样6. 1. 3
品应在 300 g以上。
6. 1.4样品标签
CB/T 3782-93
样品入带有磨口的玻璃容器后,立即在外壁贴上标签,作为检验和保留的样品。标签包括下列内容:
样品类别及编号
总体物料批号及数量:
生产单位;
d样品;
采样地点;
f、采样日期:
g.采样者姓名。
6.1.5样品的保存
6.1.5.1样品应保存在温、湿度适宜的样品室内。6.1.5.2样品有效存期为半年。
6.2检验分类
6.2.1出/检验
出厂捡验项月分为「电池或无线电元件用的乙炔炭黑两种情况。a。干电池用乙炔黑需检验粗粒分、视比容,吸碘值、盐酸吸液量和电阻率。b。无线电元件用乙炔炭需检验粗粒分、pH值、视比容、吸碘值、盐酸吸液和电阻率。6. 2. 2型式检验
对本标准中规定的技术要求全部进行检验。6.3验收规则
6.3.1每个出厂批检验1个样品,如果有1项不符合相应要求,则允许复验1次,仍不符合要求则应降级或为不合格品。
6.3.2型式检验如有1项不符合相应要求,则应复验1次,仍不符合要求则该时期产品应降级或判为不合格品。
6.3.3毕产的检验部门必须保证出厂的产品符合标准规定的要求,并在每批产品出厂同时给收方寄送产品质量合格证书。
6.3.4用户有权按标准对产品进行检验,有权拒收不符合标准要求的产品。6.3.5验收期限为产品到达收货方或口岸的30~~40d之内,如发现产品有问题时,则应按6.1条抽样复验,复验规则间 6. 3. 1 条和 6.3. 2条。7.产品的包装、标志
7.1生产过程结束时,按每包净重5.0kg或10.0kg进行包装、称量。7.2为了便于贮运,包装袋的形式为扁平长方体,袋口封好。7.3包装材料必须有足够的强度,防止在运过程中破损,-般内层用二层80的牛皮纸外套以聚乙烯塑料袋(或在集装袋上涂覆聚乙烯)再用案丙稀塑料编织袋集装,特殊情况由供需双方商定。7.4包装标
每个包装袋正面应有醒日的标志,标志包括下列内容:产品名称;
b.注珊商标;
所执行标准的编号,产品质量等级d.净重:
e.生产厂名!
GB/T3782—93
f.生产目期和生产批号以及“小心轻效\,注意防潮等字样。8产品的贮存和运输
8.1产品应贮存在通风,干燥的仓库内。8.2产品堆放应整齐、清洁,注册商标、批号生产日期等标志应清晰辨认,严禁重压。8.3避免与可使产品变质或使包装袋损坏的物品混存,混运。8.4存和运输过程中应保证产品的包装清洁和不破损,凡出包外的产品,不得返入包内。附加说明:
本标准由中华人民共和国化学工业部提出。本标准由化学工业部炭黑工业研究设计所归口。本标准由化学工业部炭黑工业研究设计所负责起草。本标准主要起草人于莲、孟川英。本标准参照采用日本工业标准JISK1469—84(89)乙烘黑》。
小提示:此标准内容仅展示完整标准里的部分截取内容,若需要完整标准请到上方自行免费下载完整标准文档。
标准图片预览:




- 其它标准
- 热门标准
- 国家标准(GB)
- GB/T2481.2-1998 固结磨具用磨料 粒度组成的检测和标记 第2部分:微粉F230?F1200
- GB/T12611-2008 金属零(部)件镀覆前质量控制技术要求
- GB/T40094.2-2021 电子商务数据交易第2部分:数据描述规范
- GB/T33588.3-2020 雷电防护系统部件(LPSC)第3部分:隔离放电间隙(ISG)的要求
- GB/T39275-2020 电力电子系统和设备有源馈电变流器(AIC)应用的运行条件和特性
- GB/T29077-2024 星箭界面飞行环境遥测数据处理要求
- GB/T18487.1-2023 电动汽车传导充电系统 第1部分:通用要求
- GB4706.7-1999 家用和类似用途电器的安全真空吸尘器和吸水式清洁器的特殊要求
- GB/T3047.3-2003 高度进制为20mm的插箱、插件基本尺寸系列
- GB9075-1988 架空索道用钢丝绳检验和报废规范
- GB15735-2004 金属热处理生产过程安全卫生要求
- GB17378.5-1998 海洋监测规范 第5部分:沉积物分析
- GB/T5190-1985 镍及白铜箔
- GB/T6934-1995 短波单边带接收机电性能测量方法
- GB/T13583-1992 红外探测器外形尺寸系列
- 行业新闻
请牢记:“bzxz.net”即是“标准下载”四个汉字汉语拼音首字母与国际顶级域名“.net”的组合。 ©2025 标准下载网 www.bzxz.net 本站邮件:bzxznet@163.com
网站备案号:湘ICP备2025141790号-2
网站备案号:湘ICP备2025141790号-2