- 您的位置:
- 标准下载网 >>
- 标准分类 >>
- 城镇建设行业标准(CJ) >>
- CJ/T 3013.1-1993 给水输配专用管件--可曲挠橡胶接头
标准号:
CJ/T 3013.1-1993
标准名称:
给水输配专用管件--可曲挠橡胶接头
标准类别:
城镇建设行业标准(CJ)
标准状态:
已作废-
发布日期:
1993-08-05 -
实施日期:
1993-07-01 -
作废日期:
2005-08-01 出版语种:
简体中文下载格式:
.rar.pdf下载大小:
215.87 KB
替代情况:
被CJ/T 208-2005代替
部分标准内容:
中华人民共和国城镇建设行业标准给水输配专用管件
可曲橡胶接头
The specific pipe fittings for water supply-Flexible rubber joints
CJ/T 3013. 1-1993
可曲挠橡胶接头用于输送水、空气、弱酸、弱碱等介质管道的连接、位移补偿和隔振。1 主题内容与适用范围
本标准规定了可曲挠橡胶接头的产品分类、技术要求、试验方法、检验规厕和标志、包装、运输、匙存。
本标准适用于由帘布增强的橡胶件与平形活接头或金属法兰松套组成的通用型可曲挠橡胶接头。2引用标准
硫化橡胶拉伸性能的测定
GB1682
GB1690
GB1804
GB2555
硫化橡胶与织物粘着强度的测定硫化橡胶脆性温度试验方法
硫化橡胶耐液体试验方法
公差与配合未注公差尺寸的极限偏差一般用途管法兰连接尺寸
GB3289、37可锻铸铁管路连接件型式尺寸平形活接头GB 3512
GB5563
GB5567
GB5749
GB 5750
3术语
橡胶热空气老化试验方法
胶管液压试验方法
胶管耐真空试验方法
生活饮用水卫生标准
生活饮用水卫生检验法
3.1可曲挠橡胶接头
由织物增强的橡胶件与平形活接头或金属法兰松套组成的,用于金属管道位移补偿和隔振的接头。3.2轴向位移
可曲挠橡胶接头在流体流动方向即中轴线方向的伸长或压缩。3.2.1轴向伸长
可曲挠橡胶接头长度增加的轴向位移,见图1-a。3.2.2轴向压缩
中华人民共和国建设部1993-08-05批准438
1993-12-01实施
CJ/T 3013.1-1993
可曲挠橡胶接头长度减少的轴向位移,见图1-b。3.3横向位移
可曲挠橡胶接头在与流体流动方向即中轴线方向相垂直的面的位移,见图1-c。3.4偏转角度角向位移
可曲挠橡胶接头两个端部与中轴线所形成的外夹角,见图1-d。偏转角度为ai十a2。d
a—轴向伸长;b轴向压缩;c—横向位移(错位)d--角向位移(偏转)图1
4产品分类
4.1型式
4.1.1按结构形式分为:单球体、双球体。4.1.2按连接形式分为:法兰连接、螺纹连接两种。4.1.3按工作压力分0.6MPa、1.0MPa、1.6MPa、2.5MPa四个等级。4.1.4产品标记:
■X□
公称直径(mm)
工作压力(MPa)
连接形式(法兰连接F,螺纹连接L)橡胶接头(T)
结构形式(单球体D,双球体S)
-产品代号(K)
标记示例:
公称直径为150mm,工作压力1.0MPa的法兰连接双球体可曲挠橡胶接头KSTF1.0X150
4.2结构
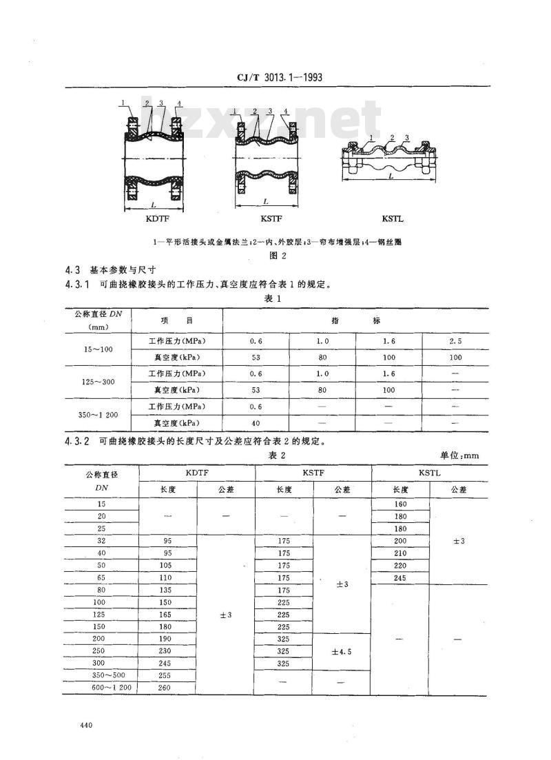
可曲挠橡胶接头一般由内胶层、帘布、增强层、钢丝圈、外胶层经硫化成橡胶件后与平形活接头或金属法兰松套组成,结构形式见图2。439
CJ/T3013.1—-1993
1一平形活接头戴金属法兰:2内、外胶层:3一帘布增强层:4--钢丝离图2
4.3基本参数与尺寸
4.3.1可曲挠橡胶接头的工作压力、真空度应符合表1的规定。表1
公称直径DN
15~100
125~300
350~~1200
工作压力(MPa)
真空度(kPa)
工作压力(MPa)
真空度(kPa)
工作压力(MPa)
真空度(kPa)
4.3.2可曲挠橡胶接头的长度尺寸及公差应符合表2的规定。表2
公称直径
350~500
600~1200
单位:mm
5技术要求
CJ/T 3013. 1-1993
5.1可曲橡胶接头应符合本标准规定的要求,按规定顺序批准的图样和技术文件制造。5.2橡胶件质量
5.2.1可曲挠橡胶接头用帘布应无味无毒,对人体无危害作用。5.2.2橡胶件两端内部钢丝圈应圆整,无明显变形及折断、错位等现象。5.2.3橡胶件外观要求及分等规定见附录A,外形尺寸应符合表2的规定。5.3可曲挠橡胶接头用胶料的物理性能应符合表3的规定。表3
序号·
拉伸强度,MPa
扯断伸长率,%
扯断永久变形,%
脆性温度,℃
粘强度,kN/m
热空气老化
(100℃×48h)
拉伸强度变化率,%
扯断伸长率变化率,%
耐酸系数10%H2S0.×168h室温
耐碱系数10%NaOH×168h室温
注:粘著强度系成品试验。此内容来自标准下载网
内胶层
≥450
+25~—25
+10~—30
外胶层
≥500
+25~25
+10~—30
5.4平形活接头应符合GB3289.37要求,金属法兰应符合GB2555要求,公差尺寸按GB1804-1979中IT14级执行。
5.5可曲挠橡胶接头的工作压力和真空度应符合表1的规定,试验压力是工作压力的1.5倍,爆破压力是工作压力的3倍。
5.6在表1规定的工作压力下,可曲挑橡胶接头的位移性能应符合表4要求。表4
公称通径DN
65~100
125~200
250~400
500~1200
100~150
200~300
轴向伸长
轴向压缩
横向位移
偏转角度
(αr+az),(°)
可曲挠橡胶接头用于生活饮用水系统时,通过接头后的水质仍应符合GB5749的规定。441
6试验方法
CJ/T3013.1—1993
6.1外观质量采用目测检验,结构尽寸应用游标卡尺或尺检验。6. 2 橡胶件内部的钢丝圈应用 X射线透视检验。6.3物理性能的试验方法
6.3.1橡胶拉伸强度、扯断伸长率、扯断永久变形的试验应符合GB528的规定。6.3.2
橡胶脆性温度的试验应符合GB 1682的规定。6.3.3硫化橡胶与织物帘布层的粘着强度试验应符合GB532的规定。6.3.4
橡胶热空气老化的试验应符合GB3512的规定。橡胶耐酸碱的试验应符合GB1690一1982中4.2条的规定,试验液体为10%H,SO4、10%6.3.5
NaOH,试验结果用抗张积累数表示。6.4平形活接头或金属法兰外观用目测方法检验,尺寸及公差应用游标卡尺或卷尺检验。6. 5压力和真空度的试验方法
6.5.1产品的试验压力和爆破压力的试验可参照GB5563-1985中6.3条规定执行。6.5.2产品的真空度试验可参照GB5567一1985中2~5章规定执行。6.6产品的位移性能试验应符合附录B的要求。6.7产品的水质试验应符合GB5750的规定。7检验规则
7.1产品必须经制造厂质检部门检验,并出具产品合格证。7.2产品的检验分出厂检验和型式检验两种,其项目应符合表5的规定。7.3凡属以下几种情况之一的必须进行型式检验:(1)产品结构、材料、工艺有较大改变,可能影响产品性能时;(2)新产品开发或老产品转厂生产的试定型鉴定;(3)正常生产过程中的质量定期抽查;(4)出厂检验结果与上次型式检验有较大差异时;(5)国家质量监督机构提出进行型式检验的要求时。表5
检验项目
外观质量检验
X光透视检验
橡胶物理性能检验
法兰、平形活接头检验
试验压力检验
爆破压力检验
真空度检验
位移性能检验
水质检验
注:原材料无变化时,水质检验可酌情延期。技术要求
试验方法
出厂检验
型式检验
7.4正常生产时,橡胶拉伸强度、扯断伸长率、扯断永久变形试验应每月检验一次;热空气老化、脆性温442
CJ/T3013.1—1993
度、耐酸碱性试验应每季度检验一次。每次抽取1个试样,进行规定项目的检验,如有项不合格时,应另取双借试样进行不合格项目复检,仍不合格时,则该批胶料判为不合格。7.5.产品的粘着强度、试验压力检验应每季度检验一次,真空度、爆破压力、位移性能试验应每年度检验一次。每次任选一种规格为代表,任取1~2件试样进行规定项目的检验,如有一项不合格时,应在同规格产品中另取双倍试样进行不合格项目复检,仍有一一件不合格时,则该批产品判为不合格,并作降级处理。
8标志、包装、运输和购存
8.1产品应具有下列标志:制造厂名及商标、产品名称、规格、型号、出厂日期和检验员印章。8.2公称直径小于等于250mm的产品用纸盒包装,公称直径大于250mm的产品用木箱包装,长途运输时均用木箱包装。包装盒(箱)内应附有产品合格证。8.3运输、贮存
产品在运输、贮存过程中,应防止日光直射、雨雪漫淋,避免与酸碱、油类等有机溶剂接触。产品应贮存在干燥、通风良好的库房内,并远离热源1m以外。443
CJ/T 3013. 1—1993
附录A
外观质量及分等规定
(补充件)
在不影响使用性能的情况下,外观质量及分等应符合表A1规定。表A1
外观缺陷
起泡脱层
外界损伤
修理痕迹
破裂、增强
层脱层、针
孔、海绵状
B1试样
不允许有
优等品
内胶层不允许有,外胶层深度
不大于0.2mm,且不多于
内胶层不允许有,外胶层深度
不大于 0. 2 mm,面积不大于 5
mm2,且不多于一处
不允许有
不允许有
一等品
内胶层不允许有,外胶层面积
不大于100mm,两缺陷间距
不小于500mm,须经一次修
理完善
内胶层不充许有,外胶层深度
不大于0.5mm,且不多于2
处,须经一次修理完善
内胶层不允许有,外胶层深度
不大于0.5mm,面积不大于
10 mm2,且不多于2处,须-
次修理完善
内胶层不允许有,外胶层不多
于 2 处的轻微痕迹
不允许有
附录B
位移性能试验方法
(补充件)
合格品
内、外胶层面积不大于300 mm2,两缺陷间距不小于300mm,须
经次修理完善
内、外胶层深度不大于 1 mm,且不多于3处,须经一次修理完善
内、外胶层深度不大于 1 mm,且不多于3处,须一次修理完普
内、外胶层允许有不多于3处的
修理瘦迹
不允许有
在硫化后停放时间不少于24h的可曲挠橡胶接头成品中任取1件作为试样。B2设备及工具
B2.1电动试压泵或手动水压泵。B2.2压力表(规定的使用压力应在全刻度盘读数的 15%~85%之间,并应定期校对确保灵敏和准确)。
B2.3试验台、游标卡尺、角度量具。B3试验用介质
水、皂化液或合适的液体。
B4升压速度
CJ/T 3013.1—1993
当试验压力不超过7.0MPa时为0.075MPa/s,如果达不到上述升压速度时,有关方面应事先商定一个合适的速度值。
B5试验的准备
将平直放暨的可曲挠橡胶接头试样一端装上带排气阀的平面法兰盖,成为自由端。另一端装上带导气管的平面法兰盖和液压泵出口管相连接并固定在试验台上,以低压水或皂化液充人试样内部排净空气,关闭排气阀停泵。调整试样轴线并固定自由端。平行轴线测量并记录试样初试长度。B6轴向位移试验
按B5准备完毕后,在轴线方向施加机械力将试样拉伸或压缩至表4规定的伸长量或压缩量,并固定住。按B4升压速度对试样施以产品的工作压力,至少保持1min检查试样有无渗漏、开裂或异常变形等损坏现象。
B7横向位移试验
该试验可单独进行,也可在轴向位移试验结束并恢复试样原状后连续进行。用垂直轴线的机械力将试样横向拉至表4规定的横向位移量,并固定住。按B4升压速度对试样施以产品工作压力,至少保持1 min,检查试样有无渗漏、开裂或异常变形等损坏现象。B8偏转角度试验
该试验可单独进行,也可在轴向和横向位移试样结束并恢复试样原状后连续进行。转动二侧直角挡板将试样偏转至表4.规定的偏转位移角度并固定住,按B4升压速度对试样施以产品的工作压力,至少保持1 min检查试样有无渗漏、开裂或异常变形等损坏现象。B9试验结果
在保持时间内观察并记录产品有无渗漏、开裂及异常变形现象。附加说明:
本标准由建设部标准定额研究所提出。本标准由建设部水处理设备器材标准技术归口单位中国市政工程华北设计院归口。本标准由上海建筑设计研究院和上海市松江橡胶制品厂负责起草。本标准主要起草人姜文源、张淼、陈志华、江定辉、李文珍、包虹、陆洪元。本标准委托上海建筑设计研究院负责解释。445
小提示:此标准内容仅展示完整标准里的部分截取内容,若需要完整标准请到上方自行免费下载完整标准文档。
可曲橡胶接头
The specific pipe fittings for water supply-Flexible rubber joints
CJ/T 3013. 1-1993
可曲挠橡胶接头用于输送水、空气、弱酸、弱碱等介质管道的连接、位移补偿和隔振。1 主题内容与适用范围
本标准规定了可曲挠橡胶接头的产品分类、技术要求、试验方法、检验规厕和标志、包装、运输、匙存。
本标准适用于由帘布增强的橡胶件与平形活接头或金属法兰松套组成的通用型可曲挠橡胶接头。2引用标准
硫化橡胶拉伸性能的测定
GB1682
GB1690
GB1804
GB2555
硫化橡胶与织物粘着强度的测定硫化橡胶脆性温度试验方法
硫化橡胶耐液体试验方法
公差与配合未注公差尺寸的极限偏差一般用途管法兰连接尺寸
GB3289、37可锻铸铁管路连接件型式尺寸平形活接头GB 3512
GB5563
GB5567
GB5749
GB 5750
3术语
橡胶热空气老化试验方法
胶管液压试验方法
胶管耐真空试验方法
生活饮用水卫生标准
生活饮用水卫生检验法
3.1可曲挠橡胶接头
由织物增强的橡胶件与平形活接头或金属法兰松套组成的,用于金属管道位移补偿和隔振的接头。3.2轴向位移
可曲挠橡胶接头在流体流动方向即中轴线方向的伸长或压缩。3.2.1轴向伸长
可曲挠橡胶接头长度增加的轴向位移,见图1-a。3.2.2轴向压缩
中华人民共和国建设部1993-08-05批准438
1993-12-01实施
CJ/T 3013.1-1993
可曲挠橡胶接头长度减少的轴向位移,见图1-b。3.3横向位移
可曲挠橡胶接头在与流体流动方向即中轴线方向相垂直的面的位移,见图1-c。3.4偏转角度角向位移
可曲挠橡胶接头两个端部与中轴线所形成的外夹角,见图1-d。偏转角度为ai十a2。d
a—轴向伸长;b轴向压缩;c—横向位移(错位)d--角向位移(偏转)图1
4产品分类
4.1型式
4.1.1按结构形式分为:单球体、双球体。4.1.2按连接形式分为:法兰连接、螺纹连接两种。4.1.3按工作压力分0.6MPa、1.0MPa、1.6MPa、2.5MPa四个等级。4.1.4产品标记:
■X□
公称直径(mm)
工作压力(MPa)
连接形式(法兰连接F,螺纹连接L)橡胶接头(T)
结构形式(单球体D,双球体S)
-产品代号(K)
标记示例:
公称直径为150mm,工作压力1.0MPa的法兰连接双球体可曲挠橡胶接头KSTF1.0X150
4.2结构
可曲挠橡胶接头一般由内胶层、帘布、增强层、钢丝圈、外胶层经硫化成橡胶件后与平形活接头或金属法兰松套组成,结构形式见图2。439
CJ/T3013.1—-1993
1一平形活接头戴金属法兰:2内、外胶层:3一帘布增强层:4--钢丝离图2
4.3基本参数与尺寸
4.3.1可曲挠橡胶接头的工作压力、真空度应符合表1的规定。表1
公称直径DN
15~100
125~300
350~~1200
工作压力(MPa)
真空度(kPa)
工作压力(MPa)
真空度(kPa)
工作压力(MPa)
真空度(kPa)
4.3.2可曲挠橡胶接头的长度尺寸及公差应符合表2的规定。表2
公称直径
350~500
600~1200
单位:mm
5技术要求
CJ/T 3013. 1-1993
5.1可曲橡胶接头应符合本标准规定的要求,按规定顺序批准的图样和技术文件制造。5.2橡胶件质量
5.2.1可曲挠橡胶接头用帘布应无味无毒,对人体无危害作用。5.2.2橡胶件两端内部钢丝圈应圆整,无明显变形及折断、错位等现象。5.2.3橡胶件外观要求及分等规定见附录A,外形尺寸应符合表2的规定。5.3可曲挠橡胶接头用胶料的物理性能应符合表3的规定。表3
序号·
拉伸强度,MPa
扯断伸长率,%
扯断永久变形,%
脆性温度,℃
粘强度,kN/m
热空气老化
(100℃×48h)
拉伸强度变化率,%
扯断伸长率变化率,%
耐酸系数10%H2S0.×168h室温
耐碱系数10%NaOH×168h室温
注:粘著强度系成品试验。此内容来自标准下载网
内胶层
≥450
+25~—25
+10~—30
外胶层
≥500
+25~25
+10~—30
5.4平形活接头应符合GB3289.37要求,金属法兰应符合GB2555要求,公差尺寸按GB1804-1979中IT14级执行。
5.5可曲挠橡胶接头的工作压力和真空度应符合表1的规定,试验压力是工作压力的1.5倍,爆破压力是工作压力的3倍。
5.6在表1规定的工作压力下,可曲挑橡胶接头的位移性能应符合表4要求。表4
公称通径DN
65~100
125~200
250~400
500~1200
100~150
200~300
轴向伸长
轴向压缩
横向位移
偏转角度
(αr+az),(°)
可曲挠橡胶接头用于生活饮用水系统时,通过接头后的水质仍应符合GB5749的规定。441
6试验方法
CJ/T3013.1—1993
6.1外观质量采用目测检验,结构尽寸应用游标卡尺或尺检验。6. 2 橡胶件内部的钢丝圈应用 X射线透视检验。6.3物理性能的试验方法
6.3.1橡胶拉伸强度、扯断伸长率、扯断永久变形的试验应符合GB528的规定。6.3.2
橡胶脆性温度的试验应符合GB 1682的规定。6.3.3硫化橡胶与织物帘布层的粘着强度试验应符合GB532的规定。6.3.4
橡胶热空气老化的试验应符合GB3512的规定。橡胶耐酸碱的试验应符合GB1690一1982中4.2条的规定,试验液体为10%H,SO4、10%6.3.5
NaOH,试验结果用抗张积累数表示。6.4平形活接头或金属法兰外观用目测方法检验,尺寸及公差应用游标卡尺或卷尺检验。6. 5压力和真空度的试验方法
6.5.1产品的试验压力和爆破压力的试验可参照GB5563-1985中6.3条规定执行。6.5.2产品的真空度试验可参照GB5567一1985中2~5章规定执行。6.6产品的位移性能试验应符合附录B的要求。6.7产品的水质试验应符合GB5750的规定。7检验规则
7.1产品必须经制造厂质检部门检验,并出具产品合格证。7.2产品的检验分出厂检验和型式检验两种,其项目应符合表5的规定。7.3凡属以下几种情况之一的必须进行型式检验:(1)产品结构、材料、工艺有较大改变,可能影响产品性能时;(2)新产品开发或老产品转厂生产的试定型鉴定;(3)正常生产过程中的质量定期抽查;(4)出厂检验结果与上次型式检验有较大差异时;(5)国家质量监督机构提出进行型式检验的要求时。表5
检验项目
外观质量检验
X光透视检验
橡胶物理性能检验
法兰、平形活接头检验
试验压力检验
爆破压力检验
真空度检验
位移性能检验
水质检验
注:原材料无变化时,水质检验可酌情延期。技术要求
试验方法
出厂检验
型式检验
7.4正常生产时,橡胶拉伸强度、扯断伸长率、扯断永久变形试验应每月检验一次;热空气老化、脆性温442
CJ/T3013.1—1993
度、耐酸碱性试验应每季度检验一次。每次抽取1个试样,进行规定项目的检验,如有项不合格时,应另取双借试样进行不合格项目复检,仍不合格时,则该批胶料判为不合格。7.5.产品的粘着强度、试验压力检验应每季度检验一次,真空度、爆破压力、位移性能试验应每年度检验一次。每次任选一种规格为代表,任取1~2件试样进行规定项目的检验,如有一项不合格时,应在同规格产品中另取双倍试样进行不合格项目复检,仍有一一件不合格时,则该批产品判为不合格,并作降级处理。
8标志、包装、运输和购存
8.1产品应具有下列标志:制造厂名及商标、产品名称、规格、型号、出厂日期和检验员印章。8.2公称直径小于等于250mm的产品用纸盒包装,公称直径大于250mm的产品用木箱包装,长途运输时均用木箱包装。包装盒(箱)内应附有产品合格证。8.3运输、贮存
产品在运输、贮存过程中,应防止日光直射、雨雪漫淋,避免与酸碱、油类等有机溶剂接触。产品应贮存在干燥、通风良好的库房内,并远离热源1m以外。443
CJ/T 3013. 1—1993
附录A
外观质量及分等规定
(补充件)
在不影响使用性能的情况下,外观质量及分等应符合表A1规定。表A1
外观缺陷
起泡脱层
外界损伤
修理痕迹
破裂、增强
层脱层、针
孔、海绵状
B1试样
不允许有
优等品
内胶层不允许有,外胶层深度
不大于0.2mm,且不多于
内胶层不允许有,外胶层深度
不大于 0. 2 mm,面积不大于 5
mm2,且不多于一处
不允许有
不允许有
一等品
内胶层不允许有,外胶层面积
不大于100mm,两缺陷间距
不小于500mm,须经一次修
理完善
内胶层不充许有,外胶层深度
不大于0.5mm,且不多于2
处,须经一次修理完善
内胶层不允许有,外胶层深度
不大于0.5mm,面积不大于
10 mm2,且不多于2处,须-
次修理完善
内胶层不允许有,外胶层不多
于 2 处的轻微痕迹
不允许有
附录B
位移性能试验方法
(补充件)
合格品
内、外胶层面积不大于300 mm2,两缺陷间距不小于300mm,须
经次修理完善
内、外胶层深度不大于 1 mm,且不多于3处,须经一次修理完善
内、外胶层深度不大于 1 mm,且不多于3处,须一次修理完普
内、外胶层允许有不多于3处的
修理瘦迹
不允许有
在硫化后停放时间不少于24h的可曲挠橡胶接头成品中任取1件作为试样。B2设备及工具
B2.1电动试压泵或手动水压泵。B2.2压力表(规定的使用压力应在全刻度盘读数的 15%~85%之间,并应定期校对确保灵敏和准确)。
B2.3试验台、游标卡尺、角度量具。B3试验用介质
水、皂化液或合适的液体。
B4升压速度
CJ/T 3013.1—1993
当试验压力不超过7.0MPa时为0.075MPa/s,如果达不到上述升压速度时,有关方面应事先商定一个合适的速度值。
B5试验的准备
将平直放暨的可曲挠橡胶接头试样一端装上带排气阀的平面法兰盖,成为自由端。另一端装上带导气管的平面法兰盖和液压泵出口管相连接并固定在试验台上,以低压水或皂化液充人试样内部排净空气,关闭排气阀停泵。调整试样轴线并固定自由端。平行轴线测量并记录试样初试长度。B6轴向位移试验
按B5准备完毕后,在轴线方向施加机械力将试样拉伸或压缩至表4规定的伸长量或压缩量,并固定住。按B4升压速度对试样施以产品的工作压力,至少保持1min检查试样有无渗漏、开裂或异常变形等损坏现象。
B7横向位移试验
该试验可单独进行,也可在轴向位移试验结束并恢复试样原状后连续进行。用垂直轴线的机械力将试样横向拉至表4规定的横向位移量,并固定住。按B4升压速度对试样施以产品工作压力,至少保持1 min,检查试样有无渗漏、开裂或异常变形等损坏现象。B8偏转角度试验
该试验可单独进行,也可在轴向和横向位移试样结束并恢复试样原状后连续进行。转动二侧直角挡板将试样偏转至表4.规定的偏转位移角度并固定住,按B4升压速度对试样施以产品的工作压力,至少保持1 min检查试样有无渗漏、开裂或异常变形等损坏现象。B9试验结果
在保持时间内观察并记录产品有无渗漏、开裂及异常变形现象。附加说明:
本标准由建设部标准定额研究所提出。本标准由建设部水处理设备器材标准技术归口单位中国市政工程华北设计院归口。本标准由上海建筑设计研究院和上海市松江橡胶制品厂负责起草。本标准主要起草人姜文源、张淼、陈志华、江定辉、李文珍、包虹、陆洪元。本标准委托上海建筑设计研究院负责解释。445
小提示:此标准内容仅展示完整标准里的部分截取内容,若需要完整标准请到上方自行免费下载完整标准文档。
标准图片预览:





- 其它标准
- 热门标准
- 城镇建设行业标准(CJ)
- CJ/T5001-1992 无轨电车气压控制开关
- CJ/T440-2013 无负压静音管中泵给水设备
- CJ/T442-2013 建筑排水低噪声硬聚氯乙烯(PVC-U)管材
- CJJ/T206-2013 城市道路低吸热路面技术规范 含条文说明
- CJ/T112-2008 IC卡膜式燃气表
- CJ/T282-2008 蝶形缓闭止回阀
- CJ/T414-2012 城市轨道交通钢铝复合导电轨技术要求
- CJ/T351-2010 高位调蓄叠压供水设备
- CJ/T417-2012 低地板有轨电车车辆通用技术条件
- CJ/T30-2013 热电式燃具熄火保护装置
- CJ/T3-1999 城市无轨电车和有轨电车供电线网电杆
- CJJ28-2014 城镇供热管网工程施工及验收规范
- CJ/T448-2014 城镇燃气加臭装置
- CJ/T5010-1993 无轨电车底盘通用技术条件
- CJ/T5011-1993 无轨电车空气断路器通用技术条件
- 行业新闻
请牢记:“bzxz.net”即是“标准下载”四个汉字汉语拼音首字母与国际顶级域名“.net”的组合。 ©2025 标准下载网 www.bzxz.net 本站邮件:bzxznet@163.com
网站备案号:湘ICP备2025141790号-2
网站备案号:湘ICP备2025141790号-2