- 您的位置:
- 标准下载网 >>
- 标准分类 >>
- 城镇建设行业标准(CJ) >>
- CJ/T 3008.3-1993 城市排水流量堰槽测量标准 巴歇尔量水槽
标准号:
CJ/T 3008.3-1993
标准名称:
城市排水流量堰槽测量标准 巴歇尔量水槽
标准类别:
城镇建设行业标准(CJ)
标准状态:
现行-
发布日期:
1993-05-01 -
实施日期:
1993-10-01 出版语种:
简体中文下载格式:
.rar.pdf下载大小:
200.40 KB
点击下载
标准简介:
标准下载解压密码:www.bzxz.net
本标准规定了使用巴歇量水槽测量排水流量的术语、结构、流f公式、制作、安装、水头测量、综合误差分析和维护等。本标准适用于渠道坡降小,特别适用于水中杂质多,污水流量为1. 5 L/s-93 m3/s的城市生活污水、工业废水和雨水的明渠排水流量测量。本标准的测量精度为2%一5%。供水明渠的流量测量可参照使用。 CJ/T 3008.3-1993 城市排水流量堰槽测量标准 巴歇尔量水槽 CJ/T3008.3-1993
部分标准内容:
中华人民共和国城镇建设行业标准城市排水流工堰槽测量标准
巴歇尔量水槽
Standards for municipal wastewater discharge measurement-Parshall flume
本标准制订参照了国际标准(ISO)9826:1991《明渠水流测量CJ/T 3008.3—1993
一巴歇尔水槽和孙奈利水槽》、——词汇和符号》和(ISO)4373:1979《明渠水流测量——水位测量设(ISO)772:1988《明渠水流测量备》。
1主题内容与适用范围
本标准规定了使用巴歇尔量水槽测量排水流量的术语、结构、流量公式、制作、安装、水头测量、综合误差分析和维护等。
本标准适用于渠道坡降小,特别适用于水中杂质多,污水流量为1.5L/s~93m*/s的城市生活污水、工业废水和雨水的明渠排水流量测量。本标准的测量精度为 2% ~5% 。供水明渠的流量测量可参照使用。2引用标准
GBJ95水文测验术语和符号标准
3术语
3. 1导流板beffle
为改普水流条件,在行近渠道中设置的档板。3.2 基准板 datum pliate
具有精确基面的固定金属板,用以测量水位。3.3亚临界流sub-critical flow弗汝德数小于1的水流。在这种水流中,水面的扰动会影响上游的流态。3.4本标准采用的其他术语和符号应符合GBJ95的有关规定巴歇尔量水槽的类型与尺寸
4.1类型
巴歇尔量水槽分为标准巴歇尔量水槽和大型巴歇尔量水槽。4.2尺寸
4.2.1巴尔量水槽由三部分组成,进口段、喉道和出口段,见图1。中华人民共和国建设部1993-05-03批准1993-10-01实施
CJ/T 3008. 3--1993
进口段
出口段
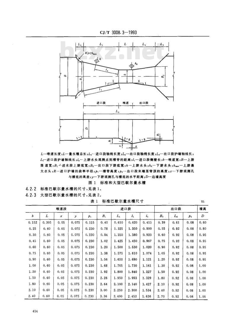
L喉道长度;L一量水槽总长;L,—进口段轴线长度,L2—出口段轴线长度,L,-出口段护增轴线长,L进口段护墙轴线长1. 一上游水头观测点到槽脊的距离;l1一进口段侧壁长,b-曦道宽B一上游渠道宽,B,进水段上游底宽,Bz—出口段下游底宽,h—上游水头ha—下游水头hz—上游最大水头;R—进口护增的曲率半径+p1—槽脊高度;p2-出口段末端至脊顶的高度;-—下游观测孔与槽底的高差1一下游观测孔与槽底的水平距离;D一边增高度图1标准和大型巴歌尔量水槽
标准巴歇尔量水槽的尺寸,见表1。3大型巴歇尔量水槽的尺寸,见表2。4.2. 3
表1标准巴尔量水糖尺寸
喉道段
进口段
出口段
流量计算
喉道段
标推巴歇尔量水槽的流量公式
CJ/T3008.3-1993
表2大型巴歇尔水槽尺寸
进口段
当60.152~2.400m时,称标准巴歌尔量水槽,其流量公式见表3。表中:C~流量系数,
n--由喉道宽确定的指数。
表3标准巴歇尔量水槽的流量公式喉道宽
(m°/s)
0.381h1.58
0.561h1.513
0.679h1.521
1.038h1.537
1.403hl.548
1.772h1.557
2.147hl-565
2.397h1.569
2.904h1.577
3.668hl.586
4.440hl.593
5.222hl.599
6.004h1-605
大型巴歇尔量水槽的流量公式
水头范围
出口段
流素范围
(L/s))
当b=3.05~15.24m时。称大型巴歇尔量水槽,其流量公式见表4。表4大型巴歇尔量水槽的流量公式喉道宽
自由流
(m*/s)
7.463h1.6
8.859hl.6
10.96h1.6
14.45hl.6免费标准下载网bzxz
水头范圈
流量范围
淹没系数
滤没系数
喉道宽
自由流
(m°/s)
17. 94h1. 6
21.44h1.6
28.43h1.6
35.41hl.6
5.3应用限制条件
CJ/T3008.3—1993
续表4
水头范
流量范围
(m°/s)
5.3.1槽上水流应呈排淹没自由流,其淹没系数应小于表3和表4中所列值。6技术条件
6.1材料
淹没系数
量水槽、行近渠道、下游渠道和静水井用混凝土或砖石筑,外抹水泥砂浆并压光;也可用耐腐蚀、耐水流冲刷、不变形的材料预制而成。连通管采用铸铁管或塑料管等耐腐蚀管道。6.2制作精度
6.2.1巴歇尔量水槽的内表面应平整光滑。制作精度应符合下列规定:
喉道底宽b及两侧增之间的宽度误差应不大于±0.2%L;最大误差值为士0.005m;喉道表面各点误差应不大于士0.1%L,喉道底面纵向和横向基线的平均坡度误差不大于土0.1%;d
喉道斜面坡度误差应不大于士0.1%;e.
喉道长度的误差应不大于土1%L,进口段水平面各点的误差应不大于0.1%L,出口段底表面各点的误差应不大于0.3%L其他竖直面、水平面倾斜面和曲面的误差应不大于士1%L,行近渠道底部平面误差应不大于1%L。6.3行近渠道
6.3.1长度
行近渠道为顺直平坦的矩形明渠,其长度应不小于槽宽的10倍。6.3.2流态
行近渠道中水流的流态应满足附录A的规定,而且佛汝德数F,小于或等于 0.5~~0.7。Qmar
A(ghmax)1/2
式中: Qmax测量流量的最大值,m\ /s;A—行近渠道水流断面面积,m\,g—-重力加速度,m/s2。
若流态不能满足此规定时,应进行整流。巴歇尔量水槽应处于非淹没状态。6.5静水井
6.5.1位置
静水井设在巴歇尔量水槽槽壁的外侧,与槽壁的距离尽量缩短。上游静水井和下游静水井的位置见416
图1、表1和表2的规定。
6.5.2连通管
CJ/T 3008.3—1993
静水井与巴歇尔量水槽之间应用连通管相连通。管长尽量缩短,管子坡向量水槽,a.
b.连通管直径应不小于50mm。
6.5.3井简
a,静水井可为圆形或方形。竖直设置,高度应不低于顶;井简内壁与水位计浮子的间隙不小于75mm。井底低于连通管进口管底300mm;b.
在并筒的项面上设一金属基准板,其一边与井简内壁齐平。c.
6.6安装
巴歇尔量水槽砌筑或安装在行近渠道末端,进口段底面为水平面,侧壁与底面垂直。6.6.1
6.6.2行近梁道、静水井和槽体均不得漏水。6.6.3下游渠道紧接出口段处,应作加固处理。6.6.4在最大流通过时,槽体和渠道不受损坏。7水头测量
7.1测量仪器
7.1.1测量瞬时水头时,水尺的刻度刻划至毫米。7.1.2连续地测量水头的变化过程时,使用浮子式水位计、超声波水位计或其他有同等精度的水位计。7.1.2.1水位计精度
a。水位计的水位刻度应刻划至毫米,b.水位滞后行程应不大于士3 mm。7.1.2.2记时精度
计时装暨连续工作30d以上,记时累积平均误差不大于士30s/d。连续工作24h的记时钟;误差应不大于±30 s/d。
7.1.2.3电子记录仪精度
电子记录仪的误差不大于满刻度读数的土0.5%。7.1.3直接与污水接触的测量仪器部件,用耐腐蚀的材料制成。7.1.4安装在现场的仪器,应有防潮、防腐和防冻等措施。7. 2测量位置
若水流平稳,测量仪器不影响水流,可在水槽上直接测量,否则必须在静水并中测量。7.3确定水头零点
测流前应确定水头零点。水头零点即进水段底面至基准板的垂直距离,此值用水准仪测量求得。7.4水头测量精度
7.4.1水头测量的误差为水头变幅的±1%,但不得大于士10mm。7.4.2水头零点综合误差应不大于士3mm。8 流量测量的综合误差分析
8.1误差计算公式
式中:XQ-
r和n—
Xα=± (x?+rx+nX1/2
(2)
流量计算值的误差,%;
流量系数的误差,%;
分别为b和h的指数,由巴歇尔量水槽的尺寸而定;Xb—一喉道宽度b的误差,%,
X.——上游水头的误差,%。
8.1.1本标准取X。=±4%。
8. 1.2确定X值和r值
式中:Xb-
喉道宽6的测量误差,%;
喉道宽的测量误差,m。
本标准取r=1.05。
8.1.3Xn值按公式(4)计算:
CJ/T3008.3—1993
Xb =± 100 ×
100 · [1& + 2e +....+(2S)271/2Xh =±=
式中:1e%、2%—影响水头测量的各种误差,2Sπ——n次水头测量读数平均值的误差。8.1.3.1S值按公式(5)计算:
式中:Sh
n 次水头测量值的标准差。
式中h;每次水头读数;
一n次水头读数平均值。
9维护
9.1行近渠道、连通管和静水井应保持清洁,底部无障碍物。9.2下游渠道应无阻塞,不应雍水,保证巴歇尔量水槽的水流处于自由出流状态。9.3水槽应保持牢固可靠,不受损坏。9.4凡有漏水部位,应及时修补。9.5
每年应核查一次槽体各部位的尺寸,是否与原尺寸相符。9.6
每年应校验一次水位计的精度。9.7
每年应校测一次水头零点。
(3)
(4))
(5)
.(6)
CJ/T3008.3—1993
附录A
行近渠道的流态
(补充件)
A1行近渠道的水流应为均勾稳定的亚临界流,其流速分布接近于图A1。平安
图A1行近媒道中的正常流速分布A2保持亚临界流的条件
gA)1/2
式中:-
行近道中的平均流速,m/s,
行近渠道中的水流断面面积,m。附录B
巴歇尔量水槽流量测量综合误差举例(参考件)
B基本尺寸
在规则的矩形明渠上设巴歇尔量水槽,进行单次流量测量,水流为自由流。喉道宽b=1.00m
上游水头h=0.60m
B2误差分析
B2.1本例给定的数值
流量系数的误差 X士4% ,
系数r=1.05
查表3,当b=1.00m时,n=1.569。B2.2使用者估算的误差
(AI)
喉道宽的误差eb一士2mm
零点设置误差
Eo=±2mm
水头综合误差=士4mm
B2.3计算X,和Xh
根据公式(3),X,是:
根据公式(4),Xn是:
Xh=士
CJ/T3008.3—1993
X, 一± 100
± 100
100[1e + 2 +.. +(2S#)271/2
=± 100. 002* ± 0. 004]1/2
=± 0. 75%
B2.4 计算流量测量误差 X
根据公式(2),XQ是:
Xe =± [X?+ (rX,)°+ (nXh)12=±(4, 02+(1. 05× 0.2)2 + (1.569 × 0. 75)1/2一± 4. 17%
附加说明:
本标准由建设部标准定额研究所提出。本标准由建设部城镇建设标准技术归口单位建设部城市建设研究院归口。本标准由北京市市政工程局负责起草。本标推主要起草人:陶丽芬、李俊、王岚、王春顺、肖鲁。本标雄委托北京市市政工程局负责解释。420
小提示:此标准内容仅展示完整标准里的部分截取内容,若需要完整标准请到上方自行免费下载完整标准文档。
巴歇尔量水槽
Standards for municipal wastewater discharge measurement-Parshall flume
本标准制订参照了国际标准(ISO)9826:1991《明渠水流测量CJ/T 3008.3—1993
一巴歇尔水槽和孙奈利水槽》、——词汇和符号》和(ISO)4373:1979《明渠水流测量——水位测量设(ISO)772:1988《明渠水流测量备》。
1主题内容与适用范围
本标准规定了使用巴歇尔量水槽测量排水流量的术语、结构、流量公式、制作、安装、水头测量、综合误差分析和维护等。
本标准适用于渠道坡降小,特别适用于水中杂质多,污水流量为1.5L/s~93m*/s的城市生活污水、工业废水和雨水的明渠排水流量测量。本标准的测量精度为 2% ~5% 。供水明渠的流量测量可参照使用。2引用标准
GBJ95水文测验术语和符号标准
3术语
3. 1导流板beffle
为改普水流条件,在行近渠道中设置的档板。3.2 基准板 datum pliate
具有精确基面的固定金属板,用以测量水位。3.3亚临界流sub-critical flow弗汝德数小于1的水流。在这种水流中,水面的扰动会影响上游的流态。3.4本标准采用的其他术语和符号应符合GBJ95的有关规定巴歇尔量水槽的类型与尺寸
4.1类型
巴歇尔量水槽分为标准巴歇尔量水槽和大型巴歇尔量水槽。4.2尺寸
4.2.1巴尔量水槽由三部分组成,进口段、喉道和出口段,见图1。中华人民共和国建设部1993-05-03批准1993-10-01实施
CJ/T 3008. 3--1993
进口段
出口段
L喉道长度;L一量水槽总长;L,—进口段轴线长度,L2—出口段轴线长度,L,-出口段护增轴线长,L进口段护墙轴线长1. 一上游水头观测点到槽脊的距离;l1一进口段侧壁长,b-曦道宽B一上游渠道宽,B,进水段上游底宽,Bz—出口段下游底宽,h—上游水头ha—下游水头hz—上游最大水头;R—进口护增的曲率半径+p1—槽脊高度;p2-出口段末端至脊顶的高度;-—下游观测孔与槽底的高差1一下游观测孔与槽底的水平距离;D一边增高度图1标准和大型巴歌尔量水槽
标准巴歇尔量水槽的尺寸,见表1。3大型巴歇尔量水槽的尺寸,见表2。4.2. 3
表1标准巴尔量水糖尺寸
喉道段
进口段
出口段
流量计算
喉道段
标推巴歇尔量水槽的流量公式
CJ/T3008.3-1993
表2大型巴歇尔水槽尺寸
进口段
当60.152~2.400m时,称标准巴歌尔量水槽,其流量公式见表3。表中:C~流量系数,
n--由喉道宽确定的指数。
表3标准巴歇尔量水槽的流量公式喉道宽
(m°/s)
0.381h1.58
0.561h1.513
0.679h1.521
1.038h1.537
1.403hl.548
1.772h1.557
2.147hl-565
2.397h1.569
2.904h1.577
3.668hl.586
4.440hl.593
5.222hl.599
6.004h1-605
大型巴歇尔量水槽的流量公式
水头范围
出口段
流素范围
(L/s))
当b=3.05~15.24m时。称大型巴歇尔量水槽,其流量公式见表4。表4大型巴歇尔量水槽的流量公式喉道宽
自由流
(m*/s)
7.463h1.6
8.859hl.6
10.96h1.6
14.45hl.6免费标准下载网bzxz
水头范圈
流量范围
淹没系数
滤没系数
喉道宽
自由流
(m°/s)
17. 94h1. 6
21.44h1.6
28.43h1.6
35.41hl.6
5.3应用限制条件
CJ/T3008.3—1993
续表4
水头范
流量范围
(m°/s)
5.3.1槽上水流应呈排淹没自由流,其淹没系数应小于表3和表4中所列值。6技术条件
6.1材料
淹没系数
量水槽、行近渠道、下游渠道和静水井用混凝土或砖石筑,外抹水泥砂浆并压光;也可用耐腐蚀、耐水流冲刷、不变形的材料预制而成。连通管采用铸铁管或塑料管等耐腐蚀管道。6.2制作精度
6.2.1巴歇尔量水槽的内表面应平整光滑。制作精度应符合下列规定:
喉道底宽b及两侧增之间的宽度误差应不大于±0.2%L;最大误差值为士0.005m;喉道表面各点误差应不大于士0.1%L,喉道底面纵向和横向基线的平均坡度误差不大于土0.1%;d
喉道斜面坡度误差应不大于士0.1%;e.
喉道长度的误差应不大于土1%L,进口段水平面各点的误差应不大于0.1%L,出口段底表面各点的误差应不大于0.3%L其他竖直面、水平面倾斜面和曲面的误差应不大于士1%L,行近渠道底部平面误差应不大于1%L。6.3行近渠道
6.3.1长度
行近渠道为顺直平坦的矩形明渠,其长度应不小于槽宽的10倍。6.3.2流态
行近渠道中水流的流态应满足附录A的规定,而且佛汝德数F,小于或等于 0.5~~0.7。Qmar
A(ghmax)1/2
式中: Qmax测量流量的最大值,m\ /s;A—行近渠道水流断面面积,m\,g—-重力加速度,m/s2。
若流态不能满足此规定时,应进行整流。巴歇尔量水槽应处于非淹没状态。6.5静水井
6.5.1位置
静水井设在巴歇尔量水槽槽壁的外侧,与槽壁的距离尽量缩短。上游静水井和下游静水井的位置见416
图1、表1和表2的规定。
6.5.2连通管
CJ/T 3008.3—1993
静水井与巴歇尔量水槽之间应用连通管相连通。管长尽量缩短,管子坡向量水槽,a.
b.连通管直径应不小于50mm。
6.5.3井简
a,静水井可为圆形或方形。竖直设置,高度应不低于顶;井简内壁与水位计浮子的间隙不小于75mm。井底低于连通管进口管底300mm;b.
在并筒的项面上设一金属基准板,其一边与井简内壁齐平。c.
6.6安装
巴歇尔量水槽砌筑或安装在行近渠道末端,进口段底面为水平面,侧壁与底面垂直。6.6.1
6.6.2行近梁道、静水井和槽体均不得漏水。6.6.3下游渠道紧接出口段处,应作加固处理。6.6.4在最大流通过时,槽体和渠道不受损坏。7水头测量
7.1测量仪器
7.1.1测量瞬时水头时,水尺的刻度刻划至毫米。7.1.2连续地测量水头的变化过程时,使用浮子式水位计、超声波水位计或其他有同等精度的水位计。7.1.2.1水位计精度
a。水位计的水位刻度应刻划至毫米,b.水位滞后行程应不大于士3 mm。7.1.2.2记时精度
计时装暨连续工作30d以上,记时累积平均误差不大于士30s/d。连续工作24h的记时钟;误差应不大于±30 s/d。
7.1.2.3电子记录仪精度
电子记录仪的误差不大于满刻度读数的土0.5%。7.1.3直接与污水接触的测量仪器部件,用耐腐蚀的材料制成。7.1.4安装在现场的仪器,应有防潮、防腐和防冻等措施。7. 2测量位置
若水流平稳,测量仪器不影响水流,可在水槽上直接测量,否则必须在静水并中测量。7.3确定水头零点
测流前应确定水头零点。水头零点即进水段底面至基准板的垂直距离,此值用水准仪测量求得。7.4水头测量精度
7.4.1水头测量的误差为水头变幅的±1%,但不得大于士10mm。7.4.2水头零点综合误差应不大于士3mm。8 流量测量的综合误差分析
8.1误差计算公式
式中:XQ-
r和n—
Xα=± (x?+rx+nX1/2
(2)
流量计算值的误差,%;
流量系数的误差,%;
分别为b和h的指数,由巴歇尔量水槽的尺寸而定;Xb—一喉道宽度b的误差,%,
X.——上游水头的误差,%。
8.1.1本标准取X。=±4%。
8. 1.2确定X值和r值
式中:Xb-
喉道宽6的测量误差,%;
喉道宽的测量误差,m。
本标准取r=1.05。
8.1.3Xn值按公式(4)计算:
CJ/T3008.3—1993
Xb =± 100 ×
100 · [1& + 2e +....+(2S)271/2Xh =±=
式中:1e%、2%—影响水头测量的各种误差,2Sπ——n次水头测量读数平均值的误差。8.1.3.1S值按公式(5)计算:
式中:Sh
n 次水头测量值的标准差。
式中h;每次水头读数;
一n次水头读数平均值。
9维护
9.1行近渠道、连通管和静水井应保持清洁,底部无障碍物。9.2下游渠道应无阻塞,不应雍水,保证巴歇尔量水槽的水流处于自由出流状态。9.3水槽应保持牢固可靠,不受损坏。9.4凡有漏水部位,应及时修补。9.5
每年应核查一次槽体各部位的尺寸,是否与原尺寸相符。9.6
每年应校验一次水位计的精度。9.7
每年应校测一次水头零点。
(3)
(4))
(5)
.(6)
CJ/T3008.3—1993
附录A
行近渠道的流态
(补充件)
A1行近渠道的水流应为均勾稳定的亚临界流,其流速分布接近于图A1。平安
图A1行近媒道中的正常流速分布A2保持亚临界流的条件
gA)1/2
式中:-
行近道中的平均流速,m/s,
行近渠道中的水流断面面积,m。附录B
巴歇尔量水槽流量测量综合误差举例(参考件)
B基本尺寸
在规则的矩形明渠上设巴歇尔量水槽,进行单次流量测量,水流为自由流。喉道宽b=1.00m
上游水头h=0.60m
B2误差分析
B2.1本例给定的数值
流量系数的误差 X士4% ,
系数r=1.05
查表3,当b=1.00m时,n=1.569。B2.2使用者估算的误差
(AI)
喉道宽的误差eb一士2mm
零点设置误差
Eo=±2mm
水头综合误差=士4mm
B2.3计算X,和Xh
根据公式(3),X,是:
根据公式(4),Xn是:
Xh=士
CJ/T3008.3—1993
X, 一± 100
± 100
100[1e + 2 +.. +(2S#)271/2
=± 100. 002* ± 0. 004]1/2
=± 0. 75%
B2.4 计算流量测量误差 X
根据公式(2),XQ是:
Xe =± [X?+ (rX,)°+ (nXh)12=±(4, 02+(1. 05× 0.2)2 + (1.569 × 0. 75)1/2一± 4. 17%
附加说明:
本标准由建设部标准定额研究所提出。本标准由建设部城镇建设标准技术归口单位建设部城市建设研究院归口。本标准由北京市市政工程局负责起草。本标推主要起草人:陶丽芬、李俊、王岚、王春顺、肖鲁。本标雄委托北京市市政工程局负责解释。420
小提示:此标准内容仅展示完整标准里的部分截取内容,若需要完整标准请到上方自行免费下载完整标准文档。
标准图片预览:





- 热门标准
- 城镇建设行业标准(CJ)
- CJ/T165-2002 高密度聚乙烯缠绕结构壁管材
- CJ/T121-2000 再生树脂复合材料检查井盖
- CJ/T112-2008 IC卡膜式燃气表
- CJJ11-1993 城市桥梁设计准则
- CJ/T208-2005 可曲挠橡胶接头
- CJ/T3013.1-1993 给水输配专用管件--可曲挠橡胶接头
- CJ/T51-2004 城市污水水质检验方法标准
- CJJ122-2008 游泳池给水排水工程技术规程
- CJ/T261-2007 给水排水用蝶阀
- CJ/T443-2014 给水排水用格栅除污机通用技术条件
- CJJ/T174-2013 城市水域保洁作业及质量标准
- CJ/T387-2012 城市轨道交通设备房标识
- CJ/T415-2013 城镇供水管网加压泵站无负压供水设备
- CJJ/T87-2000 乡镇集贸市场规划设计标准CJJ87-2000
- CJJ/T82-1999 城市绿化工程施工及验收规范
- 行业新闻
请牢记:“bzxz.net”即是“标准下载”四个汉字汉语拼音首字母与国际顶级域名“.net”的组合。 ©2025 标准下载网 www.bzxz.net 本站邮件:bzxznet@163.com
网站备案号:湘ICP备2025141790号-2
网站备案号:湘ICP备2025141790号-2