- 您的位置:
- 标准下载网 >>
- 标准分类 >>
- 水产行业标准(SC) >>
- SC/T 2007-2001 真鲷配合饲料
标准号:
SC/T 2007-2001
标准名称:
真鲷配合饲料
标准类别:
水产行业标准(SC)
标准状态:
现行-
发布日期:
2001-06-01 -
实施日期:
2001-10-01 出版语种:
简体中文下载格式:
.rar.pdf下载大小:
151.75 KB
点击下载
标准简介:
标准下载解压密码:www.bzxz.net
本标准规定了真纲(Pagrosomusm ajorT emmincke tS chlegel)配合饲料的分类、技术要求、试验方法、检验规则和标签、包装、运输、储存要求。本标准适用于真绷配合饲料的生产和检验。 SC/T 2007-2001 真鲷配合饲料 SC/T2007-2001
部分标准内容:
SC/T 2007--2001
为了规范真鲷配合饲料的生产,管理和销售,加强对真鲷配合饲料产品的监督检验,提高产品质量特制定本标准。
本标准吸取了国内外有关科研成果和生产经验。本标准系首次制定。
本标准由农业部渔业局提出。
本标准由全国水产标准化技术委员会海水养殖分技术委员会归口。本标准起草单位:中国水产科学研究院黄海水产研究所、山东省渔业技术推广站、福州保税区天农科技开发有限公司。
本标准主要起草人:于东祥、陈四清、王春生、李晓川、常青、唐光铃、雷雾霖、杨葆根。388
1范围
中华人民共和国水产行业标准
真鲷配合饲料
Formula feed of sea bream
SC/T 2007--2001
本标准规定了真(PagrosomusmajorTemmincketSchlegel)配合饲料的分类、技术要求、试验方法、检验规则和标签、包装、运输、储存要求。本标准适用于真鲷配合饲料的生产和检验。2引用标准
下列标准所包含的条文,通过在本标准中引用而构成为本标准的条文。本标准出版时,所示版本均为有效。所有标准都会被修订,使用本标准的各方应探讨使用下列标准最新版本的可能性。GB/T5009.45—1996水产品卫生标准的分析方法GB/T5917-1986配合饲料粉碎粒度测定方法配合饲料混合均勾度的测定
GB/T 5918—1997
GB/T 6432—1994
GB/T 6433—1994
GB/T 6434-1994
GB/T 6435--1986
GB/T 6436-1992
GB/T 6437—1992
GB/T 6438-1992
GB 10648--1999
饲料中粗蛋白测定方法
饲料粗脂肪测定方法
饲料中粗纤维测定方法
饲料水分的测定方法
饲料中钙的测定方法
饲料中总磷量的测定方法光度法饲料中粗灰分的测定方法
饲料标签
GB/T 13080-1991
GB/T 13081--1991
GB/T 13082-1991
GB/T 13091—1991
GB/T 13092-1991
GB/T 13093—1991
饲料中铅的测定方法
饲料中汞的测定方法
饲料中镉的测定方法
饲料中沙门氏菌的检验方法
饲料中霉菌的检验方法
饲料中细菌总数的测定方法
GB/T14699.1—1993饲料采样方法GB/T17480-1998饲料中黄曲霉毒素B,的测定酶联免疫吸附法SC/T3501--1996鱼粉
3产品规格分类
真鲷配合饲料分为稚鱼配合饲料、苗种配合饲料、养成配合饲料三种。各种配合饲料适用鱼的全长见表1。
中华人民共和国农业部2001-06-01批准2001-10-01实施
产品类别
适用鱼全长
技术要求
4.1感官要求
感官要求见表2。
产品类别
4.2理化指标
理化指标见表3。
产品类别
原料粉碎粒度www.bzxz.net
(筛上物)
混合均匀度
(变异系数)
散失率
粗蛋白
粗脂肪
粗纤维
粗灰分
(盐酸不溶物)
4.3卫生指标
SC/T2007-—2001
产品规格
稚鱼配合饲料
苗种配合饲料
2.0~10.0
表2感官要求
稚鱼配合饲料
苗种配合饲料
具有饲料正常气味,无酸败、油烧等异味色泽均匀一致,无发霉、变质、结块现象,饲料无虫害表3理化指标
稚鱼配合饲料
0.20mm孔试验筛
卫生指标应符合表4的要求。
苗种配合饲料
0. 25mm孔试验筛
表4卫生指标
无机碑(以As计),mg/kg
铅(以Pb计),mg/kg
汞(以 Hg 计),mg/kg
锅(以 Cd 计),mg/kg
养成配合饲料
养成配合饲料
养成配合饲料
0.25mm孔试验筛
充许量
黄曲冠毒素 Br,mg /kg
SC/T 2007--2001
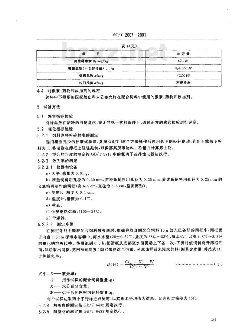
表4(完)
需菌总数(不含酵母菌),cfu /g
细菌总数,cfu /g
沙门氏菌.cfu/g
4.4对激素、药物和添加剂的规定允许量
≤4.0×104
<2×108
不得检出
饲料中不得添加国家禁止和未公布允许在配合饲料中使用的激素、药物和添加剂。5试验方法
5.1感宫指标检验
将样品放在洁净的白瓷盘内,在无异味干扰的条件下,通过正常的感官检验进行评定。5.2理化指标检验
5.2.1饲料原料粉碎粒度的测定
选用相应孔径的标准试验筛,参照GB/T5917方法操作后再用长毛刷轻轻刷动,直到不能筛下粉料为止,将毛刷在筛框上轻轻敲动,以振落其所带物料。称量并计算筛上物。5.2.2混合均匀度的测定按GB/T5918中的氯离子选择性电极法执行。5.2.3散失率的测定
5.2.3.1仪器和设备
a)天平:感量为0.01g。
b)稚鱼饲料用孔径为0.20mm、苗种鱼饲料用孔径为0.25mm、养成鱼饲料用孔径为0.25mm的金筛网制作的网框(高6.5cm,直径为6.5cm,呈圆简形)。c)刻度尺:精度为0.1cm。
d)温度计:精度为0.1℃。
e)秒表。
f)恒温电热烘箱:(105土2)℃。g)干燥器。
5.2.3.2测定步骤
在测定牙鲆干颗粒配合饲料散失率时,准确称取真鲷配合饲料10g放人已备好的网框中,网框置于内盛5.5cm深海水容器中。海水水温(20士0.5)℃,盐度为28%~33%,海水也可以用2.8%~3.3%的氯化钠溶液代替。待漫泡到0.5h,把筛框从底部至水面提动上下各一次,下沉时使饲料离开筛框底面,然后取出网框,把网框饲料置105℃烘箱烘至恒重。另取该样品未漫水饲料,测其含水量,并按式(1)计算散失率:
式中:D-
散失率;
D(%) G(1 =X) - w
G(1 X)
一用作试样的配合饲料重量,g;G
一水分百分含量;
——烘干后的网框内饲料重量,8。每个试样应取两个平行样进行测定,以其算术平均值为结果。允许相对偏差为4%。5.2.4粗蛋白的测定按GB/T6432规定执行。5.2.5粗脂肪的测定按GB/T6433规定执行。(1)
SC/T2007—2001
5.2.6粗纤维的测定按GB/T6434规定执行。5.2.7
粗灰分的测定按GB/T6438规定执行。5.2.8水分的测定按GB/T6435规定执行。5.2.9总钙量的测定按GB/T6436规定执行。总磷量的测定按GB/T6437规定执行。5. 2. 10
5.2.11砂分的测定按SC/T3501--1996中5.9的规定执行。5.3卫生指标检验
5.3.1无机砷的测定按GB/T5009.45规定执行。5.3.2铅的测定按GB/T13080规定执行。5.3.3汞的测定按GB/T13081规定执行。5.3.4镉的测定按GB/T13082规定执行。5.3.5黄曲毒素B,的测定按GB/T17480规定执行。5.3.6霉菌数的测定按GB/T13092规定执行。5.3.7细菌总数的测定按GB/T13093规定执行。5.3.8沙门氏菌的测定按GB/T13091规定执行。6检验规则
6.1检验分类
6.1.1出厂检验
对标准中规定的感官指标、水分、散失率、混合均勾度、粗蛋白、粗脂肪、灰分、粗纤维及包装、标签进行检验。
6.1.2型式检验
有下列情况之一时进行型式检验:a)新产品投产时;
b)材料、配方、工艺有较大改变,可能影响产品性能时;c)正常生产时,定期或积累一定产量后周期性地进行检验(每年至少两次);d)停产90天后,恢复生产时;
e)出厂检验与上次型式检验有较大差异时;f)国家质量监督检验机构提出进行型式检验的要求时。6.2取样
6.2.1批的组成
生产企业中以一个班次生产的产品为一个检验批,在销售或用户处按产品出厂包装的标示批号抽样。
6.2.2抽样方法
产:品的抽样按GB/T14699.1规定执行。对待检产品按批号随机取样,每批号产品抽样袋数比不得低于1%,取样袋数最少不低于5袋;对制造日期不同、批号两个以上的产品,取样袋数比不得低于3%,取样袋数不低于9袋。总抽样量不少于5000g。把样品按四分法缩分至1500g,分为三份,一份用作检测,两份储存备查。6.2.3抽样记录
抽样记录内容包括:样品名称、型号、抽样时间、地点、产品批号、抽样数量、抽样人签字等。6.3判定规则
检验结果中如卫生指标不符合要求或有霉变、酸败、结块、生虫时,则判定该产品不合格。其他指标若有不合格项,应在原样本中加倍取样复检,以复检结果为准,若仍有不合格项,则判定该产品为不合格92
产品。
7标签、包装、运输、储存
7. 1标签
SC/T2007—2001
按GB10648的有关规定执行。应标明保质期。2包装、运输、储存
7.2.1真鲷配合饲料的包装、运输和储存,必须符合保质、保量、运输安全和分类分等储存的要求,严防污染。
包装应随带产品说明书,以说明产品的主要性能和使用要求393
小提示:此标准内容仅展示完整标准里的部分截取内容,若需要完整标准请到上方自行免费下载完整标准文档。
为了规范真鲷配合饲料的生产,管理和销售,加强对真鲷配合饲料产品的监督检验,提高产品质量特制定本标准。
本标准吸取了国内外有关科研成果和生产经验。本标准系首次制定。
本标准由农业部渔业局提出。
本标准由全国水产标准化技术委员会海水养殖分技术委员会归口。本标准起草单位:中国水产科学研究院黄海水产研究所、山东省渔业技术推广站、福州保税区天农科技开发有限公司。
本标准主要起草人:于东祥、陈四清、王春生、李晓川、常青、唐光铃、雷雾霖、杨葆根。388
1范围
中华人民共和国水产行业标准
真鲷配合饲料
Formula feed of sea bream
SC/T 2007--2001
本标准规定了真(PagrosomusmajorTemmincketSchlegel)配合饲料的分类、技术要求、试验方法、检验规则和标签、包装、运输、储存要求。本标准适用于真鲷配合饲料的生产和检验。2引用标准
下列标准所包含的条文,通过在本标准中引用而构成为本标准的条文。本标准出版时,所示版本均为有效。所有标准都会被修订,使用本标准的各方应探讨使用下列标准最新版本的可能性。GB/T5009.45—1996水产品卫生标准的分析方法GB/T5917-1986配合饲料粉碎粒度测定方法配合饲料混合均勾度的测定
GB/T 5918—1997
GB/T 6432—1994
GB/T 6433—1994
GB/T 6434-1994
GB/T 6435--1986
GB/T 6436-1992
GB/T 6437—1992
GB/T 6438-1992
GB 10648--1999
饲料中粗蛋白测定方法
饲料粗脂肪测定方法
饲料中粗纤维测定方法
饲料水分的测定方法
饲料中钙的测定方法
饲料中总磷量的测定方法光度法饲料中粗灰分的测定方法
饲料标签
GB/T 13080-1991
GB/T 13081--1991
GB/T 13082-1991
GB/T 13091—1991
GB/T 13092-1991
GB/T 13093—1991
饲料中铅的测定方法
饲料中汞的测定方法
饲料中镉的测定方法
饲料中沙门氏菌的检验方法
饲料中霉菌的检验方法
饲料中细菌总数的测定方法
GB/T14699.1—1993饲料采样方法GB/T17480-1998饲料中黄曲霉毒素B,的测定酶联免疫吸附法SC/T3501--1996鱼粉
3产品规格分类
真鲷配合饲料分为稚鱼配合饲料、苗种配合饲料、养成配合饲料三种。各种配合饲料适用鱼的全长见表1。
中华人民共和国农业部2001-06-01批准2001-10-01实施
产品类别
适用鱼全长
技术要求
4.1感官要求
感官要求见表2。
产品类别
4.2理化指标
理化指标见表3。
产品类别
原料粉碎粒度www.bzxz.net
(筛上物)
混合均匀度
(变异系数)
散失率
粗蛋白
粗脂肪
粗纤维
粗灰分
(盐酸不溶物)
4.3卫生指标
SC/T2007-—2001
产品规格
稚鱼配合饲料
苗种配合饲料
2.0~10.0
表2感官要求
稚鱼配合饲料
苗种配合饲料
具有饲料正常气味,无酸败、油烧等异味色泽均匀一致,无发霉、变质、结块现象,饲料无虫害表3理化指标
稚鱼配合饲料
0.20mm孔试验筛
卫生指标应符合表4的要求。
苗种配合饲料
0. 25mm孔试验筛
表4卫生指标
无机碑(以As计),mg/kg
铅(以Pb计),mg/kg
汞(以 Hg 计),mg/kg
锅(以 Cd 计),mg/kg
养成配合饲料
养成配合饲料
养成配合饲料
0.25mm孔试验筛
充许量
黄曲冠毒素 Br,mg /kg
SC/T 2007--2001
表4(完)
需菌总数(不含酵母菌),cfu /g
细菌总数,cfu /g
沙门氏菌.cfu/g
4.4对激素、药物和添加剂的规定允许量
≤4.0×104
<2×108
不得检出
饲料中不得添加国家禁止和未公布允许在配合饲料中使用的激素、药物和添加剂。5试验方法
5.1感宫指标检验
将样品放在洁净的白瓷盘内,在无异味干扰的条件下,通过正常的感官检验进行评定。5.2理化指标检验
5.2.1饲料原料粉碎粒度的测定
选用相应孔径的标准试验筛,参照GB/T5917方法操作后再用长毛刷轻轻刷动,直到不能筛下粉料为止,将毛刷在筛框上轻轻敲动,以振落其所带物料。称量并计算筛上物。5.2.2混合均匀度的测定按GB/T5918中的氯离子选择性电极法执行。5.2.3散失率的测定
5.2.3.1仪器和设备
a)天平:感量为0.01g。
b)稚鱼饲料用孔径为0.20mm、苗种鱼饲料用孔径为0.25mm、养成鱼饲料用孔径为0.25mm的金筛网制作的网框(高6.5cm,直径为6.5cm,呈圆简形)。c)刻度尺:精度为0.1cm。
d)温度计:精度为0.1℃。
e)秒表。
f)恒温电热烘箱:(105土2)℃。g)干燥器。
5.2.3.2测定步骤
在测定牙鲆干颗粒配合饲料散失率时,准确称取真鲷配合饲料10g放人已备好的网框中,网框置于内盛5.5cm深海水容器中。海水水温(20士0.5)℃,盐度为28%~33%,海水也可以用2.8%~3.3%的氯化钠溶液代替。待漫泡到0.5h,把筛框从底部至水面提动上下各一次,下沉时使饲料离开筛框底面,然后取出网框,把网框饲料置105℃烘箱烘至恒重。另取该样品未漫水饲料,测其含水量,并按式(1)计算散失率:
式中:D-
散失率;
D(%) G(1 =X) - w
G(1 X)
一用作试样的配合饲料重量,g;G
一水分百分含量;
——烘干后的网框内饲料重量,8。每个试样应取两个平行样进行测定,以其算术平均值为结果。允许相对偏差为4%。5.2.4粗蛋白的测定按GB/T6432规定执行。5.2.5粗脂肪的测定按GB/T6433规定执行。(1)
SC/T2007—2001
5.2.6粗纤维的测定按GB/T6434规定执行。5.2.7
粗灰分的测定按GB/T6438规定执行。5.2.8水分的测定按GB/T6435规定执行。5.2.9总钙量的测定按GB/T6436规定执行。总磷量的测定按GB/T6437规定执行。5. 2. 10
5.2.11砂分的测定按SC/T3501--1996中5.9的规定执行。5.3卫生指标检验
5.3.1无机砷的测定按GB/T5009.45规定执行。5.3.2铅的测定按GB/T13080规定执行。5.3.3汞的测定按GB/T13081规定执行。5.3.4镉的测定按GB/T13082规定执行。5.3.5黄曲毒素B,的测定按GB/T17480规定执行。5.3.6霉菌数的测定按GB/T13092规定执行。5.3.7细菌总数的测定按GB/T13093规定执行。5.3.8沙门氏菌的测定按GB/T13091规定执行。6检验规则
6.1检验分类
6.1.1出厂检验
对标准中规定的感官指标、水分、散失率、混合均勾度、粗蛋白、粗脂肪、灰分、粗纤维及包装、标签进行检验。
6.1.2型式检验
有下列情况之一时进行型式检验:a)新产品投产时;
b)材料、配方、工艺有较大改变,可能影响产品性能时;c)正常生产时,定期或积累一定产量后周期性地进行检验(每年至少两次);d)停产90天后,恢复生产时;
e)出厂检验与上次型式检验有较大差异时;f)国家质量监督检验机构提出进行型式检验的要求时。6.2取样
6.2.1批的组成
生产企业中以一个班次生产的产品为一个检验批,在销售或用户处按产品出厂包装的标示批号抽样。
6.2.2抽样方法
产:品的抽样按GB/T14699.1规定执行。对待检产品按批号随机取样,每批号产品抽样袋数比不得低于1%,取样袋数最少不低于5袋;对制造日期不同、批号两个以上的产品,取样袋数比不得低于3%,取样袋数不低于9袋。总抽样量不少于5000g。把样品按四分法缩分至1500g,分为三份,一份用作检测,两份储存备查。6.2.3抽样记录
抽样记录内容包括:样品名称、型号、抽样时间、地点、产品批号、抽样数量、抽样人签字等。6.3判定规则
检验结果中如卫生指标不符合要求或有霉变、酸败、结块、生虫时,则判定该产品不合格。其他指标若有不合格项,应在原样本中加倍取样复检,以复检结果为准,若仍有不合格项,则判定该产品为不合格92
产品。
7标签、包装、运输、储存
7. 1标签
SC/T2007—2001
按GB10648的有关规定执行。应标明保质期。2包装、运输、储存
7.2.1真鲷配合饲料的包装、运输和储存,必须符合保质、保量、运输安全和分类分等储存的要求,严防污染。
包装应随带产品说明书,以说明产品的主要性能和使用要求393
小提示:此标准内容仅展示完整标准里的部分截取内容,若需要完整标准请到上方自行免费下载完整标准文档。
标准图片预览:





- 其它标准
- 热门标准
- 水产行业标准(SC)
- SC/T7219.4-2015 三代虫病诊断规程 第4部分:中型三代虫病
- SC/T8080-1994 渔船柴油主机安装技术要求
- SC/T3301-1989 速食海带
- SC/T7205.2-2007 牡蛎包纳米虫病诊断规程 第2部分:组织病理学诊断法
- SC/T2047-2006 水产养殖用海洋微藻保种操作技术规范
- SC/T9011.4-2006 冻结装置试验方法 第4部分:流态冻结装置试验方法
- SC/T3701-2003 冻鱼糜制品
- SC2035-2006 文蛤
- SC/T8033-1994 渔船电动式起锚机修理技术条件
- SC/T8035-1997 渔船平板冻结机安装调试技术要求
- SC/T8040-1994 渔船100Nm、45Nm单片离合器修理技术要求
- SC/T3110-1996 冻虾仁
- SC/T3210-1986 盐渍海蛰皮和盐渍海蛰头
- SC/T3601-1988 蚝油
- SC/T3105-1988 鲜鳓鱼
- 行业新闻
请牢记:“bzxz.net”即是“标准下载”四个汉字汉语拼音首字母与国际顶级域名“.net”的组合。 ©2025 标准下载网 www.bzxz.net 本站邮件:bzxznet@163.com
网站备案号:湘ICP备2025141790号-2
网站备案号:湘ICP备2025141790号-2