- 您的位置:
- 标准下载网 >>
- 标准分类 >>
- 国家标准(GB) >>
- GB/T 18386-2005 电动汽车能量消耗率和续驶里程 试验方法
标准号:
GB/T 18386-2005
标准名称:
电动汽车能量消耗率和续驶里程 试验方法
标准类别:
国家标准(GB)
标准状态:
现行-
发布日期:
2005-07-13 -
实施日期:
2006-02-01 出版语种:
简体中文下载格式:
.rar.pdf下载大小:
640.54 KB
标准ICS号:
道路车辆工程>>43.020道路车辆综合中标分类号:
车辆>>汽车>>T47新能源汽车及其他类型汽车
替代情况:
GB/T 18386-2001采标情况:
ISO 8714:2002,MOD
出版社:
中国标准出版社书号:
155066.1-26647页数:
16开, 页数:13, 字数:23千字标准价格:
12.0 元出版日期:
2006-02-01计划单号:
20030940-T-545
点击下载
标准简介:
标准下载解压密码:www.bzxz.net
本标准规定了纯电动汽车的能量消耗率和续驶里程的试验方法。本标准适用于纯电动汽车。电动正三轮摩托车可参照执行。 GB/T 18386-2005 电动汽车能量消耗率和续驶里程 试验方法 GB/T18386-2005
部分标准内容:
国家标准
GB/T18386-2005(2005-07-13发布,2006-02-01实施)前言
代替(GB/T18386-2001)
本标准修改采用IS08714-2002《电动道路车辆能量消耗率和续驶里程乘用车和轻型商用车》(英文版),标准格式按照GB/T1.1-2000的要求进行编,写,在附录B中给出了本标准章条号与IS08714~2002章条编号的对照一览表。
考虑到我国电动汽车开发的实际情况,在采用IS08714:2002时,本标准在技术内容上做了一些修改。有关技术性差异已编人正文,并在它们所涉及的条款的页边处用垂直单线标识。在附录C中给出了这些技术性差异及其原因的一览表以供参考。
本标准代替GB/T18386—200《电动汽车能量消耗率试验方法》。本标准与GB/T18386—2001的主要差异:将标准的适用范围进行了修改,由适用于最大设计总质量不超过3500kg的电力驱动的电动汽车修改为适用于纯电动汽车。由于适用范围扩大,为适应3500kg以上的纯电动车辆的要求,标准的部分内容作了相应的修改。
标准的编排顺序作了一些调整,如:将上一版中A2.3的内容调整到正文4:4.20本标准中工况法适用于M、N,类车;等速法分为Mi、N,类车采用(60土2)km/h等速试验和Mi、N,类车以外车辆采用(40土2)km/h等速试验两种,将上一版等速法(4.4.4.3)按车辆类别不同进行了细化:同时,删除了上版中“按照制造厂要求选择试验速度进行试验”的规定。本标准的附录A为规范性附录:附录B和附录C为资料性附录。本标准由国家发展和改革委员会提出。本标准由全国汽车标准化技术委员会归口。本标准起草单位:中国汽车技术研究中心、清华大学。本标准主要起草人:赵静炜、孙惠、陈全世。本标准首次发布于2001年,本次为第一次修订。GB/T18386-2005
电动汽车能量消耗率和续驶里程试验方法Electtric veicles-Energy consumption and range-Test procedures1范围
本标准规定了纯电动汽车的能量消耗率和续驶里程的试验方法。本标准适用于纯电动汽车。电动正三轮摩托车可参照执行,2规范性引用文件
下列文件中的条款通过本标准的引用而成为本标准的条款。凡是注日期的引用文件,其随后所有的修改单(不共9页第1页
国家标准
包括勘误的内容)或修订版均不适用于本标准,然而,鼓励根据本标准达成协议的各方研究是否可使用这些文件的最新版本。凡是不注日期的引用文件,其最新版本适用于本标准。GB/T178830.2S级和0.5S级静止式交流有功电度表(GB/T17883—1999,eqVIEC60678:1992)GB18352.1轻型汽车污染排放限值及测量方法(1)GB/T18385一2005、电动汽车动力性能试验方法(1S08715:2001,MOD)GB/T19596-2004电动汽车术语(1S08713:2002,NEQ)3术语和定义
下列术语和定义适用于本标准。3. 1
电动汽车整车整备质量completeelectricvehiclekerbmass包括车载储能装置在内的整车整备质量[GB/T19596-2004,3.1.3.4.1定义]。3.2bzxZ.net
电动汽车试验质量testmassof electricvehicle电动汽车整车整备质量与一试验所需附加质量的和[GB/T19596-2004,3,1.3.4.2定义]。附加质量分别为:
a)如果最大允许装载质量小于或等于180kg,该质量为最大允许装载质量:b)如果最大允许装载质量大于180kg,但小于360kg,该质量为180kg;c)如果最大允许装载质量大于360kg,该质量为最大充许装载质量的一半,注:最大充许装载质量包括驾驶员质量。3.3
能量消耗率referenceenergyconsumption电动汽车经过规定的试验循环后对动力蓄电池重新充电至试验前的容量,从电网上得到的电能除以行驶里程所得的值,单位为Wh/km[GB/T19596-2004,3.1.3.1.4定义]。3.4
续驶里程range
电动汽车在动力蓄电池完全充电状态下,以一定的行驶工况,能连续行驶的最大距离,单位为km[GB/T19596——2004,3.1.3.1.3定义]。4续驶里程和能量消耗率的试验方法4.1总则
以下方法描述了用km表示的续驶里程和用Wh/km表示的从电网上得到的能量消耗率的试验方法4.2测量参数、单位和准确度
表1规定了试验测量的参数、单位和准确度。表1测量参数、单位和准确度的要求共9页第2页
国家标准
测量参数
4.3试验条件
4.3.1车辆条件
试验车辆应依据每项试验的技术要求加载。准确度
0.2S根据GB/T17883)
分辨率
0.2S(根据GB/T17883)
在环境温度下,试验(在环形跑道上或在底盘测功机上)车辆轮胎气压应符合车辆制造厂的规定。机械运动部件用润滑油黏度应符合制造厂的规定。车上的照明、信号装置以及辅助设备应该关闭,除非试验和车辆白天运行对这些装置有要求。除驱动用途外,所有的储能系统应充到制造厂规定的最大值(电能、液压、气压等)。试验驾驶员应按车辆制造厂推荐的操作程序使动力蓄电池在正常运行温度下工作。试验前,试验车辆应至少用安装在试验车辆上的动力蓄电池行驶300km。4.3.2环境温度条件
在(5~32)℃环境温度下进行室外试验:在(20~30)℃室温下进行室内试验。4.4试验程序
4.4.1总则
确定能量消耗率和续驶里程应该使用相同的试验程序,试验程序包括以下4个步骤:a)对动力蓄电池进行初次充电(见4.44),测量来自电网的能量:b)进行工况或等速条件下的续驶里程试验(见4.4.5):c)试验后再次为动力蓄电池充电,测量来自电网的能量(见4.4.6);d)计算能量消耗率(见4.4.7)。在每两个步骤执行之间,如果车辆需要移动,不允许使用车上的动力将车辆移动到下一个试验地点(不允许使用制动能量回收。
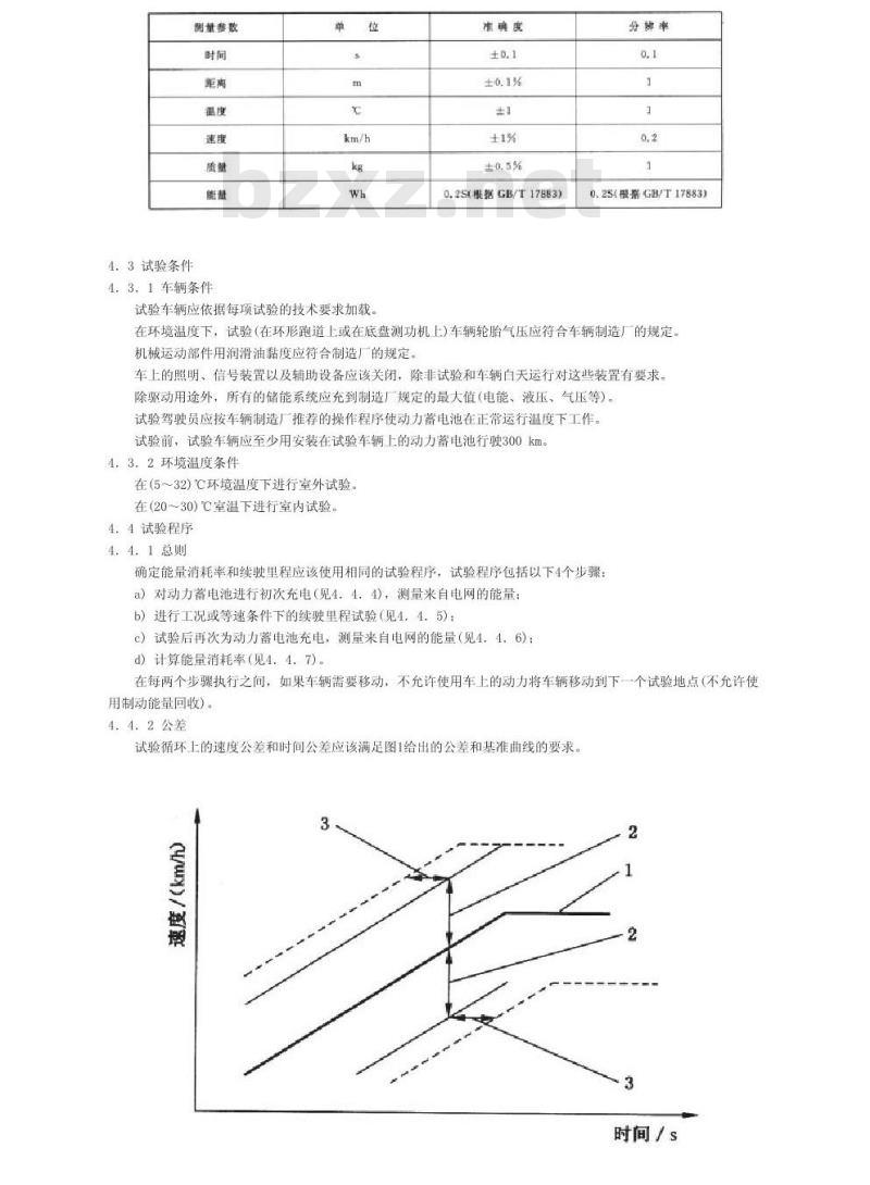
4.4.2公差
试验循环上的速度公差和时间公差应该满足图1给出的公差和基准曲线的要求。3
时间/s
共9页第3页
国家标准
图中:1—基准曲线;
2—速度公差,单位为千米每小时(kin/h):3时间公差,单位为秒(s)
图1基准曲线和公差
图1中的每一个点给出的速度公差为土2km/h,时间公差为±1s。在每个行驶循环中,充许存在超出这些公差范围,总时间应不超过4s。在试验报告中应注明超出公差的总时间。4.4.3结束试验循环的标准
一当车载仪器给出驾驶员停车指示时,应停止试验;或进行4.4.5.2规定的工况试验循环,在车速小于等于70km/h时,不能满足4.4.2所规定的公差要求时,应停止试验;在车速大于70km/h时,将加速踏板踩到底,允许超出4.4.2规定的公差范围,但要满足4.4.2的相应要求。
一进行4.45.3规定的等速试验时,当车辆的行驶速度达不到54km/h(M,、N,类车)或36km/h(M、N1类以外的纯电动汽车)时停止试验。4.4.4动力蓄电池的初次充电
4.4.4.1总则
除非车辆制造厂或动力蓄电池制造厂有其他的规定,动力蓄电池的初次充电可以按照下面规定进行。动力蓄电池的初次充电指接收车辆以后的动力蓄电池的第一次充电。如果所规定的几个试验或测量连续进行,第一次充电可认为是初次充电。动力蓄电池的充电按4.4.4.2和4.4.4.3的规定进行,4.4.4.2动力蓄电池的放电
首先,试验车辆以30分钟最高车速的70%土5%的稳定车速(在环形跑道或测功机上)行驶,使车辆的动力蓄电池放电。
放电在下列条件下结束:
一车速不能达到30分钟最高车速的65%时,或一车辆制造厂安装在车上的仪器提醒驾驶员将车辆停止时。4.4.4.3动力蓄电池的充电
车辆按照GB/T18385规定的充电程序为动力蓄电池充电,使蓄电池达到全充满,4.4.5续驶里程试验
在动力蓄电池充电结束时记录该时刻。在此之后4h之内开始按照规定的试验程序进行试验4.4.5.1车辆道路负荷的设定
在进行试验前,底盘测功机应该按照GB18352.1中的规定设定车辆道路负荷,并在底盘测功机上模拟。4.4.5.2工况法(适用于M1、N,类车)在底盘测功机上进行附录A规定的工况循环试验。直到达到4.4.3规定的结束标准时停车。除非有其他的规定,工况试验循环期间的停车不允许超过3次(工况循环外停车)/总的停车时间累计不超过15rain。
在工况试验循环结束时,记录试验车辆驶过的距离D,用km来表示,测量值按四舍五人圆整到整数,该距离即为工况法测量的续驶里程。同时记录用小时(h)和分钟(rain)表示的所用时间应该在报告中给出工况试验循环期间车辆所达到的最高车速、平均车速和行驶时间(h和rain)4.4.5.3等速法
4.4.5.3.1适用于M、N,类车的等速法试验条件应符合GB/T18385-2005中4.1、4.2和4.3的规定。在道路上进行(60土2)km/h的等速试验。试验过程中允许停车两次,每次停车时间不允许超过2rain,当车辆的行驶速度达到4.4.3规定的要求时停止试验。记录试验期间试验车辆的停车次数和停车时间。试验结束后,记录试验车辆驶过的距离D,用km来表示,测量值按四舍五人圆整到整数,该距离即为等速法测量的续驶里程。同时记录用小时(h)和分钟(rain)表示的所用时间。
4.4.5.3.2适用于M1、N,类以外的纯电动汽车的等速法试验条件应符合GB/T18385一2005中4.1、4.2和4.3的规定。在道路上进行(40土2)km/h的等速试验。试验过程中充许停车两次,每次停车时间不充许超过2rain,当车辆的行驶速度达到4.4.3规定的停车要求时停止试共9页第4页
国家标准
记录试验期间试验车辆的停车次数和停车时间。试验结束后,记录试验车辆驶过的距离D,用km来表示,测量值按四舍五人圆整到整数,该距离即为等速法测量的续驶里程。同时记录用小时(h)和分钟(rain)表示的所用时间。
4.4.6动力蓄电池充电和能量测量完成4.4.5.2或4.4.5.3规定的试验后,在2h之内将车辆与电网连接,按照GB/T18385规定的充电规程为车辆的动力蓄电池充满电。在电网与车辆充电器之间连接能量测量装置,在充电期间测量来自电网的用Wh表示的能量正。
注:如果电网断电,其断开的时问应该根据停电时间,适当延长相应时间。车辆制造厂和认证试验室的技术服务部门应该探讨充电的有效性:4.4.7能量消耗率的计算
应该使用下式计算能量消耗率C,用Wh/km表示,并圆整到整数:C=E/D
式中:
充电期间来自电网的能量,单位为瓦时(Wh);0
试验期间行驶的总距离即续驶里程,单位为千米(km)。附录A
(规范性附录)
试验用行驶工况
A.1范围
本附录描述了试验循环,并且给出了工况试验所采用的基准曲线。A.2试验循环
A.2.1总则
试验循环由4个市区循环和1个市郊循环程序组成,理论试验距离为11,022km,时间为19min40s。另外,允许只采用市区循环进行试验.所采用的试验循环应在试验报告中说明。图A。1.给出了试验循环的组成。120
图中:①—市区循环:
②市郊循环:
基本的市区循环
图A。1试验循环的组成
时间!
共9页第5页
国家标准
说明:该试验循环与GB18352.1中规定的试验循环一致A:2.2市区循环
市区循环(见图A.1)由图A.2显示的和表A.1中给出的4个基本的市区循环组成。50
注:图中序号为表A:1中给出的运转次序号80
图A。2基本市郊循环
表A:1基本市区循环
时间/s
共9页第6页
国家标准
遥转次序
操作状态
工税镜计
总时间
平均车速
个量本城市循环的
工作时间
个能市循环的
工作时间
一个董本城市循环的
理论行映距高
一十城市循环的
理论行驶距高
A.2.3市郊循环
工况序号
加速度/(m/s)
速度/(km/h)
35~-50
表2.3市郊循环
市郊循环由图A.3显示和表A.2给出的一个市郊工况组成,120
操作时间/s
工况时闻/s
百分比/%
累计时间/s
时间/s
共9页第7页
国家标准
注1:图中数字为运转次序。
注2:当车辆不能满足这个曲线要求时,所采用的循环应满足44.2中列出的规定,图A,3市郊循环
表A.2市郊循环
运转次序
操作状态
工况统计
工说计
总时间
平均车速
工作时间
履论行驶距商
整个帮环的单均速度
A.2.4建议
工序号
加速度/(m/s)
-0, 69
速度/(km/h)
70--50
100~120
120~80
80~-50
表A.2(续)
操作时国/s
工况时间/s
百分比/%
百分此/%
累计时间/s
如果车辆使用带有几个挡位的手动变速器,试验驾驶员应该选择最好的与参考曲线相配合的挡位。如果试验驾驶员能够选择车辆上的几种运行模式(运动型、舍舒适型、
经济型等),那么应该寻找最好的与参考曲线相配合的挡位(见图A.1和图1。附录B
(资料性附录)
共9页
第8页
国家标准
本标准的
章条编号
本标准章条编号与IS08714:2002章条编号的对照表本标准章条编号
4.3.14.3.2
4. 4.4.1-4.4.4.3
4.4.5, 4.4.5.1.4.4.5.2
附录 A
附录B
雕景C
附录C
(资料性附录)
对应的国际标准章条境号
7.3.1~7.3.2
7.4.2.1~7.4.2.3
附暴B
本标准与IS08714:
2002的技术性差异及其原因
技术性整异
将ISO8714\适用于最大设计总质量不超过3500kg-最高车速大于等于70km/h的纯电动汽车。修改为“适用于纯电动汽车,正三轮电动摩托车可参照投行”
(1)制除了1SO8714第2章中的ISO1176:1990ISO 10521, 1992 ECE R83: CFR40: TRIAS 53—1996
(2)增加了GB18352.1-2001
增加了44.5.3等建法的要求,对应4.4.5.3内容在4.4.3中加人遗当的要求
量降了[SO8714附录B和附录C,本标准新增加附录B和录C
为了满足我国纯电动客军产品对标准的需求,提高标准的适用性
(1)本标准涉及ISO1176韵内容直接采用,而不引用:ISO10521修改为GB18352.1
CFR40:TRIAS5-3-1996为选释内容,不适用于我国,副除:ECER83的内容直接采用为试验方便及客车的要求
1SO8714的附录首和附录C为选择内容,不适用我国,
按GB/T1.1要求新增附录B和附录C共9页
第9页
小提示:此标准内容仅展示完整标准里的部分截取内容,若需要完整标准请到上方自行免费下载完整标准文档。
GB/T18386-2005(2005-07-13发布,2006-02-01实施)前言
代替(GB/T18386-2001)
本标准修改采用IS08714-2002《电动道路车辆能量消耗率和续驶里程乘用车和轻型商用车》(英文版),标准格式按照GB/T1.1-2000的要求进行编,写,在附录B中给出了本标准章条号与IS08714~2002章条编号的对照一览表。
考虑到我国电动汽车开发的实际情况,在采用IS08714:2002时,本标准在技术内容上做了一些修改。有关技术性差异已编人正文,并在它们所涉及的条款的页边处用垂直单线标识。在附录C中给出了这些技术性差异及其原因的一览表以供参考。
本标准代替GB/T18386—200《电动汽车能量消耗率试验方法》。本标准与GB/T18386—2001的主要差异:将标准的适用范围进行了修改,由适用于最大设计总质量不超过3500kg的电力驱动的电动汽车修改为适用于纯电动汽车。由于适用范围扩大,为适应3500kg以上的纯电动车辆的要求,标准的部分内容作了相应的修改。
标准的编排顺序作了一些调整,如:将上一版中A2.3的内容调整到正文4:4.20本标准中工况法适用于M、N,类车;等速法分为Mi、N,类车采用(60土2)km/h等速试验和Mi、N,类车以外车辆采用(40土2)km/h等速试验两种,将上一版等速法(4.4.4.3)按车辆类别不同进行了细化:同时,删除了上版中“按照制造厂要求选择试验速度进行试验”的规定。本标准的附录A为规范性附录:附录B和附录C为资料性附录。本标准由国家发展和改革委员会提出。本标准由全国汽车标准化技术委员会归口。本标准起草单位:中国汽车技术研究中心、清华大学。本标准主要起草人:赵静炜、孙惠、陈全世。本标准首次发布于2001年,本次为第一次修订。GB/T18386-2005
电动汽车能量消耗率和续驶里程试验方法Electtric veicles-Energy consumption and range-Test procedures1范围
本标准规定了纯电动汽车的能量消耗率和续驶里程的试验方法。本标准适用于纯电动汽车。电动正三轮摩托车可参照执行,2规范性引用文件
下列文件中的条款通过本标准的引用而成为本标准的条款。凡是注日期的引用文件,其随后所有的修改单(不共9页第1页
国家标准
包括勘误的内容)或修订版均不适用于本标准,然而,鼓励根据本标准达成协议的各方研究是否可使用这些文件的最新版本。凡是不注日期的引用文件,其最新版本适用于本标准。GB/T178830.2S级和0.5S级静止式交流有功电度表(GB/T17883—1999,eqVIEC60678:1992)GB18352.1轻型汽车污染排放限值及测量方法(1)GB/T18385一2005、电动汽车动力性能试验方法(1S08715:2001,MOD)GB/T19596-2004电动汽车术语(1S08713:2002,NEQ)3术语和定义
下列术语和定义适用于本标准。3. 1
电动汽车整车整备质量completeelectricvehiclekerbmass包括车载储能装置在内的整车整备质量[GB/T19596-2004,3.1.3.4.1定义]。3.2bzxZ.net
电动汽车试验质量testmassof electricvehicle电动汽车整车整备质量与一试验所需附加质量的和[GB/T19596-2004,3,1.3.4.2定义]。附加质量分别为:
a)如果最大允许装载质量小于或等于180kg,该质量为最大允许装载质量:b)如果最大允许装载质量大于180kg,但小于360kg,该质量为180kg;c)如果最大允许装载质量大于360kg,该质量为最大充许装载质量的一半,注:最大充许装载质量包括驾驶员质量。3.3
能量消耗率referenceenergyconsumption电动汽车经过规定的试验循环后对动力蓄电池重新充电至试验前的容量,从电网上得到的电能除以行驶里程所得的值,单位为Wh/km[GB/T19596-2004,3.1.3.1.4定义]。3.4
续驶里程range
电动汽车在动力蓄电池完全充电状态下,以一定的行驶工况,能连续行驶的最大距离,单位为km[GB/T19596——2004,3.1.3.1.3定义]。4续驶里程和能量消耗率的试验方法4.1总则
以下方法描述了用km表示的续驶里程和用Wh/km表示的从电网上得到的能量消耗率的试验方法4.2测量参数、单位和准确度
表1规定了试验测量的参数、单位和准确度。表1测量参数、单位和准确度的要求共9页第2页
国家标准
测量参数
4.3试验条件
4.3.1车辆条件
试验车辆应依据每项试验的技术要求加载。准确度
0.2S根据GB/T17883)
分辨率
0.2S(根据GB/T17883)
在环境温度下,试验(在环形跑道上或在底盘测功机上)车辆轮胎气压应符合车辆制造厂的规定。机械运动部件用润滑油黏度应符合制造厂的规定。车上的照明、信号装置以及辅助设备应该关闭,除非试验和车辆白天运行对这些装置有要求。除驱动用途外,所有的储能系统应充到制造厂规定的最大值(电能、液压、气压等)。试验驾驶员应按车辆制造厂推荐的操作程序使动力蓄电池在正常运行温度下工作。试验前,试验车辆应至少用安装在试验车辆上的动力蓄电池行驶300km。4.3.2环境温度条件
在(5~32)℃环境温度下进行室外试验:在(20~30)℃室温下进行室内试验。4.4试验程序
4.4.1总则
确定能量消耗率和续驶里程应该使用相同的试验程序,试验程序包括以下4个步骤:a)对动力蓄电池进行初次充电(见4.44),测量来自电网的能量:b)进行工况或等速条件下的续驶里程试验(见4.4.5):c)试验后再次为动力蓄电池充电,测量来自电网的能量(见4.4.6);d)计算能量消耗率(见4.4.7)。在每两个步骤执行之间,如果车辆需要移动,不允许使用车上的动力将车辆移动到下一个试验地点(不允许使用制动能量回收。
4.4.2公差
试验循环上的速度公差和时间公差应该满足图1给出的公差和基准曲线的要求。3
时间/s
共9页第3页
国家标准
图中:1—基准曲线;
2—速度公差,单位为千米每小时(kin/h):3时间公差,单位为秒(s)
图1基准曲线和公差
图1中的每一个点给出的速度公差为土2km/h,时间公差为±1s。在每个行驶循环中,充许存在超出这些公差范围,总时间应不超过4s。在试验报告中应注明超出公差的总时间。4.4.3结束试验循环的标准
一当车载仪器给出驾驶员停车指示时,应停止试验;或进行4.4.5.2规定的工况试验循环,在车速小于等于70km/h时,不能满足4.4.2所规定的公差要求时,应停止试验;在车速大于70km/h时,将加速踏板踩到底,允许超出4.4.2规定的公差范围,但要满足4.4.2的相应要求。
一进行4.45.3规定的等速试验时,当车辆的行驶速度达不到54km/h(M,、N,类车)或36km/h(M、N1类以外的纯电动汽车)时停止试验。4.4.4动力蓄电池的初次充电
4.4.4.1总则
除非车辆制造厂或动力蓄电池制造厂有其他的规定,动力蓄电池的初次充电可以按照下面规定进行。动力蓄电池的初次充电指接收车辆以后的动力蓄电池的第一次充电。如果所规定的几个试验或测量连续进行,第一次充电可认为是初次充电。动力蓄电池的充电按4.4.4.2和4.4.4.3的规定进行,4.4.4.2动力蓄电池的放电
首先,试验车辆以30分钟最高车速的70%土5%的稳定车速(在环形跑道或测功机上)行驶,使车辆的动力蓄电池放电。
放电在下列条件下结束:
一车速不能达到30分钟最高车速的65%时,或一车辆制造厂安装在车上的仪器提醒驾驶员将车辆停止时。4.4.4.3动力蓄电池的充电
车辆按照GB/T18385规定的充电程序为动力蓄电池充电,使蓄电池达到全充满,4.4.5续驶里程试验
在动力蓄电池充电结束时记录该时刻。在此之后4h之内开始按照规定的试验程序进行试验4.4.5.1车辆道路负荷的设定
在进行试验前,底盘测功机应该按照GB18352.1中的规定设定车辆道路负荷,并在底盘测功机上模拟。4.4.5.2工况法(适用于M1、N,类车)在底盘测功机上进行附录A规定的工况循环试验。直到达到4.4.3规定的结束标准时停车。除非有其他的规定,工况试验循环期间的停车不允许超过3次(工况循环外停车)/总的停车时间累计不超过15rain。
在工况试验循环结束时,记录试验车辆驶过的距离D,用km来表示,测量值按四舍五人圆整到整数,该距离即为工况法测量的续驶里程。同时记录用小时(h)和分钟(rain)表示的所用时间应该在报告中给出工况试验循环期间车辆所达到的最高车速、平均车速和行驶时间(h和rain)4.4.5.3等速法
4.4.5.3.1适用于M、N,类车的等速法试验条件应符合GB/T18385-2005中4.1、4.2和4.3的规定。在道路上进行(60土2)km/h的等速试验。试验过程中允许停车两次,每次停车时间不允许超过2rain,当车辆的行驶速度达到4.4.3规定的要求时停止试验。记录试验期间试验车辆的停车次数和停车时间。试验结束后,记录试验车辆驶过的距离D,用km来表示,测量值按四舍五人圆整到整数,该距离即为等速法测量的续驶里程。同时记录用小时(h)和分钟(rain)表示的所用时间。
4.4.5.3.2适用于M1、N,类以外的纯电动汽车的等速法试验条件应符合GB/T18385一2005中4.1、4.2和4.3的规定。在道路上进行(40土2)km/h的等速试验。试验过程中充许停车两次,每次停车时间不充许超过2rain,当车辆的行驶速度达到4.4.3规定的停车要求时停止试共9页第4页
国家标准
记录试验期间试验车辆的停车次数和停车时间。试验结束后,记录试验车辆驶过的距离D,用km来表示,测量值按四舍五人圆整到整数,该距离即为等速法测量的续驶里程。同时记录用小时(h)和分钟(rain)表示的所用时间。
4.4.6动力蓄电池充电和能量测量完成4.4.5.2或4.4.5.3规定的试验后,在2h之内将车辆与电网连接,按照GB/T18385规定的充电规程为车辆的动力蓄电池充满电。在电网与车辆充电器之间连接能量测量装置,在充电期间测量来自电网的用Wh表示的能量正。
注:如果电网断电,其断开的时问应该根据停电时间,适当延长相应时间。车辆制造厂和认证试验室的技术服务部门应该探讨充电的有效性:4.4.7能量消耗率的计算
应该使用下式计算能量消耗率C,用Wh/km表示,并圆整到整数:C=E/D
式中:
充电期间来自电网的能量,单位为瓦时(Wh);0
试验期间行驶的总距离即续驶里程,单位为千米(km)。附录A
(规范性附录)
试验用行驶工况
A.1范围
本附录描述了试验循环,并且给出了工况试验所采用的基准曲线。A.2试验循环
A.2.1总则
试验循环由4个市区循环和1个市郊循环程序组成,理论试验距离为11,022km,时间为19min40s。另外,允许只采用市区循环进行试验.所采用的试验循环应在试验报告中说明。图A。1.给出了试验循环的组成。120
图中:①—市区循环:
②市郊循环:
基本的市区循环
图A。1试验循环的组成
时间!
共9页第5页
国家标准
说明:该试验循环与GB18352.1中规定的试验循环一致A:2.2市区循环
市区循环(见图A.1)由图A.2显示的和表A.1中给出的4个基本的市区循环组成。50
注:图中序号为表A:1中给出的运转次序号80
图A。2基本市郊循环
表A:1基本市区循环
时间/s
共9页第6页
国家标准
遥转次序
操作状态
工税镜计
总时间
平均车速
个量本城市循环的
工作时间
个能市循环的
工作时间
一个董本城市循环的
理论行映距高
一十城市循环的
理论行驶距高
A.2.3市郊循环
工况序号
加速度/(m/s)
速度/(km/h)
35~-50
表2.3市郊循环
市郊循环由图A.3显示和表A.2给出的一个市郊工况组成,120
操作时间/s
工况时闻/s
百分比/%
累计时间/s
时间/s
共9页第7页
国家标准
注1:图中数字为运转次序。
注2:当车辆不能满足这个曲线要求时,所采用的循环应满足44.2中列出的规定,图A,3市郊循环
表A.2市郊循环
运转次序
操作状态
工况统计
工说计
总时间
平均车速
工作时间
履论行驶距商
整个帮环的单均速度
A.2.4建议
工序号
加速度/(m/s)
-0, 69
速度/(km/h)
70--50
100~120
120~80
80~-50
表A.2(续)
操作时国/s
工况时间/s
百分比/%
百分此/%
累计时间/s
如果车辆使用带有几个挡位的手动变速器,试验驾驶员应该选择最好的与参考曲线相配合的挡位。如果试验驾驶员能够选择车辆上的几种运行模式(运动型、舍舒适型、
经济型等),那么应该寻找最好的与参考曲线相配合的挡位(见图A.1和图1。附录B
(资料性附录)
共9页
第8页
国家标准
本标准的
章条编号
本标准章条编号与IS08714:2002章条编号的对照表本标准章条编号
4.3.14.3.2
4. 4.4.1-4.4.4.3
4.4.5, 4.4.5.1.4.4.5.2
附录 A
附录B
雕景C
附录C
(资料性附录)
对应的国际标准章条境号
7.3.1~7.3.2
7.4.2.1~7.4.2.3
附暴B
本标准与IS08714:
2002的技术性差异及其原因
技术性整异
将ISO8714\适用于最大设计总质量不超过3500kg-最高车速大于等于70km/h的纯电动汽车。修改为“适用于纯电动汽车,正三轮电动摩托车可参照投行”
(1)制除了1SO8714第2章中的ISO1176:1990ISO 10521, 1992 ECE R83: CFR40: TRIAS 53—1996
(2)增加了GB18352.1-2001
增加了44.5.3等建法的要求,对应4.4.5.3内容在4.4.3中加人遗当的要求
量降了[SO8714附录B和附录C,本标准新增加附录B和录C
为了满足我国纯电动客军产品对标准的需求,提高标准的适用性
(1)本标准涉及ISO1176韵内容直接采用,而不引用:ISO10521修改为GB18352.1
CFR40:TRIAS5-3-1996为选释内容,不适用于我国,副除:ECER83的内容直接采用为试验方便及客车的要求
1SO8714的附录首和附录C为选择内容,不适用我国,
按GB/T1.1要求新增附录B和附录C共9页
第9页
小提示:此标准内容仅展示完整标准里的部分截取内容,若需要完整标准请到上方自行免费下载完整标准文档。
标准图片预览:





- 其它标准
- 热门标准
- 国家标准(GB)
- GB/T2828.1-2012 计数抽样检验程序 第1部分:按接收质量限(AQL)检索的逐批检验抽样计划
- GB50367-2013 混凝土结构加固设计规范
- GB/T18204.4-2000 公共场所毛巾、床上卧具微生物检验方法细菌总数测定
- GB/T3836.1-2021 爆炸性环境 第1部分:设备 通用要求
- GB5009.225-2023 食品安全国家标准 酒和食用酒精中乙醇浓度的测定
- GB/T11379-2008 金属覆盖层 工程用铬电镀层
- GB/T23892.3-2009 滑动轴承 稳态条件下流体动压可倾瓦块止推轴承 第3部分:可倾瓦块止推轴承计算的许用值
- GB/T18380.33-2022 电缆和光缆在火焰条件下的燃烧试验 第33部分:垂直安装的成束电线电缆火焰垂直蔓延试验 A类
- GB/T9145-2003 普通螺纹 中等精度、优选系列的极限尺寸
- GB/T9239-1988 刚性转子平衡品质 许用不平衡的确定
- GB/T15917.3-1995 金属镝及氧化镝化学分析方法 对氯苯基荧光酮--溴化十六烷基三甲基胺分光光度法测定钽量
- GB/T11839-1989 二氧化铀芯块中硼的测定 姜黄素萃取光度法
- GB/T6122.1-2002 圆角铣刀 第1部分:型式和尺寸
- GB/T7433-1987 对称电缆载波通信系统抗无线电广播和通信干扰的指标
- GB/T12053-1989 光学识别用字母数字字符集 第一部分:OCR-A字符集印刷图象的形状和尺寸
- 行业新闻
请牢记:“bzxz.net”即是“标准下载”四个汉字汉语拼音首字母与国际顶级域名“.net”的组合。 ©2025 标准下载网 www.bzxz.net 本站邮件:bzxznet@163.com
网站备案号:湘ICP备2025141790号-2
网站备案号:湘ICP备2025141790号-2