- 您的位置:
- 标准下载网 >>
- 标准分类 >>
- 农业行业标准(NY) >>
- NY 5011-2001 无公害食品 苹果
标准号:
NY 5011-2001
标准名称:
无公害食品 苹果
标准类别:
农业行业标准(NY)
标准状态:
已作废-
发布日期:
2001-09-03 -
实施日期:
2001-10-01 -
作废日期:
2006-10-01 出版语种:
简体中文下载格式:
.rar.pdf下载大小:
138.01 KB
替代情况:
被NY 5011-2006代替

点击下载
标准简介:
标准下载解压密码:www.bzxz.net
本标准规定了无公害食品苹果的要求、试验方法、检验规则、标志、标签、包装、运输和贮存。本标准适用于无公害食品苹果的生产和流通。 NY 5011-2001 无公害食品 苹果 NY5011-2001

部分标准内容:
中华人民共和国农业行业标准
NY 5011-2001
无公害食品
2001-09-03发布
2001-10-01实施
中华人民共和国农业部发布
NY5011-2001
本标准由中华人民共和国农业部提出前
本标准起草单位:农业部果品及苗木质量监督检验测试中心、中国农业科学院果树研究所、山东省果茶技术指导站、山东省农业科学院植物保护研究所。本标准主要起草人:聂继云、陆致成、丛佩华、刘凤之、杨振锋、张桂芬、孔庆信、冯建国。16
1范圈
无公害食品
NY 5011--2001
本标准规定了无公害食品苹果的要求、试验方法、检验规则、标志、标签、包装、运输和贮存。本标准适用于无公害食品苹果的生产和流通。2规范性引用文件
下列文件中的条款通过本标准的引用而成为本标准的条款。凡是注日期的引用文件,其随后所有的修改单(不包括勘误的内容)或修订版均不适用于本标准,然而,鼓励根据本标准达成协议的各方研究是否可使用这些文件的最新版本。凡是不注日期的引用文件,其最新版本适用于本标准。GB/T 5009.111
食品中总砷的测定方法
GB/T 5009.12
食品中铅的测定方法
GB/T 5009.131
食品中铜的测定方法
GB/T 5009.15
GB/T 5009.17
食品中镉的测定方法
食品中总汞的测定方法
GB/T 5009.18
食品中氟的测定方法
GB/T 5009.19
GB/T 5009.20
食品中六六六、滴滴涕残留量的测定方法食品中有机磷农药残留量的测定方法GB/T 5009.38
蔬菜、水果卫生标准的分析方法GB/T 8559
苹果冷藏技术
新鲜水果和蔬菜的取样方法
GB/T 8855
GB/T10651
GB/T 13607
GB 14875
GB 14877
GB14879
鲜苹果
苹果、柑桔包装
食品中辛硫磷农药残留量的定方法食品中氨基甲酸酯类农药残留量的测定方法食品中二氯苯醚菊酯残留量的测定方法GB/T14929.4食品中氯氰菊酯、氰戊菊酯和溴氰菊酯残留量测定方法GB/T 14973
食品中粉锈宁残留量的测定方法GB/T 17329
食品中双甲胀残留量的测定
食品中有机氯和拟除虫菊酯类农药多种残留的测定GB/T 17332
GB/T 17333
3食品中除虫豚残留量的测定
SN0150出口水果中三唑锡残留量检验方法出口水果和蔬菜中22种有机磷农药多残留量检验方法SN0334
出口水果中克菌丹残留量检验方法SN0654
ISO8682苹果气调贮藏
3术语和定义
GB/T10651确立的术语和定义适用于本标准。17
NY 5011--2001
4要求
4.1感官要求
应符合表1的规定。
果实横径
4.2理化要求
无公害食品苹果的感官要求
成熟度
按GB/T10651执行。
4.3卫生要求
大型果
中型果
小型果
无公害食品苹果的卫生指标应符合表2的规定。指
具有本品种的特有风味,无异常气味充分发育,达到市场或贮存要求的成熟度巢形端正
具有本品种成熟时应有的色泽
完整或统一剪除
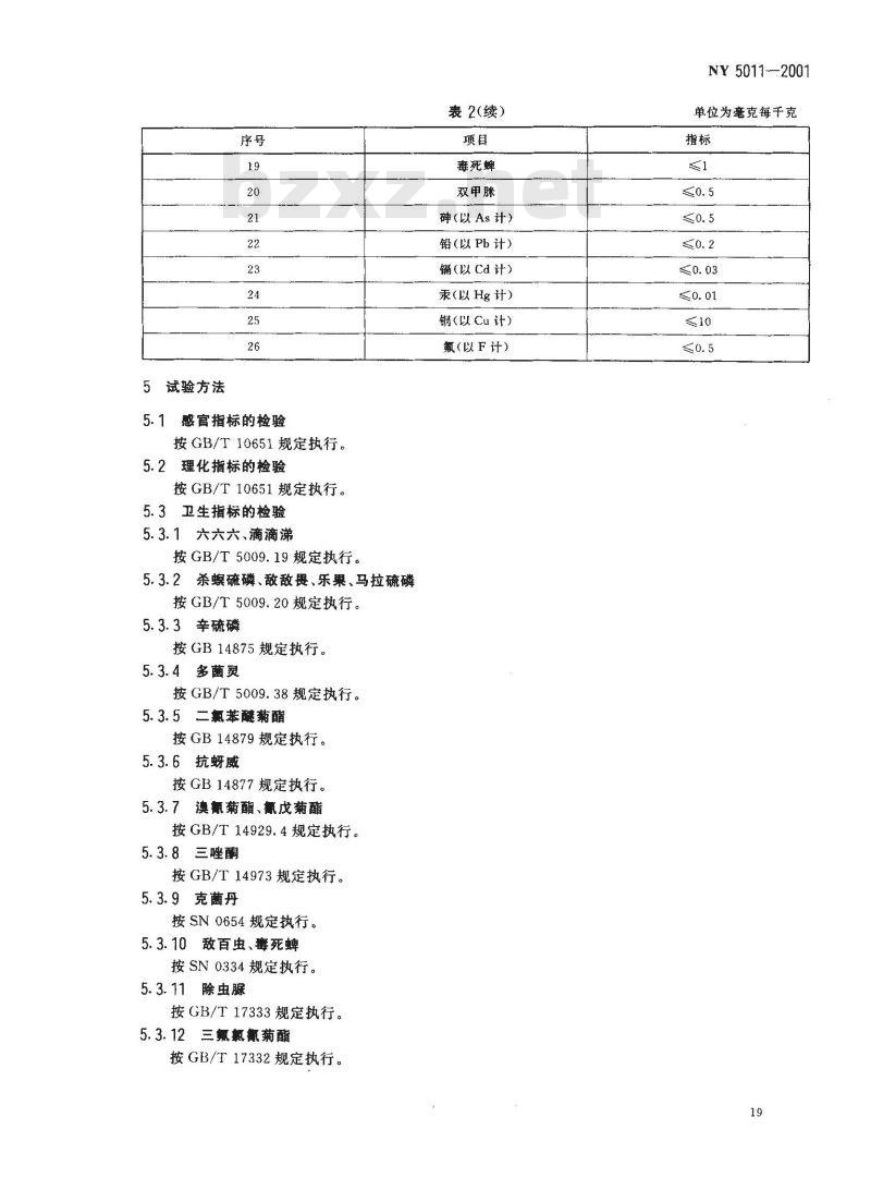
表 2无公害食品苹果的卫生指标序号
滴滴沸
六六六
杀硫磷
敌敌畏
马拉硫磷
辛硫磷
多菌灵
氯菊酯
抗蚜威
溴氰菊酯
氰戊菊酯
三唑酮
克菡丹
敌百虫
除虫腺
氯氨氰萄酯
三唑锡
单位为毫克每干克
不得检出
试验方法
5.1感官指标的检验
按GB/T10651规定执行。
5.2理化指标的检验
按GB/T10651规定执行。
5.3卫生指标的检验
5.3.1六六六、滴滴涕www.bzxz.net
按GB/T5009.19规定执行。
5.3.2杀蟆硫磷、敌敌畏、乐果、马拉硫磷按GB/T5009.20规定执行。
5.3.3辛硫磷
按GB14875规定执行。
5.3.4多菌翅
按GB/T5009.38规定执行。
5. 3. 5 二氯氨苯醚菊酯
按GB14879规定执行。
5.3.6抗蚜威
按GB14877规定执行。
5.3.7澳氰菊酯、氰戊菊酯
按GB/T14929.4规定执行。
5.3.8三唑酮
按GB/T14973规定执行。
5.3.9克菌丹
按SN0654规定执行。
5.3.10敌百虫、毒死蜱
按SN0334规定执行。
5.3.11除虫脲
按GB/T17333规定执行。
5. 3. 12 三氟氯氰菊酯
按GB/T17332规定执行。
表2(续)
毒死蝉
双甲臊
砷(以As计)
铅(以Pb计)
镉(以Cd计)
汞(以 Hg 计)
铜(以Cut)
氟(以F计)
NY 5011—2001
单位为毫克每于克
NY 5011-—2001
5.3.13三唑锡
按SN0150规定执行。
5.3.14双甲腿
按GB/T17329规定执行。
5.3.15碑
按GB/T5009.11规定执行。
5.3.16铅
按GB/T5009.12规定执行。
5.3.17铜
按GB/T5009.13规定执行。
按GB/T5009.15规定执行。
5.3.19汞
按GB/T5009.17规定执行。
按GB/T5009.18规定执行。
6检验规则
6.1检验分类
6.1.1型式检验
型式检验是对产品进行全面考核,即对本标准规定的全部要求(指标)进行检验。有下列情形之一者应进行型式检验:
a)申请无公害食品标志或无公害食品年度抽查检验;b)前后两次出厂检验结果差异较大;c)因人为或自然因素使生产环境发生较大变化;d)国家质量监督机构或主管部门提出型式检验要求。6.1.2交收检验
每批产品交收前,生产单位都应进行交收检验,交收检验内容包括包装、标志、感官要求,检验合格并附合格证的产品方可交收。
6.2检验批次
同一生产基地、同一品种、同一成熟度、同一包装日期的苹果为一个检验批次。6.3抽样方法
按GB/T8855规定执行。以一个检验批次为一个抽样批次。抽取的样品必须具有代表性,应在全批货物的不同部位随机抽取,样品的检验结果适用于整个检验批次。6.4判定规则
6.4.1感官指标
6.4.1.1当一个果实存在多项缺陷时,只记录其中最主要的一项。单项不合格果的百分率按式(1)计算。各单项不合格果的百分率之和即为总的不合格果百分率。X = mi/mz
式中:
X-单项不合格百分率,单位为百分率(%);ml—单项不合格果的数量,单位为千克或个(kg或个);m2
检验样本的果品数量,单位为千克或个(kg或个)。-++.+( 1 )
NY 5011—2001
6.4.1.2在整批样品总不合格果率不超过5%的前提下,单个包装件的不合格果率不得超过10%,否则即判定该样品不合格。
6.4.2理化指标
有一个项目不合格,即判定该样品不合格。6.4.3卫生指标
有一个项目不合格,即判定该样品不合格。7标志
无公害食品苹果的销售和运输包装均应标注无公害食品标志,并标明产品名称、数量、产地、包装日期、生产单位、执行标准代号。8包装、运输、贮存
8.1包装
选用钙塑瓦楞箱和瓦楞纸箱为包装容器,其技术要求应符合GB/T13607的规定。包装容器内不得有枝、时、砂、石、尘土及其它异物。内包装材料应新而洁净、无异味,且不会对果实造成伤害和污染。同一包装件中果实的横径差异不得超过5mm。各包装件的表层苹果在大小、色泽等各个方面均应代表整个包装件的质量情况。
8.2运输
8.2.1运输工具清洁卫生,无异味。不与有毒有害物品混运。8.2.2装卸时轻拿轻放。
8.2.3待运时,应批次分明、堆码整齐、环境清洁、通风良好。严禁烈日曝晒、雨淋。注意防冻、防热、缩短待运时间。
8.3整存
8.3.1无公害食品苹果的冷藏按GB/T8559规定执行。8.3.2无公害食品苹果的气调贮藏按ISO8682规定执行。8.3.3库房无异味。不与有毒、有害物品混合存放。不得使用有损无公害食品苹果质量的保鲜试剂和材料。
小提示:此标准内容仅展示完整标准里的部分截取内容,若需要完整标准请到上方自行免费下载完整标准文档。
NY 5011-2001
无公害食品
2001-09-03发布
2001-10-01实施
中华人民共和国农业部发布
NY5011-2001
本标准由中华人民共和国农业部提出前
本标准起草单位:农业部果品及苗木质量监督检验测试中心、中国农业科学院果树研究所、山东省果茶技术指导站、山东省农业科学院植物保护研究所。本标准主要起草人:聂继云、陆致成、丛佩华、刘凤之、杨振锋、张桂芬、孔庆信、冯建国。16
1范圈
无公害食品
NY 5011--2001
本标准规定了无公害食品苹果的要求、试验方法、检验规则、标志、标签、包装、运输和贮存。本标准适用于无公害食品苹果的生产和流通。2规范性引用文件
下列文件中的条款通过本标准的引用而成为本标准的条款。凡是注日期的引用文件,其随后所有的修改单(不包括勘误的内容)或修订版均不适用于本标准,然而,鼓励根据本标准达成协议的各方研究是否可使用这些文件的最新版本。凡是不注日期的引用文件,其最新版本适用于本标准。GB/T 5009.111
食品中总砷的测定方法
GB/T 5009.12
食品中铅的测定方法
GB/T 5009.131
食品中铜的测定方法
GB/T 5009.15
GB/T 5009.17
食品中镉的测定方法
食品中总汞的测定方法
GB/T 5009.18
食品中氟的测定方法
GB/T 5009.19
GB/T 5009.20
食品中六六六、滴滴涕残留量的测定方法食品中有机磷农药残留量的测定方法GB/T 5009.38
蔬菜、水果卫生标准的分析方法GB/T 8559
苹果冷藏技术
新鲜水果和蔬菜的取样方法
GB/T 8855
GB/T10651
GB/T 13607
GB 14875
GB 14877
GB14879
鲜苹果
苹果、柑桔包装
食品中辛硫磷农药残留量的定方法食品中氨基甲酸酯类农药残留量的测定方法食品中二氯苯醚菊酯残留量的测定方法GB/T14929.4食品中氯氰菊酯、氰戊菊酯和溴氰菊酯残留量测定方法GB/T 14973
食品中粉锈宁残留量的测定方法GB/T 17329
食品中双甲胀残留量的测定
食品中有机氯和拟除虫菊酯类农药多种残留的测定GB/T 17332
GB/T 17333
3食品中除虫豚残留量的测定
SN0150出口水果中三唑锡残留量检验方法出口水果和蔬菜中22种有机磷农药多残留量检验方法SN0334
出口水果中克菌丹残留量检验方法SN0654
ISO8682苹果气调贮藏
3术语和定义
GB/T10651确立的术语和定义适用于本标准。17
NY 5011--2001
4要求
4.1感官要求
应符合表1的规定。
果实横径
4.2理化要求
无公害食品苹果的感官要求
成熟度
按GB/T10651执行。
4.3卫生要求
大型果
中型果
小型果
无公害食品苹果的卫生指标应符合表2的规定。指
具有本品种的特有风味,无异常气味充分发育,达到市场或贮存要求的成熟度巢形端正
具有本品种成熟时应有的色泽
完整或统一剪除
表 2无公害食品苹果的卫生指标序号
滴滴沸
六六六
杀硫磷
敌敌畏
马拉硫磷
辛硫磷
多菌灵
氯菊酯
抗蚜威
溴氰菊酯
氰戊菊酯
三唑酮
克菡丹
敌百虫
除虫腺
氯氨氰萄酯
三唑锡
单位为毫克每干克
不得检出
试验方法
5.1感官指标的检验
按GB/T10651规定执行。
5.2理化指标的检验
按GB/T10651规定执行。
5.3卫生指标的检验
5.3.1六六六、滴滴涕www.bzxz.net
按GB/T5009.19规定执行。
5.3.2杀蟆硫磷、敌敌畏、乐果、马拉硫磷按GB/T5009.20规定执行。
5.3.3辛硫磷
按GB14875规定执行。
5.3.4多菌翅
按GB/T5009.38规定执行。
5. 3. 5 二氯氨苯醚菊酯
按GB14879规定执行。
5.3.6抗蚜威
按GB14877规定执行。
5.3.7澳氰菊酯、氰戊菊酯
按GB/T14929.4规定执行。
5.3.8三唑酮
按GB/T14973规定执行。
5.3.9克菌丹
按SN0654规定执行。
5.3.10敌百虫、毒死蜱
按SN0334规定执行。
5.3.11除虫脲
按GB/T17333规定执行。
5. 3. 12 三氟氯氰菊酯
按GB/T17332规定执行。
表2(续)
毒死蝉
双甲臊
砷(以As计)
铅(以Pb计)
镉(以Cd计)
汞(以 Hg 计)
铜(以Cut)
氟(以F计)
NY 5011—2001
单位为毫克每于克
NY 5011-—2001
5.3.13三唑锡
按SN0150规定执行。
5.3.14双甲腿
按GB/T17329规定执行。
5.3.15碑
按GB/T5009.11规定执行。
5.3.16铅
按GB/T5009.12规定执行。
5.3.17铜
按GB/T5009.13规定执行。
按GB/T5009.15规定执行。
5.3.19汞
按GB/T5009.17规定执行。
按GB/T5009.18规定执行。
6检验规则
6.1检验分类
6.1.1型式检验
型式检验是对产品进行全面考核,即对本标准规定的全部要求(指标)进行检验。有下列情形之一者应进行型式检验:
a)申请无公害食品标志或无公害食品年度抽查检验;b)前后两次出厂检验结果差异较大;c)因人为或自然因素使生产环境发生较大变化;d)国家质量监督机构或主管部门提出型式检验要求。6.1.2交收检验
每批产品交收前,生产单位都应进行交收检验,交收检验内容包括包装、标志、感官要求,检验合格并附合格证的产品方可交收。
6.2检验批次
同一生产基地、同一品种、同一成熟度、同一包装日期的苹果为一个检验批次。6.3抽样方法
按GB/T8855规定执行。以一个检验批次为一个抽样批次。抽取的样品必须具有代表性,应在全批货物的不同部位随机抽取,样品的检验结果适用于整个检验批次。6.4判定规则
6.4.1感官指标
6.4.1.1当一个果实存在多项缺陷时,只记录其中最主要的一项。单项不合格果的百分率按式(1)计算。各单项不合格果的百分率之和即为总的不合格果百分率。X = mi/mz
式中:
X-单项不合格百分率,单位为百分率(%);ml—单项不合格果的数量,单位为千克或个(kg或个);m2
检验样本的果品数量,单位为千克或个(kg或个)。-++.+( 1 )
NY 5011—2001
6.4.1.2在整批样品总不合格果率不超过5%的前提下,单个包装件的不合格果率不得超过10%,否则即判定该样品不合格。
6.4.2理化指标
有一个项目不合格,即判定该样品不合格。6.4.3卫生指标
有一个项目不合格,即判定该样品不合格。7标志
无公害食品苹果的销售和运输包装均应标注无公害食品标志,并标明产品名称、数量、产地、包装日期、生产单位、执行标准代号。8包装、运输、贮存
8.1包装
选用钙塑瓦楞箱和瓦楞纸箱为包装容器,其技术要求应符合GB/T13607的规定。包装容器内不得有枝、时、砂、石、尘土及其它异物。内包装材料应新而洁净、无异味,且不会对果实造成伤害和污染。同一包装件中果实的横径差异不得超过5mm。各包装件的表层苹果在大小、色泽等各个方面均应代表整个包装件的质量情况。
8.2运输
8.2.1运输工具清洁卫生,无异味。不与有毒有害物品混运。8.2.2装卸时轻拿轻放。
8.2.3待运时,应批次分明、堆码整齐、环境清洁、通风良好。严禁烈日曝晒、雨淋。注意防冻、防热、缩短待运时间。
8.3整存
8.3.1无公害食品苹果的冷藏按GB/T8559规定执行。8.3.2无公害食品苹果的气调贮藏按ISO8682规定执行。8.3.3库房无异味。不与有毒、有害物品混合存放。不得使用有损无公害食品苹果质量的保鲜试剂和材料。
小提示:此标准内容仅展示完整标准里的部分截取内容,若需要完整标准请到上方自行免费下载完整标准文档。

标准图片预览:





- 其它标准
- 热门标准
- 农业行业标准(NY)
- NY/T1406-2007 绿色食品速冻蔬菜
- NY/T1325-2015 绿色食品 芽苗类蔬菜
- NY/T3100-2017 马铃薯主食产品 分类和术语
- NY/T869-2004 沙糖橘
- NY/T1496.4-2014 农村户用沼气输气系统 第4部分 设计与安装规范
- NY/T2457-2013 包衣种子干燥机 质量评价技术规范
- NY/T2507-2013 植物新品种特异性、一致性和稳定性测试指南 茼蒿
- NY/T2605-2014 饲料配方师
- NY/T1513-2017 绿色食品 畜禽可食用副产品
- NY/T1976-2010 水溶肥料 有机质含量的测定
- NY/T5102-2002 无公害食品 梨生产技术规程
- NY/T2098-2011 兽用生物制品制造工
- NY/T1045-2014 绿色食品 脱水蔬菜
- NY/T2556-2014 植物新品种特异性、一致性和稳定性测试指南 果子蔓属
- NY/T599-2002 红小豆
- 行业新闻
请牢记:“bzxz.net”即是“标准下载”四个汉字汉语拼音首字母与国际顶级域名“.net”的组合。 ©2009 标准下载网 www.bzxz.net 本站邮件:bzxznet@163.com
网站备案号:湘ICP备2023016450号-1
网站备案号:湘ICP备2023016450号-1