- 您的位置:
- 标准下载网 >>
- 标准分类 >>
- 国家标准(GB) >>
- GB/T 3078-1994 优质结构钢冷拉钢材技术条件
标准号:
GB/T 3078-1994
标准名称:
优质结构钢冷拉钢材技术条件
标准类别:
国家标准(GB)
英文名称:
Technical requirements for high quality structural steel cold drawn steel标准状态:
已作废-
发布日期:
1994-01-02 -
实施日期:
1995-10-01 -
作废日期:
2008-11-01 出版语种:
简体中文下载格式:
.rar.pdf下载大小:
256.95 KB
替代情况:
替代GB 3078-1982;被GB/T 3078-2008代替采标情况:
,
点击下载
标准简介:
标准下载解压密码:www.bzxz.net
本标准规定了优质碳素结构钢、合金结构钢冷拉和磨光钢材的尺寸、外形、技术要求、验收规则、试验方法、包装、标志及质量证明书。本标准适用于优质碳素结构钢、合金结构钢圆、方和六角形冷拉钢材和磨光圆钢。 GB/T 3078-1994 优质结构钢冷拉钢材技术条件 GB/T3078-1994
部分标准内容:
中华人民共和国国家标准
优质结构钢冷拉钢材技术条件
Technical reguirements for
quality structural steel cold drawn bars1 主题内容与适用范围
GB/T3078—94
代替 GB 307R—82
本标准规定了优质碳紊结构钢、合金结构钢冷拉和磨光钢材的尺寸、外形、技术要求,验收规则、试验方法、包装、标志及质量证明书。本标准适用于优质碳素结构钢、合金结构钢阅、方和六角形冷拉钢材和磨光圆钢。2引用标准
GB 225
GB 228
GB 229
GB 699
的化学分析用试样取样法及成品化学成分允许偏差钢铁及合金化学分析方法
钢的脱碳层深度测定法
钢的辫透性来端萍火试验方法
钢的低倍组织及缺陷酸蚀试验法金属拉伸试验法
金属夏比(U型缺口)冲击试验方法金属布氏硬度试验方法
金属项锻试验方法
金属铵平试验方法
优质碳素结构钢技术条件
GE/T 905
GB 1814
GR1979
GB2101
GB2975
GB 3077
冷拉圆钢、方铜、六角钢尺寸、外形、重量及充许偏差钢材断口检验法
结构钢低倍组织缺陷评级图
型钢验收、包装、标志及质量证明书的·-般规定钢材力学及工艺性能试验取样规定合金结构钢技术茶件
GB3207
银亮匍
GB6394
GB6397
GB7736
GB10561
金属平均晶粒度测定方法
金属拉伸试验试样
钢的低倍组织及缺陷超声波检验法钢中非金属央杂物显微评定方法GB/T 13298
GB/T 13299
金展显微组织检验方法
的显微组织评定方法
围素技术监督局1994-12-22 批准1995-10-01实施
3分类与代号
GE/T307894
钢材按加工用途分为4类,加工用途应在订货合同中注明,未注明时按切削加工用钢供应非切削加工用钢
切削加工用钢
热压刀加工用钢
玲或热项锻用钢
4尺寸、外形
4. 1冷拉钢材的尺寸,外形及允许偏差应符合 GB/T 905的规定。4.2磨光钢材的尺寸、外形及允许偏差应符合GB3207的规定。5技术要求
5.1牌号和化学成分
5.1.1钢的牌号和化学成分,优质碳素结构钢应符合GB699的规定,合金结构钢应符合GB3077的规定。
5.1.2根据需方要求,冷顶锻用钢的化学成分(熔炼分析)应符合表1的规定;成品钢材化学成分允许偏差应符合GB 222表 2的规定。表1
化学成分,另
5.2交货状态
0.07~~0.13
0.12-0. 1B
0.17~~Q.24
0.27-~0. 34
0.32~0,39
0.37--0.44
0, 42~~0. 49
0. 340. 42
不大十
0.50~0.80
0. 80--1. 10
钢材以玲拉或热处理(退火、光亮避火、正火、高温同火、正火后回火)状态交货。钢材的交货状态应在合同中注明,未注明时以冷拉状态供应。5.3力学性能
5.3.1冷拉、退火、高温回火或正火后回火交货钢材的硬度值应符合表2的规定;正火交货钢材的硬度值由供需双方协议规定。
5.3.1.1供热l压力加工用的冷拉状态交货的钢材,50Mn2、45CrVA,35CrMnStA、42CrMe,35CrMVA的硬度值应符合表2规定。其他牌号的交货状态布氏硬度值应不大于269。5.3. 1.2截面尺寸小于5 mm的钢材,不进行硬度试验或由双方协商规定。5.3.2根据需方要求,并在合同4注明,制材交货状态力学性能应符合表3的规定,表3中未列入的牌GBT307894
号,用热处理毛坏制成试样测定的力学性能,优质嵌素结构钢应符合GB699的规定,合金结构钢应符合GB3077的规定。
交货状态度.HB
27SiMn
35SiMn
42SiMn
不大于
返火、高温回火
或正火后回火
40MnVH
ZOSMnVE
4DGrVA
45CrVA
38Crsi
20CtMnSiA
25CrMnSiA
30CiMnSiA
35CrMnSiA
20CrMnFi
15CtMo
20CrMo
30CrMo
35CrMo
42CrMo
20CrMnMo
40CrMnMo
35CrMoVA
38CrMoAIA
交货状态硬度.HB
不大下
退火、高温回火
或正火后回火
20CINi
40CtNi
45CrNi
12CrNi2A
12CrNi3A
20CrNi3A
GE/T 3078—94
续表2
变货状态硬度,HB
不大于
退火、高温回火
正火后回火
抗拉强度
伸长率
不小于
30CrNi3(A)
37CrNi3A
12Cr2Ni4A
20Cr2Ni4A
40CrNiMoA
45CrNiMoVA
18Cr2Ni4wA
25Cr2Ni4WA
抗拉强度,心
交货状态硬度,HB
不大于
邀火、高温回火
或正火后回火
伸长率,品
不小于
收輪率,
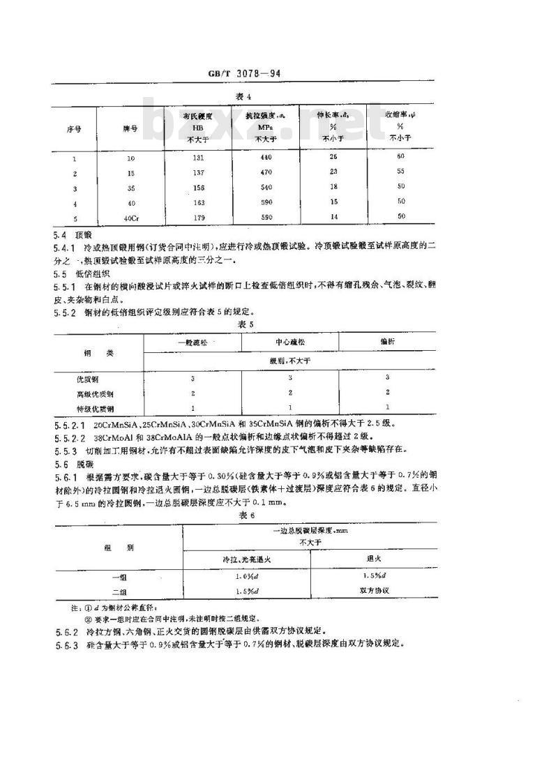
5.3.3退火交货的冷项锻用钢材,其力学性能应符合表4的规定。表4未列牌号的力学性能由供需双方协议规定。截面尺寸小于5mm的钢材,不进行硬度试验或由双方协商规定。序号Www.bzxZ.net
GB/T 3078—94
布氏疆度
不大于
抗拉强度+o
不大于
伸长率
不小于
收缩率
不小于
5.4顶锻
5.4.1冷或热顶锻用钢(订货合同中注明),应进行冷或热顶锻试验。冷顶锻试验锻至试样原高度的二分之·,热顶锻试验至试样原高度的三分之一。5.5低倍组织
5.5.1在钢材的横向酸浸试片或辫火试样的断口上检查低倍组织时,不得有缩孔残余、气泡、裂纹,翻皮、夹杂物和白点。
5.5.2钢材的低倍组织评定级别应符合表5的规定。表5
优质钢
高级优质钢
特级优所钢
一般疏松
中心巯松
级别,不大于
5.5.2.120CrMnSiA,25CrMnSiA,30CrMnSiA和35CrMnSiA钢的偏析不得大于2.5级。5.5.2.238CrMoAl和38CrMoAlA的一般点状偏析和边缘点状偏析不得超过2级。5.5.3切削加工用钢材允许有不超过表面缺陷充许深度的皮下气泡和皮下夹杂等缺陷存在。5.6脱碳
5.6.1根据需方要求,碳含量大于等于0.30%(硅含量大于等于0.9%或铝含量大于等于0.7%的钢材除外)的冷拉圆钢和冷拉退火圆钢,一边总脱碳层(铁素体十过渡层)深度应符合表6的规定。直径小于6.5 mm的冷拉圆钢,一边总脱碳层深度应不大于a.1 mm。表6
一边总脱磁层探度.mm
冷拉,光衰退火
注:① d 为制树公款直径+
②要求一组时应在合同中注明,未注明时接二继规定。不大于
效方协议
冷拉方钢、六角钢、正火交货的圆钢脱碳层由供需双方协议规定。5. 6. 2
5.6.3硅含量大于等于0.9%或铝含量大于等于0.7%的钢材、脱碳层深度由双方协议规定。GB/T 307894
5. 6. 4 磨光交货的钢材不允许有脱碳层。经带方同意,磨光钢材一边总脱碳层深度可不大于 1. 0%d。5.7表面质量
5.7.1钢材表面应活净、光滑、不允许有裂纹、折选、结疤,夹杂,拉裂和载化皮,经热处理的冷拉钢材表面充许有氧化色。
5.7.2切削加工用制材,表面允诈有深度不超过从实际尺小算起该公称尺寸公差的麻点、刮伤、拉痕、黑斑,凹面、清理斜痕,润滑剂痕迹和深度为公差二分之的个别小发纹。5.7.3非切削加工用钢、热压力加工用解和顶锻用钢材,表面允许有深度不超过从实际只尺寸算起该公称尺小公差的个别刮伤、拉痕、黑斑、凹面、麻点及清理斜痕。根据需方要求,上述缺陷深度可不超过公差的二分之一。
5.7.4磨光交货的材,表面不得有缺陷。5.7.5经斜辊矫直的钢材,表面充许有螺纹状辊印。5.7.6冷拉方钢、入角钢表面质量按切削加工用钢材的规定。5.8、特殊要求
根据需方要求,经供需双方协议,可供应下列待殊要求的钢材,合格标准由供需双方协议规定。9.
缩小化学成分范;
钢材交货状态下的冲击韧性
规定力学性能上下限;
层状断口;
显磁组织:
晶粒度:
降透性:
非金属夹杂物:
供冷顶锻用的10F、15F、20F材进行锻平试验:表面粗糙度;
无损检验。
6试验方法
每批钢材各项检验的试验方法应符合表7的规定。表7
检验项目
化学成分
理度试验
拉伸试验
冲山闭性
殿浸低倍组织
断口组织
取样数革
上/护
不同支钢材
取样要求
GB2975不同支钢材
GB2975不同支材
不间支钢材
相当于钢锭头部的不同支铜材
不同支钢材
GH 231
GB6397
GH 228
试验方法
试样R4
GB 226GB 7736GB1979
GB 1814
检验项目
脱碳层
晶粒度
严透性
非病头钟
锻试验
7检验规
7.1组批规测
取样教革
GB/T3078—94
续表7
敢样要求
不同支钢材
不支钢材
不间支钢材
不同支钢材
不间支钢材
不间支钢材
GR 224
试验力法
GI3/T 11298.G13/T 11209
GB6394
GB10561
干分尺、样板
炉罐号、同·-尺寸、同一加工状态和同一热处理扩次(连续炉为同了.1.1钢材应成批验妆,每批由同一热处理制度)的钢材组成。
7.1.2电液钢在工艺稳定的情况下,可按电驱炉钢母炉号组批。7.2取样数量和要求
7.2.1每批钢材的取样数量和要求应符合表7的规定。电液钢除硬度试样5个和酸浸低倍纠织试样2个在钢键的头部和尾部取样)外,其余试验各取1个试样。7.2.2电渣钢按电弧炉钢母炉号组批时.取样数量按衣7规定,7.3复验与判定规则
钢材的友验与判定规则应符合GB 2101 的规定。8
包装、标志和质量证明书
钢材的包装、标志和质量证明书应符合GB2101的规。附加说明:
本标准由中华人民共和国治金工业部提出。本标准由冶金工业部信息标准研究院归口。本标准用重庆特殊钢公司和冶金工业部信息标准研究院负资起草。本标准主要起草人李素琴、徐茂君、祁宝兰、张长森。本标准水乎等级标记:GB/T3078—941
小提示:此标准内容仅展示完整标准里的部分截取内容,若需要完整标准请到上方自行免费下载完整标准文档。
优质结构钢冷拉钢材技术条件
Technical reguirements for
quality structural steel cold drawn bars1 主题内容与适用范围
GB/T3078—94
代替 GB 307R—82
本标准规定了优质碳紊结构钢、合金结构钢冷拉和磨光钢材的尺寸、外形、技术要求,验收规则、试验方法、包装、标志及质量证明书。本标准适用于优质碳素结构钢、合金结构钢阅、方和六角形冷拉钢材和磨光圆钢。2引用标准
GB 225
GB 228
GB 229
GB 699
的化学分析用试样取样法及成品化学成分允许偏差钢铁及合金化学分析方法
钢的脱碳层深度测定法
钢的辫透性来端萍火试验方法
钢的低倍组织及缺陷酸蚀试验法金属拉伸试验法
金属夏比(U型缺口)冲击试验方法金属布氏硬度试验方法
金属项锻试验方法
金属铵平试验方法
优质碳素结构钢技术条件
GE/T 905
GB 1814
GR1979
GB2101
GB2975
GB 3077
冷拉圆钢、方铜、六角钢尺寸、外形、重量及充许偏差钢材断口检验法
结构钢低倍组织缺陷评级图
型钢验收、包装、标志及质量证明书的·-般规定钢材力学及工艺性能试验取样规定合金结构钢技术茶件
GB3207
银亮匍
GB6394
GB6397
GB7736
GB10561
金属平均晶粒度测定方法
金属拉伸试验试样
钢的低倍组织及缺陷超声波检验法钢中非金属央杂物显微评定方法GB/T 13298
GB/T 13299
金展显微组织检验方法
的显微组织评定方法
围素技术监督局1994-12-22 批准1995-10-01实施
3分类与代号
GE/T307894
钢材按加工用途分为4类,加工用途应在订货合同中注明,未注明时按切削加工用钢供应非切削加工用钢
切削加工用钢
热压刀加工用钢
玲或热项锻用钢
4尺寸、外形
4. 1冷拉钢材的尺寸,外形及允许偏差应符合 GB/T 905的规定。4.2磨光钢材的尺寸、外形及允许偏差应符合GB3207的规定。5技术要求
5.1牌号和化学成分
5.1.1钢的牌号和化学成分,优质碳素结构钢应符合GB699的规定,合金结构钢应符合GB3077的规定。
5.1.2根据需方要求,冷顶锻用钢的化学成分(熔炼分析)应符合表1的规定;成品钢材化学成分允许偏差应符合GB 222表 2的规定。表1
化学成分,另
5.2交货状态
0.07~~0.13
0.12-0. 1B
0.17~~Q.24
0.27-~0. 34
0.32~0,39
0.37--0.44
0, 42~~0. 49
0. 340. 42
不大十
0.50~0.80
0. 80--1. 10
钢材以玲拉或热处理(退火、光亮避火、正火、高温同火、正火后回火)状态交货。钢材的交货状态应在合同中注明,未注明时以冷拉状态供应。5.3力学性能
5.3.1冷拉、退火、高温回火或正火后回火交货钢材的硬度值应符合表2的规定;正火交货钢材的硬度值由供需双方协议规定。
5.3.1.1供热l压力加工用的冷拉状态交货的钢材,50Mn2、45CrVA,35CrMnStA、42CrMe,35CrMVA的硬度值应符合表2规定。其他牌号的交货状态布氏硬度值应不大于269。5.3. 1.2截面尺寸小于5 mm的钢材,不进行硬度试验或由双方协商规定。5.3.2根据需方要求,并在合同4注明,制材交货状态力学性能应符合表3的规定,表3中未列入的牌GBT307894
号,用热处理毛坏制成试样测定的力学性能,优质嵌素结构钢应符合GB699的规定,合金结构钢应符合GB3077的规定。
交货状态度.HB
27SiMn
35SiMn
42SiMn
不大于
返火、高温回火
或正火后回火
40MnVH
ZOSMnVE
4DGrVA
45CrVA
38Crsi
20CtMnSiA
25CrMnSiA
30CiMnSiA
35CrMnSiA
20CrMnFi
15CtMo
20CrMo
30CrMo
35CrMo
42CrMo
20CrMnMo
40CrMnMo
35CrMoVA
38CrMoAIA
交货状态硬度.HB
不大下
退火、高温回火
或正火后回火
20CINi
40CtNi
45CrNi
12CrNi2A
12CrNi3A
20CrNi3A
GE/T 3078—94
续表2
变货状态硬度,HB
不大于
退火、高温回火
正火后回火
抗拉强度
伸长率
不小于
30CrNi3(A)
37CrNi3A
12Cr2Ni4A
20Cr2Ni4A
40CrNiMoA
45CrNiMoVA
18Cr2Ni4wA
25Cr2Ni4WA
抗拉强度,心
交货状态硬度,HB
不大于
邀火、高温回火
或正火后回火
伸长率,品
不小于
收輪率,
5.3.3退火交货的冷项锻用钢材,其力学性能应符合表4的规定。表4未列牌号的力学性能由供需双方协议规定。截面尺寸小于5mm的钢材,不进行硬度试验或由双方协商规定。序号Www.bzxZ.net
GB/T 3078—94
布氏疆度
不大于
抗拉强度+o
不大于
伸长率
不小于
收缩率
不小于
5.4顶锻
5.4.1冷或热顶锻用钢(订货合同中注明),应进行冷或热顶锻试验。冷顶锻试验锻至试样原高度的二分之·,热顶锻试验至试样原高度的三分之一。5.5低倍组织
5.5.1在钢材的横向酸浸试片或辫火试样的断口上检查低倍组织时,不得有缩孔残余、气泡、裂纹,翻皮、夹杂物和白点。
5.5.2钢材的低倍组织评定级别应符合表5的规定。表5
优质钢
高级优质钢
特级优所钢
一般疏松
中心巯松
级别,不大于
5.5.2.120CrMnSiA,25CrMnSiA,30CrMnSiA和35CrMnSiA钢的偏析不得大于2.5级。5.5.2.238CrMoAl和38CrMoAlA的一般点状偏析和边缘点状偏析不得超过2级。5.5.3切削加工用钢材允许有不超过表面缺陷充许深度的皮下气泡和皮下夹杂等缺陷存在。5.6脱碳
5.6.1根据需方要求,碳含量大于等于0.30%(硅含量大于等于0.9%或铝含量大于等于0.7%的钢材除外)的冷拉圆钢和冷拉退火圆钢,一边总脱碳层(铁素体十过渡层)深度应符合表6的规定。直径小于6.5 mm的冷拉圆钢,一边总脱碳层深度应不大于a.1 mm。表6
一边总脱磁层探度.mm
冷拉,光衰退火
注:① d 为制树公款直径+
②要求一组时应在合同中注明,未注明时接二继规定。不大于
效方协议
冷拉方钢、六角钢、正火交货的圆钢脱碳层由供需双方协议规定。5. 6. 2
5.6.3硅含量大于等于0.9%或铝含量大于等于0.7%的钢材、脱碳层深度由双方协议规定。GB/T 307894
5. 6. 4 磨光交货的钢材不允许有脱碳层。经带方同意,磨光钢材一边总脱碳层深度可不大于 1. 0%d。5.7表面质量
5.7.1钢材表面应活净、光滑、不允许有裂纹、折选、结疤,夹杂,拉裂和载化皮,经热处理的冷拉钢材表面充许有氧化色。
5.7.2切削加工用制材,表面允诈有深度不超过从实际尺小算起该公称尺寸公差的麻点、刮伤、拉痕、黑斑,凹面、清理斜痕,润滑剂痕迹和深度为公差二分之的个别小发纹。5.7.3非切削加工用钢、热压力加工用解和顶锻用钢材,表面允许有深度不超过从实际只尺寸算起该公称尺小公差的个别刮伤、拉痕、黑斑、凹面、麻点及清理斜痕。根据需方要求,上述缺陷深度可不超过公差的二分之一。
5.7.4磨光交货的材,表面不得有缺陷。5.7.5经斜辊矫直的钢材,表面充许有螺纹状辊印。5.7.6冷拉方钢、入角钢表面质量按切削加工用钢材的规定。5.8、特殊要求
根据需方要求,经供需双方协议,可供应下列待殊要求的钢材,合格标准由供需双方协议规定。9.
缩小化学成分范;
钢材交货状态下的冲击韧性
规定力学性能上下限;
层状断口;
显磁组织:
晶粒度:
降透性:
非金属夹杂物:
供冷顶锻用的10F、15F、20F材进行锻平试验:表面粗糙度;
无损检验。
6试验方法
每批钢材各项检验的试验方法应符合表7的规定。表7
检验项目
化学成分
理度试验
拉伸试验
冲山闭性
殿浸低倍组织
断口组织
取样数革
上/护
不同支钢材
取样要求
GB2975不同支钢材
GB2975不同支材
不间支钢材
相当于钢锭头部的不同支铜材
不同支钢材
GH 231
GB6397
GH 228
试验方法
试样R4
GB 226GB 7736GB1979
GB 1814
检验项目
脱碳层
晶粒度
严透性
非病头钟
锻试验
7检验规
7.1组批规测
取样教革
GB/T3078—94
续表7
敢样要求
不同支钢材
不支钢材
不间支钢材
不同支钢材
不间支钢材
不间支钢材
GR 224
试验力法
GI3/T 11298.G13/T 11209
GB6394
GB10561
干分尺、样板
炉罐号、同·-尺寸、同一加工状态和同一热处理扩次(连续炉为同了.1.1钢材应成批验妆,每批由同一热处理制度)的钢材组成。
7.1.2电液钢在工艺稳定的情况下,可按电驱炉钢母炉号组批。7.2取样数量和要求
7.2.1每批钢材的取样数量和要求应符合表7的规定。电液钢除硬度试样5个和酸浸低倍纠织试样2个在钢键的头部和尾部取样)外,其余试验各取1个试样。7.2.2电渣钢按电弧炉钢母炉号组批时.取样数量按衣7规定,7.3复验与判定规则
钢材的友验与判定规则应符合GB 2101 的规定。8
包装、标志和质量证明书
钢材的包装、标志和质量证明书应符合GB2101的规。附加说明:
本标准由中华人民共和国治金工业部提出。本标准由冶金工业部信息标准研究院归口。本标准用重庆特殊钢公司和冶金工业部信息标准研究院负资起草。本标准主要起草人李素琴、徐茂君、祁宝兰、张长森。本标准水乎等级标记:GB/T3078—941
小提示:此标准内容仅展示完整标准里的部分截取内容,若需要完整标准请到上方自行免费下载完整标准文档。
标准图片预览:





- 其它标准
- 上一篇: GB/T 3077-1999 合金结构钢
- 下一篇: GB/T 3079-1993 合金结构钢丝
- 热门标准
- 国家标准(GB)
- GB/T18204.4-2000 公共场所毛巾、床上卧具微生物检验方法细菌总数测定
- GB/T23892.3-2009 滑动轴承 稳态条件下流体动压可倾瓦块止推轴承 第3部分:可倾瓦块止推轴承计算的许用值
- GB/T11839-1989 二氧化铀芯块中硼的测定 姜黄素萃取光度法
- GB/T7433-1987 对称电缆载波通信系统抗无线电广播和通信干扰的指标
- GB/T21238-2007 玻璃纤维增强塑料夹砂管
- GB/T28809-2012 轨道交通 通信、信号和处理系统 信号用安全相关电子系统
- GB15603-2022 危险化学品仓库储存通则
- GB6819-1996 溶解乙炔
- GB/T9239-1988 刚性转子平衡品质 许用不平衡的确定
- GB/T15917.3-1995 金属镝及氧化镝化学分析方法 对氯苯基荧光酮--溴化十六烷基三甲基胺分光光度法测定钽量
- GB/T5738-1995 瓶装酒、饮料塑料周转箱
- GB/T13985-1992 照相机操作力和强度
- GB/T6397-1986 金属拉伸试验试样
- GB/T16483-2008 化学品安全技术说明书 内容和项目顺序
- GB/T11813-2008 压水堆燃料棒氦质谱检漏
- 行业新闻
请牢记:“bzxz.net”即是“标准下载”四个汉字汉语拼音首字母与国际顶级域名“.net”的组合。 ©2025 标准下载网 www.bzxz.net 本站邮件:bzxznet@163.com
网站备案号:湘ICP备2025141790号-2
网站备案号:湘ICP备2025141790号-2