- 您的位置:
- 标准下载网 >>
- 标准分类 >>
- 林业行业标准(LY) >>
- LY/T 1207-1997 黑木耳块
标准号:
LY/T 1207-1997
标准名称:
黑木耳块
标准类别:
林业行业标准(LY)
标准状态:
已作废-
发布日期:
1997-04-15 -
实施日期:
1997-10-01 -
作废日期:
2007-10-01 出版语种:
简体中文下载格式:
.rar.pdf下载大小:
91.58 KB
替代情况:
被LY/T 1207-2007代替
相关标签:
黑木耳
点击下载
标准简介:
标准下载解压密码:www.bzxz.net
本标准规定了黑木耳块的要求、抽样、试验方法、检验规则、标志、包装、运输和贮存。本标准适用于经压缩制成的黑木耳块。 LY/T 1207-1997 黑木耳块 LY/T1207-1997
部分标准内容:
LY/T1207-1997
黑木耳块是以黑木耳干制品为单一原料,在不改变原有的营养成分、复水性能和复水状态的情况下,经压缩制成的一定规格尺寸的块状体。本标准的技术指标主要参照了GB6192--86黑木耳的质量标准和GB/T5009—1996食品中理化指标的测定方法。
本标准增添了产品规格和净含量两项指标。本标准由黑龙江省林副特产研究所归口。本标准由黑龙江省林副特产研究所负责起草。本标准主要起草人:申世斌、吴宪瑞、韩书昌、吴洪军、张学义。538
1范围
中华人民共和国林业行业标准
黑木耳块
The block of Auricularia auriculaLY/T 1207-1997
本标准规定了黑木耳块的要求、抽样、试验方法、检验规则、标志、包装、运输和贮存。本标准适用于经压缩制成的黑木耳块。2引用标准
下列标准所包含的条文,通过在本标准中引用而构成为本标准的条文。本标准出版时,所示版本均为有效。所有标准都会被修订,使用本标准的各方应探讨使用下列标准最新版本的可能性。GB/T5009.3--85食品中水分的测定方法GB/T5009.11~1996食品中总碑的测定方法GB/T 5009.12—-1996
食品中铅的测定方法
GB/T5009.17—1996食品中总汞的测定方法GB/T5009.19—1996食品中六六六、滴滴沸残留量的测定方法GB/T6192—86黑木耳
GB7718—-94食品标签通用标准
3要求
3.1原料
原材料应符合GB/T6192二级品以上要求。3.2产品规格
10g/块、15g/块、20g/块、25g/块。其他可按合同规定。
3.3感官指标
应符合表1规定。
表1感官指标
项目名称
滋味气味
外观状态
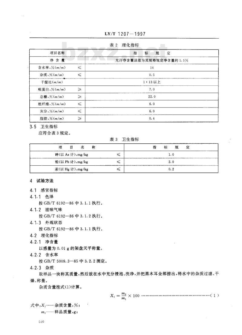
3.4理化指标
应符合表2规定。
中华人民共和国林业部1997-04-15批准指标规
黑褐色至浅褐色
黑木耳原有的滋味和气味,无异味表面平整,无缺损
1997-10-01实施
项目名称
净含量
含水率,%(m/m)
杂质,%(m/m)
干湿比(m/m)
粗蛋白,%(m/m)
总糖,%(m/m)
粗纤维,%(m/m)
灰分,%(m/m)
脂肪,%(m/m)
卫生指标
应符合表3规定。
目名称
(以As计),mg/kg
铅(以 Pb 计),mg/kg
汞(以 Hg 计),mg/kg
4试验方法
4.1感官指标
4.1.1色泽
按GB/T6192—86中3.1.1执行。
4.1.2滋味气味
按GB/T6192-86中3.1.2执行。
4.1.3外观状态
按GB/T6192—86中3.1.1执行。
4.2理化指标
4.2.1净含量
以感量为0.01g的架盘天平称量。4.2.2含水率
LY/T 1207-1997
表2理化指标
允许净含量误差为其规格规定净含量的1.5%14
1:13以上
表3卫生指标
按GB/T5009.3—85中3.2.2测定。4.2.3杂质
取样品一块称其质量,然后放在水中充分浸泡、洗净,并把黑木耳全部捞出,将水中的杂质过滤、干燥、称量。
杂质含量按式(1)计算。
式中;X,杂质含量,%;
-样品质量,g;
X 100 .........
(1)
杂质质量,g。
4.2.4干湿比
LY/T 1207--1997
将样品称其质量,然后在18℃~20℃室温下浸泡10h,滤去余水后,称其湿品质量。按式(2)计算干湿比。
X,—1:
式中;X,--干湿比;
ms-—样品质量,g;
湿品质量·g。
4.2.5粗蛋白
按GB/T6192—86中3.3.1测定。
4.2.6总糖
按GB/T6192-—86中3.3.2测定。4.2.7粗纤维
按GB/T6192—86中3.3.3测定。
4.2.8灰分
按GB/T6192—86中3.3.4测定。
4.2.9脂肪
按GB/T6192-86中3.3.5测定。
4.3卫生指标检验
按GB/T5009.11测定。
按GB/T5009.12测定。
按GB/T5009.17测定。
5检验规则
5.1抽样
每生产一批(≤500kg),随机抽样1%,最小抽样量不低于0.5kg。5.2出厂检验
出厂检验项目为感官指标、净含量、含水率、杂质和干湿比五项。5.3型式检验
5.3.1型式检验项目为标准全项检验。5.3.2有下列情形之者必须做型式检验:a)新产品试制定型;
b)原辅材料、设备、工艺有较大改变时;c)停产一年恢复生产时;
d)发生质量纠纷时;
e)正常生产一年检验一次。
·(2)
5.4判定原则
产品出厂前,由检验人员按标准进行出厂检验,经检验合格的产品签发合格证,并注明批号、出厂日期、检验员代号,方可出厂。如有不合格项目时,应加倍抽样,对该项指标进行复检。如复检结果仍不合541
格,应判为不合格产品。
6标志、包装、运输和贮存
6.1标志
按GB7718执行。
6.2包装
LY/T1207—1997
包装材料应符合食品卫生标准要求。6.2.1小包装:木耳块用玻璃纸等包装材料包装。6.2.2中包装:用热收缩薄膜包装。6.2.3大包装:采用瓦楞纸箱包装。6.3运输此内容来自标准下载网
运输中不得与有害物质同仓同载,并应轻装轻卸,避免重物挤压、撞击。防止潮湿、雨淋、日晒。6.4贮存
6.4.1贮存于干燥仓库内,离地面20cm,严禁与有毒、有异味和易于传播虫害的物质混合存放。防止虫害、鼠类等危害。
6.4.2产品的贮存在符合本标准贮存、运输条件和包装完整情况下,保质期不低于24个月。542
小提示:此标准内容仅展示完整标准里的部分截取内容,若需要完整标准请到上方自行免费下载完整标准文档。
黑木耳块是以黑木耳干制品为单一原料,在不改变原有的营养成分、复水性能和复水状态的情况下,经压缩制成的一定规格尺寸的块状体。本标准的技术指标主要参照了GB6192--86黑木耳的质量标准和GB/T5009—1996食品中理化指标的测定方法。
本标准增添了产品规格和净含量两项指标。本标准由黑龙江省林副特产研究所归口。本标准由黑龙江省林副特产研究所负责起草。本标准主要起草人:申世斌、吴宪瑞、韩书昌、吴洪军、张学义。538
1范围
中华人民共和国林业行业标准
黑木耳块
The block of Auricularia auriculaLY/T 1207-1997
本标准规定了黑木耳块的要求、抽样、试验方法、检验规则、标志、包装、运输和贮存。本标准适用于经压缩制成的黑木耳块。2引用标准
下列标准所包含的条文,通过在本标准中引用而构成为本标准的条文。本标准出版时,所示版本均为有效。所有标准都会被修订,使用本标准的各方应探讨使用下列标准最新版本的可能性。GB/T5009.3--85食品中水分的测定方法GB/T5009.11~1996食品中总碑的测定方法GB/T 5009.12—-1996
食品中铅的测定方法
GB/T5009.17—1996食品中总汞的测定方法GB/T5009.19—1996食品中六六六、滴滴沸残留量的测定方法GB/T6192—86黑木耳
GB7718—-94食品标签通用标准
3要求
3.1原料
原材料应符合GB/T6192二级品以上要求。3.2产品规格
10g/块、15g/块、20g/块、25g/块。其他可按合同规定。
3.3感官指标
应符合表1规定。
表1感官指标
项目名称
滋味气味
外观状态
3.4理化指标
应符合表2规定。
中华人民共和国林业部1997-04-15批准指标规
黑褐色至浅褐色
黑木耳原有的滋味和气味,无异味表面平整,无缺损
1997-10-01实施
项目名称
净含量
含水率,%(m/m)
杂质,%(m/m)
干湿比(m/m)
粗蛋白,%(m/m)
总糖,%(m/m)
粗纤维,%(m/m)
灰分,%(m/m)
脂肪,%(m/m)
卫生指标
应符合表3规定。
目名称
(以As计),mg/kg
铅(以 Pb 计),mg/kg
汞(以 Hg 计),mg/kg
4试验方法
4.1感官指标
4.1.1色泽
按GB/T6192—86中3.1.1执行。
4.1.2滋味气味
按GB/T6192-86中3.1.2执行。
4.1.3外观状态
按GB/T6192—86中3.1.1执行。
4.2理化指标
4.2.1净含量
以感量为0.01g的架盘天平称量。4.2.2含水率
LY/T 1207-1997
表2理化指标
允许净含量误差为其规格规定净含量的1.5%14
1:13以上
表3卫生指标
按GB/T5009.3—85中3.2.2测定。4.2.3杂质
取样品一块称其质量,然后放在水中充分浸泡、洗净,并把黑木耳全部捞出,将水中的杂质过滤、干燥、称量。
杂质含量按式(1)计算。
式中;X,杂质含量,%;
-样品质量,g;
X 100 .........
(1)
杂质质量,g。
4.2.4干湿比
LY/T 1207--1997
将样品称其质量,然后在18℃~20℃室温下浸泡10h,滤去余水后,称其湿品质量。按式(2)计算干湿比。
X,—1:
式中;X,--干湿比;
ms-—样品质量,g;
湿品质量·g。
4.2.5粗蛋白
按GB/T6192—86中3.3.1测定。
4.2.6总糖
按GB/T6192-—86中3.3.2测定。4.2.7粗纤维
按GB/T6192—86中3.3.3测定。
4.2.8灰分
按GB/T6192—86中3.3.4测定。
4.2.9脂肪
按GB/T6192-86中3.3.5测定。
4.3卫生指标检验
按GB/T5009.11测定。
按GB/T5009.12测定。
按GB/T5009.17测定。
5检验规则
5.1抽样
每生产一批(≤500kg),随机抽样1%,最小抽样量不低于0.5kg。5.2出厂检验
出厂检验项目为感官指标、净含量、含水率、杂质和干湿比五项。5.3型式检验
5.3.1型式检验项目为标准全项检验。5.3.2有下列情形之者必须做型式检验:a)新产品试制定型;
b)原辅材料、设备、工艺有较大改变时;c)停产一年恢复生产时;
d)发生质量纠纷时;
e)正常生产一年检验一次。
·(2)
5.4判定原则
产品出厂前,由检验人员按标准进行出厂检验,经检验合格的产品签发合格证,并注明批号、出厂日期、检验员代号,方可出厂。如有不合格项目时,应加倍抽样,对该项指标进行复检。如复检结果仍不合541
格,应判为不合格产品。
6标志、包装、运输和贮存
6.1标志
按GB7718执行。
6.2包装
LY/T1207—1997
包装材料应符合食品卫生标准要求。6.2.1小包装:木耳块用玻璃纸等包装材料包装。6.2.2中包装:用热收缩薄膜包装。6.2.3大包装:采用瓦楞纸箱包装。6.3运输此内容来自标准下载网
运输中不得与有害物质同仓同载,并应轻装轻卸,避免重物挤压、撞击。防止潮湿、雨淋、日晒。6.4贮存
6.4.1贮存于干燥仓库内,离地面20cm,严禁与有毒、有异味和易于传播虫害的物质混合存放。防止虫害、鼠类等危害。
6.4.2产品的贮存在符合本标准贮存、运输条件和包装完整情况下,保质期不低于24个月。542
小提示:此标准内容仅展示完整标准里的部分截取内容,若需要完整标准请到上方自行免费下载完整标准文档。
标准图片预览:





- 其它标准
- 热门标准
- 林业行业标准(LY)
- LY/T1863-2009 自然保护区生态旅游评价指标
- LY/T1185-1996 国有林区标准化苗圃
- LY/T1143-2006 饰面用浸渍胶膜纸
- LY/T2115-2013 油茶饼粕有机肥
- LY/T1633-2005 中国水仙种球生产技术规程和质量等级
- LY/T1444.3-2005 林区木材生产能耗 第3部分:集材机械燃料消耗量
- LY/T1640-2005 药用单宁酸
- LY1120-1993 保鲜山野菜
- LY/T1690-2007 低效林改造技术规程
- LY/T3262—2021 主要香调料产品质量等级
- LY/T2157-2013 园林机械 以汽油机为动力的随进式草坪滚压机
- LY∕T2934-2018 森林康养基地质量评定
- LY/T3005.1-2018 杜仲 第1部分:良种选育技术规程
- LY/T1045-1991 营树机械产品命名及型号编制方法
- LY/T2117-2013 油茶无性系芽苗砧嫁接技术规程
- 行业新闻
请牢记:“bzxz.net”即是“标准下载”四个汉字汉语拼音首字母与国际顶级域名“.net”的组合。 ©2025 标准下载网 www.bzxz.net 本站邮件:bzxznet@163.com
网站备案号:湘ICP备2025141790号-2
网站备案号:湘ICP备2025141790号-2