- 您的位置:
- 标准下载网 >>
- 标准分类 >>
- 国家标准(GB) >>
- GB/T 2856.6-1990 冲模滚动导向模座 四导柱下模座
标准号:
GB/T 2856.6-1990
标准名称:
冲模滚动导向模座 四导柱下模座
标准类别:
国家标准(GB)
英文名称:
Die rolling guide die base four guide column lower die base标准状态:
已作废-
发布日期:
1990-07-23 -
实施日期:
1991-05-01 -
作废日期:
2008-10-01 出版语种:
简体中文下载格式:
.rar.pdf下载大小:
46.86 KB
部分标准内容:
中华人民共和国国家标准
冲模滚动导向模座
四导柱下模座
Holder for ball slide die sets for press toolsDie holder for four pillar sets主题内容与适用范围
GB/T 2856.6--90
代替GB2856.6-81
本标准规定了冲模滚动导向模座四导柱下模座的材料、技术条件、结构型式和规格。本标准适用于冲模滚动导向模架。引用标准
GB/T12446冲模模架零件技术条件GB9439
灰铸铁件
3模座的材料、技术条件、结构型式和规格3.1材料:HT200GB9439。时效处理两次。3.2
技术条件
按GB/T12446的规定。
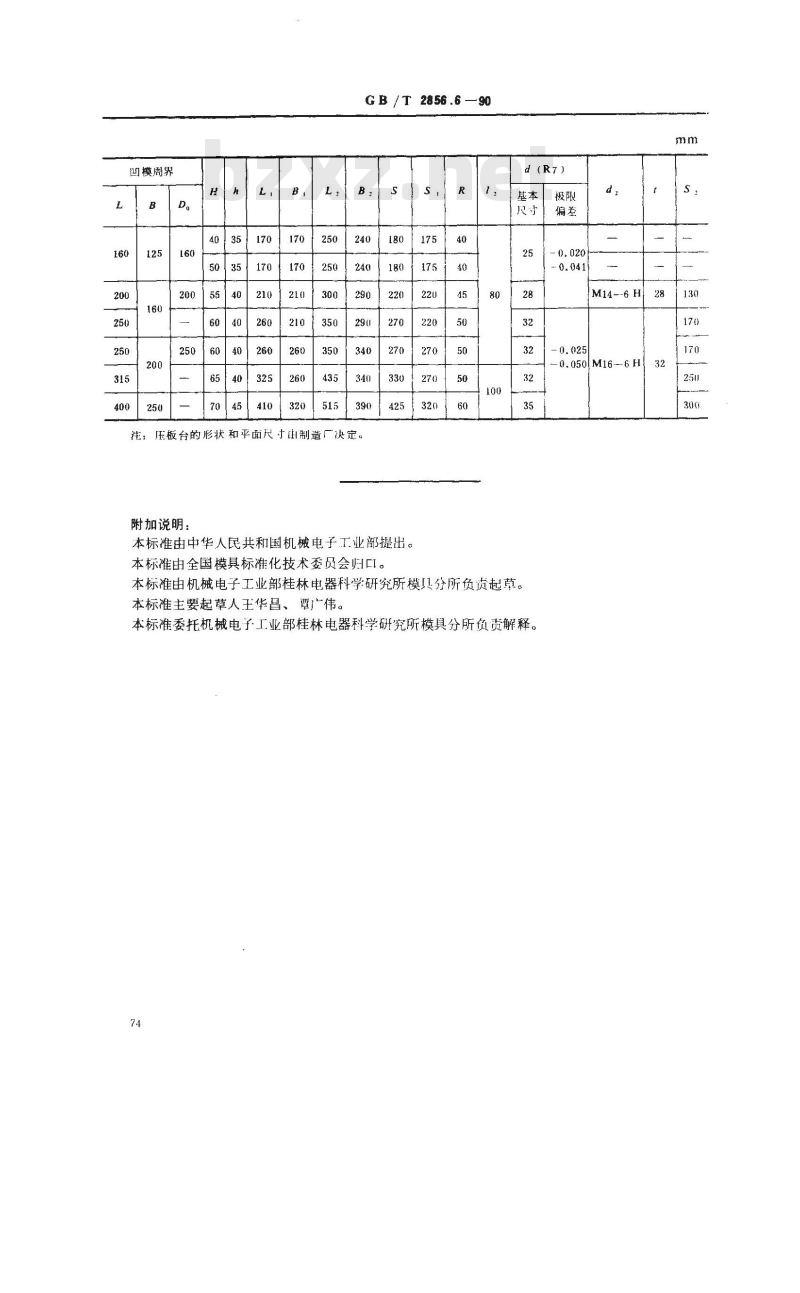
3.3结构型式和规格如图见表。
国家技术监督局1990-07-23批准72
1991-6501实施
GB/T 2856.6--90
3.4标记示例:
凹模周界L=200mm、B=160mm、厚度H=55mm、四导柱下模座:下模座200×160×55GB/T2856.673
凹模周界
4035170wwW.bzxz.Net
20015540
GB/T2856.6—90
注:压板台的形状和平面尺寸比制造厂决定。附加说明:
本标准由中华人民共和国机械电子工业部提出。本标准由全国模具标准化技术委员会归口I。S
本标准由机械电子工业部桂林电器科学研究所模具分所负贡起草。本标准主要起草人王华昌、覃伟。本标准委托机械电子工业部桂林电器科学研究所模具分所负责解释。极限
M14--6 H
0.050|M16--6 H
小提示:此标准内容仅展示完整标准里的部分截取内容,若需要完整标准请到上方自行免费下载完整标准文档。
冲模滚动导向模座
四导柱下模座
Holder for ball slide die sets for press toolsDie holder for four pillar sets主题内容与适用范围
GB/T 2856.6--90
代替GB2856.6-81
本标准规定了冲模滚动导向模座四导柱下模座的材料、技术条件、结构型式和规格。本标准适用于冲模滚动导向模架。引用标准
GB/T12446冲模模架零件技术条件GB9439
灰铸铁件
3模座的材料、技术条件、结构型式和规格3.1材料:HT200GB9439。时效处理两次。3.2
技术条件
按GB/T12446的规定。
3.3结构型式和规格如图见表。
国家技术监督局1990-07-23批准72
1991-6501实施
GB/T 2856.6--90
3.4标记示例:
凹模周界L=200mm、B=160mm、厚度H=55mm、四导柱下模座:下模座200×160×55GB/T2856.673
凹模周界
4035170wwW.bzxz.Net
20015540
GB/T2856.6—90
注:压板台的形状和平面尺寸比制造厂决定。附加说明:
本标准由中华人民共和国机械电子工业部提出。本标准由全国模具标准化技术委员会归口I。S
本标准由机械电子工业部桂林电器科学研究所模具分所负贡起草。本标准主要起草人王华昌、覃伟。本标准委托机械电子工业部桂林电器科学研究所模具分所负责解释。极限
M14--6 H
0.050|M16--6 H
小提示:此标准内容仅展示完整标准里的部分截取内容,若需要完整标准请到上方自行免费下载完整标准文档。
标准图片预览:



- 热门标准
- 国家标准(GB)
- GB/T2828.1-2012 计数抽样检验程序 第1部分:按接收质量限(AQL)检索的逐批检验抽样计划
- GB/T228.1-2021 金属材料 拉伸试验 第1部分:室温试验方法
- GB50367-2013 混凝土结构加固设计规范
- GB/T18204.4-2000 公共场所毛巾、床上卧具微生物检验方法细菌总数测定
- GB/T12053-1989 光学识别用字母数字字符集 第一部分:OCR-A字符集印刷图象的形状和尺寸
- GB/T23892.3-2009 滑动轴承 稳态条件下流体动压可倾瓦块止推轴承 第3部分:可倾瓦块止推轴承计算的许用值
- GB/T9145-2003 普通螺纹 中等精度、优选系列的极限尺寸
- GB/T11839-1989 二氧化铀芯块中硼的测定 姜黄素萃取光度法
- GB50209-2002 建筑地面工程施工质量验收规范
- GB/T6122.1-2002 圆角铣刀 第1部分:型式和尺寸
- GB/T7433-1987 对称电缆载波通信系统抗无线电广播和通信干扰的指标
- GB5725-2009 安全网
- GB13851-2022 内河交通安全标志
- GB/T9239-1988 刚性转子平衡品质 许用不平衡的确定
- GB/T15917.3-1995 金属镝及氧化镝化学分析方法 对氯苯基荧光酮--溴化十六烷基三甲基胺分光光度法测定钽量
- 行业新闻
请牢记:“bzxz.net”即是“标准下载”四个汉字汉语拼音首字母与国际顶级域名“.net”的组合。 ©2025 标准下载网 www.bzxz.net 本站邮件:bzxznet@163.com
网站备案号:湘ICP备2025141790号-2
网站备案号:湘ICP备2025141790号-2