- 您的位置:
- 标准下载网 >>
- 标准分类 >>
- 国家标准(GB) >>
- GB/T 2856.2-1990 冲模滚动导向模座 对角导柱下模座
标准号:
GB/T 2856.2-1990
标准名称:
冲模滚动导向模座 对角导柱下模座
标准类别:
国家标准(GB)
英文名称:
Die rolling guide die seat diagonal guide column lower die seat标准状态:
已作废-
发布日期:
1990-07-23 -
实施日期:
1991-05-01 -
作废日期:
2008-10-01 出版语种:
简体中文下载格式:
.rar.pdf下载大小:
43.25 KB
部分标准内容:
中华人民共和国国家标准
冲模滚动导向模座
对角导柱下模座
Holder for ball slide die sets for press toolsDie holder for dlagonal pillar sets主题内容与适用范围
GB/T 2856.2 --90
代替GB 2856.2-81
本标准规定了冲模滚动导向模座、对角导柱下模座的材料、技术条件、结构型式和规格本标准适用于冲模滚动导向模架。引用标准此内容来自标准下载网
GB/T12446冲模模架零件技术条件GB9439灰铸铁件
3模座的材料、技术条件、结构型式和规格3.1材料:HT 200 GB 9439
时效处理两次。
按GB/T12446的规定。
3.2技术条件
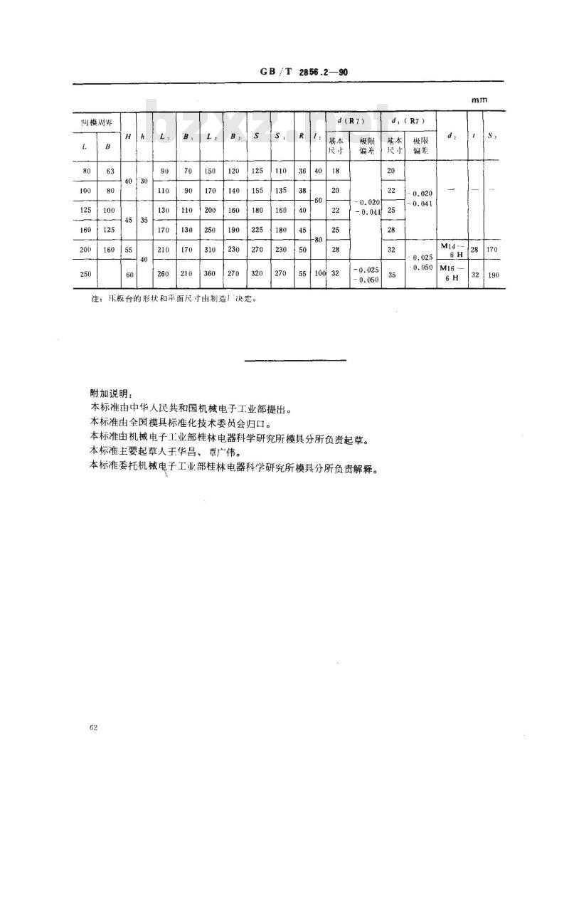
3.3结构型式和规格如图见表。
国家技术监督局1990-07-23批准60
1991-05-01实施
R10~20
GB/T 2856.2-90
3.4标记示例:
凹模周界L=200mm、B=160mm、厚度H=55mm、对角导柱下模座:下模座 200×160×55GB/T2856.261
凹模周界
GB/T2856.2—90
注:所板台的形状和平面尺寸由制造!“决定。s.
附加说明:
本标准由中华人民共和国机械电子工业部提出。R
5510032
d,(R7)
-0.041 25
本标准由全国模具标准化技术委员会归口。本标准由机械电子工业部桂林电器科学研究所模具分所负责起草。本标准主要起草人王华昌、覃广伟。本标准委托机械电子工业部桂林电器科学研究所模具分所负责解释。62
小提示:此标准内容仅展示完整标准里的部分截取内容,若需要完整标准请到上方自行免费下载完整标准文档。
冲模滚动导向模座
对角导柱下模座
Holder for ball slide die sets for press toolsDie holder for dlagonal pillar sets主题内容与适用范围
GB/T 2856.2 --90
代替GB 2856.2-81
本标准规定了冲模滚动导向模座、对角导柱下模座的材料、技术条件、结构型式和规格本标准适用于冲模滚动导向模架。引用标准此内容来自标准下载网
GB/T12446冲模模架零件技术条件GB9439灰铸铁件
3模座的材料、技术条件、结构型式和规格3.1材料:HT 200 GB 9439
时效处理两次。
按GB/T12446的规定。
3.2技术条件
3.3结构型式和规格如图见表。
国家技术监督局1990-07-23批准60
1991-05-01实施
R10~20
GB/T 2856.2-90
3.4标记示例:
凹模周界L=200mm、B=160mm、厚度H=55mm、对角导柱下模座:下模座 200×160×55GB/T2856.261
凹模周界
GB/T2856.2—90
注:所板台的形状和平面尺寸由制造!“决定。s.
附加说明:
本标准由中华人民共和国机械电子工业部提出。R
5510032
d,(R7)
-0.041 25
本标准由全国模具标准化技术委员会归口。本标准由机械电子工业部桂林电器科学研究所模具分所负责起草。本标准主要起草人王华昌、覃广伟。本标准委托机械电子工业部桂林电器科学研究所模具分所负责解释。62
小提示:此标准内容仅展示完整标准里的部分截取内容,若需要完整标准请到上方自行免费下载完整标准文档。
标准图片预览:



- 热门标准
- 国家标准(GB)
- GB50303-2015 建筑电气工程施工质量验收规范
- GB/T15549-2022 感官分析 方法学 检测和识别气味方面评价员的入门和培训
- GB2548-2008 敌敌畏乳油
- GB/T12991.1-2008 信息技术 数据库语言 SQL 第1部分: 框架
- GB16895.13-2012 低压电气装置 第7-701部分 特殊装置或场所的要求 装有浴盆和淋浴的场所
- GB/T12611-2008 金属零(部)件镀覆前质量控制技术要求
- GB/T40094.2-2021 电子商务数据交易第2部分:数据描述规范
- GB/T33588.3-2020 雷电防护系统部件(LPSC)第3部分:隔离放电间隙(ISG)的要求
- GB/T39275-2020 电力电子系统和设备有源馈电变流器(AIC)应用的运行条件和特性
- GB/T29077-2024 星箭界面飞行环境遥测数据处理要求
- GB24500-2020 工业锅炉能效限定值及能效等级
- GB4706.7-1999 家用和类似用途电器的安全真空吸尘器和吸水式清洁器的特殊要求
- GB/T2481.2-1998 固结磨具用磨料 粒度组成的检测和标记 第2部分:微粉F230?F1200
- GB/T2855.8-1990 冲模滑动导向模座 后侧导柱窄形下模座
- GB/T3047.3-2003 高度进制为20mm的插箱、插件基本尺寸系列
- 行业新闻
请牢记:“bzxz.net”即是“标准下载”四个汉字汉语拼音首字母与国际顶级域名“.net”的组合。 ©2025 标准下载网 www.bzxz.net 本站邮件:bzxznet@163.com
网站备案号:湘ICP备2025141790号-2
网站备案号:湘ICP备2025141790号-2