- 您的位置:
- 标准下载网 >>
- 标准分类 >>
- 环境保护行业标准(HJ) >>
- HJ/T 103-2003 总磷水质自动分析仪技术要求
标准号:
HJ/T 103-2003
标准名称:
总磷水质自动分析仪技术要求
标准类别:
环境保护行业标准(HJ)
标准状态:
现行-
发布日期:
2003-03-28 -
实施日期:
2003-07-01 出版语种:
简体中文下载格式:
.rar.pdf下载大小:
1.44 MB
中标分类号:
建材>>公用与市政建设器材设备>>Q81供水、排水器材设备

部分标准内容:
中华人民共和国环境保护行业标准HJ/T103—2003
总磷水质自动分析仪技术要求
The technical requirement forwater quality aulomatic analyzer of total phosphorous2003-03-28发布
国家环境保护总局
2003-07-01实施
国家环境保护总局关于发布
《pH水质自动分析仪技术要求》等9项环境保护行业标准的公告
环发【2003】57号
为贯彻《中华人民共和国环境保护法》和《中华人民共和国水污染防治法》,提高环境监测工作能力,加强环境管理,保护水环境,现批准《pH水质自动分析仪技术要求》等9项标准为环境保扩行业标准,并子以发布:
标准编号、名称如下:
PH水质自动分析仪技术要求
HJ/T96—2003
电导率水质自动分析仪技术要求HI/T97—2003
HJ/T98—2003
HJ/T99—2003
HJ/T100—2003
HJ/T101—2003
HJ/T102—2003
HJ/T103—2003
HJ/T104—2003
浊度水质自动分析仪技术要求
溶解氧(DO)水质自动分析仪技术要求高锰酸盐指数水质自动分析仪技术要求氨氮水质自动分析仪技术要求
总氮水质自动分析仪技术要求
总磷水质自动分析仪技术要求
总有机碳(TOC)水质自动分析仪技术要求以上标准为推荐性标准,由中国环境科学出版社出版,自2003年7月1日起实施。特此公告。
2003年3月28月
HI/T103—2003
为贯彻执行《中华人民共和国环境保护法》、《中华人民共和国水污染防治法》,提高我国水环境监测工作的能力,实现水质监测的自动化和现代化,以期达到地表水水质预警监测、污染源总量监测与控制的目的,制订本标准。本标准规定了总磷水质自动分析仪的研制生产以及性能检验、选型使用、日常校核等方面的主要技术要求
本标准出国家环境保护总局科技标准司提出。本标准由中国环境监测总站负责起草本标准由国家环境保护总局负责解释1范围
总磷水质自动分析仪技术要求
HJ/T1032003
本技术要求规定了地表水,工业污水税声政污水的总雷水质自动分析仪的技术性能要求和性信试验方法,适用于该类仪器的研制生产和性维检验2规范性引用文件
下列文件中的条款通过车标准的引用需或为本标准的条款,凡是注日期的引用文件,其随后所有的够改单(不包括动误的内容)或修订版均不适用于本标准,感面,鼓励本标准达成协议的各方研定是否可使用这然文件的最新版本:凡是不注日期的引用文件,其最新版本适用于本标准GB11893-89水质总磷的测定钼酸铵分光光度法3术语和定义
下列术语和定义适用于本标准。3.1试样
指导人白动分析仪的地表水、工业污水和市政污水。3.2校正液
为了获得与试样总磷浓度相同的指示值所配制的校正液,有以下几种。3.2.1零点校正液。
3.2.2量程校正液。
3.3零点漂移
指采用本技术要求中规定的零点校正液为试样连续测试,自动分所仪的指示值在一定时间内变化的大小相对于量程的百分率。3.4旦程漂移
指采用本技术要求中规定的量理校正液为试样连续测试,相对于自动分析的测定望程,仪器指示在一定时间内变化的大小相对于量程的百分率3.5平均无故障连续运行时间
指自动分析仪在检验期间的总运行时间(h)与发生故障次数(次)的比值,以“MTBF”表示。单位为:h/次。
4测定范围
测定最小范围:0~50mg/L
5工作电压与频率
工作电压为单相(220±20)V,频率为(50±0.5)Hz6性能
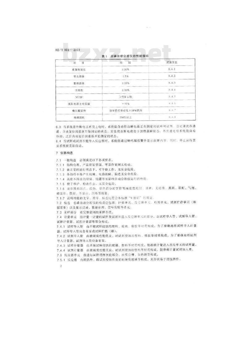
当采用第8项试验时,总磷自动分析仪的性能必须满足表1的技术要求。6.1
系统具有设定、校对和显示时间功能,包括年、月、目和时、分。6.2
HJ/T103—2003
重复性误差
零点源移
量程源移
直线性
实际水样比对实验
电压稳定性
绝缘阻抗
表1总磷自动分析仪的性能指标
指示估的变动在±10%以内
5Mn以上
试验方法
6.3当系统意外斯电且再度上电时,系统能白动排出断电前正在测定的试样和试剂,日动清洗各通道、自动复位到重新开始测定的状态,若系统在断电前处于加热消解状态,再次通电后系统能自动冷动,之后自动复位到重新开始测定的状态,6.4当试样或试剂不能导人反应器时,系统能通过蜂鸣器报警并显示故障内容,同时,停止运行直至系统被重新启动。
7仪器构造
7.1一般构造
必须满足以下各项要求。
7.1.1结构合理,产品组装坚固、零部件紧固无松动。7.1.2在正常的运行状态下,可平秘工作,无安全危险。7.1.3各部件不易产生机械、电路故障,构造无安全危险。7.1.4具有不因水的浸湿、结露等而影响白动分析仪运行的性能7.1.5便于维护,检查作业。无安全危险。7.1.6显示器无污点、损伤。显示部分的字符等国亮度均、清带;无暗角、黑斑,彩虹、气泡暗显示、隐划、不显示、闪烁等现象7.1.7说明功能的文字、符号、标志应符合本标准“9标识”的定:总磷自动分析仪的构成应包括:计量单元、反应器单元,检测单元、试剂此存单元(根7.2构造
据需要)以及显示记录、数据处理、信号传输等单元。有完整密闭的采样系统。
7.3采样部分
7.4计量单元指计量一定量的试样及试剂并送人反应器单元的部分,由试样导人管、试剂导人管、试样计量器、试剂计量器等部分构成。7.4.1试样导入管由不被试样侵蚀的塑料、玻璃、橡胶等材质构成,为了准确地将试样导人计量器,试样导人管应备有系或试样贮精(罐)。7.4.2试剂导入管由玻璃或性能优良、谢试剂侵蚀的塑料、橡胶等材质构成,为了准确地将试剂导人计量器,试剂导人管应备有泵由不被试样侵蚀的鼓璃、塑料等材质构成,能准确计量进人反应单元的试样量。7.4.3试样计量器
由我瑞或性能优良、耐试剂侵蚀的塑料等材质构成,能准确计量试剂加入量。7.4.4试剂计量器
指进行试样消解氧化部分,由反应槽、加热器等构成。7.5反应器单元
7.5.1反应槽由耐热性、耐试剂侵蚀性良好的便质玻璃等构成,其形状易于清洗操作。2
HJ/T103—2003
7.5.2加热器在环境温度为25C情况下,具有当试剂加人10min后,能使反应槽内液休温度上升85C以1:当试剂加人15min后,能使反应槽内液体益度上升95C以上的加热特性.7.6检测单由紫外可地分光光度计等构成:7.6,1终点指示器(如:紫外可见分光光度计)。具有将测定值转换成电信号输出的功能,其构造可调整测定范函,7.6.2信号转换券
由过硫酸钾溶液,磷标准溶液,抗坏血酸落液,铅酸铵等的贮存槽维成,所用7.7试剂存单元
材质具有不受各贮存试剂仅也的性能。贮存的试剂基能保证运行1周以上:具有将总爆测定值按比例转换成直流电压或电流输出,或将测定值品示或记录7.8显示记录单元
下来的功能。
7.9据传输装骨
有完整的数据采集,传输系统
7.10附感装置根据书妥要,白动分析仪可配置京样稀释和白动清洗等装置8检验方法
8.1试验条件
在10~40之间,温度变化幅度在+5℃/d以内:8.1.1环境温度
在(65±20)%以内
8.1.2相对刘湿度
8.1.3电压规定的电压220-20)V日.1.4电源赖率规定的额率(50士0.5)[I2。日:1.5仪器顶热时间按说明书规定的时间,8.2试剂
8.2.1本,蒸留水。
友采用821的水。
8.2.2本点校正液
8.2.3量程校正液采用80%量程值的溶液。出浓理为50.0mg/L的总家标准贮备溶液稀释获得。该落液作8.2.4总优标准液(25.0mg/L)
为直线性试验溶液,
8.2.5其余试剂按照GB1189389方达或仪器制造商提供的方法配制8:3试验准备及校正
接通电源后,按操作说明书规定的预热时问进行自动分析仪的预热运行,以8.3.1仪器期热运行
使各部分功能及显示记录单元稳定:8.3.2校正按仪器说明书的校正方法,用8.2.2和8.2.3校正液进行议帮零点校正和量程校正。8.4性能试验方法
在81的试验条价下,测定零点校正液6次,各次指示值作为岑值。在相同条8.4.1重复性误差
件下,测定出极法量程校止液6次,以各次测量值(扣除零值后)计算相对标准偏差。8.4.2零点漂移,采用零点校正液,连续测定24h。利用该段时间内的初期零值(最初的3次测定值的平均俏),计算最大变化幅度租对于量程值的百分率,8.4.3量程漂移,采用量程校正,于需点漂移试验的前后分别测定3次,计算平均值:出减去零点漂移或分后的变化幅度,求出相对于量程值的分率。8.4.4直线性将分析仪校正等点和量程后,导人直线性试验落液,读取稳定后的指示值。求出该指示值对应的总磷浓度与直线性试验溶液的总浓度之差相对丁量程值的百分率。8.4.5平均无故障连续运行时间采用实际水样:连续运行2个月,记录总运行时间(h)和故次数(次),计克平均无故障连继运行时间(MIHF)2720h/饮(此项指标可在现场进行考核)8.4.6实际水样比刘实验选择5种或5种以上实际水样,分别以自动监测仪幕与国标片法(GB11894一89)对每种水样的高,中、低二种浓度水下进行比对实验,每种水样在高,中、低一种浓度3
HJ/T103—2003
水平下的比对实验次数应分别不少于15次,计算该种水样相对误差绝对值的平均值(A)。比对实验过程应保延自动分析仪与国家推荐方法测试水样的一致性。EIX-B
第元次测量值:
式中:X。
B——水样以国标方法(GB11893—89)测定所得测量值:比对实验次数。
生采用量程校正液,在指示值稳定后。加上高于或低于规定电压8.4.7相对于电压波动的稳定性
10%的电源电压时,读取指示值,分别测定3次,计算各测定值与平均值之差箱对于量程值的百分率。
8.4.8绝缘阻抗在正常环境下,在关闭自动分析仪电路状态时:采用黑家视定的阻抗计测量(直流500V绝缘阻抗计)电源相与机壳(接地端)之间的绝缘阻抗:9标识下载标准就来标准下载网
在仪器上,必须在醒目处端正地表示以下有关事项,并符合国家的有关规定9.1
名称及型号。
9.2测定对象。
9.3酒定范围。
9.4使用温度范围
电源类别及容量。
制造商名称。
生产日期和批号
9.8信号输出种类(必要时)。
10操作说明书
操作说明书中,至少必额说明以下有关事项。10:1安装场所的选择。
10:2试样流量。
10.3配管及配线。
预热时间。
10.5使用方法。
10.5.1测定的准备及校正方法。10.5.2校正液的配制方法。
10.5.3测定操作方法。
10.5.4测定停止时的处置。
10.6维护检查。
10.6.1日常检查方法。
10.6.2定期检查方法。
10.6.3反应系统的清洗。
10.6.4故障时的对策。
10.7其他使用上应注意的事项。11校验
重现性、漂移和响应时间校准周期为每月至少进行一次现场校验,可自动校准或手11.1日常校验:
工校准。
HUJ/T 103—2003
11.2监督校验安装的连续监测系统须定期进行校验,并将定期校验结果报送相应的环境保护行政主管部门。定期校验由具有相应资质的监测机构承担定期校验主要包括按环境监测技术规范进行现场比对测试、对运行数据和日常运行记录审核检查等。
小提示:此标准内容仅展示完整标准里的部分截取内容,若需要完整标准请到上方自行免费下载完整标准文档。
总磷水质自动分析仪技术要求
The technical requirement forwater quality aulomatic analyzer of total phosphorous2003-03-28发布
国家环境保护总局
2003-07-01实施
国家环境保护总局关于发布
《pH水质自动分析仪技术要求》等9项环境保护行业标准的公告
环发【2003】57号
为贯彻《中华人民共和国环境保护法》和《中华人民共和国水污染防治法》,提高环境监测工作能力,加强环境管理,保护水环境,现批准《pH水质自动分析仪技术要求》等9项标准为环境保扩行业标准,并子以发布:
标准编号、名称如下:
PH水质自动分析仪技术要求
HJ/T96—2003
电导率水质自动分析仪技术要求HI/T97—2003
HJ/T98—2003
HJ/T99—2003
HJ/T100—2003
HJ/T101—2003
HJ/T102—2003
HJ/T103—2003
HJ/T104—2003
浊度水质自动分析仪技术要求
溶解氧(DO)水质自动分析仪技术要求高锰酸盐指数水质自动分析仪技术要求氨氮水质自动分析仪技术要求
总氮水质自动分析仪技术要求
总磷水质自动分析仪技术要求
总有机碳(TOC)水质自动分析仪技术要求以上标准为推荐性标准,由中国环境科学出版社出版,自2003年7月1日起实施。特此公告。
2003年3月28月
HI/T103—2003
为贯彻执行《中华人民共和国环境保护法》、《中华人民共和国水污染防治法》,提高我国水环境监测工作的能力,实现水质监测的自动化和现代化,以期达到地表水水质预警监测、污染源总量监测与控制的目的,制订本标准。本标准规定了总磷水质自动分析仪的研制生产以及性能检验、选型使用、日常校核等方面的主要技术要求
本标准出国家环境保护总局科技标准司提出。本标准由中国环境监测总站负责起草本标准由国家环境保护总局负责解释1范围
总磷水质自动分析仪技术要求
HJ/T1032003
本技术要求规定了地表水,工业污水税声政污水的总雷水质自动分析仪的技术性能要求和性信试验方法,适用于该类仪器的研制生产和性维检验2规范性引用文件
下列文件中的条款通过车标准的引用需或为本标准的条款,凡是注日期的引用文件,其随后所有的够改单(不包括动误的内容)或修订版均不适用于本标准,感面,鼓励本标准达成协议的各方研定是否可使用这然文件的最新版本:凡是不注日期的引用文件,其最新版本适用于本标准GB11893-89水质总磷的测定钼酸铵分光光度法3术语和定义
下列术语和定义适用于本标准。3.1试样
指导人白动分析仪的地表水、工业污水和市政污水。3.2校正液
为了获得与试样总磷浓度相同的指示值所配制的校正液,有以下几种。3.2.1零点校正液。
3.2.2量程校正液。
3.3零点漂移
指采用本技术要求中规定的零点校正液为试样连续测试,自动分所仪的指示值在一定时间内变化的大小相对于量程的百分率。3.4旦程漂移
指采用本技术要求中规定的量理校正液为试样连续测试,相对于自动分析的测定望程,仪器指示在一定时间内变化的大小相对于量程的百分率3.5平均无故障连续运行时间
指自动分析仪在检验期间的总运行时间(h)与发生故障次数(次)的比值,以“MTBF”表示。单位为:h/次。
4测定范围
测定最小范围:0~50mg/L
5工作电压与频率
工作电压为单相(220±20)V,频率为(50±0.5)Hz6性能
当采用第8项试验时,总磷自动分析仪的性能必须满足表1的技术要求。6.1
系统具有设定、校对和显示时间功能,包括年、月、目和时、分。6.2
HJ/T103—2003
重复性误差
零点源移
量程源移
直线性
实际水样比对实验
电压稳定性
绝缘阻抗
表1总磷自动分析仪的性能指标
指示估的变动在±10%以内
5Mn以上
试验方法
6.3当系统意外斯电且再度上电时,系统能白动排出断电前正在测定的试样和试剂,日动清洗各通道、自动复位到重新开始测定的状态,若系统在断电前处于加热消解状态,再次通电后系统能自动冷动,之后自动复位到重新开始测定的状态,6.4当试样或试剂不能导人反应器时,系统能通过蜂鸣器报警并显示故障内容,同时,停止运行直至系统被重新启动。
7仪器构造
7.1一般构造
必须满足以下各项要求。
7.1.1结构合理,产品组装坚固、零部件紧固无松动。7.1.2在正常的运行状态下,可平秘工作,无安全危险。7.1.3各部件不易产生机械、电路故障,构造无安全危险。7.1.4具有不因水的浸湿、结露等而影响白动分析仪运行的性能7.1.5便于维护,检查作业。无安全危险。7.1.6显示器无污点、损伤。显示部分的字符等国亮度均、清带;无暗角、黑斑,彩虹、气泡暗显示、隐划、不显示、闪烁等现象7.1.7说明功能的文字、符号、标志应符合本标准“9标识”的定:总磷自动分析仪的构成应包括:计量单元、反应器单元,检测单元、试剂此存单元(根7.2构造
据需要)以及显示记录、数据处理、信号传输等单元。有完整密闭的采样系统。
7.3采样部分
7.4计量单元指计量一定量的试样及试剂并送人反应器单元的部分,由试样导人管、试剂导人管、试样计量器、试剂计量器等部分构成。7.4.1试样导入管由不被试样侵蚀的塑料、玻璃、橡胶等材质构成,为了准确地将试样导人计量器,试样导人管应备有系或试样贮精(罐)。7.4.2试剂导入管由玻璃或性能优良、谢试剂侵蚀的塑料、橡胶等材质构成,为了准确地将试剂导人计量器,试剂导人管应备有泵由不被试样侵蚀的鼓璃、塑料等材质构成,能准确计量进人反应单元的试样量。7.4.3试样计量器
由我瑞或性能优良、耐试剂侵蚀的塑料等材质构成,能准确计量试剂加入量。7.4.4试剂计量器
指进行试样消解氧化部分,由反应槽、加热器等构成。7.5反应器单元
7.5.1反应槽由耐热性、耐试剂侵蚀性良好的便质玻璃等构成,其形状易于清洗操作。2
HJ/T103—2003
7.5.2加热器在环境温度为25C情况下,具有当试剂加人10min后,能使反应槽内液休温度上升85C以1:当试剂加人15min后,能使反应槽内液体益度上升95C以上的加热特性.7.6检测单由紫外可地分光光度计等构成:7.6,1终点指示器(如:紫外可见分光光度计)。具有将测定值转换成电信号输出的功能,其构造可调整测定范函,7.6.2信号转换券
由过硫酸钾溶液,磷标准溶液,抗坏血酸落液,铅酸铵等的贮存槽维成,所用7.7试剂存单元
材质具有不受各贮存试剂仅也的性能。贮存的试剂基能保证运行1周以上:具有将总爆测定值按比例转换成直流电压或电流输出,或将测定值品示或记录7.8显示记录单元
下来的功能。
7.9据传输装骨
有完整的数据采集,传输系统
7.10附感装置根据书妥要,白动分析仪可配置京样稀释和白动清洗等装置8检验方法
8.1试验条件
在10~40之间,温度变化幅度在+5℃/d以内:8.1.1环境温度
在(65±20)%以内
8.1.2相对刘湿度
8.1.3电压规定的电压220-20)V日.1.4电源赖率规定的额率(50士0.5)[I2。日:1.5仪器顶热时间按说明书规定的时间,8.2试剂
8.2.1本,蒸留水。
友采用821的水。
8.2.2本点校正液
8.2.3量程校正液采用80%量程值的溶液。出浓理为50.0mg/L的总家标准贮备溶液稀释获得。该落液作8.2.4总优标准液(25.0mg/L)
为直线性试验溶液,
8.2.5其余试剂按照GB1189389方达或仪器制造商提供的方法配制8:3试验准备及校正
接通电源后,按操作说明书规定的预热时问进行自动分析仪的预热运行,以8.3.1仪器期热运行
使各部分功能及显示记录单元稳定:8.3.2校正按仪器说明书的校正方法,用8.2.2和8.2.3校正液进行议帮零点校正和量程校正。8.4性能试验方法
在81的试验条价下,测定零点校正液6次,各次指示值作为岑值。在相同条8.4.1重复性误差
件下,测定出极法量程校止液6次,以各次测量值(扣除零值后)计算相对标准偏差。8.4.2零点漂移,采用零点校正液,连续测定24h。利用该段时间内的初期零值(最初的3次测定值的平均俏),计算最大变化幅度租对于量程值的百分率,8.4.3量程漂移,采用量程校正,于需点漂移试验的前后分别测定3次,计算平均值:出减去零点漂移或分后的变化幅度,求出相对于量程值的分率。8.4.4直线性将分析仪校正等点和量程后,导人直线性试验落液,读取稳定后的指示值。求出该指示值对应的总磷浓度与直线性试验溶液的总浓度之差相对丁量程值的百分率。8.4.5平均无故障连续运行时间采用实际水样:连续运行2个月,记录总运行时间(h)和故次数(次),计克平均无故障连继运行时间(MIHF)2720h/饮(此项指标可在现场进行考核)8.4.6实际水样比刘实验选择5种或5种以上实际水样,分别以自动监测仪幕与国标片法(GB11894一89)对每种水样的高,中、低二种浓度水下进行比对实验,每种水样在高,中、低一种浓度3
HJ/T103—2003
水平下的比对实验次数应分别不少于15次,计算该种水样相对误差绝对值的平均值(A)。比对实验过程应保延自动分析仪与国家推荐方法测试水样的一致性。EIX-B
第元次测量值:
式中:X。
B——水样以国标方法(GB11893—89)测定所得测量值:比对实验次数。
生采用量程校正液,在指示值稳定后。加上高于或低于规定电压8.4.7相对于电压波动的稳定性
10%的电源电压时,读取指示值,分别测定3次,计算各测定值与平均值之差箱对于量程值的百分率。
8.4.8绝缘阻抗在正常环境下,在关闭自动分析仪电路状态时:采用黑家视定的阻抗计测量(直流500V绝缘阻抗计)电源相与机壳(接地端)之间的绝缘阻抗:9标识下载标准就来标准下载网
在仪器上,必须在醒目处端正地表示以下有关事项,并符合国家的有关规定9.1
名称及型号。
9.2测定对象。
9.3酒定范围。
9.4使用温度范围
电源类别及容量。
制造商名称。
生产日期和批号
9.8信号输出种类(必要时)。
10操作说明书
操作说明书中,至少必额说明以下有关事项。10:1安装场所的选择。
10:2试样流量。
10.3配管及配线。
预热时间。
10.5使用方法。
10.5.1测定的准备及校正方法。10.5.2校正液的配制方法。
10.5.3测定操作方法。
10.5.4测定停止时的处置。
10.6维护检查。
10.6.1日常检查方法。
10.6.2定期检查方法。
10.6.3反应系统的清洗。
10.6.4故障时的对策。
10.7其他使用上应注意的事项。11校验
重现性、漂移和响应时间校准周期为每月至少进行一次现场校验,可自动校准或手11.1日常校验:
工校准。
HUJ/T 103—2003
11.2监督校验安装的连续监测系统须定期进行校验,并将定期校验结果报送相应的环境保护行政主管部门。定期校验由具有相应资质的监测机构承担定期校验主要包括按环境监测技术规范进行现场比对测试、对运行数据和日常运行记录审核检查等。
小提示:此标准内容仅展示完整标准里的部分截取内容,若需要完整标准请到上方自行免费下载完整标准文档。

标准图片预览:





- 其它标准
- 热门标准
- 环境保护行业标准(HJ)
- HJ2048-2015 饮料制造废水治理工程技术规范
- HJ/T166-2004 土壤环境监测技术规范
- HJ778-2015 水质 碘化物的测定 离子色谱法
- HJ/T62-2001 饮食业油烟净化设备技术要求及检测技术规范(试行)
- HJ605-2011 土壤和沉积物 挥发性有机物的测定
- HJ596.5-2010 水质 词汇 第五部分
- HJ/T180-2005 城市机动车排放空气污染测算方法
- HJ464-2009 建设项目竣工环境保护验收技术规范 水利水电
- HJ826-2017 水质 阴离子表面活性剂的测定 流动注射-亚甲基蓝分光光度法
- HJ1005-2018 环境空气降水中阳离子 (Na+、 NH4+、K+、Mg2+、 Ca2+) 的测定 离子色谱法
- HJ781-2016 固体废物 22种金属元素的测定 电感耦合等离子体发射光谱法
- HJ685-2014 固定污染源废气 铅的测定 火焰原子吸收分光光度法
- HJ645-2013 环境空气 挥发性卤代烃的测定 活性炭吸附-二硫化碳解吸/气相色谱法
- HJ/T185-2006 清洁生产标准 纺织业(棉印染)
- HJ/T323-2006 环境保护产品技术要求 电除雾器
- 行业新闻
请牢记:“bzxz.net”即是“标准下载”四个汉字汉语拼音首字母与国际顶级域名“.net”的组合。 ©2009 标准下载网 www.bzxz.net 本站邮件:bzxznet@163.com
网站备案号:湘ICP备2023016450号-1
网站备案号:湘ICP备2023016450号-1