- 您的位置:
- 标准下载网 >>
- 标准分类 >>
- 机械行业标准(JB) >>
- JB/T 9154-1999 埋刮板输送机用叉型链、刮板和链轮
标准号:
JB/T 9154-1999
标准名称:
埋刮板输送机用叉型链、刮板和链轮
标准类别:
机械行业标准(JB)
英文名称:
Fork chain, scraper and sprocket for buried scraper conveyor标准状态:
已作废-
发布日期:
1999-06-28 -
实施日期:
2000-01-01 -
作废日期:
2008-11-01 出版语种:
简体中文下载格式:
.rar.pdf下载大小:
206.14 KB
标准ICS号:
机械系统和通用件>>挠性传动和传送>>21.220.30链传动及其零件中标分类号:
机械>>通用零部件>>J18链传动、皮带传动与键联结
点击下载
标准简介:
标准下载解压密码:www.bzxz.net
本标准规定了埋刮板输送机用叉型链及其刮板的结构型式、基本参数和主要技术要求。同时规定了叉型链链轮的齿槽形状、基本参数和主要尺寸及公差。本标准适用于GB/T 10596.1规定的埋刮板输送机用叉型链条、刮板和链轮(以下分别简称链条刮板和链轮)。 JB/T 9154-1999 埋刮板输送机用叉型链、刮板和链轮 JB/T9154-1999
部分标准内容:
JB/T9154-1999
本标准是对ZBJ18006--90《埋刮板输送机用叉型链、刮板和链轮》的修订。修订时仅对原标准做了编辑性的修改,主要技术内容没有变化。本标准自实施之日起代替ZBJ18006—90。本标准的附录A是标准的附录。
本标准由全国链传动标准化技术委员会提出并归口。本标准起草单位:吉林工业大学链传动研究所。本标雄主要起草人:杨刚、王义行、李基玉、周宜生。324
1范围
中华人民共和国机械行业标准
埋刮板输送机用
叉型链、刮板和链轮
Drag chains ,types Y,drags and chain wheelsJB/T9154—1999
代替ZBJ18 006-90
本标准规定了埋刮板输送机用叉型链及其刮板的结构型式、基本参数和主要技术要求。同时规定了叉型链链轮的齿槽形状、基本参数和主要尺寸及公差。本标准适用于GB/T10596.1规定的埋刮板输送机用叉型链条、刮板和链轮(以下分别简称链条、刮板和链轮)。
2引用标准
下列标准所包含的条文,通过在本标准中引用而构成为本标准的条文。本标准出版时,所示版本均为有效。所有标准都会被修订,使用本标准的各方应探讨使用下列标准最新版本的可能性。GB/T985-1988气焊、手工电弧焊及气体保护焊焊缝坡口的基本型式尺寸GB/T1184—1996形状和位置公差未注公差值GB/T1800.31998公差与配合基础第3部分:标准公差与基本偏差数值表GB/T18011979公差与配合尺寸至500mm孔、轴公差带与配合GB/T1804-1992
一般公差线性尺寸的未注公差
GB/T 9785—1988
链条、链轮术语
GB/T10596.1—1989埋刮板输送机3术语
型式与基本参数
本标准的术语见图1、表1~表4,同时符合GB/T9785的规定。4链条
4.1结构型式
链条由刮板链节或由刮板链节与电引链节的不同组合连接而成。刮板链节由链杆、刮板、销轴、垫圈和止锁件等零件构成。曳引链节除不带刮板外,其他与刮板链节相同。链条的结构型式及组成零件(以V形刮板为例)见图1,图中所示不完全反映零件的实际形状。4.2基本参数和主要尺寸
链条的规格、基本参数和主要尺寸规定见表1,其参数代号见图2。国家机械工业局1999-06-28批准2000-01-01实施
MCL112
MCL160
MCL224
MCL315
MCL630
MCL900
JB/T9154-1999
链杆头
(公称)
止锁件
(公称)
链杯链杆
柄宽「孔径槽深
链号由字丹与数字组成,字母为埋刮板叉型链条的汉语拼音罕头代号,数字表示由干牛顿(k.V)计的最小抗拉载荷。
链杆厚度S供设计链轮参考
4.3标记
4.3.1标记方法
链条的标记方法规定如下:
4.3.2标记示例
JB/T 9154 -- 1999
标准编号
刮板型式代号及安装间隔数(间隔为零时无后缀)-链节数
链节距
最小抗拉载荷为160kN、节距为200mm、250节、T形刮板间隔数为2的埋刮板输送机用义型链条:MCL.160X200-250T2JB/T9154—19994.4技术要求
4.4.1最小抗拉载荷
未经使用的链段在连续缓慢施加拉伸载荷的作用下,最小抗拉载荷应达到表1的规定有效受拉链段至少应有3个链节,锻段两端同试验机夹头的连接必须保证在链条零件上不产生附加应力。试验时,如在与夹头连接的链节处损坏,则试验无效。经试验的链条不能再使用。4.4.2链长精度
链长精度应按下列要求进行测量:a)测量前链条应经过清理;
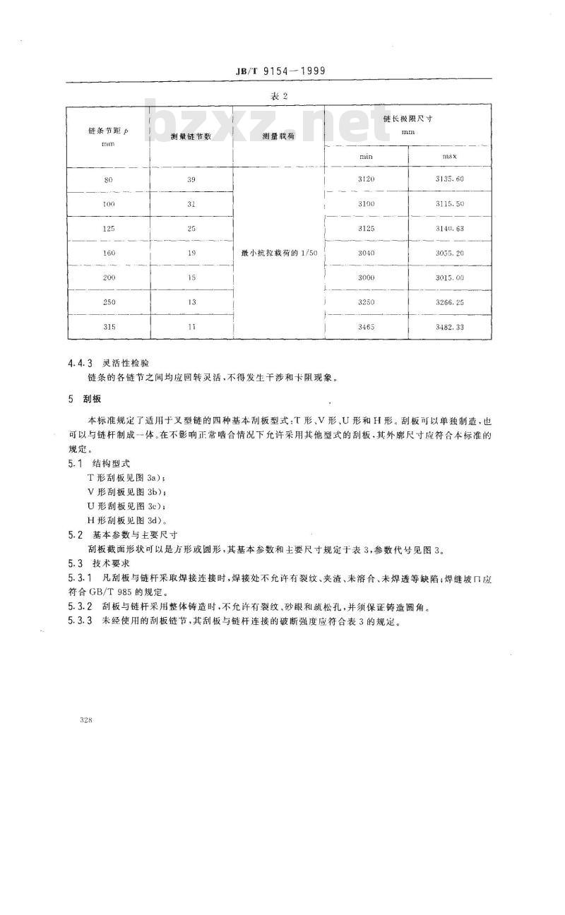
b)被测链条应水平放置,并在测量链段内得到支撑;c)施加测量载荷后,测量链杆与链轮啮合部位同侧母线间的距离;d)测量链节数、测量载荷和链长实际尺寸应符合表2的规定。327
链条节距p
4.4.3灵活性检验
测量链节数
JB/T 9154-1999
测量载荷
最小抗拉载荷的1/50
链条的各链节之间均应回转灵活,不得发生干涉和卡阻现象。5刮板
链长极限尺寸
本标准规定了适用于叉型链的四种基本刮板型式:T形、V形、U形和H形。刮板可以单独制造,也可以与链杆制成一体。在不影响正常啮合情况下允许采用其他型式的刮板,其外廓尺寸应符合本标准的规定。
5.1结构型式
T形刮板见图3a):
V形刮板见图3b);
U形刮板见图3c);
H形刮板览图3d)。
5.2基本参数与主要尺寸
刮板截面形状可以是方形或圆形,其基本参数和主要尺寸规定于表3,参数代号见图3。5.3技术要求
5.3.1凡刮板与链杆采取焊接连接时,焊接处不允许有裂纹、夹渣、未溶合、未焊透等缺陷;焊缝坡口应符合GB/T985的规定。
5.3.2刮板与链杆采用整体铸造时,不允许有裂纹、砂眼和疏松孔,并须保证铸造圆角。5.3.3未经使用的刮板链节,其刮板与链杆连接的破断强度应符合表3的规定。328
JB/T 9154—1999
a)T形
b)V形
c)U形
d)H形
80|100125160200250315
JB/T 9154.--- 1999
U形、V形、H形
刮板高度
注:T型刮板高度H与链杆高度相等6链轮
6.1齿槽形状
2901330
U形、V形、
1形刮板截面
的直径
或边宽
12~-18
16~-20
!形板与
U形、V形、H形
T形刮
刮叛与链连接处)链杆连接处
板厚度
破断载荷
破断载荷
链轮的齿槽形状和参数见图4和表4、表5。允许采用经实际使用表明具有良好啮合性能的其他链轮齿槽形状。
链轮计算节距
链轮齿数
计算分度圆直径
啮合圆直径
辅助圆直径
齿项圆直径
齿沟槽直径
齿形圆弧半径
齿根圆孤半径
齿项长度
齿沟槽宽
齿顶圆弧半径
齿底圆弧半径
齿槽圆角半径
链杆头半径。
链杆厚度
JB/T 9154—1999
计算公式或说明
常用齿数范围8~12.最少齿数不得少于6in(180°/z)
d'=d.-o.2p.
d.--d.+o.5d.+(0~6)mm
(de75)
da=d+0.25d。+(0~10)mm(do≥>75)dg md.cos 180°_ do
r。=p—ri,其圆心应在辅助圆的圆周上ri=0.505d
E=(0. 6~0.8)d
bg--(1. 5~2)S
bt-(4-4.5)S下载标准就来标准下载网
rx=(2~3)mm
r;=: (8~10)mm
r,=(2~3)mm
系数,在1.4~2.0之间,参见附录A(标准的附录):链轮基本节距的最大原始偏差,在(0.00250.008)之间,参见附录A。AK
轴向齿廓
110°~105°
轴向齿廓见图5及表4。
6.3链轮公差
JB/T 9154--1999
表5角度/2、Φ的推荐值
13°30
6.3.1链轮加工后用图6(其他参数见图4)所示的样板检查轮齿制造精度。测量时,样板与轮齿项圆和直线齿接触,样板与轮齿其他部位应不发生干涉,且间隙应不大于0.5mm。该样板的尺寸精度和形位精度分别按GB/T1800.3和GB/T1184所规定公差等级的8级制造。样板尺寸公差和形位公差采用独立原则。样板尺寸的公称值见表4、表5,公差允许偏向体外。1
6.3.2链轮轮毂端面圆跳动应符合表6的规定。表6
项目名称
轮毂端面圆跳动
GB/T 1184- 1996
6.3.3齿坏公差
链轮齿坏公差规定见表7。
齿顶圆直径
6.4标记
JB/T9154—1999
公差带
GB/T 1801--1979
GB/T 1804—1992
GB/T 1804-1992
在链轮侧面适当位置应打有标记,该标记的内容包括:与链轮配套的链条的链号、节距以及链轮的齿数和回转方向,
安装时,标记应在可见位置。回转方向的指示符号应是链轮的实际回转方向。当链轮齿形不同于本标准规定的齿形时,在标记后面加打“×”字样。标志
链杆外侧表面应有链号、链条运行方向指示箭头、制造厂商标或厂名标志。333
A1链轮计算节距P。数值见表A1。链条节距力
JB/T9154
附录A
(标准的附录)
链轮计算节距P.数值表
小提示:此标准内容仅展示完整标准里的部分截取内容,若需要完整标准请到上方自行免费下载完整标准文档。
本标准是对ZBJ18006--90《埋刮板输送机用叉型链、刮板和链轮》的修订。修订时仅对原标准做了编辑性的修改,主要技术内容没有变化。本标准自实施之日起代替ZBJ18006—90。本标准的附录A是标准的附录。
本标准由全国链传动标准化技术委员会提出并归口。本标准起草单位:吉林工业大学链传动研究所。本标雄主要起草人:杨刚、王义行、李基玉、周宜生。324
1范围
中华人民共和国机械行业标准
埋刮板输送机用
叉型链、刮板和链轮
Drag chains ,types Y,drags and chain wheelsJB/T9154—1999
代替ZBJ18 006-90
本标准规定了埋刮板输送机用叉型链及其刮板的结构型式、基本参数和主要技术要求。同时规定了叉型链链轮的齿槽形状、基本参数和主要尺寸及公差。本标准适用于GB/T10596.1规定的埋刮板输送机用叉型链条、刮板和链轮(以下分别简称链条、刮板和链轮)。
2引用标准
下列标准所包含的条文,通过在本标准中引用而构成为本标准的条文。本标准出版时,所示版本均为有效。所有标准都会被修订,使用本标准的各方应探讨使用下列标准最新版本的可能性。GB/T985-1988气焊、手工电弧焊及气体保护焊焊缝坡口的基本型式尺寸GB/T1184—1996形状和位置公差未注公差值GB/T1800.31998公差与配合基础第3部分:标准公差与基本偏差数值表GB/T18011979公差与配合尺寸至500mm孔、轴公差带与配合GB/T1804-1992
一般公差线性尺寸的未注公差
GB/T 9785—1988
链条、链轮术语
GB/T10596.1—1989埋刮板输送机3术语
型式与基本参数
本标准的术语见图1、表1~表4,同时符合GB/T9785的规定。4链条
4.1结构型式
链条由刮板链节或由刮板链节与电引链节的不同组合连接而成。刮板链节由链杆、刮板、销轴、垫圈和止锁件等零件构成。曳引链节除不带刮板外,其他与刮板链节相同。链条的结构型式及组成零件(以V形刮板为例)见图1,图中所示不完全反映零件的实际形状。4.2基本参数和主要尺寸
链条的规格、基本参数和主要尺寸规定见表1,其参数代号见图2。国家机械工业局1999-06-28批准2000-01-01实施
MCL112
MCL160
MCL224
MCL315
MCL630
MCL900
JB/T9154-1999
链杆头
(公称)
止锁件
(公称)
链杯链杆
柄宽「孔径槽深
链号由字丹与数字组成,字母为埋刮板叉型链条的汉语拼音罕头代号,数字表示由干牛顿(k.V)计的最小抗拉载荷。
链杆厚度S供设计链轮参考
4.3标记
4.3.1标记方法
链条的标记方法规定如下:
4.3.2标记示例
JB/T 9154 -- 1999
标准编号
刮板型式代号及安装间隔数(间隔为零时无后缀)-链节数
链节距
最小抗拉载荷为160kN、节距为200mm、250节、T形刮板间隔数为2的埋刮板输送机用义型链条:MCL.160X200-250T2JB/T9154—19994.4技术要求
4.4.1最小抗拉载荷
未经使用的链段在连续缓慢施加拉伸载荷的作用下,最小抗拉载荷应达到表1的规定有效受拉链段至少应有3个链节,锻段两端同试验机夹头的连接必须保证在链条零件上不产生附加应力。试验时,如在与夹头连接的链节处损坏,则试验无效。经试验的链条不能再使用。4.4.2链长精度
链长精度应按下列要求进行测量:a)测量前链条应经过清理;
b)被测链条应水平放置,并在测量链段内得到支撑;c)施加测量载荷后,测量链杆与链轮啮合部位同侧母线间的距离;d)测量链节数、测量载荷和链长实际尺寸应符合表2的规定。327
链条节距p
4.4.3灵活性检验
测量链节数
JB/T 9154-1999
测量载荷
最小抗拉载荷的1/50
链条的各链节之间均应回转灵活,不得发生干涉和卡阻现象。5刮板
链长极限尺寸
本标准规定了适用于叉型链的四种基本刮板型式:T形、V形、U形和H形。刮板可以单独制造,也可以与链杆制成一体。在不影响正常啮合情况下允许采用其他型式的刮板,其外廓尺寸应符合本标准的规定。
5.1结构型式
T形刮板见图3a):
V形刮板见图3b);
U形刮板见图3c);
H形刮板览图3d)。
5.2基本参数与主要尺寸
刮板截面形状可以是方形或圆形,其基本参数和主要尺寸规定于表3,参数代号见图3。5.3技术要求
5.3.1凡刮板与链杆采取焊接连接时,焊接处不允许有裂纹、夹渣、未溶合、未焊透等缺陷;焊缝坡口应符合GB/T985的规定。
5.3.2刮板与链杆采用整体铸造时,不允许有裂纹、砂眼和疏松孔,并须保证铸造圆角。5.3.3未经使用的刮板链节,其刮板与链杆连接的破断强度应符合表3的规定。328
JB/T 9154—1999
a)T形
b)V形
c)U形
d)H形
80|100125160200250315
JB/T 9154.--- 1999
U形、V形、H形
刮板高度
注:T型刮板高度H与链杆高度相等6链轮
6.1齿槽形状
2901330
U形、V形、
1形刮板截面
的直径
或边宽
12~-18
16~-20
!形板与
U形、V形、H形
T形刮
刮叛与链连接处)链杆连接处
板厚度
破断载荷
破断载荷
链轮的齿槽形状和参数见图4和表4、表5。允许采用经实际使用表明具有良好啮合性能的其他链轮齿槽形状。
链轮计算节距
链轮齿数
计算分度圆直径
啮合圆直径
辅助圆直径
齿项圆直径
齿沟槽直径
齿形圆弧半径
齿根圆孤半径
齿项长度
齿沟槽宽
齿顶圆弧半径
齿底圆弧半径
齿槽圆角半径
链杆头半径。
链杆厚度
JB/T 9154—1999
计算公式或说明
常用齿数范围8~12.最少齿数不得少于6in(180°/z)
d'=d.-o.2p.
d.--d.+o.5d.+(0~6)mm
(de75)
da=d+0.25d。+(0~10)mm(do≥>75)dg md.cos 180°_ do
r。=p—ri,其圆心应在辅助圆的圆周上ri=0.505d
E=(0. 6~0.8)d
bg--(1. 5~2)S
bt-(4-4.5)S下载标准就来标准下载网
rx=(2~3)mm
r;=: (8~10)mm
r,=(2~3)mm
系数,在1.4~2.0之间,参见附录A(标准的附录):链轮基本节距的最大原始偏差,在(0.00250.008)之间,参见附录A。AK
轴向齿廓
110°~105°
轴向齿廓见图5及表4。
6.3链轮公差
JB/T 9154--1999
表5角度/2、Φ的推荐值
13°30
6.3.1链轮加工后用图6(其他参数见图4)所示的样板检查轮齿制造精度。测量时,样板与轮齿项圆和直线齿接触,样板与轮齿其他部位应不发生干涉,且间隙应不大于0.5mm。该样板的尺寸精度和形位精度分别按GB/T1800.3和GB/T1184所规定公差等级的8级制造。样板尺寸公差和形位公差采用独立原则。样板尺寸的公称值见表4、表5,公差允许偏向体外。1
6.3.2链轮轮毂端面圆跳动应符合表6的规定。表6
项目名称
轮毂端面圆跳动
GB/T 1184- 1996
6.3.3齿坏公差
链轮齿坏公差规定见表7。
齿顶圆直径
6.4标记
JB/T9154—1999
公差带
GB/T 1801--1979
GB/T 1804—1992
GB/T 1804-1992
在链轮侧面适当位置应打有标记,该标记的内容包括:与链轮配套的链条的链号、节距以及链轮的齿数和回转方向,
安装时,标记应在可见位置。回转方向的指示符号应是链轮的实际回转方向。当链轮齿形不同于本标准规定的齿形时,在标记后面加打“×”字样。标志
链杆外侧表面应有链号、链条运行方向指示箭头、制造厂商标或厂名标志。333
A1链轮计算节距P。数值见表A1。链条节距力
JB/T9154
附录A
(标准的附录)
链轮计算节距P.数值表
小提示:此标准内容仅展示完整标准里的部分截取内容,若需要完整标准请到上方自行免费下载完整标准文档。
标准图片预览:





- 热门标准
- 机械行业标准(JB)
- JB/T9396-1999 环块磨损试验机 技术条件
- JB/T6396-2006 大型合金结构钢锻件 技术条件
- JB/T1694-1991 阀杆螺母(一)
- JB/T9868.1-1999 散装饲料运输车 型式与参数
- JB/T10549-2006 SF6气体密度继电器和密度表 通用技术条件
- JB/T9018-2011 自动化立体仓库 设计规范
- JB/T6427-2001 变压吸附制氧、制氮设备
- JB/T7665-1995 通用机械噪声声功率级现场测定 声强法
- JB/T7732.1-1995 地膜覆盖机 技术条件
- JB/T8368.1-1996 电锤钻
- JB/T10438-2004 额定电压450/750V及以下交联聚氯乙烯绝缘电线和电缆
- JB/T9159.9-1999 单轴纵切自动车床辅具 丝锥夹套 B 型尺寸
- JB/T3411.87-1999 锥柄卡口镗铰刀杆 尺寸
- JB/T4746-2002 钢制压力容器用封头
- JB/T5761.1-1999 数控弯管机 技术条件
- 行业新闻
请牢记:“bzxz.net”即是“标准下载”四个汉字汉语拼音首字母与国际顶级域名“.net”的组合。 ©2025 标准下载网 www.bzxz.net 本站邮件:bzxznet@163.com
网站备案号:湘ICP备2025141790号-2
网站备案号:湘ICP备2025141790号-2