- 您的位置:
- 标准下载网 >>
- 标准分类 >>
- 机械行业标准(JB) >>
- JB/T 9162.14-1999 带孔滚花螺钉 尺寸
标准号:
JB/T 9162.14-1999
标准名称:
带孔滚花螺钉 尺寸
标准类别:
机械行业标准(JB)
英文名称:
Dimensions of knurled screws with holes标准状态:
现行-
发布日期:
1999-05-20 -
实施日期:
2000-01-01 出版语种:
简体中文下载格式:
.rar.pdf下载大小:
23.13 KB
替代情况:
ZB J44001.14-87

点击下载
标准简介:
标准下载解压密码:www.bzxz.net
JB/T 9162.14-1999 JB/T 9162.14-1999 带孔滚花螺钉 尺寸 JB/T9162.14-1999

部分标准内容:
JCS 25.080.01
中华人民共和国机械行业标准
JB/T9162.1-9162.48--1999
检验夹具零件及部件
The parts and units of inspection jig1999-05-20 发布bzxZ.net
国家机械工业局
2000-01-01 实施
中华人民共和国机械行业标准
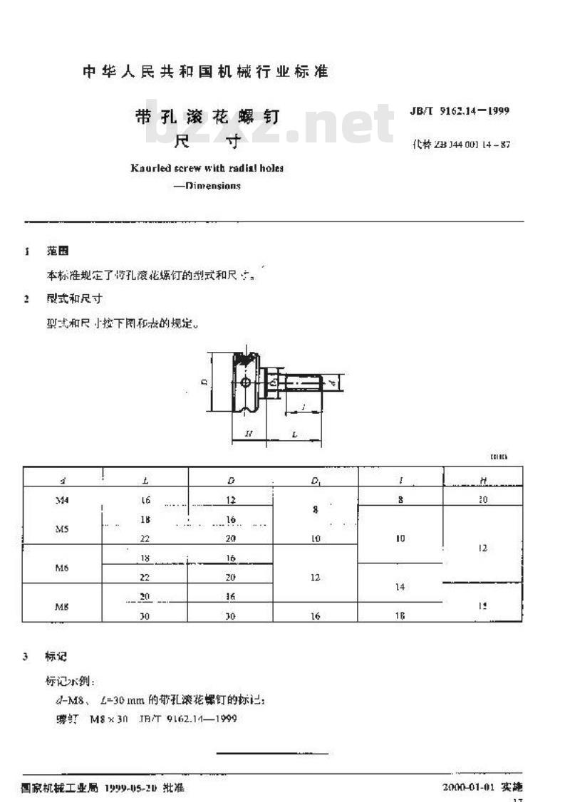
带孔滚花螺钉
Kaurled screw with radial holesnimensions
本标准规定了业孔滚花娠的型式和尺,慰式和尺寸
型和尺小控下图和表的规定,
标记水例:
L=301mm的带孔滚花爆钉的标让:-M8
M8×301月9162.11—1999
国家机械工业局1999-05-20批准0
JB/T 9162.14—[999
44001[4-87
20HH-01-01实施
小提示:此标准内容仅展示完整标准里的部分截取内容,若需要完整标准请到上方自行免费下载完整标准文档。
中华人民共和国机械行业标准
JB/T9162.1-9162.48--1999
检验夹具零件及部件
The parts and units of inspection jig1999-05-20 发布bzxZ.net
国家机械工业局
2000-01-01 实施
中华人民共和国机械行业标准
带孔滚花螺钉
Kaurled screw with radial holesnimensions
本标准规定了业孔滚花娠的型式和尺,慰式和尺寸
型和尺小控下图和表的规定,
标记水例:
L=301mm的带孔滚花爆钉的标让:-M8
M8×301月9162.11—1999
国家机械工业局1999-05-20批准0
JB/T 9162.14—[999
44001[4-87
20HH-01-01实施
小提示:此标准内容仅展示完整标准里的部分截取内容,若需要完整标准请到上方自行免费下载完整标准文档。

标准图片预览:


- 其它标准
- 热门标准
- 机械行业标准(JB)
- JB/T6882-2006 泵可靠性验证试验
- JB/T9592.2-1999 全金属12角法兰面锁紧螺母 技术条件
- JB/T7991.4-2001 电镀超硬磨料制品 磨头
- JB/T8725-1998 旋转接头
- JB/T10325-2002 锅炉除氧器 技术条件
- JB/T8528-1997 普通型阀门电动装置 技术条件
- JBJ10-1996 机械工厂采暖通风与空气调节设计规范
- JB/T2740-2008 工业机械电气设备 电气图、图解和表的绘制
- JB/T82.1-1994 凸面对焊钢制管法兰
- JB/T6313.2-1992 电工铜编织线 斜纹编织线
- JB/T9064-1999 盘管 耐压试验与密封性检查
- JB/T5917-2006 袋式除尘器用滤袋框架
- JB/T10187-2011 滚动轴承 深沟球轴承振动
- JB/T9768-1999 内燃机 气缸套平台珩磨网纹 技术规范及检测方法
- JB/T10472-2005 光轮压路机
- 行业新闻
请牢记:“bzxz.net”即是“标准下载”四个汉字汉语拼音首字母与国际顶级域名“.net”的组合。 ©2009 标准下载网 www.bzxz.net 本站邮件:bzxznet@163.com
网站备案号:湘ICP备2023016450号-1
网站备案号:湘ICP备2023016450号-1