- 您的位置:
- 标准下载网 >>
- 标准分类 >>
- 电子行业标准(SJ) >>
- SJ/T 9561.17-1993 KFC-G02型杠杆式维修开关质量分等标准
标准号:
SJ/T 9561.17-1993
标准名称:
KFC-G02型杠杆式维修开关质量分等标准
标准类别:
电子行业标准(SJ)
标准状态:
现行-
发布日期:
1993-09-03 -
实施日期:
1994-01-01 出版语种:
简体中文下载格式:
.rar.pdf下载大小:
35.74 KB
部分标准内容:
中华人民共和国电子行业标准
KFC--G2 型杠杆式维修开关
质量分等标准
主题内容与适用范照
1.1主题内容
本标准规定了KFC一G02型杠杆式维修开关质量分等的要求。1.2适用范围
本标准适用于KFC一G02型杠杆式维修开关的质量分等。SJ/T 9561. 17—93
本标准只给出了关键性能指标,不是一个完整的标准,必须与GB9536及其相应的分规范和空白详细规范、SJ 3142,SJ 3143 以及 S 3147 一起使用。2引用文件
电子设备用机电开关第1部分总规范GB9536E
SI 3142
SJ 3143
SJ 3147
3要求
彩色电视广播接收机用辅助功能开关总规范彩色电视广摇接收机用辅扇功能开关空户详细规范KFC一G02 型彩色电视广播接收机用柱杆式维修关详细规范优品
结构,尺寸
上限类别温度
下限类别温度
恒定湿热
接触电组
绝缘电阻
达到世界先逆工业国家标雄、先进公司同类产品近五年的水平
-40℃
初始≤o.cn
寿命后≤40.08n
初始≥1GOMA
斑热后≥10M
中华人民共和国电子工业部1993-09-03批准品
达到世界先进工业国家标唯、先进公司同类产品近十年的水平
+70℃
朽始≤0.0nbzxz.net
寿命后0.080
初始≥1oMn
湿热后≥10M
合格品
现行标准
1994-01-01实施
TYYKAONTKAca
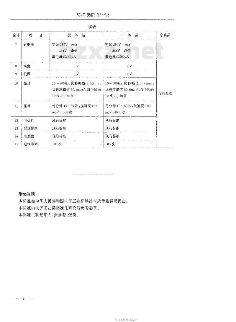
配电压
12:可焊性
耐碍接热
可燃性
!回气寿命
附加说明:
SJ/T 9561. 17--93
优等品
打始ES0V
354V峰筐
爆电流500A
韧蜕250Vrms
354V峰值
漏电疏≤500uA
10~500Hz.位移幅值c.3mnl,
10 ~500Hz,位移假 5,55mm,
即退度幅值5G.0m/s,每个辅向:逆这度值50(m/s*,每个拍向110次,共30次
每分钟4980次,如速度100
m/s*.2030 次
境行标雅
现行标准
现行标液
100次
10次,共30次
每分钟4C80次,如速度100
m/s*,102c 次
流行标雅
现行标游
现行标准
本标准由中华人民共和国电子工业部科技与质量监督司提出。本标准由电子工业部标准化研究所负责起草。本称准主要起草人:张景源、张祺。TYYKAONTKAca
合格品
现行标唯
小提示:此标准内容仅展示完整标准里的部分截取内容,若需要完整标准请到上方自行免费下载完整标准文档。
KFC--G2 型杠杆式维修开关
质量分等标准
主题内容与适用范照
1.1主题内容
本标准规定了KFC一G02型杠杆式维修开关质量分等的要求。1.2适用范围
本标准适用于KFC一G02型杠杆式维修开关的质量分等。SJ/T 9561. 17—93
本标准只给出了关键性能指标,不是一个完整的标准,必须与GB9536及其相应的分规范和空白详细规范、SJ 3142,SJ 3143 以及 S 3147 一起使用。2引用文件
电子设备用机电开关第1部分总规范GB9536E
SI 3142
SJ 3143
SJ 3147
3要求
彩色电视广播接收机用辅助功能开关总规范彩色电视广摇接收机用辅扇功能开关空户详细规范KFC一G02 型彩色电视广播接收机用柱杆式维修关详细规范优品
结构,尺寸
上限类别温度
下限类别温度
恒定湿热
接触电组
绝缘电阻
达到世界先逆工业国家标雄、先进公司同类产品近五年的水平
-40℃
初始≤o.cn
寿命后≤40.08n
初始≥1GOMA
斑热后≥10M
中华人民共和国电子工业部1993-09-03批准品
达到世界先进工业国家标唯、先进公司同类产品近十年的水平
+70℃
朽始≤0.0nbzxz.net
寿命后0.080
初始≥1oMn
湿热后≥10M
合格品
现行标准
1994-01-01实施
TYYKAONTKAca
配电压
12:可焊性
耐碍接热
可燃性
!回气寿命
附加说明:
SJ/T 9561. 17--93
优等品
打始ES0V
354V峰筐
爆电流500A
韧蜕250Vrms
354V峰值
漏电疏≤500uA
10~500Hz.位移幅值c.3mnl,
10 ~500Hz,位移假 5,55mm,
即退度幅值5G.0m/s,每个辅向:逆这度值50(m/s*,每个拍向110次,共30次
每分钟4980次,如速度100
m/s*.2030 次
境行标雅
现行标准
现行标液
100次
10次,共30次
每分钟4C80次,如速度100
m/s*,102c 次
流行标雅
现行标游
现行标准
本标准由中华人民共和国电子工业部科技与质量监督司提出。本标准由电子工业部标准化研究所负责起草。本称准主要起草人:张景源、张祺。TYYKAONTKAca
合格品
现行标唯
小提示:此标准内容仅展示完整标准里的部分截取内容,若需要完整标准请到上方自行免费下载完整标准文档。
标准图片预览:


- 热门标准
- 电子行业标准(SJ)
- SJ3166-1988 GZS12-4-3型彩色显像管插座
- SJ2534.10-1986 天线测试方法 功率增益和方向性的测量
- SJ/Z9087-1987 信息处理-信息交换用3.81mm宽,以4字符/毫米,63磁通翻转/毫米调相制记录的卡型盒式磁带
- SJ/T11332-2006 数字电视接收设备接口规范 第6部分:RGB模拟基色视频信号接口
- SJ/T10038-1991 电子器件详细规范 半导体集成电路CC4008型CMOS4位二进制超前进位全加器
- SJ/T9546-1993 无金属化孔单、双面印制板的质量分等标准
- SJ20599-1996 推拉钨丝规范
- SJ/T10253-1991 电子器件详细规范 半导体集成电路CC4046型CMOS数字锁相环详细规范
- SJ/Z9010.27-1987 电子管电性能的测试 第27部分:发射管中相互调制分量的测试方法
- SJ/T11088-1996 电子器件详细规范 半导体集成电路CD7680CP图象伴音中频放大电路
- SJ/T11010-1996 电子器件详细规范 半导体电视集成电路CD1124ACP伴音中频放大电路
- SJ/T31441-1994 离心式制冷机组完好要求和检查评定方法
- SJ3178-1988 矿用纵横制用户电话交换机技术要求
- SJ/T10042-1991 电子器件详细规范 半导体集成电路CT54LS00/CT74LS00型四2输入与非门
- SJ/T10034-1991 电子器件详细规范 R-250TB型过电压保护气体放电管(可供认证用)
- 行业新闻
请牢记:“bzxz.net”即是“标准下载”四个汉字汉语拼音首字母与国际顶级域名“.net”的组合。 ©2025 标准下载网 www.bzxz.net 本站邮件:bzxznet@163.com
网站备案号:湘ICP备2025141790号-2
网站备案号:湘ICP备2025141790号-2