- 您的位置:
- 标准下载网 >>
- 标准分类 >>
- 电子行业标准(SJ) >>
- SJ/T 9561.16-1993 KFC-G01型杠杆式调整开关质量分等标准
标准号:
SJ/T 9561.16-1993
标准名称:
KFC-G01型杠杆式调整开关质量分等标准
标准类别:
电子行业标准(SJ)
标准状态:
现行-
发布日期:
1993-09-03 -
实施日期:
1994-01-01 出版语种:
简体中文下载格式:
.rar.pdf下载大小:
34.92 KB
部分标准内容:
中华人民共和国电子行业标准
KFC一G01型杠杆式调整开关
质量分等标准
主题内容与适用范围
1.1主题内容
本标推规定了KFC-G01型杠杆式调整开关质量分等的要卒。1.2适用范围
本标推道用丁 KFC一G01 型杠杆式调整开关的质量分等SJ/T 9561. 16—93
本标难只给出了关键性能指标,不是-个完整的标准,必须与GB 9536及其相应的分规范和空白详细规范,SJ3142、SJ3143以及SJ3146一起使用。引用文件
G39536电子设备用机电开关第1部分总规范SJ 3F42bzxZ.net
SJ 3143
SJ3116
3要求
彩色电视,播接收机用辅助功能开关总现范彩色电视广播接收机用辅助功能开关空白详纠规范KFC一GO1型彩鱼电视广播接收极用杠杆式泥整开关详细规范优等品
结构、尺于
上眼类别真
下限类别益度
恒定混热
接触电
:绝缘电甄
达到谢界先进T 此国象标唑、先进公司司类产品近五年的水平
初始≤0.010
寿命后≥0.080
刘始2UOM
添热片CM2
中华人民共和国电子工业部1993-09-03批准等品
达到L界先进工业国家标性、先
进公司同类产品近十年的水平
—40℃
初始0.010
寿命府≤0.080
初始2100Mn
湿热片≥:0Ma
台略品
现行标摊
1994-0101实施
TYYKAONTKAca
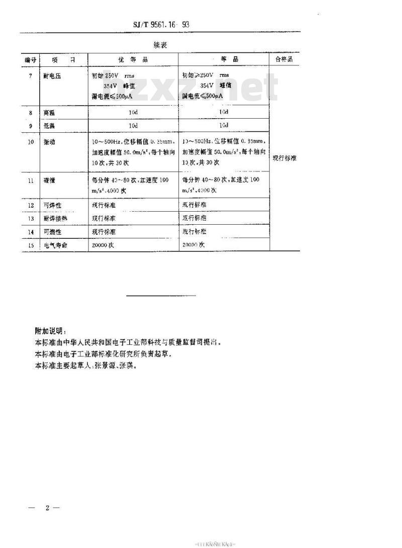
耐电压
可焊性
耐焊接热
可燃性
电气寿命
附加说明:
SJ/T 9561. 16-93
优等品
初始250V
35AV峰值
漏电流≤500uA
10~500Hz,位移幅值 0. 3bmm,
加这度幅值50.0m/s,每个轴向
10次,共30次
每分钟42--80饮,加速度100
m/gs.4009次
现行标难
现行标准
现行标准
20000次
初始250Vms
354V蜂值
电统≤500mA
13~500Hz,位移幅值0.35mm,
加速度幅值50.0m/s每个轴向
19次,共30欢
每分钟40~80次,加速度100
m/s*,4000 次
现行标摊
现行标疮
现行标陷
2000g次
本标准由中华人民共和国电子工业部科技与质量监督司提出,本标准由电子工业部标准化研究所负贵起草。本标准主要起草人,张景源张瑛。2
TYYKAONTKAca
合格品
现行标准
小提示:此标准内容仅展示完整标准里的部分截取内容,若需要完整标准请到上方自行免费下载完整标准文档。
KFC一G01型杠杆式调整开关
质量分等标准
主题内容与适用范围
1.1主题内容
本标推规定了KFC-G01型杠杆式调整开关质量分等的要卒。1.2适用范围
本标推道用丁 KFC一G01 型杠杆式调整开关的质量分等SJ/T 9561. 16—93
本标难只给出了关键性能指标,不是-个完整的标准,必须与GB 9536及其相应的分规范和空白详细规范,SJ3142、SJ3143以及SJ3146一起使用。引用文件
G39536电子设备用机电开关第1部分总规范SJ 3F42bzxZ.net
SJ 3143
SJ3116
3要求
彩色电视,播接收机用辅助功能开关总现范彩色电视广播接收机用辅助功能开关空白详纠规范KFC一GO1型彩鱼电视广播接收极用杠杆式泥整开关详细规范优等品
结构、尺于
上眼类别真
下限类别益度
恒定混热
接触电
:绝缘电甄
达到谢界先进T 此国象标唑、先进公司司类产品近五年的水平
初始≤0.010
寿命后≥0.080
刘始2UOM
添热片CM2
中华人民共和国电子工业部1993-09-03批准等品
达到L界先进工业国家标性、先
进公司同类产品近十年的水平
—40℃
初始0.010
寿命府≤0.080
初始2100Mn
湿热片≥:0Ma
台略品
现行标摊
1994-0101实施
TYYKAONTKAca
耐电压
可焊性
耐焊接热
可燃性
电气寿命
附加说明:
SJ/T 9561. 16-93
优等品
初始250V
35AV峰值
漏电流≤500uA
10~500Hz,位移幅值 0. 3bmm,
加这度幅值50.0m/s,每个轴向
10次,共30次
每分钟42--80饮,加速度100
m/gs.4009次
现行标难
现行标准
现行标准
20000次
初始250Vms
354V蜂值
电统≤500mA
13~500Hz,位移幅值0.35mm,
加速度幅值50.0m/s每个轴向
19次,共30欢
每分钟40~80次,加速度100
m/s*,4000 次
现行标摊
现行标疮
现行标陷
2000g次
本标准由中华人民共和国电子工业部科技与质量监督司提出,本标准由电子工业部标准化研究所负贵起草。本标准主要起草人,张景源张瑛。2
TYYKAONTKAca
合格品
现行标准
小提示:此标准内容仅展示完整标准里的部分截取内容,若需要完整标准请到上方自行免费下载完整标准文档。
标准图片预览:


- 热门标准
- 电子行业标准(SJ)
- SJ3166-1988 GZS12-4-3型彩色显像管插座
- SJ2534.10-1986 天线测试方法 功率增益和方向性的测量
- SJ2857.2-1988 温差电致冷材料性能的测试方法 电导率的测试方法
- SJ2879-1988 彩色电视接收机用色纯静会聚磁体组合件总规范
- SJ/T31063-1994 TCM-B三氯乙烯清洗机完好要求和检查评定方法
- SJ/T11010-1996 电子器件详细规范 半导体电视集成电路CD1124ACP伴音中频放大电路
- SJ/T11088-1996 电子器件详细规范 半导体集成电路CD7680CP图象伴音中频放大电路
- SJ/Z9010.27-1987 电子管电性能的测试 第27部分:发射管中相互调制分量的测试方法
- SJ20599-1996 推拉钨丝规范
- SJ/T9546-1993 无金属化孔单、双面印制板的质量分等标准
- SJ/T10038-1991 电子器件详细规范 半导体集成电路CC4008型CMOS4位二进制超前进位全加器
- SJ/T11332-2006 数字电视接收设备接口规范 第6部分:RGB模拟基色视频信号接口
- SJ/T31168-1994 发射管电性能测试电源完好要求和检查评定方法
- SJ/T31441-1994 离心式制冷机组完好要求和检查评定方法
- SJ/T31449-1994 供油管道完好要求和检查评定方法
- 行业新闻
请牢记:“bzxz.net”即是“标准下载”四个汉字汉语拼音首字母与国际顶级域名“.net”的组合。 ©2025 标准下载网 www.bzxz.net 本站邮件:bzxznet@163.com
网站备案号:湘ICP备2025141790号-2
网站备案号:湘ICP备2025141790号-2