- 您的位置:
- 标准下载网 >>
- 标准分类 >>
- 电子行业标准(SJ) >>
- SJ/T 9561.8-1993 KW3型微动开关质量分等标准
标准号:
SJ/T 9561.8-1993
标准名称:
KW3型微动开关质量分等标准
标准类别:
电子行业标准(SJ)
标准状态:
现行-
发布日期:
1993-09-03 -
实施日期:
1994-01-01 出版语种:
简体中文下载格式:
.rar.pdf下载大小:
29.54 KB
部分标准内容:
中华人民共和国电子行业标准
KW3型微动开关质量分等标准
1主题内容与适用范围
1.1主题内容
本标雄规定了KW3型微动开关质盘分等的要求,1-2适用范围
本标准适用于KW3型微动开关的质量分等。SJ/T 9561. 893
本标准只给出了关键性能指标,不是一个完整的标推,必须与GB9536及其相应的分规范和空自详细规范、SI1515以及SJ1518一起使用。2 引用文件
GB0536t
电子设备用机电开关第1部分
总规范
SJ 1515
SJ 1518
3要求
微动开关总技术条件下载标准就来标准下载网
KW3型微动开关
中华人民共和国电子工业部1993-09-03批准TYYKAONrKAca
1994-01-01实施
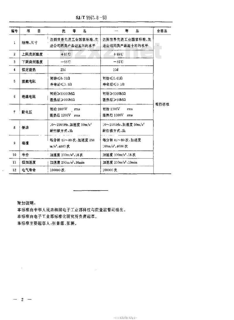
结构、尺寸
上限类别显度
下限类别温度
恒定混热
接触电阻
绝缘电阻
耐电压
恒加速度
电气寿命
附加说明,
SJ/T 9567. 8 -93
达到世界先进工业国家标准,先
达到世界先进工业国家标准、先进公司同类产品迁五年的水平
树始0.010
专帝后0.10
树始10000M0
速热后学100M0
初始2000V
湿热后1200V
20~2000Hz,加速度 50m/s*
耐扫方式,31
每分钟10~80次、加速度250
m/s*,4000次
加速度 300m/s,18次
加速度200m/s.30mim
100000次
进公司同类产品近十年的水平
韧始≤0.010
寿命后0.10
莉始25000M0
混热后字50M0
初始1500V
湿热后1000V
10~200Hz,加速度 50m/s
耐扫描方式,3l
每分钟 4L~80次,加速度
200m/s.4000次
加速度 300m/s*,18次
加速度200m/s*,10min
100000 次
本标准由中华人民共和国电子工业部科技与质量监督司提出。本标准由电子工业部标准化研究所负责起草。本标雄主要起草人:张景源、张瑛。TYYKAONT KAca
合格品
现行标准
小提示:此标准内容仅展示完整标准里的部分截取内容,若需要完整标准请到上方自行免费下载完整标准文档。
KW3型微动开关质量分等标准
1主题内容与适用范围
1.1主题内容
本标雄规定了KW3型微动开关质盘分等的要求,1-2适用范围
本标准适用于KW3型微动开关的质量分等。SJ/T 9561. 893
本标准只给出了关键性能指标,不是一个完整的标推,必须与GB9536及其相应的分规范和空自详细规范、SI1515以及SJ1518一起使用。2 引用文件
GB0536t
电子设备用机电开关第1部分
总规范
SJ 1515
SJ 1518
3要求
微动开关总技术条件下载标准就来标准下载网
KW3型微动开关
中华人民共和国电子工业部1993-09-03批准TYYKAONrKAca
1994-01-01实施
结构、尺寸
上限类别显度
下限类别温度
恒定混热
接触电阻
绝缘电阻
耐电压
恒加速度
电气寿命
附加说明,
SJ/T 9567. 8 -93
达到世界先进工业国家标准,先
达到世界先进工业国家标准、先进公司同类产品迁五年的水平
树始0.010
专帝后0.10
树始10000M0
速热后学100M0
初始2000V
湿热后1200V
20~2000Hz,加速度 50m/s*
耐扫方式,31
每分钟10~80次、加速度250
m/s*,4000次
加速度 300m/s,18次
加速度200m/s.30mim
100000次
进公司同类产品近十年的水平
韧始≤0.010
寿命后0.10
莉始25000M0
混热后字50M0
初始1500V
湿热后1000V
10~200Hz,加速度 50m/s
耐扫描方式,3l
每分钟 4L~80次,加速度
200m/s.4000次
加速度 300m/s*,18次
加速度200m/s*,10min
100000 次
本标准由中华人民共和国电子工业部科技与质量监督司提出。本标准由电子工业部标准化研究所负责起草。本标雄主要起草人:张景源、张瑛。TYYKAONT KAca
合格品
现行标准
小提示:此标准内容仅展示完整标准里的部分截取内容,若需要完整标准请到上方自行免费下载完整标准文档。
标准图片预览:


- 其它标准
- 热门标准
- 电子行业标准(SJ)
- SJ3166-1988 GZS12-4-3型彩色显像管插座
- SJ2534.10-1986 天线测试方法 功率增益和方向性的测量
- SJ/Z9087-1987 信息处理-信息交换用3.81mm宽,以4字符/毫米,63磁通翻转/毫米调相制记录的卡型盒式磁带
- SJ/T11332-2006 数字电视接收设备接口规范 第6部分:RGB模拟基色视频信号接口
- SJ/T10038-1991 电子器件详细规范 半导体集成电路CC4008型CMOS4位二进制超前进位全加器
- SJ/T9546-1993 无金属化孔单、双面印制板的质量分等标准
- SJ20599-1996 推拉钨丝规范
- SJ/T10253-1991 电子器件详细规范 半导体集成电路CC4046型CMOS数字锁相环详细规范
- SJ/Z9010.27-1987 电子管电性能的测试 第27部分:发射管中相互调制分量的测试方法
- SJ/T11088-1996 电子器件详细规范 半导体集成电路CD7680CP图象伴音中频放大电路
- SJ/T11010-1996 电子器件详细规范 半导体电视集成电路CD1124ACP伴音中频放大电路
- SJ/T31441-1994 离心式制冷机组完好要求和检查评定方法
- SJ3178-1988 矿用纵横制用户电话交换机技术要求
- SJ/T10042-1991 电子器件详细规范 半导体集成电路CT54LS00/CT74LS00型四2输入与非门
- SJ/T10034-1991 电子器件详细规范 R-250TB型过电压保护气体放电管(可供认证用)
- 行业新闻
请牢记:“bzxz.net”即是“标准下载”四个汉字汉语拼音首字母与国际顶级域名“.net”的组合。 ©2025 标准下载网 www.bzxz.net 本站邮件:bzxznet@163.com
网站备案号:湘ICP备2025141790号-2
网站备案号:湘ICP备2025141790号-2