- 您的位置:
- 标准下载网 >>
- 标准分类 >>
- 电子行业标准(SJ) >>
- SJ 20517-1995 TEC1-03108温差电致冷组件规范
标准号:
SJ 20517-1995
标准名称:
TEC1-03108温差电致冷组件规范
标准类别:
电子行业标准(SJ)
标准状态:
现行-
发布日期:
1995-05-25 -
实施日期:
1995-12-01 出版语种:
简体中文下载格式:
.rar.pdf下载大小:
422.48 KB

部分标准内容:
中华人民共和国电子行业军用标准SJ20517-1995
TEC1一03108温差电致冷组件规范Specification for Thermoelectric cooling module TEC1-031081995-05-25发布
1995-12-01实施
中华人民共和国电子工业部批准中华人民共和国电子行业军用标准TEC1-03108温差电致冷组件规范Specification for Thermoelectric cooling module TEC1-031081范围
1.1主题内容
SJ20517-1995
本规范规定了TEC1-03108温差电致冷组件(以下简称组件)总的技术要求。1.2适用范围
本规范适用于HQ-722程用的TEC1-—03108组件。2引用文件
GB2423.1-81
GB2423.2-81
GB2423.581
GB2423.6—81
GB2423.10-81
GB2423.15--81
GB2423.22—81
GB2828--87
GB2829—87
SJ2855-88
SJ2856-88
SJ2858-88
SJ20139-92
SJ2014092
3要求
3.1一般要求
3.1.1气候条件
电工电子产品基本环境试验规程试验A:低温试验方法
电工电子产品基本环境试验规程试验B:高温试验方法电工电子产品基本环境试验规程试验Ea:冲击试验方法电工电子产品基本环境试验规程试验Eb:碰撞试验方法电工电子产品基本环境试验规程试验Fc:振动(正弦)试验方法电工电子产品基本环境试验规程试验Ga:恒加速度试验方法电工电子产品基本环境试验规程试验N:温度变化试验方法逐批检查计数抽样程序及抽样表(适用于连续批的检查)周期检查计数抽样程序及抽样表(适用于生产过程稳定性的检查)温差电致冷名词术语
温差电致冷组件型号命名方法
温差电致冷组件性能的测试方法温差及最低冷面温度的测试方法军用温差电致冷组件最大致冷功率的测试方法军用温差电致冷组件失效率试验方法温度:-50~+70℃;
相对湿度:小于70%;
气压:86~106kPa。
中华人民共和国电子工业部1995-05-25发布1995-12-01实施
3.1.2散热条件
SJ20517—1995Www.bzxZ.net
组件工作时,热面应用强制风冷散热装置或水冷散热装置,热面温度应不超过70℃。在有防氧化的条件下,组件的热面温度应不超过85C。3.1.3供电条件
当组件工作时,必须使用纹波系数小于10%的直流电源。3.2详细要求
3.2.1外观要求
3.2.1.1组件的外表面应无锈蚀或其它机械损伤,内部不得有污物,元件排列应整齐。3.2.1.2组件的引出线的排列位置及正负极标志(正极为红色导线,负极为黄色导线)如图1所示。引出线的规格为HF46--20.75/19×23。L
TEC1-03108组件外形示意图
TEC1—03108组件的外形尺寸平行度及平面度要求:如表1规定。表1
TEC1--03108
长度L
宽度B
组件的热电参数应符合表2的规定。表2
TECI-03108
Th=27C
△T=ot
最大致冷
功率Qmx
Th=27c
最大温差
高度H
5.6±0.05
最大温
差电流
Th=27℃
工作电压
3.8±0.38
平行度
环境温度
阻件内阻
0.38±0.038
平面度
温度不
均匀性
3.2.3组件的降温时间的要求
SJ205171995
组件的热面温度为65℃,给组件施加3V的直流电压,组件冷面的温度达到10℃的时间应小于2min。工作电流应小于5A。3.2.4引出线强度要求
组件引出线的抗拉力沿轴向应大于19.6N,沿重力方向应大于4.9N。3.2.5稳定性要求
经下列试验后,组件的结构应牢固可靠,热电参数应符合规定的要求。3.2.5.1高温试验;
3.2.5.2低温试验;
3.2.5.3温度变化试验;
3.2.5.4变频振动试验;
3.2.5.5碰撞试验;
3.2.5.6冲击试验
恒加速度试验;
3.2.5.8电耐久试验;
3.2.5.9电致冷、致热交变试验。3.2.6寿命要求
组件的最大失效率为1×10\5/h。4质量保证规定
4.1检验责任
除合同或订单中另有规定外,承制方应负责完成本规范规定的所有检验。必要时,订购方或上级鉴定机构有权对规范所述的任一检验项目进行检查。4.1.1合格责任
所有产品必须符合本规范第3章和第4章的所有要求。本规范中规定的检验应成为承制方整个检验体系或质量大纲的一个组成部分。若合同中包括本规范未规定的检验要求,承制方还应保证所提交验收的产品符合合同要求。交收检验抽样不允许提交明知有缺陷的产品,也不能要求订购方接收有缺陷的产品。4.2检验分类
本规范规定的检验分为:
a.例行检验;
b。交收检验。
4.3检验条件
4.3.1气候条件
温度:15~35℃;
相对湿度:45~75%;
气压:86~106kPa。(最大温差、最大温差电流及工作电压的测试气压应低于5×10-3Pa)
4.3.2散热条件
测试组件的热电参数时,热面应采取散热措施。—3—
4.3.3供电条件
SJ20517-1995
测试组件时,必须采用纹波系数小于2%的直流电源。4.3.4检验仪表的要求
检验所使用的仪表,其精度应比被测参数的允许误差提高05~1.0个数量级。所有仪表使用前需经有关法定计量单位和机构校验合格。并具有在有效期内的鉴定证书。4.4例行检验
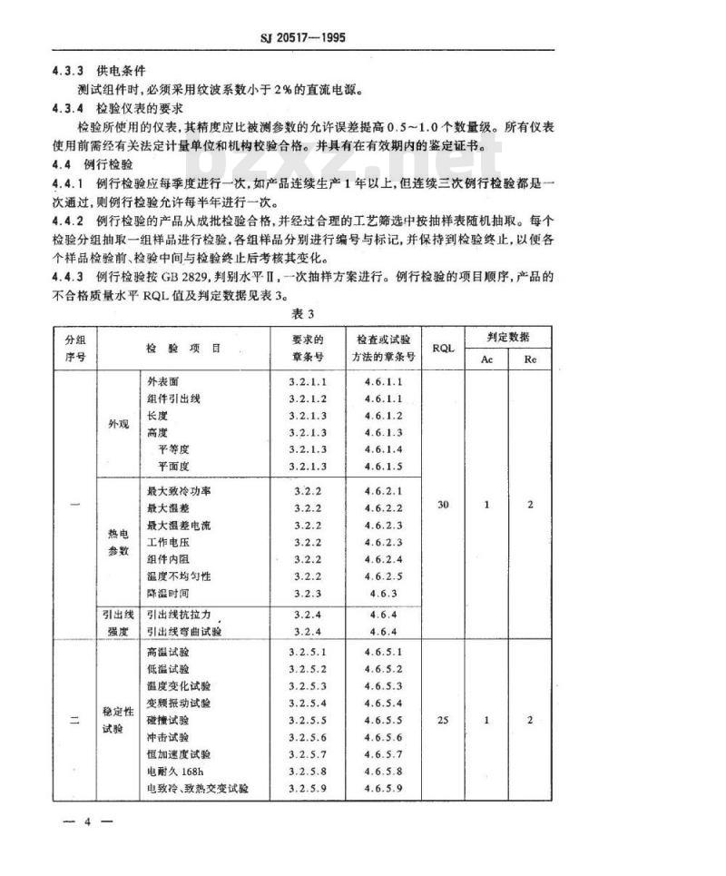
4.4.1例行检验应每季度进行一次,如产品连续生产1年以上,但连续三次例行检验都是一次通过,则例行检验允许每半年进行一次。4.4.2例行检验的产品从成批检验合格,并经过合理的工艺筛选中按抽样表随机抽取。每个检验分组抽取一组样品进行检验,各组样品分别进行编号与标记,并保持到检验终止,以便各个样品检验前、检验中间与检验终止后考核其变化。4.4.3例行检验按GB2829,判别水平Ⅱ,一次抽样方案进行。例行检验的项目顺序,产品的不合格质量水平RQL值及判定数据见表3。表3
引出线
稳定性
检验项目
外表面
组件引出线
平等度
平面度
最大致冷功率
最大温差
最大温差电流
工作电压
组件内阻
温度不均匀性
降温时间
引出线抗拉力
引出线弯曲试验
高温试验
低温试验
温度变化试验
变频振动试验
碰撞试验
冲击试验
恒加速度试验
电耐久168h
电致冷、致热交变试验
要求的
章条号
检查或试验
方法的章条号
判定数据
SJ20517—1995
若全部通过上述试验项目,满足表3中的规定,则例行检验为合格。4.4.4例行检验第一一次抽样检查判为不合格时,该批产品可以在失效分析的基础上,采取必要的措施,剔出不合格品,再抽双倍数量进行例行检验,如果加倍抽取例验中发现有两块不符合要求,则产品不能交付。例行检验的产品其各项性能指标变化不得大于10%,例验合格后,该批产品可提交使用。
4.5交收检验
4.5.1组件经例行检验合格的产品批提交使用方时应进行此检验。交收检验由制造厂进行,需方接到产品后的三个月内应按交收检验项目进行检验,并通知制造厂,否则按交收检验合格处理。
交收检验的抽样按GB2828,一般检查水平Ⅱ,一次抽样方案。交收检验的项目顺序及组件的合格质量水平AQL值见表4。表4
检验项目
外表面
组线引出线
热电参数
平行度
平面度
最大温差
4.5.4经表4检验合格的产品应做下列试验:4.5.4.1振动试验
要求的章条号
检查或试验方法
的章条号
将组件与振动台形成刚性连接,按图2随机振动谱进行随机扫频振动。方向:垂直于陶瓷片的方向为X方向,平行于导线的方向为Y方向。0.04g/Hz
+3dB/倍额程
图2随机振动谱
4.5.4.2温度循环试验
-3dB/倍频程
SJ20517—1995
按图3所示的循环曲线,将组件放置在-40℃~+85℃下,保温时间为30min,变温速率为2~5c/min,循环次数为5次。T(c)
t(min)
,图3温度循环曲线
4.5.5组件的降温时间的验收
组件应100%的按4.5.4进行试验,再100%的进行性能测试,性能参数测试按本标准第4.6.3条进行,每批产品的淘汰率不得大于10%,如不符合要求,必须从工艺上找出原因,采取措施直到合格为止。
4.5.6如需方要求,经供需双方协议,组件的失效率试验按4.6.6条进行。4.5.7交收检验一次检验不合格时,此检验批可经过筛选,再重新提交检验,如仍不合格,则该批视为不合格。
4.5.8不合格
如果样品未通过交收检验,则应停止产品的验收和交付。承制方应将不合格情况通知合格鉴定单位。在采取纠正措施后,应根据合格鉴定单位的意见,重新进行全部试验或检验,若试验仍不合格,则应将不合格的情况通知合格鉴定单位。4.6检验方法
4.6.1外观要求的检验
4.6.1.1目测组件的外观及引出线应符合3.2.1.1和3.2.1.2的规定。4.6.1.2用卡尺测量组件的长和宽,应符合表1的规定。4.6.1.3用千分尺在组件的四个角和中心处各测量-个点,5点所测高度应符合表1的规定。
4.6.1.4将组件置于一基准平面内,用百分表在组件的四个角和中心处各测量一个点,5点所测数据的最大值与最小值之差应符合表1不平行度的要求。6
SJ20517—1995
4.6.1.5用4.6.1.4条的方法测量组件的两个面,每面各测5点,每5点所测数据的最大值与最小值之差应符合表1平面度的要求。4.6.2组件的热电参数的测试
4.6.2.1组件的最大致冷功率为参考值,其测试方法按SJ20139进行,其值应不小于表2中Qcmax的10%。
4.6.2.2组件的最大温差△Tmax按SJ2858进行,其结果应不小于表2的规定。4.6.2.3组件的最大温差电流及工作电压的测试是在测试组件的最大温差时记下的电流值和电压值,组件的最大温差电流及工作电压应符合表2的规定。4.6.2.4组件的内阻的测试是在环境温度为23±3C时给组件施加1000Hz的交流电流,电流的有效值为100mA,测出组件内纽应符合表2的规定。4.6.2.5组件的温度不均匀性的测试,是将组件置于27±1C的散热板上,通以最大温差电流,用5副铜一—康铜热电偶测量冷面5点温度,以中心为基准点,其余四点离边缘的距离应不小于四分之一边长。这四点与中心值的温度偏差应符合表2的规定。4.6.3组件的降温时间的测试
将组件置于一散热板上通水散热,使热面温度为+65C,给组件施加3V的工作电压,用铜一康铜热电偶测量组件的冷面中心点温度,并同时记下组件从65℃降至10C时所需的时间应小于2min。工作电流应小于5A。4.6.4引出线强度试验
引出线的抗拉力试验应先将组件垂直固定,轮流在每根引出线上沿轴线方向加静负荷19.6N,时间为10土1s,引出线不应有断裂和机械损伤。然后将组件水平固定,在引出线端部沿重力方向加静负荷4.9N,时间为10×1s,引出线不应断裂和机械损伤。4.6.5组件的稳定性试验
4.6.5.1高温试验
按GB2423.2试验方法进行,将非工作状态下的组件放置在温度为100土3℃,持续时间为72h,试验后,在室温下放置2h,然后在4h内测完最大温差,其值应不小于表2的规定。4.6.5.2低温试验
按GB2423.1试验方法进行,将非工作状态下的组件放置在温度为-55±3℃下,持续时间为72h,试验后,在室温下放置2h,然后在4h内测完最大温差,其值应不小于表2的规定。4.6.5.3温度变化试验
按GB2423.22试验方法进行,将非工作状态下的组件分别放置在温度为一55±3℃和85±3℃的范围内,持续时间为30min,转换时间小于1min,循环5次,试验后,在室温下放置2h,然后在4h内测完最大温差,其值应不小于表2的规定。4.6.5.4变频振动试验
按GB2423.10的试验方法进行,将非工作状态下的组件固定在交频振动台的专用夹具上,组件与夹具形成刚性连接(专用夹具见附录A在垂直于组件陶瓷面的Y方向和平行于组件陶瓷面的X方向进行试验,振动频率为10~50Hz,振幅为0.5mm,振动频率为50-一500Hz,加速度为5g。一次扫描20min,每个方向扫描2次,试验后,组件的最大温差应不小于表2的规定。
4.6.5.5碰撞试验
按GB2423.6的试验方法进行,将非工作状态下的组件机械地紧固在碰撞台上,碰撞加7
SJ20517—1995
速度为40g,脉冲宽度为6ms,脉冲波形为半正弦波,碰撞次数为1000土10次,试验后,组件的最大温差应不小于表2的规定。
4.6.5.6冲击试验
按GB2423.5的试验方法进行,将非工作状态下的组件机械地紧固在冲击台上。冲击加速度为50g,脉冲宽度为6ms,冲击方向为X、Y、Z三个方向,每个方向冲击3次,试验后,组件的最大温差应大于或等于表2的规定。4.6.5.7恒加速度试验
按GB2423.15的试验方法进行,将非工作状态下的组件安装在恒加速度试验台上,试验加速度为25g,方向为三个互相垂直轴线中的每一轴线上的相反两方向,时间为每方向5min,试验后,组件的最大温差应不小于表2的规定。4.6.5.8电耐久试验
将组件置于27±1C的散热板上,给组件施加最大温差电流168h,试验后的室温下放置2h,然后在4h内测完组件的最大温差。其值应大于试验前最大温差的0.85倍。4.6.5.9电致冷、致热交变试验
将组件安装在专用的试验台上,试验专用夹具见附录B(参考件),通电6s,停18s,再反向通电6s,停18s为一循环周期。通电时调电流使热面温度达到80±2,试验时间为12h,试验后,组件内阻的变化率的绝对值应小于10%。4.6.6组件的失效率试验
组件的失效率试验按SJ20140进行,其结果应符合3.2.6条的规定。5交货准备
5.1标志、包装、运输、贮存
5.1.1产品应标志出型号及批号。5.1.2产品应有良好的包装,并有防震保护,包装盒内应有说明书,盒上应有封条并注明:a.
制造厂商标;
产品型号及数量;
检验员、包装员代号;
产品合格证;
包装日期。
产品说明书应包括下列内容:
制造厂商标;
b。产品的标准编号及型号;
产品的主要用途;
d.产品的主要热电参数;
e.产品外形图。
5.1.4产品包装应坚固,包装箱应清晰注明“小心”、“防潮”、“防震”字样或图样,装有产品的包装箱允许用任何运输工具运输,运输中应避免雨雪的直接淋袭和机械撞击。5.1.5产品应保存在10~+40℃,相对湿度不大于70%干燥通风而且无腐蚀性气体的仓库内。
5.1.6产品存放在密封并充有氮气的干燥器中,从验收之日起5a之内,组件仍能可靠地工-8
说明事项
SJ20517—1995
6.1预定用途:该产品预定用于HQ一7工程及与其类似的军事装备工程,也可以用于航天、航空、电信、仪器等行业的致冷和恒温。6.2订货文件内容
合同或订单中应载明下列内容:本规范的名称和编号;
6。产品类型;
数量:
d、封存、包装和装箱日期。
附录A(标准的附录)
组件变频振动试验专用夹具
本附录为组件变频振动试验时使用的专用夹具(以下简称夹具)夹具包括
上夹板(15mm厚的布胶板);
下夹板(15mm厚的布胶板);
上衬垫(5mm厚的海棉);
下衬垫(5mm厚的海棉);
螺钉(半圆头M,3个);
垫图(M3个);
螺母(M3个):
弹簧垫圈(M3个)。
安装方法
将10块组件置于预告放好衬垫的下夹板的槽内,再放上一层海棉及上夹板,用3个螺钉紧固于两夹板之间。
夹具各部件尺寸及装配图,见图A1。A4
组件变频振动试验专用夹具装配图图AI
半圆头螺钉(长度[=H+5)2-
螺母:
一组件(30mm×30mm);
光平垫圈:
5-下夹板;
8一上衬垫:
弹黄垫圈:
一下衬垫;
9———上夹板。
附录B(标准的附录)
组件电致冷致热交变试验专用夹具本附录为组件电致冷致热交变试验专用夹具(以下简称夹具)。夹具包括:
夹板(3mm厚的铝板2块);
半圆头螺钉(M42个);
螺母(M42个);
光平垫圈(M2个);
弹簧垫圈(M42个)。
安装方法
将组件置于预先铣槽深0.5mm的两块铝夹板槽内,用两个M4螺钉,紧固两夹板。夹真各部件尺寸及装配图,见图B1。B4
图B1组件电致冷致热交变试验夹具装配图1-组件(30×30mm);;2—夹板;3
螺钉:
5-弹黄垫圈;
光平垫图:
螺母。
(在30mm处铣槽深为0.5mm)
小提示:此标准内容仅展示完整标准里的部分截取内容,若需要完整标准请到上方自行免费下载完整标准文档。
TEC1一03108温差电致冷组件规范Specification for Thermoelectric cooling module TEC1-031081995-05-25发布
1995-12-01实施
中华人民共和国电子工业部批准中华人民共和国电子行业军用标准TEC1-03108温差电致冷组件规范Specification for Thermoelectric cooling module TEC1-031081范围
1.1主题内容
SJ20517-1995
本规范规定了TEC1-03108温差电致冷组件(以下简称组件)总的技术要求。1.2适用范围
本规范适用于HQ-722程用的TEC1-—03108组件。2引用文件
GB2423.1-81
GB2423.2-81
GB2423.581
GB2423.6—81
GB2423.10-81
GB2423.15--81
GB2423.22—81
GB2828--87
GB2829—87
SJ2855-88
SJ2856-88
SJ2858-88
SJ20139-92
SJ2014092
3要求
3.1一般要求
3.1.1气候条件
电工电子产品基本环境试验规程试验A:低温试验方法
电工电子产品基本环境试验规程试验B:高温试验方法电工电子产品基本环境试验规程试验Ea:冲击试验方法电工电子产品基本环境试验规程试验Eb:碰撞试验方法电工电子产品基本环境试验规程试验Fc:振动(正弦)试验方法电工电子产品基本环境试验规程试验Ga:恒加速度试验方法电工电子产品基本环境试验规程试验N:温度变化试验方法逐批检查计数抽样程序及抽样表(适用于连续批的检查)周期检查计数抽样程序及抽样表(适用于生产过程稳定性的检查)温差电致冷名词术语
温差电致冷组件型号命名方法
温差电致冷组件性能的测试方法温差及最低冷面温度的测试方法军用温差电致冷组件最大致冷功率的测试方法军用温差电致冷组件失效率试验方法温度:-50~+70℃;
相对湿度:小于70%;
气压:86~106kPa。
中华人民共和国电子工业部1995-05-25发布1995-12-01实施
3.1.2散热条件
SJ20517—1995Www.bzxZ.net
组件工作时,热面应用强制风冷散热装置或水冷散热装置,热面温度应不超过70℃。在有防氧化的条件下,组件的热面温度应不超过85C。3.1.3供电条件
当组件工作时,必须使用纹波系数小于10%的直流电源。3.2详细要求
3.2.1外观要求
3.2.1.1组件的外表面应无锈蚀或其它机械损伤,内部不得有污物,元件排列应整齐。3.2.1.2组件的引出线的排列位置及正负极标志(正极为红色导线,负极为黄色导线)如图1所示。引出线的规格为HF46--20.75/19×23。L
TEC1-03108组件外形示意图
TEC1—03108组件的外形尺寸平行度及平面度要求:如表1规定。表1
TEC1--03108
长度L
宽度B
组件的热电参数应符合表2的规定。表2
TECI-03108
Th=27C
△T=ot
最大致冷
功率Qmx
Th=27c
最大温差
高度H
5.6±0.05
最大温
差电流
Th=27℃
工作电压
3.8±0.38
平行度
环境温度
阻件内阻
0.38±0.038
平面度
温度不
均匀性
3.2.3组件的降温时间的要求
SJ205171995
组件的热面温度为65℃,给组件施加3V的直流电压,组件冷面的温度达到10℃的时间应小于2min。工作电流应小于5A。3.2.4引出线强度要求
组件引出线的抗拉力沿轴向应大于19.6N,沿重力方向应大于4.9N。3.2.5稳定性要求
经下列试验后,组件的结构应牢固可靠,热电参数应符合规定的要求。3.2.5.1高温试验;
3.2.5.2低温试验;
3.2.5.3温度变化试验;
3.2.5.4变频振动试验;
3.2.5.5碰撞试验;
3.2.5.6冲击试验
恒加速度试验;
3.2.5.8电耐久试验;
3.2.5.9电致冷、致热交变试验。3.2.6寿命要求
组件的最大失效率为1×10\5/h。4质量保证规定
4.1检验责任
除合同或订单中另有规定外,承制方应负责完成本规范规定的所有检验。必要时,订购方或上级鉴定机构有权对规范所述的任一检验项目进行检查。4.1.1合格责任
所有产品必须符合本规范第3章和第4章的所有要求。本规范中规定的检验应成为承制方整个检验体系或质量大纲的一个组成部分。若合同中包括本规范未规定的检验要求,承制方还应保证所提交验收的产品符合合同要求。交收检验抽样不允许提交明知有缺陷的产品,也不能要求订购方接收有缺陷的产品。4.2检验分类
本规范规定的检验分为:
a.例行检验;
b。交收检验。
4.3检验条件
4.3.1气候条件
温度:15~35℃;
相对湿度:45~75%;
气压:86~106kPa。(最大温差、最大温差电流及工作电压的测试气压应低于5×10-3Pa)
4.3.2散热条件
测试组件的热电参数时,热面应采取散热措施。—3—
4.3.3供电条件
SJ20517-1995
测试组件时,必须采用纹波系数小于2%的直流电源。4.3.4检验仪表的要求
检验所使用的仪表,其精度应比被测参数的允许误差提高05~1.0个数量级。所有仪表使用前需经有关法定计量单位和机构校验合格。并具有在有效期内的鉴定证书。4.4例行检验
4.4.1例行检验应每季度进行一次,如产品连续生产1年以上,但连续三次例行检验都是一次通过,则例行检验允许每半年进行一次。4.4.2例行检验的产品从成批检验合格,并经过合理的工艺筛选中按抽样表随机抽取。每个检验分组抽取一组样品进行检验,各组样品分别进行编号与标记,并保持到检验终止,以便各个样品检验前、检验中间与检验终止后考核其变化。4.4.3例行检验按GB2829,判别水平Ⅱ,一次抽样方案进行。例行检验的项目顺序,产品的不合格质量水平RQL值及判定数据见表3。表3
引出线
稳定性
检验项目
外表面
组件引出线
平等度
平面度
最大致冷功率
最大温差
最大温差电流
工作电压
组件内阻
温度不均匀性
降温时间
引出线抗拉力
引出线弯曲试验
高温试验
低温试验
温度变化试验
变频振动试验
碰撞试验
冲击试验
恒加速度试验
电耐久168h
电致冷、致热交变试验
要求的
章条号
检查或试验
方法的章条号
判定数据
SJ20517—1995
若全部通过上述试验项目,满足表3中的规定,则例行检验为合格。4.4.4例行检验第一一次抽样检查判为不合格时,该批产品可以在失效分析的基础上,采取必要的措施,剔出不合格品,再抽双倍数量进行例行检验,如果加倍抽取例验中发现有两块不符合要求,则产品不能交付。例行检验的产品其各项性能指标变化不得大于10%,例验合格后,该批产品可提交使用。
4.5交收检验
4.5.1组件经例行检验合格的产品批提交使用方时应进行此检验。交收检验由制造厂进行,需方接到产品后的三个月内应按交收检验项目进行检验,并通知制造厂,否则按交收检验合格处理。
交收检验的抽样按GB2828,一般检查水平Ⅱ,一次抽样方案。交收检验的项目顺序及组件的合格质量水平AQL值见表4。表4
检验项目
外表面
组线引出线
热电参数
平行度
平面度
最大温差
4.5.4经表4检验合格的产品应做下列试验:4.5.4.1振动试验
要求的章条号
检查或试验方法
的章条号
将组件与振动台形成刚性连接,按图2随机振动谱进行随机扫频振动。方向:垂直于陶瓷片的方向为X方向,平行于导线的方向为Y方向。0.04g/Hz
+3dB/倍额程
图2随机振动谱
4.5.4.2温度循环试验
-3dB/倍频程
SJ20517—1995
按图3所示的循环曲线,将组件放置在-40℃~+85℃下,保温时间为30min,变温速率为2~5c/min,循环次数为5次。T(c)
t(min)
,图3温度循环曲线
4.5.5组件的降温时间的验收
组件应100%的按4.5.4进行试验,再100%的进行性能测试,性能参数测试按本标准第4.6.3条进行,每批产品的淘汰率不得大于10%,如不符合要求,必须从工艺上找出原因,采取措施直到合格为止。
4.5.6如需方要求,经供需双方协议,组件的失效率试验按4.6.6条进行。4.5.7交收检验一次检验不合格时,此检验批可经过筛选,再重新提交检验,如仍不合格,则该批视为不合格。
4.5.8不合格
如果样品未通过交收检验,则应停止产品的验收和交付。承制方应将不合格情况通知合格鉴定单位。在采取纠正措施后,应根据合格鉴定单位的意见,重新进行全部试验或检验,若试验仍不合格,则应将不合格的情况通知合格鉴定单位。4.6检验方法
4.6.1外观要求的检验
4.6.1.1目测组件的外观及引出线应符合3.2.1.1和3.2.1.2的规定。4.6.1.2用卡尺测量组件的长和宽,应符合表1的规定。4.6.1.3用千分尺在组件的四个角和中心处各测量-个点,5点所测高度应符合表1的规定。
4.6.1.4将组件置于一基准平面内,用百分表在组件的四个角和中心处各测量一个点,5点所测数据的最大值与最小值之差应符合表1不平行度的要求。6
SJ20517—1995
4.6.1.5用4.6.1.4条的方法测量组件的两个面,每面各测5点,每5点所测数据的最大值与最小值之差应符合表1平面度的要求。4.6.2组件的热电参数的测试
4.6.2.1组件的最大致冷功率为参考值,其测试方法按SJ20139进行,其值应不小于表2中Qcmax的10%。
4.6.2.2组件的最大温差△Tmax按SJ2858进行,其结果应不小于表2的规定。4.6.2.3组件的最大温差电流及工作电压的测试是在测试组件的最大温差时记下的电流值和电压值,组件的最大温差电流及工作电压应符合表2的规定。4.6.2.4组件的内阻的测试是在环境温度为23±3C时给组件施加1000Hz的交流电流,电流的有效值为100mA,测出组件内纽应符合表2的规定。4.6.2.5组件的温度不均匀性的测试,是将组件置于27±1C的散热板上,通以最大温差电流,用5副铜一—康铜热电偶测量冷面5点温度,以中心为基准点,其余四点离边缘的距离应不小于四分之一边长。这四点与中心值的温度偏差应符合表2的规定。4.6.3组件的降温时间的测试
将组件置于一散热板上通水散热,使热面温度为+65C,给组件施加3V的工作电压,用铜一康铜热电偶测量组件的冷面中心点温度,并同时记下组件从65℃降至10C时所需的时间应小于2min。工作电流应小于5A。4.6.4引出线强度试验
引出线的抗拉力试验应先将组件垂直固定,轮流在每根引出线上沿轴线方向加静负荷19.6N,时间为10土1s,引出线不应有断裂和机械损伤。然后将组件水平固定,在引出线端部沿重力方向加静负荷4.9N,时间为10×1s,引出线不应断裂和机械损伤。4.6.5组件的稳定性试验
4.6.5.1高温试验
按GB2423.2试验方法进行,将非工作状态下的组件放置在温度为100土3℃,持续时间为72h,试验后,在室温下放置2h,然后在4h内测完最大温差,其值应不小于表2的规定。4.6.5.2低温试验
按GB2423.1试验方法进行,将非工作状态下的组件放置在温度为-55±3℃下,持续时间为72h,试验后,在室温下放置2h,然后在4h内测完最大温差,其值应不小于表2的规定。4.6.5.3温度变化试验
按GB2423.22试验方法进行,将非工作状态下的组件分别放置在温度为一55±3℃和85±3℃的范围内,持续时间为30min,转换时间小于1min,循环5次,试验后,在室温下放置2h,然后在4h内测完最大温差,其值应不小于表2的规定。4.6.5.4变频振动试验
按GB2423.10的试验方法进行,将非工作状态下的组件固定在交频振动台的专用夹具上,组件与夹具形成刚性连接(专用夹具见附录A在垂直于组件陶瓷面的Y方向和平行于组件陶瓷面的X方向进行试验,振动频率为10~50Hz,振幅为0.5mm,振动频率为50-一500Hz,加速度为5g。一次扫描20min,每个方向扫描2次,试验后,组件的最大温差应不小于表2的规定。
4.6.5.5碰撞试验
按GB2423.6的试验方法进行,将非工作状态下的组件机械地紧固在碰撞台上,碰撞加7
SJ20517—1995
速度为40g,脉冲宽度为6ms,脉冲波形为半正弦波,碰撞次数为1000土10次,试验后,组件的最大温差应不小于表2的规定。
4.6.5.6冲击试验
按GB2423.5的试验方法进行,将非工作状态下的组件机械地紧固在冲击台上。冲击加速度为50g,脉冲宽度为6ms,冲击方向为X、Y、Z三个方向,每个方向冲击3次,试验后,组件的最大温差应大于或等于表2的规定。4.6.5.7恒加速度试验
按GB2423.15的试验方法进行,将非工作状态下的组件安装在恒加速度试验台上,试验加速度为25g,方向为三个互相垂直轴线中的每一轴线上的相反两方向,时间为每方向5min,试验后,组件的最大温差应不小于表2的规定。4.6.5.8电耐久试验
将组件置于27±1C的散热板上,给组件施加最大温差电流168h,试验后的室温下放置2h,然后在4h内测完组件的最大温差。其值应大于试验前最大温差的0.85倍。4.6.5.9电致冷、致热交变试验
将组件安装在专用的试验台上,试验专用夹具见附录B(参考件),通电6s,停18s,再反向通电6s,停18s为一循环周期。通电时调电流使热面温度达到80±2,试验时间为12h,试验后,组件内阻的变化率的绝对值应小于10%。4.6.6组件的失效率试验
组件的失效率试验按SJ20140进行,其结果应符合3.2.6条的规定。5交货准备
5.1标志、包装、运输、贮存
5.1.1产品应标志出型号及批号。5.1.2产品应有良好的包装,并有防震保护,包装盒内应有说明书,盒上应有封条并注明:a.
制造厂商标;
产品型号及数量;
检验员、包装员代号;
产品合格证;
包装日期。
产品说明书应包括下列内容:
制造厂商标;
b。产品的标准编号及型号;
产品的主要用途;
d.产品的主要热电参数;
e.产品外形图。
5.1.4产品包装应坚固,包装箱应清晰注明“小心”、“防潮”、“防震”字样或图样,装有产品的包装箱允许用任何运输工具运输,运输中应避免雨雪的直接淋袭和机械撞击。5.1.5产品应保存在10~+40℃,相对湿度不大于70%干燥通风而且无腐蚀性气体的仓库内。
5.1.6产品存放在密封并充有氮气的干燥器中,从验收之日起5a之内,组件仍能可靠地工-8
说明事项
SJ20517—1995
6.1预定用途:该产品预定用于HQ一7工程及与其类似的军事装备工程,也可以用于航天、航空、电信、仪器等行业的致冷和恒温。6.2订货文件内容
合同或订单中应载明下列内容:本规范的名称和编号;
6。产品类型;
数量:
d、封存、包装和装箱日期。
附录A(标准的附录)
组件变频振动试验专用夹具
本附录为组件变频振动试验时使用的专用夹具(以下简称夹具)夹具包括
上夹板(15mm厚的布胶板);
下夹板(15mm厚的布胶板);
上衬垫(5mm厚的海棉);
下衬垫(5mm厚的海棉);
螺钉(半圆头M,3个);
垫图(M3个);
螺母(M3个):
弹簧垫圈(M3个)。
安装方法
将10块组件置于预告放好衬垫的下夹板的槽内,再放上一层海棉及上夹板,用3个螺钉紧固于两夹板之间。
夹具各部件尺寸及装配图,见图A1。A4
组件变频振动试验专用夹具装配图图AI
半圆头螺钉(长度[=H+5)2-
螺母:
一组件(30mm×30mm);
光平垫圈:
5-下夹板;
8一上衬垫:
弹黄垫圈:
一下衬垫;
9———上夹板。
附录B(标准的附录)
组件电致冷致热交变试验专用夹具本附录为组件电致冷致热交变试验专用夹具(以下简称夹具)。夹具包括:
夹板(3mm厚的铝板2块);
半圆头螺钉(M42个);
螺母(M42个);
光平垫圈(M2个);
弹簧垫圈(M42个)。
安装方法
将组件置于预先铣槽深0.5mm的两块铝夹板槽内,用两个M4螺钉,紧固两夹板。夹真各部件尺寸及装配图,见图B1。B4
图B1组件电致冷致热交变试验夹具装配图1-组件(30×30mm);;2—夹板;3
螺钉:
5-弹黄垫圈;
光平垫图:
螺母。
(在30mm处铣槽深为0.5mm)
小提示:此标准内容仅展示完整标准里的部分截取内容,若需要完整标准请到上方自行免费下载完整标准文档。

标准图片预览:





- 其它标准
- 热门标准
- 电子行业标准(SJ)
- SJ20811-2002 压阻式加速度传感器总规范
- SJ2588-1985 BSH12~14-1L、BSH12~14-2L型一体化回扫变压器
- SJ933-1975 半导体调幅广播收音机用输出输入变压器
- SJ/T11259-2001 制冷机低温泵总规范
- SJ/T31291-1994 CHJ-S-2型超声波塑料焊接机完好要求和检查评定方法
- SJ1007-75 双动冲床引伸模 上压板
- SJ/T31248-1994 CLS-37型激交调阻机完好要求和检查评定方法
- SJ/T31279-1994 WLD-T1型无感式电容器引线自动焊接机完好要求和检查评定方法
- SJ/T31280-1994 隧道式电容器清洗机完好要求和检查评定方法
- SJ/T31360-1994 箱体成形折弯机完好要求和检查评定方法
- SJ/Z9094.4-1987 地面无线电接力系统所用设备的测量方法 第二部分:分系统的测量 第三章 射频分支网络
- SJ/T31254-1994 自动绕片机完好要求和检查评定方法
- SJ/T10980-1996 电子器件详细规范 2CC23、2CC28型硅调谐变容二极管(可供认证用)
- SJ993-75 双动冲床引伸模 固定板定位板
- SJ3039.1-1988 组合冲模 90°特形弯曲刃口合件
- 行业新闻
请牢记:“bzxz.net”即是“标准下载”四个汉字汉语拼音首字母与国际顶级域名“.net”的组合。 ©2009 标准下载网 www.bzxz.net 本站邮件:bzxznet@163.com
网站备案号:湘ICP备2023016450号-1
网站备案号:湘ICP备2023016450号-1