- 您的位置:
- 标准下载网 >>
- 标准分类 >>
- 国家标准(GB) >>
- GB 16321-1996 乳酸菌饮料卫生标准
标准号:
GB 16321-1996
标准名称:
乳酸菌饮料卫生标准
标准类别:
国家标准(GB)
标准状态:
已作废-
发布日期:
1996-06-19 -
实施日期:
1996-09-01 出版语种:
简体中文下载格式:
.rar.pdf下载大小:
88.75 KB
部分标准内容:
中华人民共和国国家标准
乳酸菌饮料卫生标准
Hygienic standard for yoghurt beverage1 主题内容与适用范围
本标准规定了乳酸菌饮料的分类、卫生要求、检验方法、运输、贮存等。GB16321-1996
本标准适用于以鲜乳、乳粉或辅以大豆等为原料,经嗜热链球菌或保加利亚乳酸杆菌发酵加工制成的具有相应风味的活性或非活性乳酸菌饮料。2引用标准
GB2760食品添加剂使用卫生标准GB 4789.2
食品卫生微生物学检验
食品卫生微生物学检验
GB 4789. 3
GB 4789. 41
食品卫生微生物学检验
食品卫生微生物学检验
GB 4789. 5免费标准下载网bzxz
GB 4789.10
GB 4789. 11
GB 4789. 15
GB 5009. 5
GB 5009. 7
食品卫生微生物学检验
食品卫生微生物学检验
食品卫生微生物学检验
菌落总数测定
大肠菌群测定
沙门氏菌检验
志贺氏菌检验
葡萄球菌检验
溶血性链球菌检验
霉菌和酵母菌总数测定
食品中蛋白质的测定方法
食品中还原糖的测定方法
食品中蔗糖的测定方法
GB/T 5009. 11
GB/T 5009. 12
GB/T5009.13
食品中总砷的测定方法
食品中铅的测定方法
食品中铜的测定方法
GB/T5009.46
乳与乳制品卫生标准的分析方法GB/T 16347
乳酸菌饮料中乳酸菌的微生物学检验QB1554—92
乳酸菌饮料
.3分类
3.1活性乳酸菌饮料:产品经乳酸菌发酵后不再杀菌制成的产品。3.2非活性乳酸菌饮料:产品经乳酸菌发酵后再经杀菌制成的产品。4卫生要求
4.1感官指标
4.1.1色泽:呈均匀-一致的乳白色,稍带微黄色或相应的果类色泽。4.1.2滋味和气味:口感细腻、甜度适中、酸而不涩,具有该乳酸菌饮料应有的滋味和气味,无异味。4.1.3组织状态;呈乳浊状,均匀一致不分层,允许有少量沉淀,无气泡、无异物。中华人民共和国卫生部1996-06-19批准1996-09-01实施
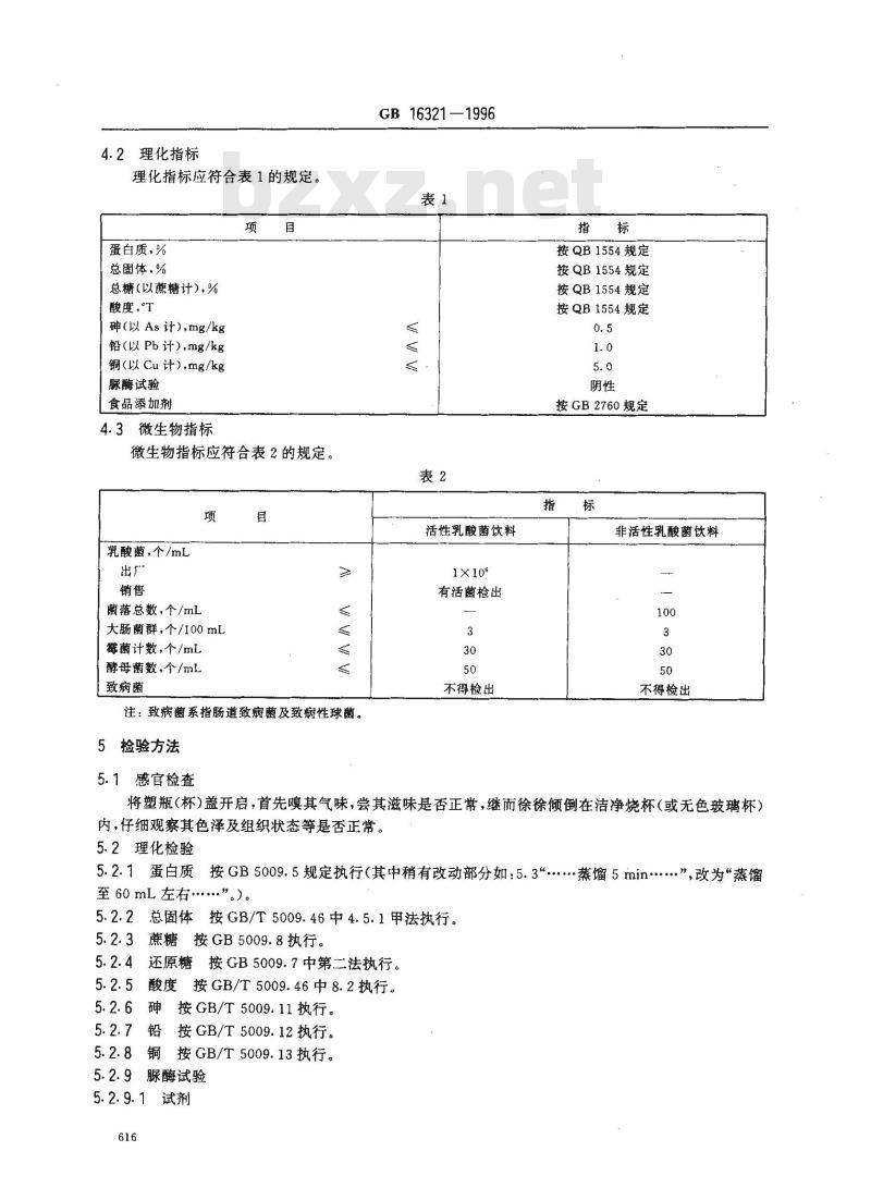
4.2理化指标
理化指标应符合表1的规定。
蛋白质,%
总固体,%
总糖(以蔗糖计),%
酸度,\T
砷(以 As 计),mg/kg
铅(以 Pb 计),mg/kg
铜(以Cu计),mg/kg
腺酶试验
食品添加剂
4.3微生物指标
微生物指标应符合表2的规定。
乳酸菌,个/mL
菌落总数,个/mL
大肠菌群,个/100mL
舞菌计数,个/mL
酵母菌数,个/mL
致病菌
注:致病菌系指肠道致病菌及致病性球菌。5检验方法
5.1感官检查
GB 16321—1996
活性乳酸菌饮料
1×10%
有活菌检出
不得检出
按QB1554规定
按QB1554规定
按QB1554规定
按QB1554规定
按GB2760规定
非活性乳酸菌饮料
不得检出
将塑瓶(杯)盖开启,首先其气味,尝其滋味是否正常,继而徐徐倾倒在洁净烧杯(或无色玻璃杯)内,仔细观察其色泽及组织状态等是否正常。5.2理化检验
5.2.1蛋白质按GB5009.5规定执行(其中稍有改动部分如:5.3蒸馏5min.”,改为蒸馏至 60 mL 左右...”)。
5.2.2总固体按GB/T5009.46中4.5.1甲法执行。5.2.3蔗糖按GB5009.8执行。
5.2.4还原糖按GB5009.7中第二法执行。5.2.5酸度按GB/T5009.46中8.2执行。5.2.6砷按GB/T5009.11执行。
5.2.7铅按GB/T5009.12执行。
5.2.8铜按GB/T5009.13执行。
5.2.9脲酶试验
5.2.9.1试剂
0.1%酚红乙醇液;
GB 16321—1996
b.0.06mol/L磷酸二氢钠:4.689gNaHzPO2H20溶于500mL水中;c.0.06mol/L磷酸氢二钠:21.51gNa2HPO4·12H,O溶于1000mL水中;d、 10%尿素。
5.2.9.2测定方法
缓冲液0.06mol/L磷酸二氢钠390mL,0.06mol/L磷酸氢二钠610mL混合,取试管二支,各加入试样1mL,并各加入缓冲液1mL,向样品中加入10%尿素溶液2mL,向对照管加入蒸馏水2mL,摇匀后置于30℃水浴中保温10min,样品管及对照管各加入酚红指示剂1~2滴,摇匀后比较两管颜色。对照管呈黄色或橙黄色;含尿素样品呈鲜红色。5.3微生物检验
5.3.1菌落总数按GB4789.2执行。5.3.2大肠菌群按GB4789.3执行。5.3.3致病菌按GB4789.4、GB4789.5、GB4789.10、GB4789.11执行。5.3.4霉菌计数和酵母菌数按GB4789.15执行。5.3.5乳酸菌按GB/T16347执行。6运输、贮存、
6.1成品运输时应采用冷藏车或其他有保温隔热设施的车辆装运。6.2成品贮存在2~10℃的冷条件下,其保存期自生产日起,活性产品不少于一个月,非活性产品不少于二个月。经灭菌的乳酸菌饮料不得有活性乳酸菌饮料的标志。附加说明:
本标准由卫生部卫生监督司提出。本标准由上海市食品卫生监督检验所、广东省食品卫生监督检验所、南京市食品卫生监督检验所、贵州省食品卫生监督检验所负责起草。本标准主要起草人姜培珍、胡志堃、曾寿瀛、殷忠、朱金祥。本标准由卫生部委托技术归口单位卫生部食品卫生监督检验所负贵解释。617
小提示:此标准内容仅展示完整标准里的部分截取内容,若需要完整标准请到上方自行免费下载完整标准文档。
乳酸菌饮料卫生标准
Hygienic standard for yoghurt beverage1 主题内容与适用范围
本标准规定了乳酸菌饮料的分类、卫生要求、检验方法、运输、贮存等。GB16321-1996
本标准适用于以鲜乳、乳粉或辅以大豆等为原料,经嗜热链球菌或保加利亚乳酸杆菌发酵加工制成的具有相应风味的活性或非活性乳酸菌饮料。2引用标准
GB2760食品添加剂使用卫生标准GB 4789.2
食品卫生微生物学检验
食品卫生微生物学检验
GB 4789. 3
GB 4789. 41
食品卫生微生物学检验
食品卫生微生物学检验
GB 4789. 5免费标准下载网bzxz
GB 4789.10
GB 4789. 11
GB 4789. 15
GB 5009. 5
GB 5009. 7
食品卫生微生物学检验
食品卫生微生物学检验
食品卫生微生物学检验
菌落总数测定
大肠菌群测定
沙门氏菌检验
志贺氏菌检验
葡萄球菌检验
溶血性链球菌检验
霉菌和酵母菌总数测定
食品中蛋白质的测定方法
食品中还原糖的测定方法
食品中蔗糖的测定方法
GB/T 5009. 11
GB/T 5009. 12
GB/T5009.13
食品中总砷的测定方法
食品中铅的测定方法
食品中铜的测定方法
GB/T5009.46
乳与乳制品卫生标准的分析方法GB/T 16347
乳酸菌饮料中乳酸菌的微生物学检验QB1554—92
乳酸菌饮料
.3分类
3.1活性乳酸菌饮料:产品经乳酸菌发酵后不再杀菌制成的产品。3.2非活性乳酸菌饮料:产品经乳酸菌发酵后再经杀菌制成的产品。4卫生要求
4.1感官指标
4.1.1色泽:呈均匀-一致的乳白色,稍带微黄色或相应的果类色泽。4.1.2滋味和气味:口感细腻、甜度适中、酸而不涩,具有该乳酸菌饮料应有的滋味和气味,无异味。4.1.3组织状态;呈乳浊状,均匀一致不分层,允许有少量沉淀,无气泡、无异物。中华人民共和国卫生部1996-06-19批准1996-09-01实施
4.2理化指标
理化指标应符合表1的规定。
蛋白质,%
总固体,%
总糖(以蔗糖计),%
酸度,\T
砷(以 As 计),mg/kg
铅(以 Pb 计),mg/kg
铜(以Cu计),mg/kg
腺酶试验
食品添加剂
4.3微生物指标
微生物指标应符合表2的规定。
乳酸菌,个/mL
菌落总数,个/mL
大肠菌群,个/100mL
舞菌计数,个/mL
酵母菌数,个/mL
致病菌
注:致病菌系指肠道致病菌及致病性球菌。5检验方法
5.1感官检查
GB 16321—1996
活性乳酸菌饮料
1×10%
有活菌检出
不得检出
按QB1554规定
按QB1554规定
按QB1554规定
按QB1554规定
按GB2760规定
非活性乳酸菌饮料
不得检出
将塑瓶(杯)盖开启,首先其气味,尝其滋味是否正常,继而徐徐倾倒在洁净烧杯(或无色玻璃杯)内,仔细观察其色泽及组织状态等是否正常。5.2理化检验
5.2.1蛋白质按GB5009.5规定执行(其中稍有改动部分如:5.3蒸馏5min.”,改为蒸馏至 60 mL 左右...”)。
5.2.2总固体按GB/T5009.46中4.5.1甲法执行。5.2.3蔗糖按GB5009.8执行。
5.2.4还原糖按GB5009.7中第二法执行。5.2.5酸度按GB/T5009.46中8.2执行。5.2.6砷按GB/T5009.11执行。
5.2.7铅按GB/T5009.12执行。
5.2.8铜按GB/T5009.13执行。
5.2.9脲酶试验
5.2.9.1试剂
0.1%酚红乙醇液;
GB 16321—1996
b.0.06mol/L磷酸二氢钠:4.689gNaHzPO2H20溶于500mL水中;c.0.06mol/L磷酸氢二钠:21.51gNa2HPO4·12H,O溶于1000mL水中;d、 10%尿素。
5.2.9.2测定方法
缓冲液0.06mol/L磷酸二氢钠390mL,0.06mol/L磷酸氢二钠610mL混合,取试管二支,各加入试样1mL,并各加入缓冲液1mL,向样品中加入10%尿素溶液2mL,向对照管加入蒸馏水2mL,摇匀后置于30℃水浴中保温10min,样品管及对照管各加入酚红指示剂1~2滴,摇匀后比较两管颜色。对照管呈黄色或橙黄色;含尿素样品呈鲜红色。5.3微生物检验
5.3.1菌落总数按GB4789.2执行。5.3.2大肠菌群按GB4789.3执行。5.3.3致病菌按GB4789.4、GB4789.5、GB4789.10、GB4789.11执行。5.3.4霉菌计数和酵母菌数按GB4789.15执行。5.3.5乳酸菌按GB/T16347执行。6运输、贮存、
6.1成品运输时应采用冷藏车或其他有保温隔热设施的车辆装运。6.2成品贮存在2~10℃的冷条件下,其保存期自生产日起,活性产品不少于一个月,非活性产品不少于二个月。经灭菌的乳酸菌饮料不得有活性乳酸菌饮料的标志。附加说明:
本标准由卫生部卫生监督司提出。本标准由上海市食品卫生监督检验所、广东省食品卫生监督检验所、南京市食品卫生监督检验所、贵州省食品卫生监督检验所负责起草。本标准主要起草人姜培珍、胡志堃、曾寿瀛、殷忠、朱金祥。本标准由卫生部委托技术归口单位卫生部食品卫生监督检验所负贵解释。617
小提示:此标准内容仅展示完整标准里的部分截取内容,若需要完整标准请到上方自行免费下载完整标准文档。
标准图片预览:



- 其它标准
- 热门标准
- 国家标准(GB)
- GB/T2828.1-2012 计数抽样检验程序 第1部分:按接收质量限(AQL)检索的逐批检验抽样计划
- GB/T8566-2022 系统与软件工程 软件生存周期过程
- GB175-2023 通用硅酸盐水泥
- GB/T30917—2014 /ISo 29941:2010 天然胶乳橡胶避孕套中可迁移亚硝胺的测定
- GB/T9124.1-2019 钢制管法兰 第1部分:PN 系列
- GB/T1182-2018 产品几何技术规范(GPS) 几何公差 形状、方向、位置和跳动公差标注
- GB/T12777-1999 金属波纹管膨胀节通用技术条件
- GB/T29633.4-2020 南极地名 第4部分:罗马字母拼写
- GB/T50062-2008 电力装置的继电保护和自动装置设计规范
- GB/T30544.5-2014 纳米科技 术语 第5部分纳米/生物界面
- GB/T5169.15—2015 /IEC 60695-11-3;2012 电工电子产品着火危险试验第15部分:试验火焰500 W火焰装置和确认试验方法
- GB4706.3-1986 家用和类似用途电器的安全食物搅碎器及类似用途电器的特殊要求
- GB15193.5-2003 骨髓细胞微核试验
- GB15985-1995 丝虫病诊断标准及处理原则
- GB16844-1997 普通照明用自镇流灯的安全要求
- 行业新闻
请牢记:“bzxz.net”即是“标准下载”四个汉字汉语拼音首字母与国际顶级域名“.net”的组合。 ©2025 标准下载网 www.bzxz.net 本站邮件:bzxznet@163.com
网站备案号:湘ICP备2025141790号-2
网站备案号:湘ICP备2025141790号-2