- 您的位置:
- 标准下载网 >>
- 标准分类 >>
- 国家标准(GB) >>
- GB/T 24675.4-2009 保护性耕作机械 圆盘耙
标准号:
GB/T 24675.4-2009
标准名称:
保护性耕作机械 圆盘耙
标准类别:
国家标准(GB)
标准状态:
现行-
发布日期:
2009-11-30 出版语种:
简体中文下载格式:
.rar .pdf下载大小:
2.55 MB
部分标准内容:
ICS 65.060.20
中华人民共和国国家标准
GB/T24675.4-2009
保护性耕作机械
圆盘粑
Conservation tillage equipment-Disc harrow2009-11-30发布
中华人民共和国国家质量监督检验检疫总局中国国家标准化管理委员会
2010-04-01实施
本部分由中国机械工业联合会提出。前言
本部分由全国农业机械标准化技术委员会(SAC/TC201)归口。GB/T24675.42009
本部分起草单位:新疆维吾尔自治区农牧业机械试验鉴定站、中国农业机械化科学研究院、甘肃省农业机械试验鉴定站、山西省农业机械试验鉴定站、北京市农业机械试验鉴定推广站。本部分主要起草人:马惠玲、杨兆文、石林雄、柴向阳、张京开、王英。1范围
保护性耕作机械
圆盘粑
GB/T24675.4—2009
GB/T24675的本部分规定了保护性耕作用圆盘粑的术语和定义、型号与参数、要求、试验方法、检验规则和交货、标志、包装、运输与贮存。本部分适用于与拖拉机配套的保护性耕作用圆盘靶(以下简称“圆盘靶\)。2规范性引用文件
下列文件中的条款通过GB/T24675的本部分的引用而成为本部分的条款。凡是注日期的引用文件,其随后所有的修改单(不包括勘误的内容)或修订版均不适用于本部分,然而,鼓励根据本部分达成协议的各方研究是否可使用这些文件的最新版本。凡是不注日期的引用文件,其最新版本适用于本部分。
GB/T1593.1农业轮式拖拉机后置式三点悬挂装置第1部分:1、2、3和4类(GB/T1593.1-1996,eqvISO730-1:1994)
GB/T1593.2农业轮式拖拉机后置式三点悬挂装置第2部分:1N类(GB/T1593.2一2003,ISO730-2:1979,NEQ)
GB/T2828.1计数抽样检验程序第1部分:按接收质量限(AQL)检索的逐批检验抽样计划(GB/T2828.1—2003,ISO2589-1:1999,IDT)GB/T5667农业机械生产试验方法GB/T9480农林拖拉机和机械、草坪和园艺动力机械使用说明书编写规则(GB/T9480-2001,eqvIS03600:1996)
GB10395.1农林机械
安全第1部分:总则(GB10395.1—2009,IS04254-1:2008,MOD)GB10396农林拖拉机和机械、罩坪和园艺动力机安全标志和危险图形总则(GB10396一2006,ISO11684:1995,MOD
GB/T13306标牌
JB/T6279—2007圆盘粑
JB/T8574农机具产品型号编制规则JB/T9832.2农林拖拉机及机具漆膜附着性能测定方法压切法(JB/T9832.2—1999,eqvISO2049:1972)
3术语和定义
下列术语和定义适用于本部分。3.1
保护性耕作地作业
protectivetillageharrowingtask在未经耕整(在进行秸秆粉碎处理或在进行深松作业后)的茬地上,完成破茬(除草、埋肥及播前整地等)松土功能的作业。
protectivetillagedischarrow
保护性耕作圆盘粑
适用手保护性耕作艳地作业的机具。1
GB/T24675.4—2009
植被覆盖量vegetationpernitarea地表上单位面积内作物秸秆和杂草的质量。3.4
机具通过性trafficabilitycharacteristicofmachinery机具作业时通过局部起伏不平地面和克服作物秸秆和杂草缠绕堵塞的能力。3.5
堵塞程度jammeddegree
机具作业时作物秸秆、杂草和土块对机具拥堵的程度。3.6
重度堵塞severejam
机具被秸秆、杂草和土块缩绕堵塞,出现1.5m以上的连续不能正常耙地作业。3.7
中度堵塞moderatejam
机具被秸秆、杂草和土块缠绕堵塞,出现0.5m1.5m的连续不能正常地作业。3.8
轻度堵塞lightjam
机具被秸秆、杂草和土块缠绕堵塞,出现小于0.5m的连续不能正常耙地作业。4型号与参数
圆盘粑的产品型号的编制应符合JB/T8574的规定,基本参数应符合JB/T6279的规定。5要求
5.1一般要求
5.1.1圆盘靶应按经规定程序批准的图样和技术文件制造。5.1.2悬挂、半悬挂耙与拖拉机的联接尺寸应符合GB/T1593.1~1593.2的规定。5.1.3在作业和运输时,各紧固件均应牢固可靠,易自动松脱的零、部件应装有防松装置。5.1.4铸件应无裂纹和其他降低零件强度的缺陷,配合部位不应有砂眼、气孔和缩孔等缺陷。5.1.5焊接件焊缝应平整均匀、牢固,不应有虚焊、漏焊、烧穿、未焊透、裂缝、夹渣和气孔等影响强度的缺陷。杷架焊接后应平直,其安装面平面度应不大于200:15.1.6各润滑部位应注足润滑剂。摩擦表面和螺纹部分应涂防锈油。5.1.7靶片应采用性能不低于65Mn钢板制造,并应进行热处理,其硬度应为38HRC~48HRC,靶片刃口边缘不应有裂纹和明显的残缺及皱折。5.1.8使用说明书的编写应符合GB/T9480的规定。5.1.9外观质量:涂漆前应清除零部件表面的锈层、焊渣、皮、粘砂、毛刺、油污和灰尘等,然后涂上防锈底漆,再涂面漆。与土壤接触的金属表面和装配后不裸露的金属表面可只涂底漆。油漆表面应均匀,不应有漏漆、起皮和剥落现象。5.1.10漆膜附着性能应不低于JB/T9832.2中规定的Ⅱ级。5.1.11靶组装配后应转动灵活、无卡阻。装缺口靶片的靶组,相邻粑片的缺口应错开安装。将整机支起时,转动粑组所需的力矩不大于55N·m。杷组偏角应可调节,其调节范围应符合JB/T6279一2007表1规定,其允差为士2°。调节机构应灵活可靠,手柄操作力应不大于150N。2
5.1.12液压油路系统密封处应不渗漏油。GB/T24675.4—2009
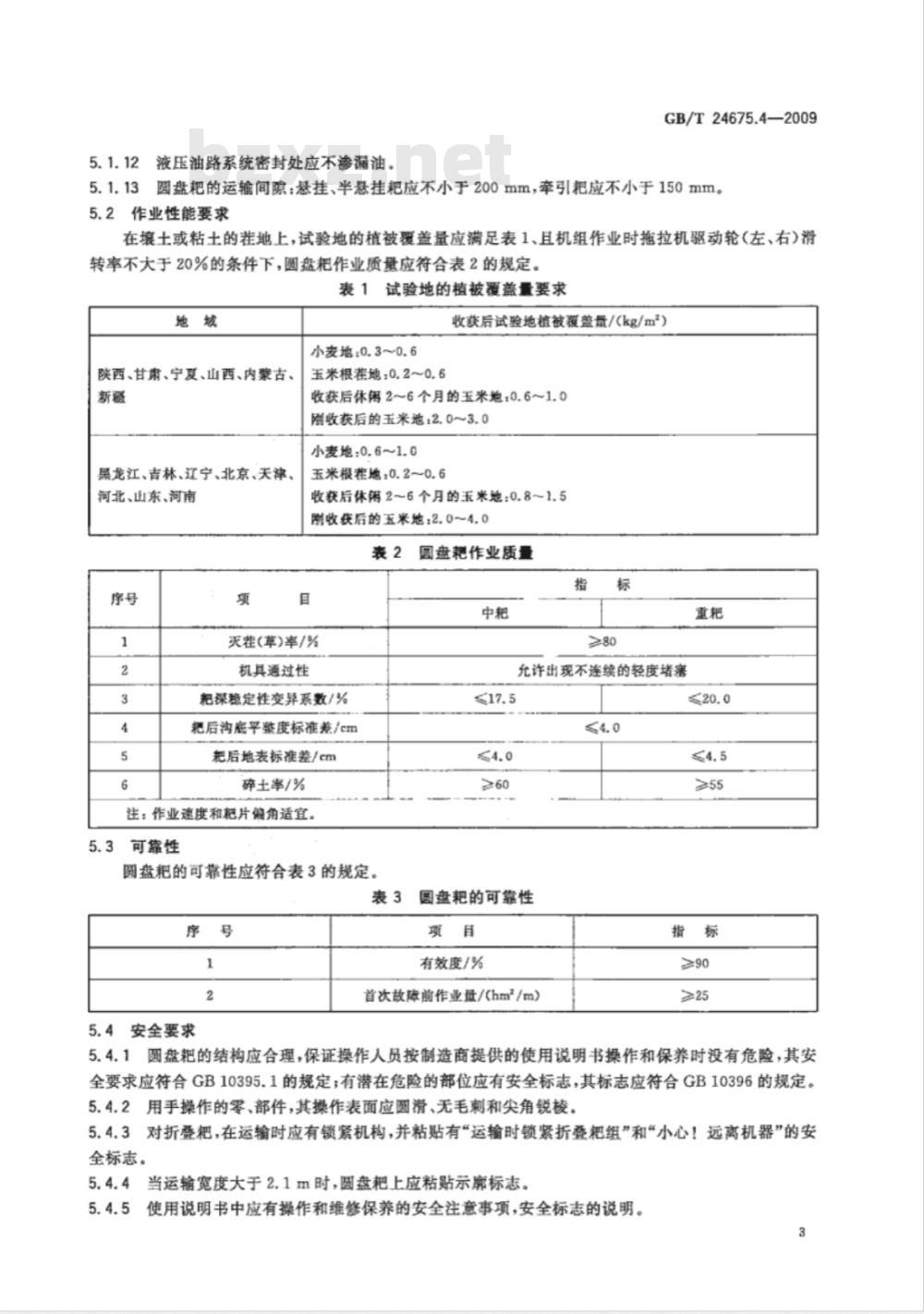
5.1.13圆盘粑的运输间隙:悬挂、半悬挂粑应不小于200mm,牵引粑应不小于150mm。5.2作业性能要求
在壤土或粘土的崔地上,试验地的植被覆盖量应满足表1、且机组作业时拖拉机驱动轮(左、右)滑转率不大于20%的条件下,圆盘耙作业质量应符合表2的规定。表1试验地的植被覆盖量要求
陕西、甘肃、宁夏、山西、内業古、新疆
黑龙江、吉林、辽宁、北京、天津、河北、山东、河南
小麦地:0.3~0.6
玉米根卷地:0.2~0,6
收获后试验地植被覆盖量/(kg/m)收获后休闲2~6个月的玉米地:0.6~1.0收获后的玉米地:2.0~3.0
小麦地:0.6~1.0
玉米根崔地:0.2~0.6
收获后休隔2~6个月的玉米地:0.8~1.5剧收获后的五米施:2.0~4.0
表2圆盘靶作业质量
灭茬(草)率/%
机具通过性
靶深稳定性变异系数/%
犯后沟鹿平整度标准差/cm
靶后地表标准差/cm
碎土率/%
注:作业速度和靶片锦角适宜。5.3
可靠性
圆盘耙的可靠性应符合表3的规定。表3
5.4安全要求
允许出现不连续的轻度堵塞
圆盘粑的可靠性
有效度/%
首次故障前作业量/(hm/m)
5.4.1圆盘的结构应合理,保证操作人员按制造商提供的使用说明书操作和保养时没有危险,其安全要求应符合GB10395.1的规定;有潜在危险的部位应有安全标志,其标志应符合GB10396的规定,5.4.2用手操作的零、部件,其操作表面应圆滑、无毛刺和尖角锐棱。5.4.3对折叠粑,在运输时应有锁紧机构,并粘贴有“运输时锁紧折叠耙组”和\小心!远离机器”的安全标志。
5.4.4当运输宽度大于2.1m时,圆盘粑上应粘贴示廊标志。5.4.5
使用说明书中应有操作和维修保养的安全注意事项,安全标志的说明。3
GB/T24675.4—2009
试验方法
一般要求
漆膜附着力按JB/T9832.2的规定测定,其余的采用常规量具和目测的方法进行。6.2
作业性能
作业性能试验方法应符合JB/T6279的规定。其中堵塞程度测定:测区长度不小于50m,植被覆盖量应符合本部分表1的要求。测定时按设计的工作速度、偏角进行靶地作业,往返一个行程,观察机具在作业过程中拥堵、拖堆的堵塞程度,并测量由于堵塞造成的不能灭茬(草)和作业的距离。将观察到和测量的结果进行记录,并对机具的通过性进行评定。6.3
使用可靠性
生产试验考核作业量:作业面积为每米作业幅宽不少于40hm,试验按GB/T5667的规定进行。安全要求
采用目测的方法进行对照检查,其中永久性安全标志测试方法:先用沾水的湿布擦拭标志15s,然后再用浸过汽油的布擦拭15s,擦拭后的安全标志应干净清晰、不易揭去、无卷边现象。7
检验规则
7.1出厂检验
圆盘粑应进行出厂检验,检验合格后附合格证方可入库或出厂7.1.1
出厂检验的项目按表4的规定,并检查整机的完整性,不得有错装和漏装现象。表4检验项目分类
不合格分类
安全要求
机具通过性
项目名称
粑深稳定性变异系数
碎土率
灭茬(草)率
杷片材料与质量
粑后地表标准差
耙后沟底平整度标准差
焊接质量
使用说明书
可靠性
紧固件紧固
润滑及防锈
液压油路
靶组装配
运输间腺bzxz.net
外观质量
漆膜附着力
靶片硬度
注;“/”为要求检验项目,“”为不要求检验项目。4
所在条款
5.1.8,5.4,5
出厂检验
型式检验
7.1.3对于检查出的不合格项,经调整修复重新检验合格后才能出厂。7.2型式检验
GB/T24675.4—2009
正常批量生产时,每三年进行一次型式检验;但有下列情况之一时,应进行型式检验。a)新产品定型鉴定及老产品转厂生产时;结构、工艺、材料有较大的改变,可能影响产品性能时;b)
c)产品长期停产后,恢复生产时;d)国家质量监督机构提出进行型式试验要求时。7.2.1不合格分类
被检项目凡不符合第5章规定要求的即为不合格。按其对产品质量的影响程度,分为A类不合格、B类不合格和C类不合格,不合格分类见表4。7.2.2组批与抽样
7.2.2.1按GB/T2828.1规定的正常检验一次抽样方案,抽样判定方案见表5。订货方抽验产品时,抽查批和接收质量限可由供需双方协商确定。表5判定方案
不合格分类
项目数
检验水平
样本大小
7.2.2.2抽样应在企业近六个月生产的合格产品中随机抽取。产品检查批量不少于10台~16台,样本大小为2台。在用户和市场抽样不受此限,但应为未使用的产品。7.2.3判定规则
采用逐项考核,样本中各类不合格项目数小于或等于其合格判定数Ac时,产品判为合格,否则为不合格。
8交货、标志、包装、运输和购存8.1交货
8.1.1每台圆盘杷应经检验合格、并签发合格证后方可出厂。8.1.2如用户对圆盘粑交货条件有特殊要求,可与供方协商解决。8.1.3订货方有特殊要求除外,出厂的每台圆盘粑应按照产品技术文件的规定配齐全套备件、附件和随机工具。
8.1.4每台圆盘粑的随机文件应用防水袋包装,文件包括:使用说明书;
合格证;
备件、附件和随机工具清单;
装箱单。
8.2标志
圆盘耙应在产品明显位置处固定永久性标牌,标牌应符合GB/T13306的规定,并包括如下内容:产品名称及型号;
配套动力;
出厂编号及出厂年、月;
GB/T24675.4—2009
作业幅宽,单位为米(m);
制造厂名称、地址;
执行标准编号。
3包装、运输和购存
8.3.1圆盘粑的机架和粑片可分开包装,包装应牢固可靠。包装箱内应有防止货物窜动的措施,包装外壁应有明显的产品名称、型号、制造厂名称、联系电话、收货单位、地址等文字或标记,8.3.2
2圆盘粑随机装箱的备件、技术文件和随机工具,在正常运输中不致发生丢失或损坏8.3.3
圆盘粑长期停止使用时,应采取防晒、防雨、防锈措施,进行定期保养、维修,清除附着废物。GB/T24675.4-2009
中华人民共和
国家标准
保护性耕作机械
圆盘粑
GB/T 24675, 4—2009
中国标准出版社出版发行
北京复兴门外三里河北街16号
部政编码:100045
网址www.spc.net,cn
电话:6852394668517548
中国标准出版社秦皇岛印刷厂印剧各地薪华书店经销
开本880×12301/16
2010年2月第一版
印张0.75
字数12千字
2010年2月第一次印刷
书号:155066·1-39663
3定价16.00元
如有印装差错由本社发行中心调换版权专有侵权必究
举报电话:(010)68533533
小提示:此标准内容仅展示完整标准里的部分截取内容,若需要完整标准请到上方自行免费下载完整标准文档。
中华人民共和国国家标准
GB/T24675.4-2009
保护性耕作机械
圆盘粑
Conservation tillage equipment-Disc harrow2009-11-30发布
中华人民共和国国家质量监督检验检疫总局中国国家标准化管理委员会
2010-04-01实施
本部分由中国机械工业联合会提出。前言
本部分由全国农业机械标准化技术委员会(SAC/TC201)归口。GB/T24675.42009
本部分起草单位:新疆维吾尔自治区农牧业机械试验鉴定站、中国农业机械化科学研究院、甘肃省农业机械试验鉴定站、山西省农业机械试验鉴定站、北京市农业机械试验鉴定推广站。本部分主要起草人:马惠玲、杨兆文、石林雄、柴向阳、张京开、王英。1范围
保护性耕作机械
圆盘粑
GB/T24675.4—2009
GB/T24675的本部分规定了保护性耕作用圆盘粑的术语和定义、型号与参数、要求、试验方法、检验规则和交货、标志、包装、运输与贮存。本部分适用于与拖拉机配套的保护性耕作用圆盘靶(以下简称“圆盘靶\)。2规范性引用文件
下列文件中的条款通过GB/T24675的本部分的引用而成为本部分的条款。凡是注日期的引用文件,其随后所有的修改单(不包括勘误的内容)或修订版均不适用于本部分,然而,鼓励根据本部分达成协议的各方研究是否可使用这些文件的最新版本。凡是不注日期的引用文件,其最新版本适用于本部分。
GB/T1593.1农业轮式拖拉机后置式三点悬挂装置第1部分:1、2、3和4类(GB/T1593.1-1996,eqvISO730-1:1994)
GB/T1593.2农业轮式拖拉机后置式三点悬挂装置第2部分:1N类(GB/T1593.2一2003,ISO730-2:1979,NEQ)
GB/T2828.1计数抽样检验程序第1部分:按接收质量限(AQL)检索的逐批检验抽样计划(GB/T2828.1—2003,ISO2589-1:1999,IDT)GB/T5667农业机械生产试验方法GB/T9480农林拖拉机和机械、草坪和园艺动力机械使用说明书编写规则(GB/T9480-2001,eqvIS03600:1996)
GB10395.1农林机械
安全第1部分:总则(GB10395.1—2009,IS04254-1:2008,MOD)GB10396农林拖拉机和机械、罩坪和园艺动力机安全标志和危险图形总则(GB10396一2006,ISO11684:1995,MOD
GB/T13306标牌
JB/T6279—2007圆盘粑
JB/T8574农机具产品型号编制规则JB/T9832.2农林拖拉机及机具漆膜附着性能测定方法压切法(JB/T9832.2—1999,eqvISO2049:1972)
3术语和定义
下列术语和定义适用于本部分。3.1
保护性耕作地作业
protectivetillageharrowingtask在未经耕整(在进行秸秆粉碎处理或在进行深松作业后)的茬地上,完成破茬(除草、埋肥及播前整地等)松土功能的作业。
protectivetillagedischarrow
保护性耕作圆盘粑
适用手保护性耕作艳地作业的机具。1
GB/T24675.4—2009
植被覆盖量vegetationpernitarea地表上单位面积内作物秸秆和杂草的质量。3.4
机具通过性trafficabilitycharacteristicofmachinery机具作业时通过局部起伏不平地面和克服作物秸秆和杂草缠绕堵塞的能力。3.5
堵塞程度jammeddegree
机具作业时作物秸秆、杂草和土块对机具拥堵的程度。3.6
重度堵塞severejam
机具被秸秆、杂草和土块缩绕堵塞,出现1.5m以上的连续不能正常耙地作业。3.7
中度堵塞moderatejam
机具被秸秆、杂草和土块缠绕堵塞,出现0.5m1.5m的连续不能正常地作业。3.8
轻度堵塞lightjam
机具被秸秆、杂草和土块缠绕堵塞,出现小于0.5m的连续不能正常耙地作业。4型号与参数
圆盘粑的产品型号的编制应符合JB/T8574的规定,基本参数应符合JB/T6279的规定。5要求
5.1一般要求
5.1.1圆盘靶应按经规定程序批准的图样和技术文件制造。5.1.2悬挂、半悬挂耙与拖拉机的联接尺寸应符合GB/T1593.1~1593.2的规定。5.1.3在作业和运输时,各紧固件均应牢固可靠,易自动松脱的零、部件应装有防松装置。5.1.4铸件应无裂纹和其他降低零件强度的缺陷,配合部位不应有砂眼、气孔和缩孔等缺陷。5.1.5焊接件焊缝应平整均匀、牢固,不应有虚焊、漏焊、烧穿、未焊透、裂缝、夹渣和气孔等影响强度的缺陷。杷架焊接后应平直,其安装面平面度应不大于200:15.1.6各润滑部位应注足润滑剂。摩擦表面和螺纹部分应涂防锈油。5.1.7靶片应采用性能不低于65Mn钢板制造,并应进行热处理,其硬度应为38HRC~48HRC,靶片刃口边缘不应有裂纹和明显的残缺及皱折。5.1.8使用说明书的编写应符合GB/T9480的规定。5.1.9外观质量:涂漆前应清除零部件表面的锈层、焊渣、皮、粘砂、毛刺、油污和灰尘等,然后涂上防锈底漆,再涂面漆。与土壤接触的金属表面和装配后不裸露的金属表面可只涂底漆。油漆表面应均匀,不应有漏漆、起皮和剥落现象。5.1.10漆膜附着性能应不低于JB/T9832.2中规定的Ⅱ级。5.1.11靶组装配后应转动灵活、无卡阻。装缺口靶片的靶组,相邻粑片的缺口应错开安装。将整机支起时,转动粑组所需的力矩不大于55N·m。杷组偏角应可调节,其调节范围应符合JB/T6279一2007表1规定,其允差为士2°。调节机构应灵活可靠,手柄操作力应不大于150N。2
5.1.12液压油路系统密封处应不渗漏油。GB/T24675.4—2009
5.1.13圆盘粑的运输间隙:悬挂、半悬挂粑应不小于200mm,牵引粑应不小于150mm。5.2作业性能要求
在壤土或粘土的崔地上,试验地的植被覆盖量应满足表1、且机组作业时拖拉机驱动轮(左、右)滑转率不大于20%的条件下,圆盘耙作业质量应符合表2的规定。表1试验地的植被覆盖量要求
陕西、甘肃、宁夏、山西、内業古、新疆
黑龙江、吉林、辽宁、北京、天津、河北、山东、河南
小麦地:0.3~0.6
玉米根卷地:0.2~0,6
收获后试验地植被覆盖量/(kg/m)收获后休闲2~6个月的玉米地:0.6~1.0收获后的玉米地:2.0~3.0
小麦地:0.6~1.0
玉米根崔地:0.2~0.6
收获后休隔2~6个月的玉米地:0.8~1.5剧收获后的五米施:2.0~4.0
表2圆盘靶作业质量
灭茬(草)率/%
机具通过性
靶深稳定性变异系数/%
犯后沟鹿平整度标准差/cm
靶后地表标准差/cm
碎土率/%
注:作业速度和靶片锦角适宜。5.3
可靠性
圆盘耙的可靠性应符合表3的规定。表3
5.4安全要求
允许出现不连续的轻度堵塞
圆盘粑的可靠性
有效度/%
首次故障前作业量/(hm/m)
5.4.1圆盘的结构应合理,保证操作人员按制造商提供的使用说明书操作和保养时没有危险,其安全要求应符合GB10395.1的规定;有潜在危险的部位应有安全标志,其标志应符合GB10396的规定,5.4.2用手操作的零、部件,其操作表面应圆滑、无毛刺和尖角锐棱。5.4.3对折叠粑,在运输时应有锁紧机构,并粘贴有“运输时锁紧折叠耙组”和\小心!远离机器”的安全标志。
5.4.4当运输宽度大于2.1m时,圆盘粑上应粘贴示廊标志。5.4.5
使用说明书中应有操作和维修保养的安全注意事项,安全标志的说明。3
GB/T24675.4—2009
试验方法
一般要求
漆膜附着力按JB/T9832.2的规定测定,其余的采用常规量具和目测的方法进行。6.2
作业性能
作业性能试验方法应符合JB/T6279的规定。其中堵塞程度测定:测区长度不小于50m,植被覆盖量应符合本部分表1的要求。测定时按设计的工作速度、偏角进行靶地作业,往返一个行程,观察机具在作业过程中拥堵、拖堆的堵塞程度,并测量由于堵塞造成的不能灭茬(草)和作业的距离。将观察到和测量的结果进行记录,并对机具的通过性进行评定。6.3
使用可靠性
生产试验考核作业量:作业面积为每米作业幅宽不少于40hm,试验按GB/T5667的规定进行。安全要求
采用目测的方法进行对照检查,其中永久性安全标志测试方法:先用沾水的湿布擦拭标志15s,然后再用浸过汽油的布擦拭15s,擦拭后的安全标志应干净清晰、不易揭去、无卷边现象。7
检验规则
7.1出厂检验
圆盘粑应进行出厂检验,检验合格后附合格证方可入库或出厂7.1.1
出厂检验的项目按表4的规定,并检查整机的完整性,不得有错装和漏装现象。表4检验项目分类
不合格分类
安全要求
机具通过性
项目名称
粑深稳定性变异系数
碎土率
灭茬(草)率
杷片材料与质量
粑后地表标准差
耙后沟底平整度标准差
焊接质量
使用说明书
可靠性
紧固件紧固
润滑及防锈
液压油路
靶组装配
运输间腺bzxz.net
外观质量
漆膜附着力
靶片硬度
注;“/”为要求检验项目,“”为不要求检验项目。4
所在条款
5.1.8,5.4,5
出厂检验
型式检验
7.1.3对于检查出的不合格项,经调整修复重新检验合格后才能出厂。7.2型式检验
GB/T24675.4—2009
正常批量生产时,每三年进行一次型式检验;但有下列情况之一时,应进行型式检验。a)新产品定型鉴定及老产品转厂生产时;结构、工艺、材料有较大的改变,可能影响产品性能时;b)
c)产品长期停产后,恢复生产时;d)国家质量监督机构提出进行型式试验要求时。7.2.1不合格分类
被检项目凡不符合第5章规定要求的即为不合格。按其对产品质量的影响程度,分为A类不合格、B类不合格和C类不合格,不合格分类见表4。7.2.2组批与抽样
7.2.2.1按GB/T2828.1规定的正常检验一次抽样方案,抽样判定方案见表5。订货方抽验产品时,抽查批和接收质量限可由供需双方协商确定。表5判定方案
不合格分类
项目数
检验水平
样本大小
7.2.2.2抽样应在企业近六个月生产的合格产品中随机抽取。产品检查批量不少于10台~16台,样本大小为2台。在用户和市场抽样不受此限,但应为未使用的产品。7.2.3判定规则
采用逐项考核,样本中各类不合格项目数小于或等于其合格判定数Ac时,产品判为合格,否则为不合格。
8交货、标志、包装、运输和购存8.1交货
8.1.1每台圆盘杷应经检验合格、并签发合格证后方可出厂。8.1.2如用户对圆盘粑交货条件有特殊要求,可与供方协商解决。8.1.3订货方有特殊要求除外,出厂的每台圆盘粑应按照产品技术文件的规定配齐全套备件、附件和随机工具。
8.1.4每台圆盘粑的随机文件应用防水袋包装,文件包括:使用说明书;
合格证;
备件、附件和随机工具清单;
装箱单。
8.2标志
圆盘耙应在产品明显位置处固定永久性标牌,标牌应符合GB/T13306的规定,并包括如下内容:产品名称及型号;
配套动力;
出厂编号及出厂年、月;
GB/T24675.4—2009
作业幅宽,单位为米(m);
制造厂名称、地址;
执行标准编号。
3包装、运输和购存
8.3.1圆盘粑的机架和粑片可分开包装,包装应牢固可靠。包装箱内应有防止货物窜动的措施,包装外壁应有明显的产品名称、型号、制造厂名称、联系电话、收货单位、地址等文字或标记,8.3.2
2圆盘粑随机装箱的备件、技术文件和随机工具,在正常运输中不致发生丢失或损坏8.3.3
圆盘粑长期停止使用时,应采取防晒、防雨、防锈措施,进行定期保养、维修,清除附着废物。GB/T24675.4-2009
中华人民共和
国家标准
保护性耕作机械
圆盘粑
GB/T 24675, 4—2009
中国标准出版社出版发行
北京复兴门外三里河北街16号
部政编码:100045
网址www.spc.net,cn
电话:6852394668517548
中国标准出版社秦皇岛印刷厂印剧各地薪华书店经销
开本880×12301/16
2010年2月第一版
印张0.75
字数12千字
2010年2月第一次印刷
书号:155066·1-39663
3定价16.00元
如有印装差错由本社发行中心调换版权专有侵权必究
举报电话:(010)68533533
小提示:此标准内容仅展示完整标准里的部分截取内容,若需要完整标准请到上方自行免费下载完整标准文档。
标准图片预览:





- 其它标准
- 热门标准
- 国家标准(GB)
- GB/T30917—2014 /ISo 29941:2010 天然胶乳橡胶避孕套中可迁移亚硝胺的测定
- GB/T12777-1999 金属波纹管膨胀节通用技术条件
- GB/T29633.4-2020 南极地名 第4部分:罗马字母拼写
- GB15193.5-2003 骨髓细胞微核试验
- GB30530-2024 二甲基硅氧烷单位产品能源消耗限额
- GB/T43225-2023 空间物体登记要求
- GB4706.3-1986 家用和类似用途电器的安全食物搅碎器及类似用途电器的特殊要求
- GB15985-1995 丝虫病诊断标准及处理原则
- GB19159-2003 车用液化石油气
- GB/T7407-1997 中国及世界主要海运贸易港口代码
- GB/T15425-1994 贸易单128条码
- GB5237.3-2008 铝合金建筑型材 第3部分:电泳涂漆型材
- GB/T39964-2021 造纸行业能源管理体系实施指南
- GB/T9771.6-2020 通信用单模光纤 第6部分:宽波长段 光传输用非零色散单模光纤特性
- GB/T43929-2024 空间用纤维光学器件测试指南
- 行业新闻
请牢记:“bzxz.net”即是“标准下载”四个汉字汉语拼音首字母与国际顶级域名“.net”的组合。 ©2025 标准下载网 www.bzxz.net 本站邮件:bzxznet@163.com
网站备案号:湘ICP备2025141790号-2
网站备案号:湘ICP备2025141790号-2