- 您的位置:
- 标准下载网 >>
- 标准分类 >>
- 冶金行业标准(YB) >>
- YB/T 094-1997 塑料模具用扁钢
标准号:
YB/T 094-1997
标准名称:
塑料模具用扁钢
标准类别:
冶金行业标准(YB)
标准状态:
现行-
发布日期:
1997-02-19 -
实施日期:
1997-07-01 出版语种:
简体中文下载格式:
.rar.pdf下载大小:
248.30 KB
起草人:
陈忠厚、李吉和、胡克畏、孟宪勇、陈再枝、刘建华起草单位:
本溪钢铁公司特殊钢公司、冶金部钢铁研究总院提出单位:
冶金工业部信息标准研究院发布部门:
中华人民共和国冶金工业部相关标签:
扁钢
点击下载
标准简介:
标准下载解压密码:www.bzxz.net
本标准规定了塑料模具用扁钢的分类、牌号、尺寸、外形重量、技术要求、试验方法、验收规则、包装、标志及质量证明书等。本标 准 适 用于厚度25mm~105mm,宽度170mm~410mm的塑料模具用热轧或锻制的扁钢。 YB/T 094-1997 塑料模具用扁钢 YB/T094-1997
部分标准内容:
YB/T094—1997
本标准对塑料模具用扁钢的技术要求作了详细规定。钢号系列中选择了不同质量档次,适用于不同加工条件和使用环境的塑料模具钢,主要技术指标是综合考虑每个牌号所对应的国外先进标准,国内厂家试生产过程中的研究成果及用户使用意见而确定的。本标准附录 A是提示的附录。
本标由治金工业部信息标推研究院提出。本标准由全国钢标准化技术委员会归口。本标准由本溪钢铁公司特殊钢公司、冶金部钢铁研究总院负责起草。本标准主要起草人:陈忠厚、李吉和、胡克畏、孟宪勇、陈再枝、刘建华。608
1范围
中华人民共和国黑色治金行业标准塑料模具用扁钢
Slab steels for plastic mouldsYB/T094-1997
本标准规定了塑料模具用扁钢的分类、牌号、尺寸、外形、重量、技术要求、试验方法、验收规则、包装、标志及质量证明书等。
本标准适用于厚度25mm~105mm,宽度170mm~410mm的塑料模具用热轧或锻制的扁钢。2引用标准
下列标准所包含的条文,通过在本标准中引用而构成为本标准的条文。在本标准出版时,所示版本均为有效。所有标推都会被修订,使用本标准的各方应探讨使用下列标最新版本的可能性。GB222一84钢的化学分析用试样取样法及成品化学成分允许偏差GB223.3—-88钢铁及合金化学分析方法二安替比林甲烷磷钼酸重量法测定磷量GB/T223.8一91钢铁及合金化学分析方法氟化钠分离-EDTA容量法测定铝量GB/T223.11一91钢铁及合金化学分析方法过硫酸铵氧化容量法测定铬量GB223.13--89钢铁及合金化学分析方法硫酸亚铁铵容量法测定钒量GB/T223.18一94钢铁及合金化学分析方法硫代硫酸钠-碘量法测定铜量GB/T223.23—94钢铁及合金化学分析方法丁二酮分光光度法测定镍量丁二酮重量法测定镍量
GB/T223.25—94钢铁及合金化学分析方法GB223.26--89钢铁及合金化学分析方法硫氰酸盐直接光度法测定钼量GB223.60-~87钢铁及合金化学分析方法高氟酸脱水重量法测定硅量8钢铁及合金化学分析方法高碘酸钠(钾)光度法测定锰量GB 223. 63—88
9钢铁及合金化学分析方法燃烧气体容量法测定碳量GB 223.69--89
GB/T223.72—91钢铁及合金化学分析方法氧化铝色层分离-硫酸铆重量法测定硫量GB225一88钢的淬透性未端淬火试验方法GB22691钢的低倍组织及缺陷酸蚀检验法GB/T227-91工真钢透性试验方法GB228一87金属拉伸试验方法
GB/T229—94金属夏比缺口冲击试验方法GB/T230—91金属洛氏硬度试验方法GB231—84金属布氏硬度试验方法GB1979—80结构钢低倍组织缺陷评级图GB2101一88型钢验收、包装、标志及质量证明书的一般规定GB 2975---82
钢材力学及工艺性能试验取样规定GB6397—86金属拉伸试验试样
钢中非金属夹杂物显微评定方法GB10561-89
中华人民共和国冶金工业部1997-02-19批准1997-07-01实施
YB/T 094--1997
GB/T 14979—94
钢的共晶碳化物不均匀度评定法3分类
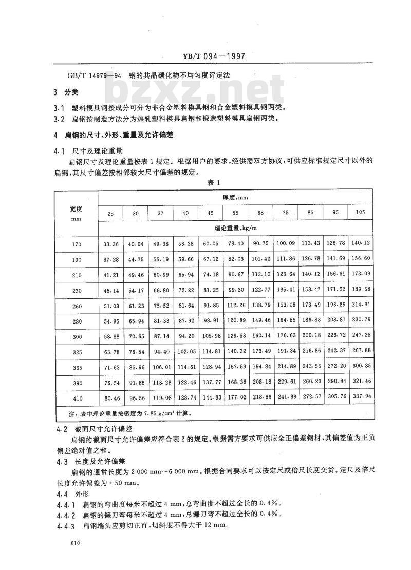
3.1塑料模具钢按成分可分为非合金塑料模具钢和合金塑料模具钢两类3.2扁钢按制造方法分为热轧塑料模具扁钢和锻造塑料模具扁钢两类。4扁钢的尺寸、外形、熏量及允许偏差4.1尺寸及理论重量
扁钢尺寸及理论重量按表1规定。根据用户的要求,经供需双方协议,可供应标准规定尺寸以外的扁钢,其尺寸偏差按相邻较大尺寸偏差的规定。表1
厚度,mm
注:表中理论重量按密度为7.85g/cm计算。45
理论重量,kg/m
129.53 160. 14
216.86242.37
241.39272.57
272.20300.85
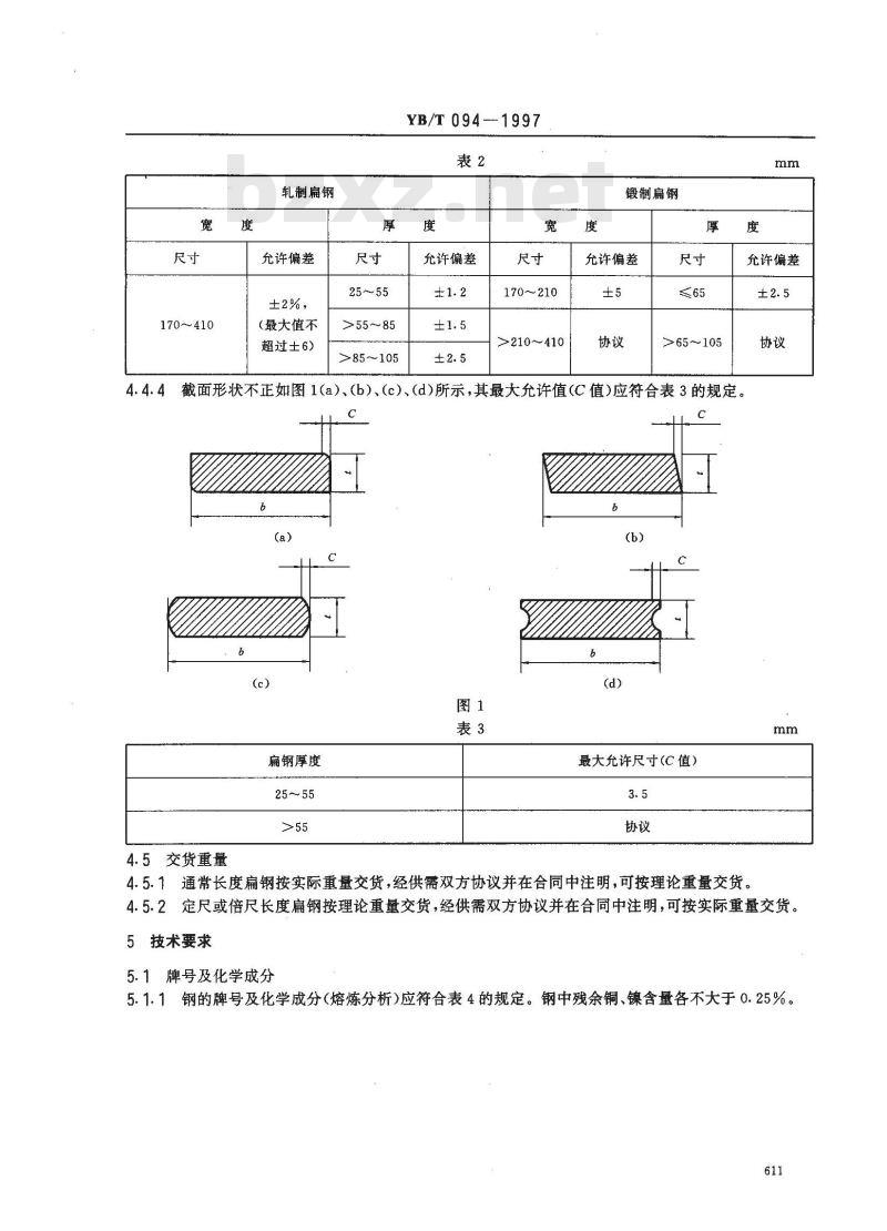
2截面尺寸允许偏差
扁钢的截面尺寸允许偏差应符合表2的规定。根据需方要求可供应全正偏差钢材,其偏差值为正负偏差绝对值之和。
4.3长度及允许偏差
扁钢的通常长度为2000mm~6000mm。根据合同要求可以按定尺或倍尺长度交货。定尺及倍尺长度允许偏差为+50mm。
4.4外形
4.4.1扁钢的弯曲度每米不超过4mm,总弯曲度不超过全长的0.4%。4.4.2扁钢的镰刀弯每米不超过4mm,总镰刀弯不超过全长的0.4%。扁钢端头应剪切正直,切斜度不得大于12mm。4.4.3
170~410
轧制扁钢
允许偏差
±2%,
(最大值不
超过士6)
>55~~85
>85~105
YB/T0941997
允许偏差
170~210
>210~410
锻制扁钢
允许偏差
>65~105
4.4.4截面形状不正如图1(a)、(b)、(c)、(d)所示,其最大允许值(C值)应符合表3的规定。a
扁钢厚度
4.5交货重量
最大允许尺寸(C值)
允许偏差
4.5.1通常长度扁钢按实际重量交货,经供需双方协议并在合同中注明,可按理论重量交货。4.5.2定尺或倍尺长度扁钢按理论重量交货,经供需双方协议并在合同中注明,可按实际重量交货。5技术要求
5.1牌号及化学成分
5.1.1钢的牌号及化学成分(熔炼分析)应符合表4的规定。钢中残余铜、镍含量各不大于0.25%。611
序号钢类
牌号1
台SM50
钢sM55
SM1CrNi3
SM3Cr2Mo
SM3Cr2NiMo
YB/T094—1997
化学成分,%
不大于
0.0300.030
0.0300.030
SM2CrNi3MoAl1s0.20~
SM4Cr5MoSiV
SM4Cr5MoSiV1
SMCr12Mo1V1
SM2Cr13
SM3Cr17Mo
SM4Cr13
1.40~0.10~
0.0300.030
0.350.0300.0301.25~
00.1001.2~
0. 0300. 0304. 75 ~
0.0300.0304.75~
0. 030/0. 030|11. 00~
0.0300.030
≤0. 80 /≤1. 00 0. 030|0. 03016. 00~18.00
≤0. 800. 0300. 030|12. 00~
注:1)“SM\代表塑料模具中\塑模”两汉字汉语拼音首位字母。2)允许含有小于或等于0.60%镍。Ni
5.1.2钢材或钢坏的化学成分允许偏差应符合GB222--84中表2、表3的规定。5.2交货状态
5.2.1非合金塑料模具扁钢以热轧状态交货,合金塑料模具扁钢以退火状态交货V
5.2.2根据需方要求,经供需双方协议,SM3Cr2Mo、SM3Cr2Ni1Mo、SM2Cr13可供应预硬化状态钢材。
5.3硬度
5.3.1交货状态钢材硬度值和试样淬火、回火硬度值应符合表5的规定。5.3.2测定预硬化状态钢材的淬回火硬度试样不再进行热处理,其硬度指标由供需双方协议。5.4低倍组织
SM1CrNi3
SM3Cr2Mo
SM3Cr2Ni1Mo
SM2CrNi3MoA11
SM4Cr5MoSiV
SM4Cr5MoSiV1
SMCr12Mo1V1
SM2Cr13
SM3Cr17Mo
SM4Cr13
退火硬度
不大于
1)渗碳钢不做淬回火硬度试验。2)时效时间为8h~10h。
3)回火两次
YB/T094-1997
淬回火硬度
硬度,不小于
一般以热轧状态交货,布氏硬度HB为155~215一般以热轧状态交货,布氏硬度HB为165~225一般以热轧状态交货,布氏硬度HB为170~2301)
850~~880℃油冷
850~880℃油冷
850~900℃油冷
1000~~1200℃空冷
1 000~1200℃空冷
1 000~1200℃空冷
920~980℃油冷
1000~1050℃油冷
1050~1100℃油冷
550~~600℃空冷
550~650℃空冷
510~530℃空冷2)
540~560℃空冷3)
540~560℃空冷3》
190~210℃空冷
600~750℃空冷
200~300℃空冷
200~300℃空冷
5.4.1扁钢横截面酸浸低倍组织试片上不得有肉眼可见的白点、缩孔、分层、裂纹、气泡、夹杂和翻皮。允许有不超过表面缺陷允许深度的皮下夹杂等缺陷。5.4.2酸浸低倍组织应符合表6的规定。表6
低倍组织类型
级别,不大于
一般疏松
中心疏松
5.4.3供方如能保证低倍检验合格,允许采用超声波探伤法或其他无损探伤法代替低倍检验。5.5表面质量
扁钢表面允许存在从公称尺寸算起,深度不超过尺寸公差之半的局部缺陷,但应保证钢材允许的最小尺寸。
5.6特殊要求
根据需方要求,经供需双方协议,可补充保证下列条件的一项或数项。5.6.1力学性能
5.6.1.1用热处理毛坏制成试样测出钢材纵向力学性能,其性能值符合表7规定。613
SM3Cr2Mo
SM3Cr2Ni1Mo
SM2Cr13
推荐热处理制度
820~870℃空冷
810~860℃空冷
800~850℃空冷
850~880℃
油冷十空冷
550~650℃
850~880℃
油冷十空冷
550~650℃
920~980℃
油冷+水冷
600~750℃
YB/T 0941997
a,MPa
o,,MPa
不小于
中,%
Akwww.bzxz.net
5.6.1.2以预硬化状态交货的钢材力学性能试样不再进行热处理,其性能指标由供需双方协议。5.6.2非金属夹杂物
对钢材进行非金属夹杂物检验,其中A类(硫化物类)、B类(氧化铝类)、C类(硅酸盐类)、D类(球状氧化物类)粗系和细系最高级别均不得超过2.5级。含硫钢非金属夹杂物的合格级别由供需双方协商。
检验钢的脱碳层深度,
检验钢的淬透性;
5.6.5检验钢(SMCr12Mo1V1)的共晶碳化物不均匀度。试验方法
每批钢材的试验项目、取样数量、取样方法和试验方法应符合表8的规定。表8
试验项目
化学成分
洛氏硬度
布氏硬度
低倍组织
非金属夹杂物
淬透性
共晶碳化物不均勾度
外形、尺寸
取样数量
取样方法
不同根钢材GB2975
不同根钢材
不同根钢材
不同根钢材
相当于钢锭头部不同根钢材
不冏根钢材
不同根钢材
任一根钢材
不同根钢材
试验方法
GB 228,GB 6397
GB/T 229
GB 226,GB 1979
GB10561
GB 225.GB/T 227
GB/T14979
卡尺、千分尺、样板
验收规则
YB/T094—1997
7.1扁钢的检查和验收由供方技术监督部门进行。7.2扁钢应成批验收。每批应由同一炉罐号、同加工方法、同一尺寸、同一交货状态的钢材组成。7.3复验和判定规则
7.3.1扁钢的复验应符合GB2101的规定。7.3.2供方若能保证成品钢材合格时,对同一炉罐号的钢材或钢坏的低倍组织和非金属夹杂物的检验结果允许以坏代材,以大代小。8
包装、标志及质量证明书
扁钢的包装、标志及质量证明书应符合GB2101的规定。615
YB/T 094-1997
附录A
(提示的附录)
塑料模具钢的特性和用途
A1塑料模具钢的特性和用途见衰A1。表A1
SM1CrNi3
SM3Cr2Mo
SM3Cr2Ni1Mo
SM2CrNi3MoAl1
SM4Cr5MoSiV
SM4Cr5MoSiV1
SMCr12Mo1V1
SM2Cr13
SM3Cr17Mo
SM4Cr13
特性和用途
价格低廉、机械加工性能好,用于日用杂品、玩具等塑料制品的模具硬度比SM45高,用于性能要求一般的塑料模具率透性、强度比SM50高,用于较大型的、性能要求一般的塑料模具塑性好,用于需冷挤压反印法压出型腔的塑料模具制作预硬化钢,用于型腔复杂,要求镜面抛光的模具预硬化钢,淬透性比SM3Cr2Mo高,用于大型精密塑料模具析出硬化钢,用于型腔复杂的精密塑料模具强度高、韧性好,用于玻璃纤维、金属粉末等复合强化塑料成型用模具热稳定性、耐磨性比SM4Cr5MoSiV高,用于工程塑料、键盘等的模具制作硬度高、耐磨,用于齿轮、微型开关等精密模具耐腐蚀,用于耐蚀母模、托板、安装板等模具耐腐蚀,用于P.V.C等腐蚀性较强的塑料成型模具耐腐蚀、耐磨、抛光性好,用于唱片、透明罩等精密模具
小提示:此标准内容仅展示完整标准里的部分截取内容,若需要完整标准请到上方自行免费下载完整标准文档。
本标准对塑料模具用扁钢的技术要求作了详细规定。钢号系列中选择了不同质量档次,适用于不同加工条件和使用环境的塑料模具钢,主要技术指标是综合考虑每个牌号所对应的国外先进标准,国内厂家试生产过程中的研究成果及用户使用意见而确定的。本标准附录 A是提示的附录。
本标由治金工业部信息标推研究院提出。本标准由全国钢标准化技术委员会归口。本标准由本溪钢铁公司特殊钢公司、冶金部钢铁研究总院负责起草。本标准主要起草人:陈忠厚、李吉和、胡克畏、孟宪勇、陈再枝、刘建华。608
1范围
中华人民共和国黑色治金行业标准塑料模具用扁钢
Slab steels for plastic mouldsYB/T094-1997
本标准规定了塑料模具用扁钢的分类、牌号、尺寸、外形、重量、技术要求、试验方法、验收规则、包装、标志及质量证明书等。
本标准适用于厚度25mm~105mm,宽度170mm~410mm的塑料模具用热轧或锻制的扁钢。2引用标准
下列标准所包含的条文,通过在本标准中引用而构成为本标准的条文。在本标准出版时,所示版本均为有效。所有标推都会被修订,使用本标准的各方应探讨使用下列标最新版本的可能性。GB222一84钢的化学分析用试样取样法及成品化学成分允许偏差GB223.3—-88钢铁及合金化学分析方法二安替比林甲烷磷钼酸重量法测定磷量GB/T223.8一91钢铁及合金化学分析方法氟化钠分离-EDTA容量法测定铝量GB/T223.11一91钢铁及合金化学分析方法过硫酸铵氧化容量法测定铬量GB223.13--89钢铁及合金化学分析方法硫酸亚铁铵容量法测定钒量GB/T223.18一94钢铁及合金化学分析方法硫代硫酸钠-碘量法测定铜量GB/T223.23—94钢铁及合金化学分析方法丁二酮分光光度法测定镍量丁二酮重量法测定镍量
GB/T223.25—94钢铁及合金化学分析方法GB223.26--89钢铁及合金化学分析方法硫氰酸盐直接光度法测定钼量GB223.60-~87钢铁及合金化学分析方法高氟酸脱水重量法测定硅量8钢铁及合金化学分析方法高碘酸钠(钾)光度法测定锰量GB 223. 63—88
9钢铁及合金化学分析方法燃烧气体容量法测定碳量GB 223.69--89
GB/T223.72—91钢铁及合金化学分析方法氧化铝色层分离-硫酸铆重量法测定硫量GB225一88钢的淬透性未端淬火试验方法GB22691钢的低倍组织及缺陷酸蚀检验法GB/T227-91工真钢透性试验方法GB228一87金属拉伸试验方法
GB/T229—94金属夏比缺口冲击试验方法GB/T230—91金属洛氏硬度试验方法GB231—84金属布氏硬度试验方法GB1979—80结构钢低倍组织缺陷评级图GB2101一88型钢验收、包装、标志及质量证明书的一般规定GB 2975---82
钢材力学及工艺性能试验取样规定GB6397—86金属拉伸试验试样
钢中非金属夹杂物显微评定方法GB10561-89
中华人民共和国冶金工业部1997-02-19批准1997-07-01实施
YB/T 094--1997
GB/T 14979—94
钢的共晶碳化物不均匀度评定法3分类
3.1塑料模具钢按成分可分为非合金塑料模具钢和合金塑料模具钢两类3.2扁钢按制造方法分为热轧塑料模具扁钢和锻造塑料模具扁钢两类。4扁钢的尺寸、外形、熏量及允许偏差4.1尺寸及理论重量
扁钢尺寸及理论重量按表1规定。根据用户的要求,经供需双方协议,可供应标准规定尺寸以外的扁钢,其尺寸偏差按相邻较大尺寸偏差的规定。表1
厚度,mm
注:表中理论重量按密度为7.85g/cm计算。45
理论重量,kg/m
129.53 160. 14
216.86242.37
241.39272.57
272.20300.85
2截面尺寸允许偏差
扁钢的截面尺寸允许偏差应符合表2的规定。根据需方要求可供应全正偏差钢材,其偏差值为正负偏差绝对值之和。
4.3长度及允许偏差
扁钢的通常长度为2000mm~6000mm。根据合同要求可以按定尺或倍尺长度交货。定尺及倍尺长度允许偏差为+50mm。
4.4外形
4.4.1扁钢的弯曲度每米不超过4mm,总弯曲度不超过全长的0.4%。4.4.2扁钢的镰刀弯每米不超过4mm,总镰刀弯不超过全长的0.4%。扁钢端头应剪切正直,切斜度不得大于12mm。4.4.3
170~410
轧制扁钢
允许偏差
±2%,
(最大值不
超过士6)
>55~~85
>85~105
YB/T0941997
允许偏差
170~210
>210~410
锻制扁钢
允许偏差
>65~105
4.4.4截面形状不正如图1(a)、(b)、(c)、(d)所示,其最大允许值(C值)应符合表3的规定。a
扁钢厚度
4.5交货重量
最大允许尺寸(C值)
允许偏差
4.5.1通常长度扁钢按实际重量交货,经供需双方协议并在合同中注明,可按理论重量交货。4.5.2定尺或倍尺长度扁钢按理论重量交货,经供需双方协议并在合同中注明,可按实际重量交货。5技术要求
5.1牌号及化学成分
5.1.1钢的牌号及化学成分(熔炼分析)应符合表4的规定。钢中残余铜、镍含量各不大于0.25%。611
序号钢类
牌号1
台SM50
钢sM55
SM1CrNi3
SM3Cr2Mo
SM3Cr2NiMo
YB/T094—1997
化学成分,%
不大于
0.0300.030
0.0300.030
SM2CrNi3MoAl1s0.20~
SM4Cr5MoSiV
SM4Cr5MoSiV1
SMCr12Mo1V1
SM2Cr13
SM3Cr17Mo
SM4Cr13
1.40~0.10~
0.0300.030
0.350.0300.0301.25~
00.1001.2~
0. 0300. 0304. 75 ~
0.0300.0304.75~
0. 030/0. 030|11. 00~
0.0300.030
≤0. 80 /≤1. 00 0. 030|0. 03016. 00~18.00
≤0. 800. 0300. 030|12. 00~
注:1)“SM\代表塑料模具中\塑模”两汉字汉语拼音首位字母。2)允许含有小于或等于0.60%镍。Ni
5.1.2钢材或钢坏的化学成分允许偏差应符合GB222--84中表2、表3的规定。5.2交货状态
5.2.1非合金塑料模具扁钢以热轧状态交货,合金塑料模具扁钢以退火状态交货V
5.2.2根据需方要求,经供需双方协议,SM3Cr2Mo、SM3Cr2Ni1Mo、SM2Cr13可供应预硬化状态钢材。
5.3硬度
5.3.1交货状态钢材硬度值和试样淬火、回火硬度值应符合表5的规定。5.3.2测定预硬化状态钢材的淬回火硬度试样不再进行热处理,其硬度指标由供需双方协议。5.4低倍组织
SM1CrNi3
SM3Cr2Mo
SM3Cr2Ni1Mo
SM2CrNi3MoA11
SM4Cr5MoSiV
SM4Cr5MoSiV1
SMCr12Mo1V1
SM2Cr13
SM3Cr17Mo
SM4Cr13
退火硬度
不大于
1)渗碳钢不做淬回火硬度试验。2)时效时间为8h~10h。
3)回火两次
YB/T094-1997
淬回火硬度
硬度,不小于
一般以热轧状态交货,布氏硬度HB为155~215一般以热轧状态交货,布氏硬度HB为165~225一般以热轧状态交货,布氏硬度HB为170~2301)
850~~880℃油冷
850~880℃油冷
850~900℃油冷
1000~~1200℃空冷
1 000~1200℃空冷
1 000~1200℃空冷
920~980℃油冷
1000~1050℃油冷
1050~1100℃油冷
550~~600℃空冷
550~650℃空冷
510~530℃空冷2)
540~560℃空冷3)
540~560℃空冷3》
190~210℃空冷
600~750℃空冷
200~300℃空冷
200~300℃空冷
5.4.1扁钢横截面酸浸低倍组织试片上不得有肉眼可见的白点、缩孔、分层、裂纹、气泡、夹杂和翻皮。允许有不超过表面缺陷允许深度的皮下夹杂等缺陷。5.4.2酸浸低倍组织应符合表6的规定。表6
低倍组织类型
级别,不大于
一般疏松
中心疏松
5.4.3供方如能保证低倍检验合格,允许采用超声波探伤法或其他无损探伤法代替低倍检验。5.5表面质量
扁钢表面允许存在从公称尺寸算起,深度不超过尺寸公差之半的局部缺陷,但应保证钢材允许的最小尺寸。
5.6特殊要求
根据需方要求,经供需双方协议,可补充保证下列条件的一项或数项。5.6.1力学性能
5.6.1.1用热处理毛坏制成试样测出钢材纵向力学性能,其性能值符合表7规定。613
SM3Cr2Mo
SM3Cr2Ni1Mo
SM2Cr13
推荐热处理制度
820~870℃空冷
810~860℃空冷
800~850℃空冷
850~880℃
油冷十空冷
550~650℃
850~880℃
油冷十空冷
550~650℃
920~980℃
油冷+水冷
600~750℃
YB/T 0941997
a,MPa
o,,MPa
不小于
中,%
Akwww.bzxz.net
5.6.1.2以预硬化状态交货的钢材力学性能试样不再进行热处理,其性能指标由供需双方协议。5.6.2非金属夹杂物
对钢材进行非金属夹杂物检验,其中A类(硫化物类)、B类(氧化铝类)、C类(硅酸盐类)、D类(球状氧化物类)粗系和细系最高级别均不得超过2.5级。含硫钢非金属夹杂物的合格级别由供需双方协商。
检验钢的脱碳层深度,
检验钢的淬透性;
5.6.5检验钢(SMCr12Mo1V1)的共晶碳化物不均匀度。试验方法
每批钢材的试验项目、取样数量、取样方法和试验方法应符合表8的规定。表8
试验项目
化学成分
洛氏硬度
布氏硬度
低倍组织
非金属夹杂物
淬透性
共晶碳化物不均勾度
外形、尺寸
取样数量
取样方法
不同根钢材GB2975
不同根钢材
不同根钢材
不同根钢材
相当于钢锭头部不同根钢材
不冏根钢材
不同根钢材
任一根钢材
不同根钢材
试验方法
GB 228,GB 6397
GB/T 229
GB 226,GB 1979
GB10561
GB 225.GB/T 227
GB/T14979
卡尺、千分尺、样板
验收规则
YB/T094—1997
7.1扁钢的检查和验收由供方技术监督部门进行。7.2扁钢应成批验收。每批应由同一炉罐号、同加工方法、同一尺寸、同一交货状态的钢材组成。7.3复验和判定规则
7.3.1扁钢的复验应符合GB2101的规定。7.3.2供方若能保证成品钢材合格时,对同一炉罐号的钢材或钢坏的低倍组织和非金属夹杂物的检验结果允许以坏代材,以大代小。8
包装、标志及质量证明书
扁钢的包装、标志及质量证明书应符合GB2101的规定。615
YB/T 094-1997
附录A
(提示的附录)
塑料模具钢的特性和用途
A1塑料模具钢的特性和用途见衰A1。表A1
SM1CrNi3
SM3Cr2Mo
SM3Cr2Ni1Mo
SM2CrNi3MoAl1
SM4Cr5MoSiV
SM4Cr5MoSiV1
SMCr12Mo1V1
SM2Cr13
SM3Cr17Mo
SM4Cr13
特性和用途
价格低廉、机械加工性能好,用于日用杂品、玩具等塑料制品的模具硬度比SM45高,用于性能要求一般的塑料模具率透性、强度比SM50高,用于较大型的、性能要求一般的塑料模具塑性好,用于需冷挤压反印法压出型腔的塑料模具制作预硬化钢,用于型腔复杂,要求镜面抛光的模具预硬化钢,淬透性比SM3Cr2Mo高,用于大型精密塑料模具析出硬化钢,用于型腔复杂的精密塑料模具强度高、韧性好,用于玻璃纤维、金属粉末等复合强化塑料成型用模具热稳定性、耐磨性比SM4Cr5MoSiV高,用于工程塑料、键盘等的模具制作硬度高、耐磨,用于齿轮、微型开关等精密模具耐腐蚀,用于耐蚀母模、托板、安装板等模具耐腐蚀,用于P.V.C等腐蚀性较强的塑料成型模具耐腐蚀、耐磨、抛光性好,用于唱片、透明罩等精密模具
小提示:此标准内容仅展示完整标准里的部分截取内容,若需要完整标准请到上方自行免费下载完整标准文档。
标准图片预览:





- 其它标准
- 上一篇: YB/T 093-1996 低铬合金铸铁段
- 下一篇: YB/T 095-1997 合金工具钢丝
- 热门标准
- 冶金行业标准(YB)
- YB/T5044-1993 氧化钼块化学分析方法 苯基荧光酮光度法测定锡
- YB/T178.2-2000 硅铝合金、硅钡铝合金化学分析方法硫酸钡重量法测定钡含量
- YB4036-1991 高炉炭块铁水熔蚀指数试验方法
- YB/T132-2007 电熔镁铬砂
- YB/T4352-2013 耐热混凝土
- YB9073-2014 钢制压力容器设计技术规定
- YB/T4364-2014 锚杆用热轧带肋钢筋
- YB/T079-1995 三环减速器
- YB4074-1991 镁碳砖
- YB/T5012-1997 高炉及热风炉用砖形状及尺寸
- YB/T5053-1997 石墨阳极
- YBB0003-2002 钠钙玻璃输液瓶(试行)(附起草说明)
- YB/T076-1995 钢筋混凝土用焊接钢筋网
- YB/T133-1998 热风炉用硅砖
- YBJ216-1988 压型金属板设计施工规程
- 行业新闻
请牢记:“bzxz.net”即是“标准下载”四个汉字汉语拼音首字母与国际顶级域名“.net”的组合。 ©2025 标准下载网 www.bzxz.net 本站邮件:bzxznet@163.com
网站备案号:湘ICP备2025141790号-2
网站备案号:湘ICP备2025141790号-2