- 您的位置:
- 标准下载网 >>
- 标准分类 >>
- 机械行业标准(JB) >>
- JB/T 9760-1999 内燃机 整圆主轴承 技术条件
标准号:
JB/T 9760-1999
标准名称:
内燃机 整圆主轴承 技术条件
标准类别:
机械行业标准(JB)
英文名称:
Technical requirements for full circle main bearings for internal combustion engines标准状态:
现行-
发布日期:
1999-09-17 -
实施日期:
2000-01-01 出版语种:
简体中文下载格式:
.rar.pdf下载大小:
153.92 KB
替代情况:
ZB J92001-1987
点击下载
标准简介:
标准下载解压密码:www.bzxz.net
JB/T 9760-1999 本标准是对 ZB J92 001-87《内燃机整圆主轴承 技术条件》的修订。修订时仅按有关规定作了编辑性修改,主要技术没有改变。 本标准规定了内燃机主轴承的代号、技术要求、检验规则和标志。 本标准适用于气缸直径为 200mm 以内的往复式内燃机整圆主轴承。该轴承由轴承体与止推环两部分结合而成,或由同一双金属材料以冲压制成。凡在上述范围内的产品(除特殊设计要求外)必须符合本标准的规定。 本标准于 1987 年首次发布。 JB/T 9760-1999 内燃机 整圆主轴承 技术条件 JB/T9760-1999
部分标准内容:
JB/T9760—1999
本标准是对ZBJ92001-87《内燃机整圆主轴承技术条件》的修订。修订时对原标准作了编辑性修改,主要技术内容没有变化。本标推自实施之日起代替ZBJ92001--87。本标准的附录A是标准的附录。
本标由全国内燃机标准化技术委员会提出并归口。本标准起草单位:上海内燃机研究所。本标准主要起草人:包锡弟。
本标准于1987年首次发布。
1范围
中华人民共和国机械行业标准
内燃机
整圆主轴承
技术条件
Internal combustion engines Crank shaft nushesSpecifications
本标准规定了内燃机主轴承的代号、技术求、检验规侧和标志等JB.T 9760 1999
本标准适川于缸直径为200mm以内的往复武内燃机整圆主轴承(以下简称轴承)该轴承山辅比在于述范制内的产晶(除特殊设计承体与止推环网部分结合成或山同“双金属材料经证正制成要求外)必须符合本标准的规定
2引用标准
下列标准听包含的条文·通过在代标准中用前构成为个标准的茶文:本标准出版时,所尔版本均为有效,所有标准都会被修订,使用本标准的各方前探计使用下列标准最新版本的可能性(3/T69)1999)优质碳素结构钢T2800.:1998极限与配合
基础第“部分:标准公美租基本偏差数值表82 1958 1980
GR/T 2828
JBAT9749
3名称与代号
形状和位置公案
给测规室
遂批检查让数抽样望序及抽样表(适用于连续批的检许)内燃机、铸造铜铅台金轴司。
金相检验
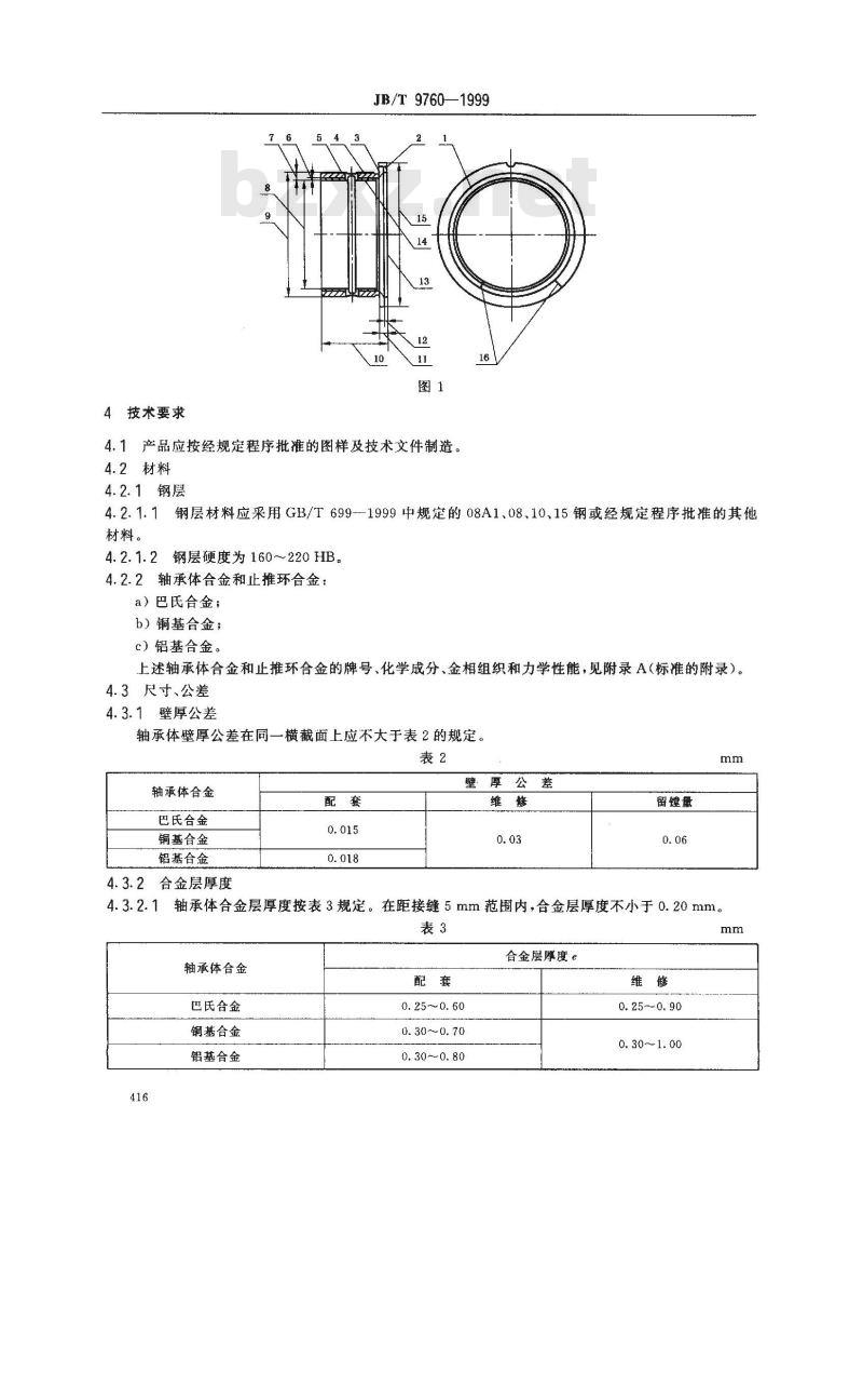
名称与代号见表!和图!,
轴承体
让推环
正推环内侧面
外表面
继承体合金层厚度
辅承体壁摩
国家机械工业局1999 0917批准
出推环厚度
正推环合金层厚度
正推环外侧而
内圆表而
拆坏外价
2000.01-01实施
技术要求
JB/T 9760—1999
4.1产品应按经规定程序批准的图样及技术文件制造。4.2材料
4.2.1钢层
4.2.1.1钢层材料应采用GB/T699-1999中规定的08A1、08、10、15钢或经规定程序批准的其他材料。
4.2.1.2钢层硬度为160~220HB。4.2.2轴承体合金和止推环合金:a)巴氏合金;
b)铜基合金;
c)铝基合金。
上述轴承体合金和止推环合金的牌号、化学成分、金相组织和力学性能,见附录A(标准的附录)。4.3尺寸、公差
4.3.1壁厚公差
轴承体壁厚公差在同一横截面上应不大于表2的规定。表2
轴承体合金
巴氏合金
铜基合金
铝基合金
4.3.2合金层厚度
壁厚公羞
留镗量
轴承体合金层厚度按表3规定。在距接缝5mm范围内,合金层厚度不小于0.20mm。4.3.2.1
轴承体合金
巴氏含金
铜基合金
铝基合金
0.25~0.60
0.30~0.70
0.30~0.80
合金层摩度。
0. 25 ~~0. 90
0.30~~1.00
JBT 9760 1999
4.3.2.2正推环合金原度不小1用4.3.3
合金民厚度公室
同·只轴承体合金层厚度的最大道最小值产美·不包括蹈接缝范围位不大于表生规定
甜宝体?
湖基合部
4.3.4轴承外及中公表,装月
4.3.5辅承内圆限中公工,聚旧
4.3.6轴代外圆同度公益下大广表:电4.4册承表用机m1
4.4.1外圆表相超度表:值质不抵84.4.2内表通粗糙度R,值成小低十表“,轴展体公案
巴民合企体台金储基
4.4.3正推环侧南的询粗耀度尺,值应低正雄坏外侧询
正路环内期南
商7级:留弹量辅承采用8级
留锐情
4.5内圆表而租推环外侧而均瑞光单整:不免单有数伤,价发伤4.6合金层与钢层审周精合,不得有脱现象4.7轴底体与儿指环结合减牢的
4.8钢展表销主得有接图流缺陷存有台家书得自增化频象、强缝处不得透光非「作表自成镀锡,镀层厚度为4.9
镀均、不得有镀瘤,出可采用其他防蚀4.10
辅承的保用期为201:承在保用期内制造届错进成的损环,制造应负责更换。5检验规则
5.1份验类别
a)定期抽查;
b)人库检验;
c)交货验收。
5.2检验项目
a)外形尺寸;
b)几何精度;
c)表面粗糙度;
d)理化性能;
e)外观质量;
f)标志、包装。
5.3抽样方法
JB/T 9760—1999
按GB/T2828制订的抽样检查规则执行。5.4检验方法
5.4.1钢层与合金的硬度检验
钢层与合金的硬度检验方法按表8规定。表8
巴氏合金
钢基、铝基合金
合金层厚度
0. 2~~0. 3
>0. 5~0. 7
>0. 4~1
所有厚度
检验条件
HV1/10
HB5/25/180
HV1/5/30
HB2.5/31.25/30
HB1/30/10
1 HV0.2/10 表示维氏硬度应在 1. 96 N检验载荷下,加载时间 10 s 时获得检验温度
2HB5/25/180表示布氏硬度应采用直径5mm的球头,在245,17N检验载荷下,加载时间180s时获得。5.4.2外圆尺寸检验
在自由状态下,用专用量具测得的外径最大值与最小值之和的一半,应在产品图样规定的尺寸范围内。
5.4.3外圆圆度检验
在自由状态下,按GB/T1958-1980中圆度误差检测进行检验。5.4.4合金层与钢层的粘合牢度检验以听音为主;轻击轴承钢层时声音应清脆,不得有哑音。也可用仪器或做破坏性检验。作破坏性检验时,可先将轴承体加工成钢层厚度为2.5~3mm、合金层厚度不大于0.9mm,再去掉止推环,然后沿轴承体直径方向将其剖开成两片,取其中无接缝的一片进行检验。方法如下:5.4.4.1巴氏合金轴承:可先将试样压平,再压至钢层相互贴紧,视合金断裂处的钢层面上,若留有细绒毛状的合金呈灰白色,即为粘合良好。5.4.4.2铜基合金轴承:先将试样压平,再继续压到90°,然后再回复压平,允许合金层有裂纹,但不允418
许合金层与钢层脱离
JBT 9760 1999
5.4.4.3铅基合金轴承:将试样平到180,允许合金层有裂缝.化不在许台金层与钢层脱离6标志、包装、运输和购存
6.1标志
6.1.1每只辅求上应标明:
a)制造广名称或标:
b,产品型号及尺寸代号:
c)制造期年、月)、
6.1.2包装盒外表面应标:
a)制造广名称、」标利地址:
1)产品名称、型号及尺寸代号:()数量:
d)包装Ⅱ期(年、H)
6.1.3包装箱外表而应标明,
a,制造!名称及地址:
h)产晶名称,型号及尺中代号:()总质量及数量:
i)收货单位、地址;www.bzxz.net
‘)“小心轻放”“防混”“防乐”等标志:出广田期年月)
6.2包装
6.2.1科只轴承在位装前必须清洗、并做防蚀处理用结实不透水的包裹材料包好后,再装人包装盒肉,
6.2.2每只包装盒内应附有经制造质量检验部门检验员签章的产品合格证6.3送输
包装盒必须装人下燥的包装箱内,每只包装箱的意质量应不超过3k·并保证在正常运输中不致损伤:
经包装后的轴承应存放在通风十燥的仓库内,在正常保管情况下,制造厂应保证轴承自出」之起12个!内不致锈蚀。
JB/T9760-1999
附录A
(标准的附录)
轴承合金
A1轴承体合金和止推环合金牌号、化学成分A1.1巴氏合金:ChSnSb4-4、ChSnSb8-4、ChSnSb11-6锡基合金(但含铅量不大于0.35%),ChPbSb10-6铅基合金或符合质量要求的其他锡基、铅基合金。A1.2铜基合金:ZQPb24-1、ZQPb30两种(但含铁量不大于0.7%)或符合质量要求的其他铜基合金。A1.3铝基合金:AISn20Cu(含锡量17.5%~22.5%、铜0.7%~1.3%、杂质总和不大于1.5%)、LSb5-0.6/钢(含锑量3.5%~5.5%、镁0.3%~~0.7%、杂质总和不大于1.5%)和符合质量要求的其他铝基合金。
A2硬度
A2.1巴氏合金为12~30HB。
A2.2铜基合金:ZQPb24-1为35-~42HB;ZQPb30为30~36HB。A2.3铝基合金:AISn20Cu为25~40HB;LSb5-0.6/钢为2232HB。A3金相组织
A3.1巴氏合金、铜基合金、铝基合金的金相检验标准,应符合相应标准规定。A3.2铸造工艺的铜基合金金相检验标准应按JB/T9749的规定。420
小提示:此标准内容仅展示完整标准里的部分截取内容,若需要完整标准请到上方自行免费下载完整标准文档。
本标准是对ZBJ92001-87《内燃机整圆主轴承技术条件》的修订。修订时对原标准作了编辑性修改,主要技术内容没有变化。本标推自实施之日起代替ZBJ92001--87。本标准的附录A是标准的附录。
本标由全国内燃机标准化技术委员会提出并归口。本标准起草单位:上海内燃机研究所。本标准主要起草人:包锡弟。
本标准于1987年首次发布。
1范围
中华人民共和国机械行业标准
内燃机
整圆主轴承
技术条件
Internal combustion engines Crank shaft nushesSpecifications
本标准规定了内燃机主轴承的代号、技术求、检验规侧和标志等JB.T 9760 1999
本标准适川于缸直径为200mm以内的往复武内燃机整圆主轴承(以下简称轴承)该轴承山辅比在于述范制内的产晶(除特殊设计承体与止推环网部分结合成或山同“双金属材料经证正制成要求外)必须符合本标准的规定
2引用标准
下列标准听包含的条文·通过在代标准中用前构成为个标准的茶文:本标准出版时,所尔版本均为有效,所有标准都会被修订,使用本标准的各方前探计使用下列标准最新版本的可能性(3/T69)1999)优质碳素结构钢T2800.:1998极限与配合
基础第“部分:标准公美租基本偏差数值表82 1958 1980
GR/T 2828
JBAT9749
3名称与代号
形状和位置公案
给测规室
遂批检查让数抽样望序及抽样表(适用于连续批的检许)内燃机、铸造铜铅台金轴司。
金相检验
名称与代号见表!和图!,
轴承体
让推环
正推环内侧面
外表面
继承体合金层厚度
辅承体壁摩
国家机械工业局1999 0917批准
出推环厚度
正推环合金层厚度
正推环外侧而
内圆表而
拆坏外价
2000.01-01实施
技术要求
JB/T 9760—1999
4.1产品应按经规定程序批准的图样及技术文件制造。4.2材料
4.2.1钢层
4.2.1.1钢层材料应采用GB/T699-1999中规定的08A1、08、10、15钢或经规定程序批准的其他材料。
4.2.1.2钢层硬度为160~220HB。4.2.2轴承体合金和止推环合金:a)巴氏合金;
b)铜基合金;
c)铝基合金。
上述轴承体合金和止推环合金的牌号、化学成分、金相组织和力学性能,见附录A(标准的附录)。4.3尺寸、公差
4.3.1壁厚公差
轴承体壁厚公差在同一横截面上应不大于表2的规定。表2
轴承体合金
巴氏合金
铜基合金
铝基合金
4.3.2合金层厚度
壁厚公羞
留镗量
轴承体合金层厚度按表3规定。在距接缝5mm范围内,合金层厚度不小于0.20mm。4.3.2.1
轴承体合金
巴氏含金
铜基合金
铝基合金
0.25~0.60
0.30~0.70
0.30~0.80
合金层摩度。
0. 25 ~~0. 90
0.30~~1.00
JBT 9760 1999
4.3.2.2正推环合金原度不小1用4.3.3
合金民厚度公室
同·只轴承体合金层厚度的最大道最小值产美·不包括蹈接缝范围位不大于表生规定
甜宝体?
湖基合部
4.3.4轴承外及中公表,装月
4.3.5辅承内圆限中公工,聚旧
4.3.6轴代外圆同度公益下大广表:电4.4册承表用机m1
4.4.1外圆表相超度表:值质不抵84.4.2内表通粗糙度R,值成小低十表“,轴展体公案
巴民合企体台金储基
4.4.3正推环侧南的询粗耀度尺,值应低正雄坏外侧询
正路环内期南
商7级:留弹量辅承采用8级
留锐情
4.5内圆表而租推环外侧而均瑞光单整:不免单有数伤,价发伤4.6合金层与钢层审周精合,不得有脱现象4.7轴底体与儿指环结合减牢的
4.8钢展表销主得有接图流缺陷存有台家书得自增化频象、强缝处不得透光非「作表自成镀锡,镀层厚度为4.9
镀均、不得有镀瘤,出可采用其他防蚀4.10
辅承的保用期为201:承在保用期内制造届错进成的损环,制造应负责更换。5检验规则
5.1份验类别
a)定期抽查;
b)人库检验;
c)交货验收。
5.2检验项目
a)外形尺寸;
b)几何精度;
c)表面粗糙度;
d)理化性能;
e)外观质量;
f)标志、包装。
5.3抽样方法
JB/T 9760—1999
按GB/T2828制订的抽样检查规则执行。5.4检验方法
5.4.1钢层与合金的硬度检验
钢层与合金的硬度检验方法按表8规定。表8
巴氏合金
钢基、铝基合金
合金层厚度
0. 2~~0. 3
>0. 5~0. 7
>0. 4~1
所有厚度
检验条件
HV1/10
HB5/25/180
HV1/5/30
HB2.5/31.25/30
HB1/30/10
1 HV0.2/10 表示维氏硬度应在 1. 96 N检验载荷下,加载时间 10 s 时获得检验温度
2HB5/25/180表示布氏硬度应采用直径5mm的球头,在245,17N检验载荷下,加载时间180s时获得。5.4.2外圆尺寸检验
在自由状态下,用专用量具测得的外径最大值与最小值之和的一半,应在产品图样规定的尺寸范围内。
5.4.3外圆圆度检验
在自由状态下,按GB/T1958-1980中圆度误差检测进行检验。5.4.4合金层与钢层的粘合牢度检验以听音为主;轻击轴承钢层时声音应清脆,不得有哑音。也可用仪器或做破坏性检验。作破坏性检验时,可先将轴承体加工成钢层厚度为2.5~3mm、合金层厚度不大于0.9mm,再去掉止推环,然后沿轴承体直径方向将其剖开成两片,取其中无接缝的一片进行检验。方法如下:5.4.4.1巴氏合金轴承:可先将试样压平,再压至钢层相互贴紧,视合金断裂处的钢层面上,若留有细绒毛状的合金呈灰白色,即为粘合良好。5.4.4.2铜基合金轴承:先将试样压平,再继续压到90°,然后再回复压平,允许合金层有裂纹,但不允418
许合金层与钢层脱离
JBT 9760 1999
5.4.4.3铅基合金轴承:将试样平到180,允许合金层有裂缝.化不在许台金层与钢层脱离6标志、包装、运输和购存
6.1标志
6.1.1每只辅求上应标明:
a)制造广名称或标:
b,产品型号及尺寸代号:
c)制造期年、月)、
6.1.2包装盒外表面应标:
a)制造广名称、」标利地址:
1)产品名称、型号及尺寸代号:()数量:
d)包装Ⅱ期(年、H)
6.1.3包装箱外表而应标明,
a,制造!名称及地址:
h)产晶名称,型号及尺中代号:()总质量及数量:
i)收货单位、地址;www.bzxz.net
‘)“小心轻放”“防混”“防乐”等标志:出广田期年月)
6.2包装
6.2.1科只轴承在位装前必须清洗、并做防蚀处理用结实不透水的包裹材料包好后,再装人包装盒肉,
6.2.2每只包装盒内应附有经制造质量检验部门检验员签章的产品合格证6.3送输
包装盒必须装人下燥的包装箱内,每只包装箱的意质量应不超过3k·并保证在正常运输中不致损伤:
经包装后的轴承应存放在通风十燥的仓库内,在正常保管情况下,制造厂应保证轴承自出」之起12个!内不致锈蚀。
JB/T9760-1999
附录A
(标准的附录)
轴承合金
A1轴承体合金和止推环合金牌号、化学成分A1.1巴氏合金:ChSnSb4-4、ChSnSb8-4、ChSnSb11-6锡基合金(但含铅量不大于0.35%),ChPbSb10-6铅基合金或符合质量要求的其他锡基、铅基合金。A1.2铜基合金:ZQPb24-1、ZQPb30两种(但含铁量不大于0.7%)或符合质量要求的其他铜基合金。A1.3铝基合金:AISn20Cu(含锡量17.5%~22.5%、铜0.7%~1.3%、杂质总和不大于1.5%)、LSb5-0.6/钢(含锑量3.5%~5.5%、镁0.3%~~0.7%、杂质总和不大于1.5%)和符合质量要求的其他铝基合金。
A2硬度
A2.1巴氏合金为12~30HB。
A2.2铜基合金:ZQPb24-1为35-~42HB;ZQPb30为30~36HB。A2.3铝基合金:AISn20Cu为25~40HB;LSb5-0.6/钢为2232HB。A3金相组织
A3.1巴氏合金、铜基合金、铝基合金的金相检验标准,应符合相应标准规定。A3.2铸造工艺的铜基合金金相检验标准应按JB/T9749的规定。420
小提示:此标准内容仅展示完整标准里的部分截取内容,若需要完整标准请到上方自行免费下载完整标准文档。
标准图片预览:





- 热门标准
- 机械行业标准(JB)
- JB/T7893.1-1999 立式振动离心机
- JB/T7899-1999 填充聚四氟乙烯软带导轨 技术条件
- JB/T7938-1999 液压泵站油箱公称容量系列
- JB/T1625-2002 工业锅炉焊接管孔
- JB/T7850-1995 手夹快换接头
- JB/T7952-1995 空气净化器
- JB/T8009.4-1999 机床夹具零件及部件 弧形压块
- JB/T7936-1999 直廓环面蜗杆减速器
- JB/T7939-1999 单活塞杆液压缸两腔面积比
- JB/T7941.2-1995 旋入式圆形油杯
- JB/T7946.2-1999 铸造铝硅合金过烧
- JB/T7925.2-1995 滑动轴承 多层轴承减摩合金硬度检验方法
- JB/T7828-1995 继电器及其装置包装贮运技术条件
- JB/T7945-1999 灰铸铁机械性能试验方法
- JB/T7966.3-1999 模具铣刀 第 3 部分:莫氏锥柄圆柱形球头立铣刀
- 行业新闻
请牢记:“bzxz.net”即是“标准下载”四个汉字汉语拼音首字母与国际顶级域名“.net”的组合。 ©2025 标准下载网 www.bzxz.net 本站邮件:bzxznet@163.com
网站备案号:湘ICP备2025141790号-2
网站备案号:湘ICP备2025141790号-2