- 您的位置:
- 标准下载网 >>
- 标准分类 >>
- 机械行业标准(JB) >>
- JB/T 9541-1999 家用换气扇用电动机 通用技术条件
标准号:
JB/T 9541-1999
标准名称:
家用换气扇用电动机 通用技术条件
标准类别:
机械行业标准(JB)
英文名称:
General technical requirements for motors for household ventilation fans标准状态:
现行-
发布日期:
1999-08-06 -
实施日期:
2000-01-01 出版语种:
简体中文下载格式:
.rar.pdf下载大小:
170.03 KB
替代情况:
ZB K20001-1989采标情况:
neq IEC 60034-1
点击下载
标准简介:
标准下载解压密码:www.bzxz.net
本标准适用于家用和类似用途的换气扇单相屯容运转异步电动机和单机罩极异步电动机(以下简称电动机)。 JB/T 9541-1999 家用换气扇用电动机 通用技术条件 JB/T9541-1999
部分标准内容:
中华人民共和国机械行业标准
JB/T9541
1999-08-06
佤鱻极懂
2000-01-01小
JB/T95411999
本标准参照采用用际业1委员会标准IE60034·1,美国电气制造商协会NMA标准MG--198第十都分多额定值》的存美划定,本标准是对ZBK20001--89《家期款气确所电动相通用按术条件》进行的修订本标雅在原标准的基排打增了前育,设变了称难综孕,标谁技术内容琴求不变,只引用了有奖标,以代替也废正的IE存称,拨GB1.3规定,推增加了掌:第意“范胸”,第三章“引用标推”,第案“魁式、感本参数与尺小”,而琼第一,三、章分改为第科、六、古、七单,将源等章的内获分别如入新缔的务章中,排列职子及条文序号也作相改动。本称新实能之起代格ZBK2U003-89本标准电企医转机标化技代委员会型并科本标准负资超草单位:广州电器科学研究所本标准主樱超单大:文华、吴國平、苏批华、这长创、商水尊,本标准书全据施转电机标媒化技术委员会小功率电动机标准化分技本委员会负资辫释。I
颊馨魁鹭佤艺鱻
JB/T95411999
ZBK2000189
本标造活下家和美似用途的换气扇用单料电奔转环形电动机和单州罩级异电动机(以下能称比动机)
引用标准
下列标准所包含的条文,避过在本标准中明用而构成为本深准的条文:在标准出版时,所示版本均为有效,所有标准部会被修订,换用本郊准的备方应探计慎同下刻标准最新版本的可能性,GB19:1990
但装储运图示标点
GBT2423.31993电1电广产张合环境试验规摄试验C3:忆定凝热试验方法(VIEC 60068--2--3: 1969)
G3 4706 11992
G行B 4706.27—1992
家用利类似用送电群的安伞通们婴求(1603351:1976)家间利美似时途电都的安全要扇利调器的特球要求(idt #EC 60342—i: 1981)
电机外党防分级(VH:600345:1983)CB.T 4942.1--1985
GB:T5171—1991
GBrT 9651--1988
小功率电动适准技术录件(601034-:1983)单机牌少讯进机试验为法
GBT10069.1~-1988旋转电机唤卢测定方法及限值瞬程测定为法(e9v SQ 1680--[: 1986)
13/[4269-1999
JB/F J480G--1993
3型式与基态参数
罩锈异法电动机通用技术条件
家开租类微用逸的变流换气扇及实调速器:汇60665:1980)31电动的克防护等级为[×,11X,IP3X、1F4X3.2电动机的颖定电送为220V、额宽预率为50啦33电动机在换案拍的作方式为连续工作制(S1)。34电客运转电动机拉下列现定的额定输旧动率(W)排造:2.3,(3.0), 4.0, (5.0), 6.0, 8.0, 10.0. (12.5), 16.0. (200), 25.0, (300): 40.0, (500. 60.0带(内非心犹采,
罩极评北电动机的定输出办率(W)应接B4269099第1.4条的频定制造35电客运转电动碰的同转速为0。佤极慢1999-08-06瘤
2000-01-01小缆
JB/T9541
机拍转3000,150
电动机应安规定旧转速制站、其额注转速出供产双方商定,建议电奔盗转电动机优先采旺下列转速:900,1100,1300/nin
4技术要求
41电动化速符合本标准的漫求,非要照经规定程降批准的图样及文件制造:4.2在下刻环境务件下,电动格应能额超运行:a)海拔尔超过1030m
功环跪究气最离激限为40°C
环境空气郊对端现最凝用月平均最高资气甜时趣为%,同时该年月平均摄低温度本离25.
【好电动规佳用非点询拨超过100m成环范空气度高于4G,成按G】的规小理2鼠定运行培指电动报有频典上,按额定电量,微定额率和高转邀抵超转时的款态4.3电动机在功率、电乐、预率为额定附,其效率、比率风数的殊证值电存选转电动机的效率应符合表1的规定,觅极异步出动机控效较度符合B门42G9--1599表2的爆定功率断数实全装2的规定:
按批明索
魅动斑型式
电容运转地机
照极电动机
JB/T9541免费标准bzxz.net
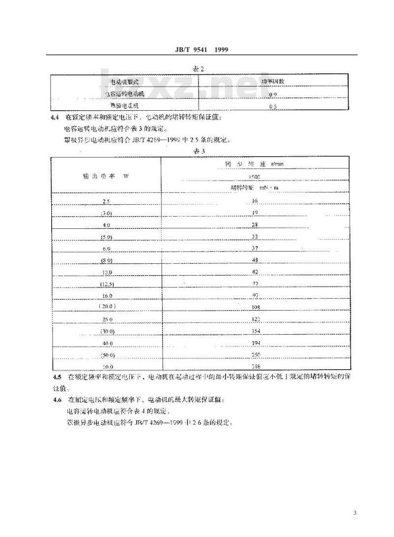
44在额宠频激和颁定电湛拉,宏机的堵转转矩保证值:电容运转电动机应符含表3的观定。罩极薪男证动机应符盒JB4269—1999哺2.5条独规定。装3
功渐数
阅步發速/min
输功萃
【20.0】
带转短
4在领定频车和额定电下下,电动机在起动过程中的限小转矩保证值邀小低!规定的堵转转柜的保证费
46在额延电和额定频率下,电动机的最大转矩保证值:电容转电动秘应效合表的规
弹极步电动机欲全J4269159926条的规史输出功却
JB/T9541
4.7电动相电气能能保证值的容格应符个表5的规定:表5
功率摄数
堵转转
最小转
殿大转翅
光跨速
最大转
15多:们02
ii- cs1最多为. ?
,指润发本超过1000n,小境密筑激度不超遗409、在按照水标准4.%电动机深滑E级或B级绝练
3.3条规定进行的试验片,绕排的温几应符合表6的观定袋5
测谢位
E级绝绿
9也动批的泄游电流不大于3A,
电阴法
410电机庭子统对机究度能派没历利!m证的耐电所试验雨无闪络或出察现象,其诚验电源的通4
JB/T95411999
率为50H,波形为实标正波形,试验设备的穿放应本小于0.75飞VA,试验电点(有效感)为1500V在短查试验时,抢用上规定的试验电用的12借电压,历附1s的试验代替、4电动机的定下绕组应能承受短时升离电压试验而成问绝缘不发生出穿。试验是在电动桃空载时进行,试验时施州的电退为领定值的130%,罩极出动机试验时间为3们证,允许间时提高锁率,所提寄的搬率应不超过15%:电案运转中动机试验时问为!mm,不充许提商率,412电动以究予绕组在热状态时或漏升试验后,其对机究的绝缘电阻不纸订2M94.13电动机经凝热试验应的合下列婴求:a)绝缘电粗不低于2MQ;
h定了绕组对机充应能承受历时1min的耐电至试验前没有闪络或出穿现象,其试验电源的频率为50Hz,波为实际正弦波形,试验设备的睿鼠不小于0.75kVA,试验粤(有效值)为1250V:心电动机在额频率和80%额定电联下应能载起动::a,b项混热试验茶()内浏理4.14电容运转电动机心额频率利额亲电所下,起动及送行过程中电容器的端电不啦超过电容器规定的额定点
4.15电动桃经本标准的5.8条的非证常工作试验质,统织的温度不得超过表7规庭的数值,表7
深护类型
凰抗保护
你护裂暨车h为起保护用
保护装医在1b活据保护作问的
极趣狐
16电动机在进本标准5.8条的试验期间,不得政出火焰或全流济液,或者超过定量的有舞算休或可燃气体
4.17电动桃注空载时测得的A计权声功率级障声度不大于表8的规定。装8
哚市银值[B(A
2 5 -(3.0)
10 ~(20)
25 ~ 60
滚动辅承
4.[8电动排的露部分模出距离与电气间距不减GB1706.1-1992装21规定的数值:4.19,电动机能转件径向网跳动应不大于0.06m1m:4.20电动机在正带运行条件下,经5000的连续使润质,感仍能运转4.21电动桃的表游不拉有期做的饿点,被教,气泡,碰环,裂激和粘附污物4.22在用产按制设广的做继能明的概,正确使用有存放电动桃的情况下,制造产应保证电动机在使的.年内,保自制楚!起运的日期不超过工年的时问闪能止消运行,好在此规定耐间JB/T95411999
内电动机因制避不良游发生损环,或不能正带王作时,制造厂应无偿地为用户理或更换零件成电动。
5试验方法
51电动机的试验方法按本标准的规定及GBT9631进行。52输出功率、效率、功率网数用直接测定法。注:电动机施加舰定角戏运行10m后进行S.3激升试验在所就套的换气扇上按GB4706.1利GB4706.27--199211章的存规延进行,试验密为额定求的094筑与1.%拼之间的对电动机最不利的电序、5.4泄满电流测定,按GB4706.1和GB4706.27-1992中!13章的规定进行,试验患岳为赖定电乐的1.06籍,5.5噪定按GB/T10069.1进行:
5.6减热试验按GBT2423.3进行,试验周期为2d,5.7长期运转试验在所套的换气扇上按G814806—[993中6.13条的规定进行,%8非正带二作试验在所配套的换气扇上按GB4706.1及GB4706.27--1992中19章的规定进行5.9外克阶护等级试验按GB/T4942.1的有关规定进行6检验规
每台电动筑应经过检食试验,检查试验现宽他括:6.1
6,1.1 机械检查:
a)外观质世检香:
b检查电动机的装配否完整正确:电动机遥转应平稳轻快,无异常茶竞:d)安装尺寸检查;
)种径向谢跳动的检森。
(.1.2定子统组在实际冷状涨下首流电阴的测定。6,1.3定了绕组对凯壳绝缘电阻的测是(检查试验时可测冷状态绝缘阻,但应保证热然态绝缘不低于2M
6.1.4空载试验:
)空载电流功率的测定:
b)降派空载越动。
6,13堵转电流损耗的测定。
6.1间楚了貌组对机充的谢电试验,6.17定了维几院电压试验
6.1.1条a,b,c和6.1.3.6.1.4,6.1.6,6.1.7条每台产品必颈进行检背,其他项日允连轴变,其抽套数量应不少示每批产品的2%【组不必于3台),妇抛试产品试验发既任何台有不合格项日,则抽试的产品数量谢倍,兼做该项自试验,如仍有任何一台不合格,则该顶目作不合格论:62型式试验
JB/T9541
6.2!凡房下列之·-,必筑进行卑式试验:a)别造」第一次试制或小批生:产刚;b)尚设计或「艺上的变更,足以引起某些特性和参数发牛变化时:c当撤查试验结果和以前的型试试验结果发生不可容诈的辅整时。62成批生产的电动桃定期抽试,其拍试的时问至少每年·改6.3电动机的鼎式试验频摄创括:检试迎用的全都:
b)电距离与电气间隙的检套:
c)堵转转矩的测定(实际冷状态时测)d)起动过程中最小转超的谢定:e)最大转矩的测定;
升试验:
g)输人功渐的谢定
转测定;
)效率、功率阅数的测范:
凝电流的测定:
k)中的谢旋;
1)能热试验:
m)电容器端电的测定;
*长期运转试验:
0*非止带1试验;
P)*防护等级试验。
有“*”号者允许仅在产品定想时试验。6型式试验的产品样机数量不了,3台,妞钟试的产品发现有不合格项用,则该项日试产品的数最应当抵倍,想仍本合格,购该形产品在病消膝后才能据厂。7、包装、達辅与勉存
7.1每台电动机必须在机劳的期影位胃上牛试地树有铭牌,铭滤材料及铭牌的字迹,标志应保证在电谢机正带使用在请期间不易磨灭或脱游:但主机固是配套的电动桃,在与用户有协议要求时,以不单独谢有诺牌
电幼桃璐牌上至少按标孵妞下领到a)制造广名称(\地):
b)电动机卑号诚名称:
c)输!山功率:
d)额定獭宰:
凝完电:
F)频定转速;
JB/T9541
电动机短子缆组引出线的颜色度有期显的这期。7.3
电动机应有接地装露
电动机出证有他说助书(同:精产,一号的一批电动机室少供给一份)及产品合格证随7.5
同电动机供结期产
7.6电动机轴伸度加锈保护措施
电动机包装应避免在送输中受潮损药。7.8
电动机的包装籍及标志应符合GB191的现疑电动机的运输工具不推限制,但运输时必须保证电选机不受伤,销淋载化举膚试7.9
7.排电动机应存在环境气福摄为-10~+409,相湿暖不大!90%,消消通风提好的库房内、密气不得含有蚀性驾体
馨魁鹭
碟簸瘙
JB/T9541
籁880b1230
19XXXX岭
100044
万段X/X
张矩XXX.XXX
19XX集XX舱
德pxXX.XX翼
鱻极藕鲷
小提示:此标准内容仅展示完整标准里的部分截取内容,若需要完整标准请到上方自行免费下载完整标准文档。
JB/T9541
1999-08-06
佤鱻极懂
2000-01-01小
JB/T95411999
本标准参照采用用际业1委员会标准IE60034·1,美国电气制造商协会NMA标准MG--198第十都分多额定值》的存美划定,本标准是对ZBK20001--89《家期款气确所电动相通用按术条件》进行的修订本标雅在原标准的基排打增了前育,设变了称难综孕,标谁技术内容琴求不变,只引用了有奖标,以代替也废正的IE存称,拨GB1.3规定,推增加了掌:第意“范胸”,第三章“引用标推”,第案“魁式、感本参数与尺小”,而琼第一,三、章分改为第科、六、古、七单,将源等章的内获分别如入新缔的务章中,排列职子及条文序号也作相改动。本称新实能之起代格ZBK2U003-89本标准电企医转机标化技代委员会型并科本标准负资超草单位:广州电器科学研究所本标准主樱超单大:文华、吴國平、苏批华、这长创、商水尊,本标准书全据施转电机标媒化技术委员会小功率电动机标准化分技本委员会负资辫释。I
颊馨魁鹭佤艺鱻
JB/T95411999
ZBK2000189
本标造活下家和美似用途的换气扇用单料电奔转环形电动机和单州罩级异电动机(以下能称比动机)
引用标准
下列标准所包含的条文,避过在本标准中明用而构成为本深准的条文:在标准出版时,所示版本均为有效,所有标准部会被修订,换用本郊准的备方应探计慎同下刻标准最新版本的可能性,GB19:1990
但装储运图示标点
GBT2423.31993电1电广产张合环境试验规摄试验C3:忆定凝热试验方法(VIEC 60068--2--3: 1969)
G3 4706 11992
G行B 4706.27—1992
家用利类似用送电群的安伞通们婴求(1603351:1976)家间利美似时途电都的安全要扇利调器的特球要求(idt #EC 60342—i: 1981)
电机外党防分级(VH:600345:1983)CB.T 4942.1--1985
GB:T5171—1991
GBrT 9651--1988
小功率电动适准技术录件(601034-:1983)单机牌少讯进机试验为法
GBT10069.1~-1988旋转电机唤卢测定方法及限值瞬程测定为法(e9v SQ 1680--[: 1986)
13/[4269-1999
JB/F J480G--1993
3型式与基态参数
罩锈异法电动机通用技术条件
家开租类微用逸的变流换气扇及实调速器:汇60665:1980)31电动的克防护等级为[×,11X,IP3X、1F4X3.2电动机的颖定电送为220V、额宽预率为50啦33电动机在换案拍的作方式为连续工作制(S1)。34电客运转电动机拉下列现定的额定输旧动率(W)排造:2.3,(3.0), 4.0, (5.0), 6.0, 8.0, 10.0. (12.5), 16.0. (200), 25.0, (300): 40.0, (500. 60.0带(内非心犹采,
罩极评北电动机的定输出办率(W)应接B4269099第1.4条的频定制造35电客运转电动碰的同转速为0。佤极慢1999-08-06瘤
2000-01-01小缆
JB/T9541
机拍转3000,150
电动机应安规定旧转速制站、其额注转速出供产双方商定,建议电奔盗转电动机优先采旺下列转速:900,1100,1300/nin
4技术要求
41电动化速符合本标准的漫求,非要照经规定程降批准的图样及文件制造:4.2在下刻环境务件下,电动格应能额超运行:a)海拔尔超过1030m
功环跪究气最离激限为40°C
环境空气郊对端现最凝用月平均最高资气甜时趣为%,同时该年月平均摄低温度本离25.
【好电动规佳用非点询拨超过100m成环范空气度高于4G,成按G】的规小理2鼠定运行培指电动报有频典上,按额定电量,微定额率和高转邀抵超转时的款态4.3电动机在功率、电乐、预率为额定附,其效率、比率风数的殊证值电存选转电动机的效率应符合表1的规定,觅极异步出动机控效较度符合B门42G9--1599表2的爆定功率断数实全装2的规定:
按批明索
魅动斑型式
电容运转地机
照极电动机
JB/T9541免费标准bzxz.net
44在额宠频激和颁定电湛拉,宏机的堵转转矩保证值:电容运转电动机应符含表3的观定。罩极薪男证动机应符盒JB4269—1999哺2.5条独规定。装3
功渐数
阅步發速/min
输功萃
【20.0】
带转短
4在领定频车和额定电下下,电动机在起动过程中的限小转矩保证值邀小低!规定的堵转转柜的保证费
46在额延电和额定频率下,电动机的最大转矩保证值:电容转电动秘应效合表的规
弹极步电动机欲全J4269159926条的规史输出功却
JB/T9541
4.7电动相电气能能保证值的容格应符个表5的规定:表5
功率摄数
堵转转
最小转
殿大转翅
光跨速
最大转
15多:们02
ii- cs1最多为. ?
,指润发本超过1000n,小境密筑激度不超遗409、在按照水标准4.%电动机深滑E级或B级绝练
3.3条规定进行的试验片,绕排的温几应符合表6的观定袋5
测谢位
E级绝绿
9也动批的泄游电流不大于3A,
电阴法
410电机庭子统对机究度能派没历利!m证的耐电所试验雨无闪络或出察现象,其诚验电源的通4
JB/T95411999
率为50H,波形为实标正波形,试验设备的穿放应本小于0.75飞VA,试验电点(有效感)为1500V在短查试验时,抢用上规定的试验电用的12借电压,历附1s的试验代替、4电动机的定下绕组应能承受短时升离电压试验而成问绝缘不发生出穿。试验是在电动桃空载时进行,试验时施州的电退为领定值的130%,罩极出动机试验时间为3们证,允许间时提高锁率,所提寄的搬率应不超过15%:电案运转中动机试验时问为!mm,不充许提商率,412电动以究予绕组在热状态时或漏升试验后,其对机究的绝缘电阻不纸订2M94.13电动机经凝热试验应的合下列婴求:a)绝缘电粗不低于2MQ;
h定了绕组对机充应能承受历时1min的耐电至试验前没有闪络或出穿现象,其试验电源的频率为50Hz,波为实际正弦波形,试验设备的睿鼠不小于0.75kVA,试验粤(有效值)为1250V:心电动机在额频率和80%额定电联下应能载起动::a,b项混热试验茶()内浏理4.14电容运转电动机心额频率利额亲电所下,起动及送行过程中电容器的端电不啦超过电容器规定的额定点
4.15电动桃经本标准的5.8条的非证常工作试验质,统织的温度不得超过表7规庭的数值,表7
深护类型
凰抗保护
你护裂暨车h为起保护用
保护装医在1b活据保护作问的
极趣狐
16电动机在进本标准5.8条的试验期间,不得政出火焰或全流济液,或者超过定量的有舞算休或可燃气体
4.17电动桃注空载时测得的A计权声功率级障声度不大于表8的规定。装8
哚市银值[B(A
2 5 -(3.0)
10 ~(20)
25 ~ 60
滚动辅承
4.[8电动排的露部分模出距离与电气间距不减GB1706.1-1992装21规定的数值:4.19,电动机能转件径向网跳动应不大于0.06m1m:4.20电动机在正带运行条件下,经5000的连续使润质,感仍能运转4.21电动桃的表游不拉有期做的饿点,被教,气泡,碰环,裂激和粘附污物4.22在用产按制设广的做继能明的概,正确使用有存放电动桃的情况下,制造产应保证电动机在使的.年内,保自制楚!起运的日期不超过工年的时问闪能止消运行,好在此规定耐间JB/T95411999
内电动机因制避不良游发生损环,或不能正带王作时,制造厂应无偿地为用户理或更换零件成电动。
5试验方法
51电动机的试验方法按本标准的规定及GBT9631进行。52输出功率、效率、功率网数用直接测定法。注:电动机施加舰定角戏运行10m后进行S.3激升试验在所就套的换气扇上按GB4706.1利GB4706.27--199211章的存规延进行,试验密为额定求的094筑与1.%拼之间的对电动机最不利的电序、5.4泄满电流测定,按GB4706.1和GB4706.27-1992中!13章的规定进行,试验患岳为赖定电乐的1.06籍,5.5噪定按GB/T10069.1进行:
5.6减热试验按GBT2423.3进行,试验周期为2d,5.7长期运转试验在所套的换气扇上按G814806—[993中6.13条的规定进行,%8非正带二作试验在所配套的换气扇上按GB4706.1及GB4706.27--1992中19章的规定进行5.9外克阶护等级试验按GB/T4942.1的有关规定进行6检验规
每台电动筑应经过检食试验,检查试验现宽他括:6.1
6,1.1 机械检查:
a)外观质世检香:
b检查电动机的装配否完整正确:电动机遥转应平稳轻快,无异常茶竞:d)安装尺寸检查;
)种径向谢跳动的检森。
(.1.2定子统组在实际冷状涨下首流电阴的测定。6,1.3定了绕组对凯壳绝缘电阻的测是(检查试验时可测冷状态绝缘阻,但应保证热然态绝缘不低于2M
6.1.4空载试验:
)空载电流功率的测定:
b)降派空载越动。
6,13堵转电流损耗的测定。
6.1间楚了貌组对机充的谢电试验,6.17定了维几院电压试验
6.1.1条a,b,c和6.1.3.6.1.4,6.1.6,6.1.7条每台产品必颈进行检背,其他项日允连轴变,其抽套数量应不少示每批产品的2%【组不必于3台),妇抛试产品试验发既任何台有不合格项日,则抽试的产品数量谢倍,兼做该项自试验,如仍有任何一台不合格,则该顶目作不合格论:62型式试验
JB/T9541
6.2!凡房下列之·-,必筑进行卑式试验:a)别造」第一次试制或小批生:产刚;b)尚设计或「艺上的变更,足以引起某些特性和参数发牛变化时:c当撤查试验结果和以前的型试试验结果发生不可容诈的辅整时。62成批生产的电动桃定期抽试,其拍试的时问至少每年·改6.3电动机的鼎式试验频摄创括:检试迎用的全都:
b)电距离与电气间隙的检套:
c)堵转转矩的测定(实际冷状态时测)d)起动过程中最小转超的谢定:e)最大转矩的测定;
升试验:
g)输人功渐的谢定
转测定;
)效率、功率阅数的测范:
凝电流的测定:
k)中的谢旋;
1)能热试验:
m)电容器端电的测定;
*长期运转试验:
0*非止带1试验;
P)*防护等级试验。
有“*”号者允许仅在产品定想时试验。6型式试验的产品样机数量不了,3台,妞钟试的产品发现有不合格项用,则该项日试产品的数最应当抵倍,想仍本合格,购该形产品在病消膝后才能据厂。7、包装、達辅与勉存
7.1每台电动机必须在机劳的期影位胃上牛试地树有铭牌,铭滤材料及铭牌的字迹,标志应保证在电谢机正带使用在请期间不易磨灭或脱游:但主机固是配套的电动桃,在与用户有协议要求时,以不单独谢有诺牌
电幼桃璐牌上至少按标孵妞下领到a)制造广名称(\地):
b)电动机卑号诚名称:
c)输!山功率:
d)额定獭宰:
凝完电:
F)频定转速;
JB/T9541
电动机短子缆组引出线的颜色度有期显的这期。7.3
电动机应有接地装露
电动机出证有他说助书(同:精产,一号的一批电动机室少供给一份)及产品合格证随7.5
同电动机供结期产
7.6电动机轴伸度加锈保护措施
电动机包装应避免在送输中受潮损药。7.8
电动机的包装籍及标志应符合GB191的现疑电动机的运输工具不推限制,但运输时必须保证电选机不受伤,销淋载化举膚试7.9
7.排电动机应存在环境气福摄为-10~+409,相湿暖不大!90%,消消通风提好的库房内、密气不得含有蚀性驾体
馨魁鹭
碟簸瘙
JB/T9541
籁880b1230
19XXXX岭
100044
万段X/X
张矩XXX.XXX
19XX集XX舱
德pxXX.XX翼
鱻极藕鲷
小提示:此标准内容仅展示完整标准里的部分截取内容,若需要完整标准请到上方自行免费下载完整标准文档。
标准图片预览:





- 其它标准
- 热门标准
- 机械行业标准(JB)
- JB/T9396-1999 环块磨损试验机 技术条件
- JB/T1694-1991 阀杆螺母(一)
- JB/T50093-1997 滚动轴承 寿命及可靠性试验评定方法
- JB/T3627.1-1999 组合夹具组装用工具、辅具 六角套筒扳手
- JB/T5134-1991 气铲用铲头
- JB/T5179-2000 拖拉机变速拨叉 技术条件
- JB/T8108.2-1999 起重用短环链 用于葫芦的其他起重设备的T(8)级校准链条
- JB/T8368.1-1996 电锤钻
- JB/T9159.9-1999 单轴纵切自动车床辅具 丝锥夹套 B 型尺寸
- JB/T11249-2012 翅片管式换热设备技术规范
- JB/T6427-2001 变压吸附制氧、制氮设备
- JB/T6980.1-1993 塑料薄膜和纸压敏粘贴标牌 技术条件
- JB/T7665-1995 通用机械噪声声功率级现场测定 声强法
- JB/T9868.1-1999 散装饲料运输车 型式与参数
- JB/T3411.87-1999 锥柄卡口镗铰刀杆 尺寸
- 行业新闻
请牢记:“bzxz.net”即是“标准下载”四个汉字汉语拼音首字母与国际顶级域名“.net”的组合。 ©2025 标准下载网 www.bzxz.net 本站邮件:bzxznet@163.com
网站备案号:湘ICP备2025141790号-2
网站备案号:湘ICP备2025141790号-2