- 您的位置:
- 标准下载网 >>
- 标准分类 >>
- 机械行业标准(JB) >>
- JB/T 9226-1999 砂型铸造用涂料
标准号:
JB/T 9226-1999
标准名称:
砂型铸造用涂料
标准类别:
机械行业标准(JB)
英文名称:
Coatings for sand casting标准状态:
已作废-
发布日期:
1999-06-24 -
实施日期:
2000-06-24 -
作废日期:
2008-09-01 出版语种:
简体中文下载格式:
.rar.pdf下载大小:
124.98 KB

部分标准内容:
JB/T92261999
修订时,对原标准作了编辑性修改,主要技本标准是对ZBJ31008—90《砂型铸造用涂料》的修订。1术内容没有变化。
本标准自实施之日起代替ZBJ31008-90。本标准的附录A是提示的附录。
本标准由全国铸造标准化技术委员会提出并归口。本标准起草单位:沈阳铸造研究所。本标准起草人:尚淑珍、罗远生584
1范围
中华人民共和国机械行业标准
砂型铸造用涂料
Coatings for sand casting
JB/T9226.. 1999
代替 ZB J31 008--99
本标准规定了砂型和砂芯涂料的分类方法、技术条件、检验规则、包装和运输等。本标准适用于砂型铸造用水或有机溶剂稀释的膏状和粉状涂料,涂料稀释后用于涂敷砂型或砂芯。2引用标准
下列标准所包含的条文,通过在本标准中引用而构成为本标准的条文。本标准出版时,所示版本均为有效。所有标准都会被修订,使用本标准的各方应探讨使用下列标准最新版本的可能性。JB/T5107---1991砂型铸造用涂料试验方法JB/T92231999铸造用锆砂
YB/T5142—-1993冶金矿产品包装、标志和质量说明书的--般规定3术语、代号、牌号
3.1术语
3.1.1密度
涂料的质量对其体积的比值,用(g/cm\)表示。3.1.2条件粘度
在特定的条件下,涂料液体分子及固体颗粒阻碍涂料相对流动的程度,用时间(s)表示。3.1.3悬浮性
涂料抵抗固体耐火粉料分层和沉淀的能力,用悬浮率(%)表示。3.1.4涂层耐磨性
涂层抵抗抓摇磨损的能力,用磨下重量(g)表示。3.1.5膏料
未稀释的膏状涂料。
3.1.6粉料
不含溶剂的粉状涂料。
3.2代号
3. 2. 1 溶剂代号 :S---水基;Y-—有机溶剂
3.2.2涂料物理状态代号:G-膏状;F粉状。3.2.3涂料代号.SM-石墨粉;H-—滑石粉,JS—精制石英砂GI.王粉.锆英粉,M镁砂粉;MG镁橄榄石粉Q-其他3.3牌号
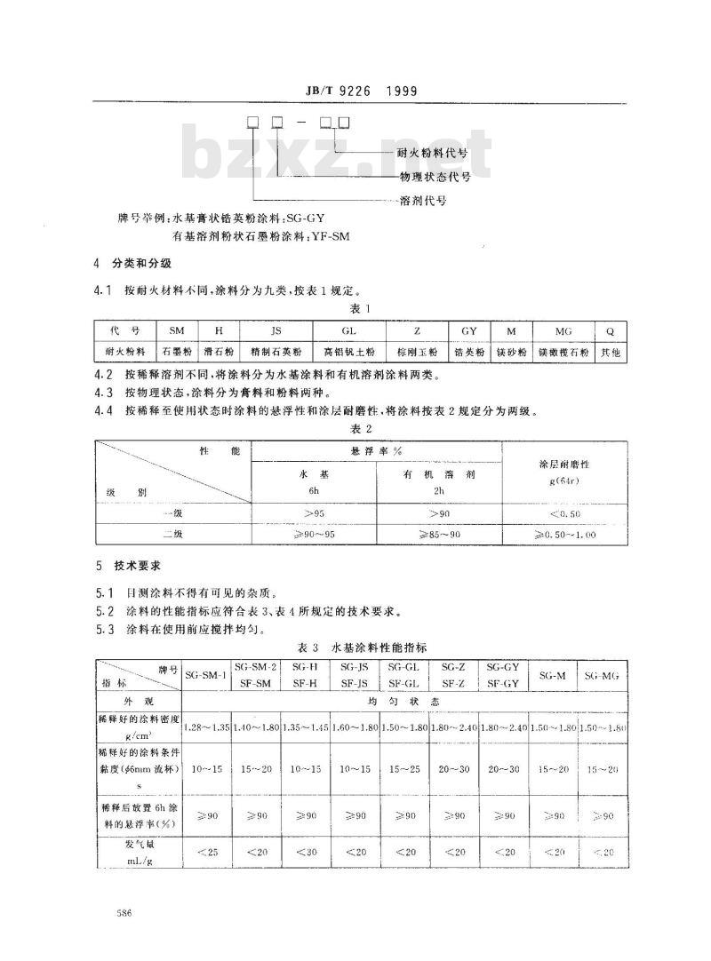
3.3.1涂料牌号的编制主要由汉语拼音字母组成,其表示方法如下:国家机械工业局1999-06-24批准高铝钒粉:Z
2000-01-01实施
JB/T 9226
牌号举例:水基膏状锆英粉涂料:SG-GY有基溶剂粉状石墨粉涂料:YF-SM4分类和分级
4.1按耐火材料不同,涂料分为九类,按表1规定。表1
耐火粉料
石墨粉
滑石粉
精制石英粉
高铝钒土粉
耐火粉料代号
物理状态代号
-溶剂代号
棕刚玉粉
按稀释溶剂不同,将涂料分为水基涂料和有机溶剂涂料两类。4.3
按物理状态,涂料分为肾料和粉料两种。4.4
锆英粉
镁砂粉
按稀释至使用状态时涂料的悬浮性和涂层耐磨性,将涂料按表2规定分为两级。表2
5技术要求
5.1目测涂料不得有可见的杂质。水基
≥90~95
悬浮率
有机溶剂
≥85~90
5.2涂料的性能指标应符合表3、表4所规定的技术要求。5.3涂料在使用前应搅拌均勾。
稀释好的涂料密度
稀释好的涂料条件
SG-SM-1
SG-SM-2
水基涂料性能指标
镁橄榄石粉
涂层耐磨性
g(64r)
≥0.50~-1.00
1.28~1.35/1.10~1.80|1.35~1.45|1.60~1.80/1.50~1.80|1.80-2.401.80~2.401.50~-1.801.50~~1.80黏度($6mm流杯)
10~~15
15~20
稀释后放置6h涂
料的浮密(%)
发气革
10~15
10~~~15
15~-20
涂层耐磨性
g(64r)
涂敷、烘干、冷却
后涂层外观
SG-SM-1
SG-SM-2
JB/T 9226
—1999
表3(完)下载标准就来标准下载网
0.40~1.00|0.20~0.700.401.000.20~0.70|0.20~0.70/0.200.700.20-0.700.40-1.000.:0--1.00无杂质、无裂纹的均匀涂层
表4有机溶剂涂料性能指标
牌号YG-SM-1
稀释好的涂料密
度g/cm
稀释好的涂料条件
YG-SM-2
1.18~1.251.20~1.601.25~1.351.40~1.601.40~-1.601.60~2.20|1.60~~2.201.40~1.601.101.66黏度(6mm流杯)
稀释后放置2h涂
料的悬浮率(%)
发气量
涂层耐磨性
g(64r)
涂敷、烘干、冷却
后涂层外观
6检验规则
6~12
6~12
6~~12
0.401.000.20~~0.700.40~1.000.20~0.70|0.20~0.70l0.20-~0.70/0.20~0.700.40--1.000.40无杂质、无裂纹的均匀涂层
6.1膏料和粉料都要按批验收,同次提交的同-一牌号的产品数量作为·批。6.2检验时按5.1、5.2规定。取样和试验方法按JB/T5107的规定。.00
6.3供方所供应的每批膏料和粉料都应按本标谁规定的技术要求进行检验,并将检验结果及牌导写人质量证明书。对本标准规定之外的其他要求,由供、需双方协商确定。6.4需方可根据本标准规定进行质量验收,如检验结果中任一项指标不符合本标准规定时,应在同批产品中重新加倍抽样进行复验。6.5复验结果不符合规定,由供、需双方协商解决或委托伸裁单位裁定。伸裁单位出双方协商选定,7.标志、包装、运输和购存
7.1膏料包装在塑料桶或金属桶内(内衬聚乙烯薄膜的包装袋)。装料以后,桶应密封。7.2石墨粉等粉状涂料应包装在外层为聚丙烯编织袋、内层为聚乙烯薄膜袋中。装袋后封好袋门。7.3错英粉的水基和醇基粉状涂料包装标志按YB/T5112规定进行。7.4错英粉的膏料和粉料的运输和贮存按JB/T9223规定进行。7.5包装容器上应标记生产厂名称、产品名称、牌号、批号、生产日期、净重等,并附有质量证明书。7.6在运输及贮存过程中应防止受潮变质。有机溶剂膏状涂料存放温度不应超过45(,严禁靠近火源。
7.7贮存保用期自制造日计起膏料为6个月,粉料为12个月。587
SG-SM-1
SG-SM-2
YG-SM-2
JB/T 9226--1999
附录A
(提示的附录)
砂型铸造用涂料推荐的应用范围YG-SM-1
应用范围
中小型铸铁件的砂型及砂芯
大中型铸铁件的砂型及砂芯
有色金属铸件的砂型及砂芯
中小型碳钢铸件、大中型铸铁件的砂型及砂芯碳钢及合金钢铸件,大型铸铁件的砂及砂芯锰钢铸件的砂型及砂芯
小提示:此标准内容仅展示完整标准里的部分截取内容,若需要完整标准请到上方自行免费下载完整标准文档。
修订时,对原标准作了编辑性修改,主要技本标准是对ZBJ31008—90《砂型铸造用涂料》的修订。1术内容没有变化。
本标准自实施之日起代替ZBJ31008-90。本标准的附录A是提示的附录。
本标准由全国铸造标准化技术委员会提出并归口。本标准起草单位:沈阳铸造研究所。本标准起草人:尚淑珍、罗远生584
1范围
中华人民共和国机械行业标准
砂型铸造用涂料
Coatings for sand casting
JB/T9226.. 1999
代替 ZB J31 008--99
本标准规定了砂型和砂芯涂料的分类方法、技术条件、检验规则、包装和运输等。本标准适用于砂型铸造用水或有机溶剂稀释的膏状和粉状涂料,涂料稀释后用于涂敷砂型或砂芯。2引用标准
下列标准所包含的条文,通过在本标准中引用而构成为本标准的条文。本标准出版时,所示版本均为有效。所有标准都会被修订,使用本标准的各方应探讨使用下列标准最新版本的可能性。JB/T5107---1991砂型铸造用涂料试验方法JB/T92231999铸造用锆砂
YB/T5142—-1993冶金矿产品包装、标志和质量说明书的--般规定3术语、代号、牌号
3.1术语
3.1.1密度
涂料的质量对其体积的比值,用(g/cm\)表示。3.1.2条件粘度
在特定的条件下,涂料液体分子及固体颗粒阻碍涂料相对流动的程度,用时间(s)表示。3.1.3悬浮性
涂料抵抗固体耐火粉料分层和沉淀的能力,用悬浮率(%)表示。3.1.4涂层耐磨性
涂层抵抗抓摇磨损的能力,用磨下重量(g)表示。3.1.5膏料
未稀释的膏状涂料。
3.1.6粉料
不含溶剂的粉状涂料。
3.2代号
3. 2. 1 溶剂代号 :S---水基;Y-—有机溶剂
3.2.2涂料物理状态代号:G-膏状;F粉状。3.2.3涂料代号.SM-石墨粉;H-—滑石粉,JS—精制石英砂GI.王粉.锆英粉,M镁砂粉;MG镁橄榄石粉Q-其他3.3牌号
3.3.1涂料牌号的编制主要由汉语拼音字母组成,其表示方法如下:国家机械工业局1999-06-24批准高铝钒粉:Z
2000-01-01实施
JB/T 9226
牌号举例:水基膏状锆英粉涂料:SG-GY有基溶剂粉状石墨粉涂料:YF-SM4分类和分级
4.1按耐火材料不同,涂料分为九类,按表1规定。表1
耐火粉料
石墨粉
滑石粉
精制石英粉
高铝钒土粉
耐火粉料代号
物理状态代号
-溶剂代号
棕刚玉粉
按稀释溶剂不同,将涂料分为水基涂料和有机溶剂涂料两类。4.3
按物理状态,涂料分为肾料和粉料两种。4.4
锆英粉
镁砂粉
按稀释至使用状态时涂料的悬浮性和涂层耐磨性,将涂料按表2规定分为两级。表2
5技术要求
5.1目测涂料不得有可见的杂质。水基
≥90~95
悬浮率
有机溶剂
≥85~90
5.2涂料的性能指标应符合表3、表4所规定的技术要求。5.3涂料在使用前应搅拌均勾。
稀释好的涂料密度
稀释好的涂料条件
SG-SM-1
SG-SM-2
水基涂料性能指标
镁橄榄石粉
涂层耐磨性
g(64r)
≥0.50~-1.00
1.28~1.35/1.10~1.80|1.35~1.45|1.60~1.80/1.50~1.80|1.80-2.401.80~2.401.50~-1.801.50~~1.80黏度($6mm流杯)
10~~15
15~20
稀释后放置6h涂
料的浮密(%)
发气革
10~15
10~~~15
15~-20
涂层耐磨性
g(64r)
涂敷、烘干、冷却
后涂层外观
SG-SM-1
SG-SM-2
JB/T 9226
—1999
表3(完)下载标准就来标准下载网
0.40~1.00|0.20~0.700.401.000.20~0.70|0.20~0.70/0.200.700.20-0.700.40-1.000.:0--1.00无杂质、无裂纹的均匀涂层
表4有机溶剂涂料性能指标
牌号YG-SM-1
稀释好的涂料密
度g/cm
稀释好的涂料条件
YG-SM-2
1.18~1.251.20~1.601.25~1.351.40~1.601.40~-1.601.60~2.20|1.60~~2.201.40~1.601.101.66黏度(6mm流杯)
稀释后放置2h涂
料的悬浮率(%)
发气量
涂层耐磨性
g(64r)
涂敷、烘干、冷却
后涂层外观
6检验规则
6~12
6~12
6~~12
0.401.000.20~~0.700.40~1.000.20~0.70|0.20~0.70l0.20-~0.70/0.20~0.700.40--1.000.40无杂质、无裂纹的均匀涂层
6.1膏料和粉料都要按批验收,同次提交的同-一牌号的产品数量作为·批。6.2检验时按5.1、5.2规定。取样和试验方法按JB/T5107的规定。.00
6.3供方所供应的每批膏料和粉料都应按本标谁规定的技术要求进行检验,并将检验结果及牌导写人质量证明书。对本标准规定之外的其他要求,由供、需双方协商确定。6.4需方可根据本标准规定进行质量验收,如检验结果中任一项指标不符合本标准规定时,应在同批产品中重新加倍抽样进行复验。6.5复验结果不符合规定,由供、需双方协商解决或委托伸裁单位裁定。伸裁单位出双方协商选定,7.标志、包装、运输和购存
7.1膏料包装在塑料桶或金属桶内(内衬聚乙烯薄膜的包装袋)。装料以后,桶应密封。7.2石墨粉等粉状涂料应包装在外层为聚丙烯编织袋、内层为聚乙烯薄膜袋中。装袋后封好袋门。7.3错英粉的水基和醇基粉状涂料包装标志按YB/T5112规定进行。7.4错英粉的膏料和粉料的运输和贮存按JB/T9223规定进行。7.5包装容器上应标记生产厂名称、产品名称、牌号、批号、生产日期、净重等,并附有质量证明书。7.6在运输及贮存过程中应防止受潮变质。有机溶剂膏状涂料存放温度不应超过45(,严禁靠近火源。
7.7贮存保用期自制造日计起膏料为6个月,粉料为12个月。587
SG-SM-1
SG-SM-2
YG-SM-2
JB/T 9226--1999
附录A
(提示的附录)
砂型铸造用涂料推荐的应用范围YG-SM-1
应用范围
中小型铸铁件的砂型及砂芯
大中型铸铁件的砂型及砂芯
有色金属铸件的砂型及砂芯
中小型碳钢铸件、大中型铸铁件的砂型及砂芯碳钢及合金钢铸件,大型铸铁件的砂及砂芯锰钢铸件的砂型及砂芯
小提示:此标准内容仅展示完整标准里的部分截取内容,若需要完整标准请到上方自行免费下载完整标准文档。

标准图片预览:





- 其它标准
- 热门标准
- 机械行业标准(JB)
- JB/T6882-2006 泵可靠性验证试验
- JB/T7991.4-2001 电镀超硬磨料制品 磨头
- JB/T10325-2002 锅炉除氧器 技术条件
- JB/T8528-1997 普通型阀门电动装置 技术条件
- JB/T8725-1998 旋转接头
- JB/T4022.2-1999 合金铸造性能测定方法 热裂倾向的测定
- JBJ10-1996 机械工厂采暖通风与空气调节设计规范
- JB/T2740-2008 工业机械电气设备 电气图、图解和表的绘制
- JB/T9272-1999 氨压力表
- JB/T5917-2006 袋式除尘器用滤袋框架
- JB/T10187-2011 滚动轴承 深沟球轴承振动
- JB/T6313.2-1992 电工铜编织线 斜纹编织线
- JB/T9064-1999 盘管 耐压试验与密封性检查
- JB/T9768-1999 内燃机 气缸套平台珩磨网纹 技术规范及检测方法
- JB/T8746.5-2008 塑料异型材挤出模零件 第5部分:定型块
- 行业新闻
请牢记:“bzxz.net”即是“标准下载”四个汉字汉语拼音首字母与国际顶级域名“.net”的组合。 ©2009 标准下载网 www.bzxz.net 本站邮件:bzxznet@163.com
网站备案号:湘ICP备2023016450号-1
网站备案号:湘ICP备2023016450号-1