- 您的位置:
 - 标准下载网 >>
 - 标准分类 >>
 - 国家标准(GB) >>
 - GB/T 14468.1-2006 工业机器人 机械接口 第1部分:板类
 
标准号:
GB/T 14468.1-2006
标准名称:
工业机器人 机械接口 第1部分:板类
标准类别:
国家标准(GB)
标准状态:
现行- 
          	
发布日期:
2006-04-03 - 
		 
实施日期:
2006-09-01 出版语种:
简体中文下载格式:
.rar.pdf下载大小:
439.92 KB
标准ICS号:
机械制造>>工业自动化系统>>25.040.30工业机器人、机械手中标分类号:
机械>>通用零部件>>J28自动化物流装置
替代情况:
GB/T 14468.1-1993采标情况:
IDT ISO 9409-1:2004
出版社:
中国标准出版社书号:
155066.1-27999页数:
平装16开, 页数:8, 字数:11千字标准价格:
10.0 元出版日期:
2006-08-11计划单号:
20032580-T-604
点击下载
标准简介:
										 标准下载解压密码:www.bzxz.net
					 					 
						 
	        
	      GB/T 14468本部分规定了板类机械接口的主要尺寸、标识代码和标志。目的是为了保证末端执行器的互换性以及手工安装时保持原有的姿态。本部分未规定在确定末端执行器联结装置的其他要求。本部分不包含与负载范围有关的内容。因为负载是要根据机器人的用途及其负载能力来选择相应的机械接口的。本部分规定了机械接口亦可适用于简单的搬运系统,这种搬运系统并不包含在操作型工业机器人的定义范围内,例如取放式或主从式单。 GB/T 14468.1-2006 工业机器人 机械接口 第1部分:板类 GB/T14468.1-2006
部分标准内容:
					
					ICS25.040.30
中华人民共和国国家标准
GB/T 14468.1—2006/ISO 9409-1:2004代替GB/T14468.1--1993
工业机器人,
机械接口
第1部分:板类
Industrial robot-Mechanic interface--Part 1.Plates(ISO9409-1:2004,Manipulating industrialrobots-Mechanical interfacesPart1:Plates,IDT)2006-04-03发布
中华人民共和国国家质量监督检验检疫总局中国国家标准化管理委员会
2006-09-01实施
GB/T14468.1-—2006/IS09409-1:2004机械接口》由两部分组成,它们是:GB/T14468工业机器人
第1部分:板类;
第2部分:轴类。
本部分是其第1部分,它等同采用ISO.9409-1:2004《操作型工业机器人板类》。
本部分等同翻译ISO9409-1:2004。为便于使用,本部分作了以下编辑性修改:a)为了与系列标准命名统,标准名称定为“工业机器人机械接口b)用“本部分”代替“ISO9409的本部分”;删除了“ISO9409-1:2004”的前言;c)
本部分将引用标准更改为本国标准。d
机械接口www.bzxz.net
第1部分:
第1部分:板类”;
本部分是对GB/T14468.1-1993的修订。与GB/T14468.1-1993比较在第5章上作了变动。本部分自实施之日起代替GB/T14468.1—1993。本部分由中国机械工业联合会提出。本部分由全国工业自动化系统与集成标准化技术委员会归口。本部分由北京机械工业自动化研究所起草。本部分起草人:胡景谬、郝淑芬、许。本部分所代替标准的历次发布情况为:GB/T14468.1—1993。
GB/T14468.1—2006/IS09409-1:2004引
本部分是工业机器人的系列标准之一。与之相关的标准有如:安全、通用特性、坐标系、性能规范及其试验方法、术语和机器人编程等。这些标准之间是相互关联的,且与其他的标准有关。工业机器人在工业自动化中的重要性日益增长,根据不同的用途,要求安装在机械接口处的末端执行器(例如夹持器或工具等)是可以拆卸的。I
1范围
GB/T14468.1—-2006/ISO9409-1:2004工业机器人机械接口
第1部分:板类
GB/T14468的本部分规定了板类机械接口的主要尺寸、标识代码和标志。日的是为了保证末端执行器的互换性以及手工安装时保持原有的姿态。本部分未规定在确定末端执行器联接装置的其他要求。本部分不包含与负载范围有关的内容。因为负载足要根据机器人的用途及其负载能力来选择相应的机械接口的。
本部分规定机械接口亦可适用于简单的搬运系统,这种搬运系统并不包含在操作型工业机器人的定义范围内,例如取放式或主从式单元。2规范性引用文件
下列文件中的条款通过GB/T14468的本部分的引用而成为本部分的条款。凡是注日期的引用文件,其随后所有的修改单(不包括勘误的内容)或修订版均不适用于本部分,然而,鼓励根据本部分达成协议的各方研究是否可使用这些文件的最新版本。凡是不注日期的引用文件,其最新版本适用于本部分。
GB/T1182--1996形状和位置公差通则、定义、符号和图样表示法(eqVISO1101:1996)GB/T1800.11800.4极限与配合基础GB/T12643-—1997T业机器人词汇(eqvISO8373:1994)GB/T16977—2005工业机器人坐标系和运动命名原则(ISO97871999IDT)ISO261:1998普通公制螺纹总则
3术语和定义
本部分采用GB/T12643-—1997给出的术语和定义。4尺寸
4.1通则
优先使用表1中系列1规定的机械接口尺寸,仅在特殊情况下即当系列1不能满足预计的用途时才选用补充系列2。
仅选择d作为机械接口的定心直径。d的选择取决丁用途孔d与定位销相配合,且取决于用途。定位销可以具有不同的形状,如圆柱形和菱形。所选择的定位销应避免超出尺寸。
定位销孔的中心应位于机械接口坐标系(GB/T16977-2005)十X㎡的轴线上,细节尺寸(如倒角)此处不再规定,可由设计者进行选择。4.2公差
机械接口尺寸公差应按GB/T1800.1~1800.4进行标注,形位公差按GB/T1182标注,平面A上的沉孔直径d,和导销孔d,应是所有形位公差的基准。如图1至图3所示。1
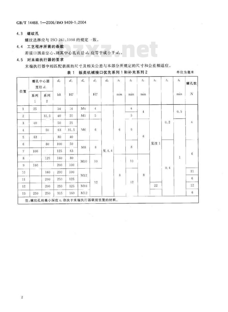
GB/T14468.1-2006/IS09409-1:20044.3螺纹孔
螺纹选择应与ISO261:1998的规定-致。4.4工艺程序所需的条款
若接口圆是空心,则其中心孔直径d,应等于或小于d3。4.5对末端执行器的要求
末端执行器中相匹配表面的尺寸及相关公差与本部分所规定的尺寸和公差相适应。表1
螺孔中心圆
直径d
板类机械接口优先系列1和补充系列2d
注:螺纹孔的最小深度取快于末端执行器联接装置的材料。t2
见注1
单位为毫米
螺孔数
GB/T14468.1-2006/IS09409-1:20040.02B
图1按表1中位置1至9和位置13设计的接口图例+Xm
中00.0448
图2按表1中位置10设计的接口图例X(5+1)
Y(5:1)
GB/T14468.1—2006/IS09409-1:2004Xe
图3按表1中位置12设计的接口图例5标识代码
按照本部分尺寸设计的机械接口的标记,应表示如下:标识代码
GB/T14468.1-d-N-d4
螺纹孔直径
螺纹孔数目
螺纹孔中心圆直径
GB/T14468.1本部分编号
例如:机械接口螺纹孔中心圆直径di=160mm,并有6个螺孔,标识代码应为:GB/T14468.1-160-6-M10
X(5:1)
Y(5:1)
GB/T14468.1-2006/IS09409-1.2004当按照本部分制造的板类机械接和相关的未端执行器制作标志时,应按照标识代码(见第5章)将标志制作成永久性的。
GB/T14468.1-2006
中华人民共和国
国家标准
工业机器人机械接口
第1部分:板类
GB/T14468.1—2006/1SO9409-1.2004*
中国标准出版社出版发行
北京复兴门外三里河北街16号
邮政编码:100045
网址bzcbs.com
电话:68523946:68517548
中国标准出版社秦皇岛印刷厂印刷各地新华书店经销
开本880×12301/16印张0.75字数11千字2006年9月第一版2006年9月第一次印刷*
书号:155066·1-27999定价10.00元如有印装差错由本社发行中心调换版权专有侵权必究
举报电话:(010)68533533
小提示:此标准内容仅展示完整标准里的部分截取内容,若需要完整标准请到上方自行免费下载完整标准文档。
	 
	        
	      中华人民共和国国家标准
GB/T 14468.1—2006/ISO 9409-1:2004代替GB/T14468.1--1993
工业机器人,
机械接口
第1部分:板类
Industrial robot-Mechanic interface--Part 1.Plates(ISO9409-1:2004,Manipulating industrialrobots-Mechanical interfacesPart1:Plates,IDT)2006-04-03发布
中华人民共和国国家质量监督检验检疫总局中国国家标准化管理委员会
2006-09-01实施
GB/T14468.1-—2006/IS09409-1:2004机械接口》由两部分组成,它们是:GB/T14468工业机器人
第1部分:板类;
第2部分:轴类。
本部分是其第1部分,它等同采用ISO.9409-1:2004《操作型工业机器人板类》。
本部分等同翻译ISO9409-1:2004。为便于使用,本部分作了以下编辑性修改:a)为了与系列标准命名统,标准名称定为“工业机器人机械接口b)用“本部分”代替“ISO9409的本部分”;删除了“ISO9409-1:2004”的前言;c)
本部分将引用标准更改为本国标准。d
机械接口www.bzxz.net
第1部分:
第1部分:板类”;
本部分是对GB/T14468.1-1993的修订。与GB/T14468.1-1993比较在第5章上作了变动。本部分自实施之日起代替GB/T14468.1—1993。本部分由中国机械工业联合会提出。本部分由全国工业自动化系统与集成标准化技术委员会归口。本部分由北京机械工业自动化研究所起草。本部分起草人:胡景谬、郝淑芬、许。本部分所代替标准的历次发布情况为:GB/T14468.1—1993。
GB/T14468.1—2006/IS09409-1:2004引
本部分是工业机器人的系列标准之一。与之相关的标准有如:安全、通用特性、坐标系、性能规范及其试验方法、术语和机器人编程等。这些标准之间是相互关联的,且与其他的标准有关。工业机器人在工业自动化中的重要性日益增长,根据不同的用途,要求安装在机械接口处的末端执行器(例如夹持器或工具等)是可以拆卸的。I
1范围
GB/T14468.1—-2006/ISO9409-1:2004工业机器人机械接口
第1部分:板类
GB/T14468的本部分规定了板类机械接口的主要尺寸、标识代码和标志。日的是为了保证末端执行器的互换性以及手工安装时保持原有的姿态。本部分未规定在确定末端执行器联接装置的其他要求。本部分不包含与负载范围有关的内容。因为负载足要根据机器人的用途及其负载能力来选择相应的机械接口的。
本部分规定机械接口亦可适用于简单的搬运系统,这种搬运系统并不包含在操作型工业机器人的定义范围内,例如取放式或主从式单元。2规范性引用文件
下列文件中的条款通过GB/T14468的本部分的引用而成为本部分的条款。凡是注日期的引用文件,其随后所有的修改单(不包括勘误的内容)或修订版均不适用于本部分,然而,鼓励根据本部分达成协议的各方研究是否可使用这些文件的最新版本。凡是不注日期的引用文件,其最新版本适用于本部分。
GB/T1182--1996形状和位置公差通则、定义、符号和图样表示法(eqVISO1101:1996)GB/T1800.11800.4极限与配合基础GB/T12643-—1997T业机器人词汇(eqvISO8373:1994)GB/T16977—2005工业机器人坐标系和运动命名原则(ISO97871999IDT)ISO261:1998普通公制螺纹总则
3术语和定义
本部分采用GB/T12643-—1997给出的术语和定义。4尺寸
4.1通则
优先使用表1中系列1规定的机械接口尺寸,仅在特殊情况下即当系列1不能满足预计的用途时才选用补充系列2。
仅选择d作为机械接口的定心直径。d的选择取决丁用途孔d与定位销相配合,且取决于用途。定位销可以具有不同的形状,如圆柱形和菱形。所选择的定位销应避免超出尺寸。
定位销孔的中心应位于机械接口坐标系(GB/T16977-2005)十X㎡的轴线上,细节尺寸(如倒角)此处不再规定,可由设计者进行选择。4.2公差
机械接口尺寸公差应按GB/T1800.1~1800.4进行标注,形位公差按GB/T1182标注,平面A上的沉孔直径d,和导销孔d,应是所有形位公差的基准。如图1至图3所示。1
GB/T14468.1-2006/IS09409-1:20044.3螺纹孔
螺纹选择应与ISO261:1998的规定-致。4.4工艺程序所需的条款
若接口圆是空心,则其中心孔直径d,应等于或小于d3。4.5对末端执行器的要求
末端执行器中相匹配表面的尺寸及相关公差与本部分所规定的尺寸和公差相适应。表1
螺孔中心圆
直径d
板类机械接口优先系列1和补充系列2d
注:螺纹孔的最小深度取快于末端执行器联接装置的材料。t2
见注1
单位为毫米
螺孔数
GB/T14468.1-2006/IS09409-1:20040.02B
图1按表1中位置1至9和位置13设计的接口图例+Xm
中00.0448
图2按表1中位置10设计的接口图例X(5+1)
Y(5:1)
GB/T14468.1—2006/IS09409-1:2004Xe
图3按表1中位置12设计的接口图例5标识代码
按照本部分尺寸设计的机械接口的标记,应表示如下:标识代码
GB/T14468.1-d-N-d4
螺纹孔直径
螺纹孔数目
螺纹孔中心圆直径
GB/T14468.1本部分编号
例如:机械接口螺纹孔中心圆直径di=160mm,并有6个螺孔,标识代码应为:GB/T14468.1-160-6-M10
X(5:1)
Y(5:1)
GB/T14468.1-2006/IS09409-1.2004当按照本部分制造的板类机械接和相关的未端执行器制作标志时,应按照标识代码(见第5章)将标志制作成永久性的。
GB/T14468.1-2006
中华人民共和国
国家标准
工业机器人机械接口
第1部分:板类
GB/T14468.1—2006/1SO9409-1.2004*
中国标准出版社出版发行
北京复兴门外三里河北街16号
邮政编码:100045
网址bzcbs.com
电话:68523946:68517548
中国标准出版社秦皇岛印刷厂印刷各地新华书店经销
开本880×12301/16印张0.75字数11千字2006年9月第一版2006年9月第一次印刷*
书号:155066·1-27999定价10.00元如有印装差错由本社发行中心调换版权专有侵权必究
举报电话:(010)68533533
小提示:此标准内容仅展示完整标准里的部分截取内容,若需要完整标准请到上方自行免费下载完整标准文档。
标准图片预览:





- 其它标准
 
- 热门标准
 - 国家标准(GB)
 
- GB/T13589-2007 锌及锌合金废料
 - GB/T13070-1991 铀矿石中铀的测定 电位滴定法
 - GB/T21666-2008 尿吸收辅助器具 评价的一般指南
 - GB/T2828.1-2012 计数抽样检验程序 第1部分:按接收质量限(AQL)检索的逐批检验抽样计划
 - GB/T19561-2004 寒地节能日光温室建造规程
 - GB/T7574-1987 信息处理交换用磁带标号和文卷结构
 - GB/T24715-2009 氧源转换器
 - GB/T2670.2-2017 内六角花形沉头自攻螺钉
 - GB/T38684-2020 金属材料 薄板和薄带 双轴应力-应变曲线胀形试验 光学测量方法
 - GB/T9003-1988 调音台基本特性测量方法
 - GB5585.3-1985 电工用铜、铝及其合金母线 第3部分:铝母线
 - GB11564-2008 机动车回复反射器
 - GB/Z21193.2-2008 矿物燃烧蒸汽发电站 第2部分:汽包水位控制
 - GB∕T33370-2016 铜及铜合金软化温度的测定方法
 - GB/Z18039.7-2011 电磁兼容 环境公用供电系统中的电压暂降、短时中断及其测量统计结果
 
- 行业新闻
 
请牢记:“bzxz.net”即是“标准下载”四个汉字汉语拼音首字母与国际顶级域名“.net”的组合。 ©2025 标准下载网 www.bzxz.net 本站邮件:bzxznet@163.com
网站备案号:湘ICP备2025141790号-2
网站备案号:湘ICP备2025141790号-2