- 您的位置:
- 标准下载网 >>
- 标准分类 >>
- 机械行业标准(JB) >>
- JB/T 9179.7-1999 水压机上自由锻件机械加工余量与公差 筒体类
标准号:
JB/T 9179.7-1999
标准名称:
水压机上自由锻件机械加工余量与公差 筒体类
标准类别:
机械行业标准(JB)
英文名称:
Machining allowances and tolerances of free forgings on hydraulic presses - Cylinders标准状态:
现行-
发布日期:
1999-06-24 -
实施日期:
2000-06-24 出版语种:
简体中文下载格式:
.rar.pdf下载大小:
57.13 KB
替代情况:
ZB J32003.7-1988
点击下载
标准简介:
标准下载解压密码:www.bzxz.net
JB/T 9179.7-1999 JB/T 9179.7-1999 水压机上自由锻件机械加工余量与公差 筒体类 JB/T9179.7-1999
部分标准内容:
JB/T9179.7—1999
本标准是对ZBJ32003.7—88《水压机上自由锻件机械加工余量与公差筒休类》的修订。在修订
时,对原文作了编辑性修改,主要技术内容作了如下修改:一原长度余量上增加系数n的确定改为按锻件长度来确定;取消一般规定中4.4内容。
本标准自实施之日起代替ZBJ32003.7--88。本标准出全国锻压标准化技术委员会提出并归Ⅱ。本标准负责起草单位:上海重型机器厂。本标谁主要起草人:王谦和、谢培德。377
中华人民共和国机械行业标准
水压机上自由锻件机械加工余量与公差筒体类
Machining allowances and tolerances of open die forgingson hydraulic press--Cylinder本标准规定了水压机上自由锻筒体类锻件的余量与公差。JB/T 9179. 7--1999
代替ZBJ32003.7—88
本标准适用于最终经心棒拔长工序完工的,且零件尺寸符合L>1.2D的筒体类锻件。2余量与公差
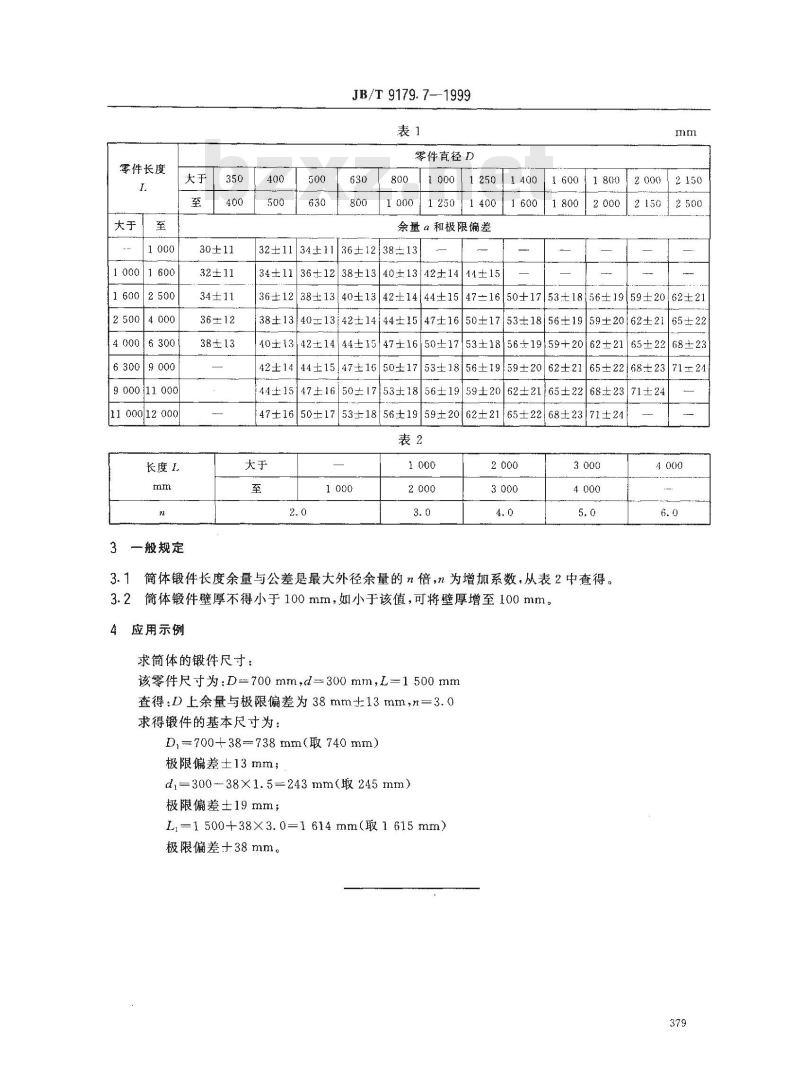
简体类自由锻件的机械加工余量与公差应符合图1及表1、表2的规定。图1
国家机械工业局1999-06-24批准378
200001-01实施
零件长度
16002500
2 5004 000
6 3009 000
9 000/11 000
1100012000
长度L
30±11
32±11
34±11
36±12
38±13
32±1134±11
34±1136±12
38±13
42±14
JB/T 9179. 7-1999
零件直径D
36±12
1 0001250
余量 α 和极限偏差
38±13
[40±13|421411±15下载标准就来标准下载网
38-t13
44±1547+16501753-
44±15/47±16|50
47±16
50±1753±18|56±1959±20|6
3一般规定
[56±19[59±20|62±21
53 →+18
8|56±1959±2062±21
65±22
68±23
165+22
62±21
2268±237124
3.1筒体锻件长度余量与公差是最大外径余量的n倍,n为增加系数,从表2中查得。3.2筒体锻件壁厚不得小于100mm,如小于该值,可将壁厚增至100mm。4
应用示例
求简体的锻件尺寸:
该零件尺寸为:D700mmd=300mm,L1500mm查得:D上余量与极限偏差为38mm±13mm,n=3.0求得锻件的基本尺寸为:
D,=700+38=738mm(取740mm)
极限偏差士13mm;
d=30038×1.5=243mm(取245mm)
极限偏差土19mm;
L=1500+38×3.0=1614mm(取1615mm)极限偏差十38mm。
小提示:此标准内容仅展示完整标准里的部分截取内容,若需要完整标准请到上方自行免费下载完整标准文档。
本标准是对ZBJ32003.7—88《水压机上自由锻件机械加工余量与公差筒休类》的修订。在修订
时,对原文作了编辑性修改,主要技术内容作了如下修改:一原长度余量上增加系数n的确定改为按锻件长度来确定;取消一般规定中4.4内容。
本标准自实施之日起代替ZBJ32003.7--88。本标准出全国锻压标准化技术委员会提出并归Ⅱ。本标准负责起草单位:上海重型机器厂。本标谁主要起草人:王谦和、谢培德。377
中华人民共和国机械行业标准
水压机上自由锻件机械加工余量与公差筒体类
Machining allowances and tolerances of open die forgingson hydraulic press--Cylinder本标准规定了水压机上自由锻筒体类锻件的余量与公差。JB/T 9179. 7--1999
代替ZBJ32003.7—88
本标准适用于最终经心棒拔长工序完工的,且零件尺寸符合L>1.2D的筒体类锻件。2余量与公差
简体类自由锻件的机械加工余量与公差应符合图1及表1、表2的规定。图1
国家机械工业局1999-06-24批准378
200001-01实施
零件长度
16002500
2 5004 000
6 3009 000
9 000/11 000
1100012000
长度L
30±11
32±11
34±11
36±12
38±13
32±1134±11
34±1136±12
38±13
42±14
JB/T 9179. 7-1999
零件直径D
36±12
1 0001250
余量 α 和极限偏差
38±13
[40±13|421411±15下载标准就来标准下载网
38-t13
44±1547+16501753-
44±15/47±16|50
47±16
50±1753±18|56±1959±20|6
3一般规定
[56±19[59±20|62±21
53 →+18
8|56±1959±2062±21
65±22
68±23
165+22
62±21
2268±237124
3.1筒体锻件长度余量与公差是最大外径余量的n倍,n为增加系数,从表2中查得。3.2筒体锻件壁厚不得小于100mm,如小于该值,可将壁厚增至100mm。4
应用示例
求简体的锻件尺寸:
该零件尺寸为:D700mmd=300mm,L1500mm查得:D上余量与极限偏差为38mm±13mm,n=3.0求得锻件的基本尺寸为:
D,=700+38=738mm(取740mm)
极限偏差士13mm;
d=30038×1.5=243mm(取245mm)
极限偏差土19mm;
L=1500+38×3.0=1614mm(取1615mm)极限偏差十38mm。
小提示:此标准内容仅展示完整标准里的部分截取内容,若需要完整标准请到上方自行免费下载完整标准文档。
标准图片预览:



- 热门标准
- 机械行业标准(JB)
- JB/T10056-1999 直流电流互感器 技术条件
- JB/T2756-2006 无轨电车用炭滑块
- JB/T8679-2008 炭弧气刨炭棒 物理及使用性能试验方法
- JB/T7895-2008 永磁筒式磁选机
- JB/T8840-2013 电热器具用电源开关
- JB/T11340.3-2012 阀控式铅酸蓄电池安全阀 第3部分:橡胶帽、阀芯
- JB/T9713-1999 工程机械 湿式铜基摩擦件 技术条件
- JB/T6316-2006 Z4系列直流电动机技术条件(机座号100~450)
- JB/T10677-2006 投影机 光源
- JB/T4328.10-1999 电工专用设备 球墨铸铁件通用技术条件
- JB/T9580-2008 炭石墨 产品分类及型号编制方法
- JB∕T12675-2016 拖拉机液压系统清洁度限值及测量方法
- JB/T10930-2010 200级耐电晕漆包铜圆线
- JB/T10573-2006 工具显微镜
- JB3704-1984 特种调压器用碳电阻片柱电气机械性能试验方法
- 行业新闻
请牢记:“bzxz.net”即是“标准下载”四个汉字汉语拼音首字母与国际顶级域名“.net”的组合。 ©2025 标准下载网 www.bzxz.net 本站邮件:bzxznet@163.com
网站备案号:湘ICP备2025141790号-2
网站备案号:湘ICP备2025141790号-2