- 您的位置:
- 标准下载网 >>
- 标准分类 >>
- 城镇建设行业标准(CJ) >>
- CJ/T 83-1999 供水用斜管
标准号:
CJ/T 83-1999
标准名称:
供水用斜管
标准类别:
城镇建设行业标准(CJ)
标准状态:
现行-
发布日期:
1999-06-04 -
实施日期:
1999-06-04 出版语种:
简体中文下载格式:
.rar.pdf下载大小:
146.81 KB
中标分类号:
建材>>公用与市政建设器材设备>>Q81供水、排水器材设备
替代情况:
原标准号CJ/T 35-1991
起草人:
邓志光起草单位:
中国市政工程中南设计研究院归口单位:
建设部水处理设备器材标准技术归口单位中国市政工程华北设计研究院提出单位:
建设部标准定额研究发布部门:
中华人民共和国建设部相关标签:
供水
点击下载
标准简介:
标准下载解压密码:www.bzxz.net
根据国家质量技术监督局《关于废止专业标准和清理整顿后应转化的国家标准的通知》(质技监督局标函(1998)216号)要求,建设部对1992年国家技术监仔局批复建设部归口的国家标准转化为行业标准项目及1992年以前建设部批准发布的产品标准项目进行了清理、整顿和审核。建设部以建标(1999)154号文《关于公布建设部产品标准清理整顿结果的通知》对CJ/T 35-91(供水用斜管》标准予以确认,新编号为CJ/T 83-1999。为便于标准的实施,现仅对原标准的封面、首页、书眉线上方表述进行相应修改,并增加本说明后重新发布。本标准规定了供水用斜管的试用范围、引用标准、产品分类、技术要求、检验规则,以及标志、包装、运输、贮存和安装管理。本标准适用于给水沉淀处理用的过水断面为蜂窝形状的塑料斜管。 CJ/T 83-1999 供水用斜管 CJ/T83-1999
部分标准内容:
CJ/T83—1999
根据国家质量技术监督局《关于废止专业标准和清理整顿后应转化的国家标准的通知》(质技监督局标函(1998)216号)要求,建设部对1992年国家技术监督局批复建设部归口的国家标准转化为行业标准项目及1992年以前建设部批准发布的产品标准项目进行了清理、整顿和审核。建设部以建标(1999)154号文《关于公布建设部产品标准清理整顿结果的通知》对CJ/T35—91《供水用斜管》标准予以确认,新编号为CJ/T83-1999。为便于标准的实施,现仅对原标准的封面、首页、书眉线上方表述进行相应修改,并增加本说明后重新发布。352
中华人民共和国城镇建设行业标准供水用斜管
Inclined tube settler for water clarification1主题内容与适用范围
CJ/T83-—1999
本标准规定了供水用斜管的适用范围、引用标准、产品分类、技术要求、试验方法、检验规则,以及标志、包装、运输、贮存和安装管理。本标准适用于给水沉淀处理用的过水断面为蜂宽形状的塑料斜管。2引用标准
GB5750生活饮用水标准检验法
GBn85聚丙烯成型品卫生标准
ZBY28003食品包装用压延聚氟乙烯(PVC)硬片GB1040塑料拉伸试验方法
GB5009.60食品包装用聚乙烯、桑苯乙烯、聚丙烯成型品卫生标准的分析方法GB 5009. 67
3产品分类
食品包装用聚氟乙烯成型品卫生标准的分析方法3.1根据斜管材料的种类,产品分为聚芮烯(包括乙丙共骤物)塑料斜管、聚氟乙烯塑料斜管(以下均简称为塑料斜管)。
3.2塑料斜管产品分为半成品和成品,塑料斜管半成品是指经机械热压而成型的连续半六边形片材,其成品是将半成品经焊接或粘结面成的具有一定倾斜角度的组件。规定成品单组斜管的尺寸为长(1)1000mm,宽(6)500mm,斜长(L)1000mm,倾角60°见图1。半成品片材
内切圆直径
粘结或焊接处
图1单组斜管尺寸图(单位:mm)3.3斜管的使用环境条件是介质温度0~~40℃,pH值6~9。4技术要求
4.1外观
中华人民共和国建设部1999-06-04批准1999-06-04实施
CJ/T 83--1999
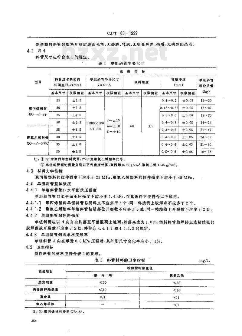
制造塑料斜管的塑料片材应表面光滑,无裂缝、气泡,无明显色差、杂质,无明显凹凸点。4.2尺寸
斜管尺寸应符合表1的规定。
表1单组斜管主要尺寸
主要指标
聚丙烯斜管
xG—d—pp
聚氯乙烯斜管
XG--d-PVC
斜管过水断面内
切圆直径d(mm)
基本尺寸
极限偏差
单组斜管外形尺寸
1×6×L
基本尺寸
1000×500
极限偏差
{=±10
b=±10
L=±10
倾斜角度
极限偏差
基本尺寸
注:① PP 为案丙烯塑料代号,PVC 为聚氟乙烯塑料代号。±2
管壁厚度
基本尺寸
0.45~~0.55
0. 5~~0. 6
0.4~0.5bzxZ.net
0.5~~0. 6
②单组斜管理论质量分别以下列密度计算:素丙烯 0. 92 g/cm2,素氯乙烯 1. 45 g/cm。4.3材料力学性能
极限偏差
聚丙烯塑料的拉伸强度不应小于25MPa,聚氯乙烯塑料的拉伸强度不应小于 45MPa。4.4单组斜管整体强度
4.4.1单组斜管管口水平面承压强度单组斜管管口水平面承压强度不应小于1.4kPa,在此条件下应符合以下规定。4.4.1.1聚丙烯塑料单组斜管总脱焊点不应多于5个,同一焊接线上脱焊点不应多于2个。单组斜管
理论质量
21~47
4.4.1.2聚氟乙烯塑料单组斜管粘结部位开裂数不应多于5处,同一粘结线上开裂数不应多于2处。4.4.2单组斜管耐冲击强度
单组斜管应以A向自由跌落至平整混凝土地面,跌落高度为1.0m,塑料斜管的焊接点或粘结处的脱焊数或开裂数不应多于2处,并符合4.4.1.1和4.4.1.2的规定。4.4.3单组斜管侧面承压变形率
单组斜管A向在承受0.6kPa压强后,其外形尺寸变化率应小于1%。4.5卫生指标
制作斜管的材料应符合表2的要求。表2斜管材料的卫生指标
检验项目
蒸发残渣
高锰酸钾耗氧量
重金属
氯乙烯单体
注:①丙烯材料按照GBn85。
聚丙烯
检验指标限量值
聚氯乙烯
②聚氯乙烯材料按照ZBY28003。5试验方法
5.1用目测检查片材和成品的外观。CJ/T83—1999
5.2用精度为10 mm量具测量斜管外形尺寸,用精度为 0.5 mm量具测量斜管过水断面管口内切圆直径,用糖度为 1°的角尺测量斜管倾斜角度,用精度为 0. 01 mm 量具测量材料厚度。5.3材料力学性能测定
塑料材料拉伸强度的测定,按GB1040进行。5.4单组斜管整体强度的测定。
5.4.1单组斜管管口水平面承压强度的测定将单组斜管按其在沉淀池内的放置方式置于水平地面上,用木制梯形体的腰面(见图2)支撑斜管的倾斜面。在单组斜管的上管口平面上平放一块木板,木板长1000mm,宽500mm,厚40mm,木板两面平整。在木板上均勾施加重物,重物和木板质量之和为70kg。承荷载10min后,御去荷载,用目测方法检查脱焊、开裂或脱胶情况。500
图2木制梯形体(单位:mm)
5.4.2耐冲击强度的测定
以单组斜管 A向呈水平状悬吊于离地面1 m高度,经自由跌落至平整的混凝土地面,A向两面各一次。上述试验后,用目测方法检查脱焊、开裂或脱胶情况。5.4.3侧面承压变形率的测定
以单组斜管A向的一面放置在水平地面上,然后在A向的另一面上放置与斜管A向的形状大小相同,厚度为40 mm的木制平板,在此木板上均勾施加重物,重物和木板质量之和为60 kg,历时5min,卸去重物和平板,待斜管静置10 min后,用精度为 1.0 mm 量具测量单组斜管的外形尺寸,计算变形率。
5.5卫生指标
5.5.1聚丙烯塑料的卫生指标检验按GB5009.60进行。5.5.2聚氯乙烯塑料的卫生指标检验按GB5009.67进行。6检验规则
6.1单组斜管需经生产厂质量检验部门按本标准出厂检验项目检验合格后方可出厂,并附有产品合格证。如现场组装产品,生产厂质量检验人员应到现场对组装产品进行出厂检验。6. 2 有下列情况之一时,应进行产品型式检验。新试制的产品,
产品结构、原材料、制造工艺有重大改变时,b.
在正常情况下,每年至少一次,国家质量监督机构提出型式检验的要求时。d.
型式检验应按本标准中技术要求逐项进行,检验时应在出厂合格产品中随机抽取2个单组斜管作355
试样。
6.3抽样规则
CJ/T 83--1999
6.3.1产品以批为单位,塑料斜管以同一批号树脂压制片材制造的斜管为同一批;同批购进的相同批号的片材制造的斜管为同一批。6.3.2出厂检验项目见本标准第4.1条、第4.2条和第4.4条。6.3.2.1逐件检验第4.1条和第.4.2条(即表1)中项目(单组斜管理论质量除外)。对每个被检验单组斜管,随机抽取5个点检测过水断面内切圆直径,随机抽取1个点检测管壁厚度。6.3.2.2单组斜管整体强度按第4.4条规定,每批产品抽样1%检验。6.3.3型式检验按第4.3条和第4.5条进行。6.4判定规则
6.4.1被检验单组斜管如有一项不符合第4.1条或第4.2条规定时,则该单组斜管为不合格产品。6.4.2被检验单组斜管有一项不符合第4.3条、第4.4条时,应在同批产品中再加倍抽样,对不合格项目进行复检。复检品合格则该批产品除首次检验不合格样品外,仍为合格产品。否则整批产品为不合格产品。
6.4.3被检验单组斜管不符合第4.5条规定时,整批产品为不合格产品。7标志、包装、运输、贮存和安装管理7.1标志
每件产品包装材料上应贴有标志,标志上注明制造厂名、产品名称、商标、产品型号、批号和制造日期。
7.2包装、运输
长途运输时,应将产品包装在木条箱或藤条箱内,应堆放整齐,单组斜管应以斜管管口为受力面。包装箱内应附有合格证。
在运输过程中,不得使产品遭受扔摔、冲击、重压或划伤。7.3贮存和安装管理
产品应贮存在清洁平整的库房或场地内,应避免阳光曝晒、雨淋,不得靠近火源和高温物体,不得靠近有毒、有害物体。
产品在安装前应进行检验,有破损、开裂等情况的产品不得装人池内。附加说明:
本标准由建设部标准定额研究所提出。本标准由建设部水处理设备器材标准技术归口单位中国市政工程华北设计研究院归口。本标准由中国市政工程中南设计研究院负资起草并解释。本标推主要起草人邓志光。
小提示:此标准内容仅展示完整标准里的部分截取内容,若需要完整标准请到上方自行免费下载完整标准文档。
根据国家质量技术监督局《关于废止专业标准和清理整顿后应转化的国家标准的通知》(质技监督局标函(1998)216号)要求,建设部对1992年国家技术监督局批复建设部归口的国家标准转化为行业标准项目及1992年以前建设部批准发布的产品标准项目进行了清理、整顿和审核。建设部以建标(1999)154号文《关于公布建设部产品标准清理整顿结果的通知》对CJ/T35—91《供水用斜管》标准予以确认,新编号为CJ/T83-1999。为便于标准的实施,现仅对原标准的封面、首页、书眉线上方表述进行相应修改,并增加本说明后重新发布。352
中华人民共和国城镇建设行业标准供水用斜管
Inclined tube settler for water clarification1主题内容与适用范围
CJ/T83-—1999
本标准规定了供水用斜管的适用范围、引用标准、产品分类、技术要求、试验方法、检验规则,以及标志、包装、运输、贮存和安装管理。本标准适用于给水沉淀处理用的过水断面为蜂宽形状的塑料斜管。2引用标准
GB5750生活饮用水标准检验法
GBn85聚丙烯成型品卫生标准
ZBY28003食品包装用压延聚氟乙烯(PVC)硬片GB1040塑料拉伸试验方法
GB5009.60食品包装用聚乙烯、桑苯乙烯、聚丙烯成型品卫生标准的分析方法GB 5009. 67
3产品分类
食品包装用聚氟乙烯成型品卫生标准的分析方法3.1根据斜管材料的种类,产品分为聚芮烯(包括乙丙共骤物)塑料斜管、聚氟乙烯塑料斜管(以下均简称为塑料斜管)。
3.2塑料斜管产品分为半成品和成品,塑料斜管半成品是指经机械热压而成型的连续半六边形片材,其成品是将半成品经焊接或粘结面成的具有一定倾斜角度的组件。规定成品单组斜管的尺寸为长(1)1000mm,宽(6)500mm,斜长(L)1000mm,倾角60°见图1。半成品片材
内切圆直径
粘结或焊接处
图1单组斜管尺寸图(单位:mm)3.3斜管的使用环境条件是介质温度0~~40℃,pH值6~9。4技术要求
4.1外观
中华人民共和国建设部1999-06-04批准1999-06-04实施
CJ/T 83--1999
制造塑料斜管的塑料片材应表面光滑,无裂缝、气泡,无明显色差、杂质,无明显凹凸点。4.2尺寸
斜管尺寸应符合表1的规定。
表1单组斜管主要尺寸
主要指标
聚丙烯斜管
xG—d—pp
聚氯乙烯斜管
XG--d-PVC
斜管过水断面内
切圆直径d(mm)
基本尺寸
极限偏差
单组斜管外形尺寸
1×6×L
基本尺寸
1000×500
极限偏差
{=±10
b=±10
L=±10
倾斜角度
极限偏差
基本尺寸
注:① PP 为案丙烯塑料代号,PVC 为聚氟乙烯塑料代号。±2
管壁厚度
基本尺寸
0.45~~0.55
0. 5~~0. 6
0.4~0.5bzxZ.net
0.5~~0. 6
②单组斜管理论质量分别以下列密度计算:素丙烯 0. 92 g/cm2,素氯乙烯 1. 45 g/cm。4.3材料力学性能
极限偏差
聚丙烯塑料的拉伸强度不应小于25MPa,聚氯乙烯塑料的拉伸强度不应小于 45MPa。4.4单组斜管整体强度
4.4.1单组斜管管口水平面承压强度单组斜管管口水平面承压强度不应小于1.4kPa,在此条件下应符合以下规定。4.4.1.1聚丙烯塑料单组斜管总脱焊点不应多于5个,同一焊接线上脱焊点不应多于2个。单组斜管
理论质量
21~47
4.4.1.2聚氟乙烯塑料单组斜管粘结部位开裂数不应多于5处,同一粘结线上开裂数不应多于2处。4.4.2单组斜管耐冲击强度
单组斜管应以A向自由跌落至平整混凝土地面,跌落高度为1.0m,塑料斜管的焊接点或粘结处的脱焊数或开裂数不应多于2处,并符合4.4.1.1和4.4.1.2的规定。4.4.3单组斜管侧面承压变形率
单组斜管A向在承受0.6kPa压强后,其外形尺寸变化率应小于1%。4.5卫生指标
制作斜管的材料应符合表2的要求。表2斜管材料的卫生指标
检验项目
蒸发残渣
高锰酸钾耗氧量
重金属
氯乙烯单体
注:①丙烯材料按照GBn85。
聚丙烯
检验指标限量值
聚氯乙烯
②聚氯乙烯材料按照ZBY28003。5试验方法
5.1用目测检查片材和成品的外观。CJ/T83—1999
5.2用精度为10 mm量具测量斜管外形尺寸,用精度为 0.5 mm量具测量斜管过水断面管口内切圆直径,用糖度为 1°的角尺测量斜管倾斜角度,用精度为 0. 01 mm 量具测量材料厚度。5.3材料力学性能测定
塑料材料拉伸强度的测定,按GB1040进行。5.4单组斜管整体强度的测定。
5.4.1单组斜管管口水平面承压强度的测定将单组斜管按其在沉淀池内的放置方式置于水平地面上,用木制梯形体的腰面(见图2)支撑斜管的倾斜面。在单组斜管的上管口平面上平放一块木板,木板长1000mm,宽500mm,厚40mm,木板两面平整。在木板上均勾施加重物,重物和木板质量之和为70kg。承荷载10min后,御去荷载,用目测方法检查脱焊、开裂或脱胶情况。500
图2木制梯形体(单位:mm)
5.4.2耐冲击强度的测定
以单组斜管 A向呈水平状悬吊于离地面1 m高度,经自由跌落至平整的混凝土地面,A向两面各一次。上述试验后,用目测方法检查脱焊、开裂或脱胶情况。5.4.3侧面承压变形率的测定
以单组斜管A向的一面放置在水平地面上,然后在A向的另一面上放置与斜管A向的形状大小相同,厚度为40 mm的木制平板,在此木板上均勾施加重物,重物和木板质量之和为60 kg,历时5min,卸去重物和平板,待斜管静置10 min后,用精度为 1.0 mm 量具测量单组斜管的外形尺寸,计算变形率。
5.5卫生指标
5.5.1聚丙烯塑料的卫生指标检验按GB5009.60进行。5.5.2聚氯乙烯塑料的卫生指标检验按GB5009.67进行。6检验规则
6.1单组斜管需经生产厂质量检验部门按本标准出厂检验项目检验合格后方可出厂,并附有产品合格证。如现场组装产品,生产厂质量检验人员应到现场对组装产品进行出厂检验。6. 2 有下列情况之一时,应进行产品型式检验。新试制的产品,
产品结构、原材料、制造工艺有重大改变时,b.
在正常情况下,每年至少一次,国家质量监督机构提出型式检验的要求时。d.
型式检验应按本标准中技术要求逐项进行,检验时应在出厂合格产品中随机抽取2个单组斜管作355
试样。
6.3抽样规则
CJ/T 83--1999
6.3.1产品以批为单位,塑料斜管以同一批号树脂压制片材制造的斜管为同一批;同批购进的相同批号的片材制造的斜管为同一批。6.3.2出厂检验项目见本标准第4.1条、第4.2条和第4.4条。6.3.2.1逐件检验第4.1条和第.4.2条(即表1)中项目(单组斜管理论质量除外)。对每个被检验单组斜管,随机抽取5个点检测过水断面内切圆直径,随机抽取1个点检测管壁厚度。6.3.2.2单组斜管整体强度按第4.4条规定,每批产品抽样1%检验。6.3.3型式检验按第4.3条和第4.5条进行。6.4判定规则
6.4.1被检验单组斜管如有一项不符合第4.1条或第4.2条规定时,则该单组斜管为不合格产品。6.4.2被检验单组斜管有一项不符合第4.3条、第4.4条时,应在同批产品中再加倍抽样,对不合格项目进行复检。复检品合格则该批产品除首次检验不合格样品外,仍为合格产品。否则整批产品为不合格产品。
6.4.3被检验单组斜管不符合第4.5条规定时,整批产品为不合格产品。7标志、包装、运输、贮存和安装管理7.1标志
每件产品包装材料上应贴有标志,标志上注明制造厂名、产品名称、商标、产品型号、批号和制造日期。
7.2包装、运输
长途运输时,应将产品包装在木条箱或藤条箱内,应堆放整齐,单组斜管应以斜管管口为受力面。包装箱内应附有合格证。
在运输过程中,不得使产品遭受扔摔、冲击、重压或划伤。7.3贮存和安装管理
产品应贮存在清洁平整的库房或场地内,应避免阳光曝晒、雨淋,不得靠近火源和高温物体,不得靠近有毒、有害物体。
产品在安装前应进行检验,有破损、开裂等情况的产品不得装人池内。附加说明:
本标准由建设部标准定额研究所提出。本标准由建设部水处理设备器材标准技术归口单位中国市政工程华北设计研究院归口。本标准由中国市政工程中南设计研究院负资起草并解释。本标推主要起草人邓志光。
小提示:此标准内容仅展示完整标准里的部分截取内容,若需要完整标准请到上方自行免费下载完整标准文档。
标准图片预览:





- 其它标准
- 上一篇: CJ/T 47-1999 水处理用双层陶瓷滤砖
- 下一篇: CJ/T 84-1999 垃圾车
- 热门标准
- 城镇建设行业标准(CJ)
- CJ/T5001-1992 无轨电车气压控制开关
- CJ/T440-2013 无负压静音管中泵给水设备
- CJ/T442-2013 建筑排水低噪声硬聚氯乙烯(PVC-U)管材
- CJJ/T206-2013 城市道路低吸热路面技术规范 含条文说明
- CJ/T112-2008 IC卡膜式燃气表
- CJJ/T157-2010 城市三维建模技术规范
- CJ/T282-2008 蝶形缓闭止回阀
- CJ/T414-2012 城市轨道交通钢铝复合导电轨技术要求
- CJ/T351-2010 高位调蓄叠压供水设备
- CJ/T417-2012 低地板有轨电车车辆通用技术条件
- CJ/T30-2013 热电式燃具熄火保护装置
- CJ/T3-1999 城市无轨电车和有轨电车供电线网电杆
- CJ/T448-2014 城镇燃气加臭装置
- CJ/T5010-1993 无轨电车底盘通用技术条件
- CJ/T5011-1993 无轨电车空气断路器通用技术条件
- 行业新闻
请牢记:“bzxz.net”即是“标准下载”四个汉字汉语拼音首字母与国际顶级域名“.net”的组合。 ©2025 标准下载网 www.bzxz.net 本站邮件:bzxznet@163.com
网站备案号:湘ICP备2025141790号-2
网站备案号:湘ICP备2025141790号-2