- 您的位置:
- 标准下载网 >>
- 标准分类 >>
- 水产行业标准(SC) >>
- SC/T 8008-1994 渔船加冰孔盖
标准号:
SC/T 8008-1994
标准名称:
渔船加冰孔盖
标准类别:
水产行业标准(SC)
标准状态:
已作废-
发布日期:
1994-10-01 -
实施日期:
1996-10-01 出版语种:
简体中文下载格式:
.rar.pdf下载大小:
52.16 KB
替代情况:
CB 762-77
相关标签:
渔船
部分标准内容:
中华人民共和国水产行业标准
渔船加冰孔盖下载标准就来标准下载网
主题内容与适用范图
SC/T8008-94
代替CB”762
本标携规定了加冰孔盖的结构形式、规格、主要尺寸、技术要求、试验和检验规则。本标准适用于钢质海洋渔船。
引用标准
(GB8923涂装前钢材表面锈蚀等级和除锈等级(B°332钢质嗮装件精度要求
型式和主要尺寸
3.1结构型式、规格和主要尺寸见图及表1。中华人民共和国农业部1994-10-01批准88
1995-01-01实施
加冰孔盖内框尺寸
900×800
1000×800
1100×800
3.2标记示例
SC/T8008--94
L × B
1—斜脚木;2--外木盖:3--螺旋夹扣;4—密封盖5—内木盖;6--橡皮;7~橡皮;8--内木框;9—肘板,10--框架表1
甲板开孔尺寸
1140×1040
1240×1040
1340×1040
L=1000mm,B=800mm的加冰孔盖:加冰孔盖1000×800
4技术要求
SC/T8008-94
内盖尺寸
830X730
930×730
1030×730
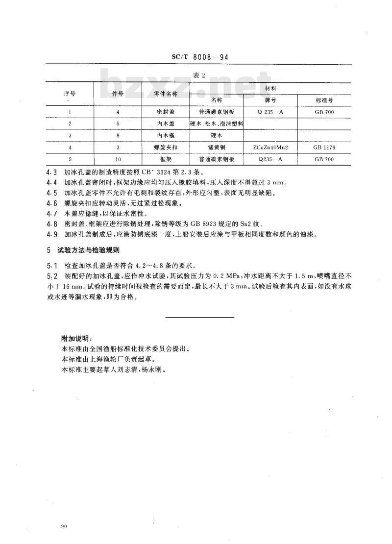
4.1加冰孔盖应符合本标准的要求,并按规定的图样制造。4.2加冰孔盖主要零件材料按表2。框架厚度
盖板厚度
SC/T 8008-94
零件名称
密封盖
内木盖
内木框
螺旋夹扣
普通碳素钢板
硬木、松木、泡沫塑料
锰黄铜
普通碳素钢板
加冰孔盖的制造精度按照CB*3324第2.3条。材料
ZCuZn40Mn2
Q235--A
加冰孔盖密闭时,框架边缘应均匀压入橡胶填料,压人深度不得超过3mm。加冰孔盖零件不允许有毛刺和裂纹存在,外形应匀整,表面无明显缺陷。螺旋夹扣应转动灵活,无过紧过松现象。木盖应捻缝,以保证水密性。
密封盖、框架应进行除锈处理,除锈等级为GB8923规定的Sa2纹。标准号
GB1176
加冰孔盖制成后,应涂防锈底漆一度,上船安装后应涂与甲板相同度数和颜色的油漆。5试验方法与检验规则
5.1检查加冰孔盖是否符合4.2~4.8条的要求,5.2装配好的加冰孔盖,应作冲水试验,其试验压力为0.2MPa,冲水距离不大于1.5m,喷嘴直径不小于16mm。试验的持续时间视检查的需要而定,最长不大于3min。试验后检查其内表面,如没有水珠或水迹等漏水现象,即为合格。附加说明:
本标准由全国渔船标准化技术委员会提出。本标准由上海渔轮厂负责起草。本标准主要起草人刘志清,杨永刚。90
小提示:此标准内容仅展示完整标准里的部分截取内容,若需要完整标准请到上方自行免费下载完整标准文档。
渔船加冰孔盖下载标准就来标准下载网
主题内容与适用范图
SC/T8008-94
代替CB”762
本标携规定了加冰孔盖的结构形式、规格、主要尺寸、技术要求、试验和检验规则。本标准适用于钢质海洋渔船。
引用标准
(GB8923涂装前钢材表面锈蚀等级和除锈等级(B°332钢质嗮装件精度要求
型式和主要尺寸
3.1结构型式、规格和主要尺寸见图及表1。中华人民共和国农业部1994-10-01批准88
1995-01-01实施
加冰孔盖内框尺寸
900×800
1000×800
1100×800
3.2标记示例
SC/T8008--94
L × B
1—斜脚木;2--外木盖:3--螺旋夹扣;4—密封盖5—内木盖;6--橡皮;7~橡皮;8--内木框;9—肘板,10--框架表1
甲板开孔尺寸
1140×1040
1240×1040
1340×1040
L=1000mm,B=800mm的加冰孔盖:加冰孔盖1000×800
4技术要求
SC/T8008-94
内盖尺寸
830X730
930×730
1030×730
4.1加冰孔盖应符合本标准的要求,并按规定的图样制造。4.2加冰孔盖主要零件材料按表2。框架厚度
盖板厚度
SC/T 8008-94
零件名称
密封盖
内木盖
内木框
螺旋夹扣
普通碳素钢板
硬木、松木、泡沫塑料
锰黄铜
普通碳素钢板
加冰孔盖的制造精度按照CB*3324第2.3条。材料
ZCuZn40Mn2
Q235--A
加冰孔盖密闭时,框架边缘应均匀压入橡胶填料,压人深度不得超过3mm。加冰孔盖零件不允许有毛刺和裂纹存在,外形应匀整,表面无明显缺陷。螺旋夹扣应转动灵活,无过紧过松现象。木盖应捻缝,以保证水密性。
密封盖、框架应进行除锈处理,除锈等级为GB8923规定的Sa2纹。标准号
GB1176
加冰孔盖制成后,应涂防锈底漆一度,上船安装后应涂与甲板相同度数和颜色的油漆。5试验方法与检验规则
5.1检查加冰孔盖是否符合4.2~4.8条的要求,5.2装配好的加冰孔盖,应作冲水试验,其试验压力为0.2MPa,冲水距离不大于1.5m,喷嘴直径不小于16mm。试验的持续时间视检查的需要而定,最长不大于3min。试验后检查其内表面,如没有水珠或水迹等漏水现象,即为合格。附加说明:
本标准由全国渔船标准化技术委员会提出。本标准由上海渔轮厂负责起草。本标准主要起草人刘志清,杨永刚。90
小提示:此标准内容仅展示完整标准里的部分截取内容,若需要完整标准请到上方自行免费下载完整标准文档。
标准图片预览:



- 其它标准
- 上一篇: SC/T 8007-1994 渔船舷边出水门
- 下一篇: SC/T 8010-1989 天窗
- 热门标准
- 水产行业标准(SC)
- SC/T7219.4-2015 三代虫病诊断规程 第4部分:中型三代虫病
- SC/T8080-1994 渔船柴油主机安装技术要求
- SC/T8090-1994 渔船液压舵机安装技术要求
- SC/T7205.2-2007 牡蛎包纳米虫病诊断规程 第2部分:组织病理学诊断法
- SC/T2047-2006 水产养殖用海洋微藻保种操作技术规范
- SC/T9011.4-2006 冻结装置试验方法 第4部分:流态冻结装置试验方法
- SC/T7016.11-2012 鱼类细胞系 第11部分虹鳟肝细胞系(R1)
- SC/T2036-2006 文蛤养殖技术规范
- SC2035-2006 文蛤
- SC/T8033-1994 渔船电动式起锚机修理技术条件
- SC/T8035-1997 渔船平板冻结机安装调试技术要求
- SC/T8040-1994 渔船100Nm、45Nm单片离合器修理技术要求
- SC/T3105-1988 鲜鳓鱼
- SC1039-2000 南方鲇
- SC/T6011-2001 平模颗粒饲料压制机 技术条件
- 行业新闻
请牢记:“bzxz.net”即是“标准下载”四个汉字汉语拼音首字母与国际顶级域名“.net”的组合。 ©2025 标准下载网 www.bzxz.net 本站邮件:bzxznet@163.com
网站备案号:湘ICP备2025141790号-2
网站备案号:湘ICP备2025141790号-2