- 您的位置:
- 标准下载网 >>
- 标准分类 >>
- 水产行业标准(SC) >>
- SC/T 8004-2000 钢质渔船鱼舱口
标准号:
SC/T 8004-2000
标准名称:
钢质渔船鱼舱口
标准类别:
水产行业标准(SC)
标准状态:
现行-
发布日期:
2000-02-22 -
实施日期:
2000-04-01 出版语种:
简体中文下载格式:
.rar.pdf下载大小:
82.55 KB
替代情况:
替代SC/T 8004-1986
点击下载
标准简介:
标准下载解压密码:www.bzxz.net
本标准规定了钢质渔船鱼舱口的分类、型式、尺寸、技术要求等。 SC/T 8004-2000 钢质渔船鱼舱口 SC/T8004-2000
部分标准内容:
SC/T 8004—2000
本标准根据中华人民共和国渔船检验局钢质海洋渔船建造规范》(1998)的有关要求对SC/T8004—1986渔船钢质渔舱口进行修订。本标准修订内容包括:标准名称由&渔船钢质渔舱口改为&钢质渔船鱼舱口;适用范圈由船长≥24m≤50m变为≥24m≤90m,肋距由0.55m扩大到0.50m,0.55m.0.60m三种系列,满足建造各种长度渔船的需要;舱口宽度给予固定;舱口型式简单化,方便选用;章节和文字做适当改动。本标准由中国水产科学研究院提出。本标准由中国水产科学研究院归口。本标准起草单位:中国水产科学研究院。本标准主要起草人:魏广东。bzxz.net
本标准于1977年制定,标准编号为SC4一1977;1986年第一次修订,1995年调整为SC/T 8004—1986.
1范围
中华人民共和国水产行业标准
钢质渔船鱼舱口
Hatch of steel fishing vessel本标准规定了钢质渔船鱼舱口的分类、型式、尺寸、技术要求等。SC/T 8004-2000
代替SC/T8004-1986
本标准适用于船长不小于24m但小于90m,肋距为0.50m.0.55m.0.60m的钢质渔船鱼舱口的设计与施工。对于肋距不等于0.50m、0.55m.0.60m,或要求特殊鱼舱口的渔船,亦可参照本标准的结构型式决定所需舱口的尺寸。
2引用标准
下列标准所包含的条文,通过在本标准中引用而构成为本标准的条文。本标准出版时,所示版本均为有效。所有标准都会被修订,使用本标准的各方应探讨使用下列标准最新版本的可能性。GB/T700-1988碳素结构钢
GB712—1988船体用结构钢
3鱼舱口分类
鱼舱口分类见表1。
鱼舱口分类
3.1A型鱼舱口结构型式和尺寸
钢质A型
钢质B型
A型鱼舱口结构型式和尺寸见表2、图1。表2鱼舱口尺寸
舱口型号
A1、B1
A2、B2
A3、B3
舱口长度
舱口宽度
中华人民共和国农业部2000-02-22批准舱口高度.
适用范围
配用钢质,玻璃钢上盖,配用木质下盖mm
舱口圆角
围板厚度
按0.05×船长+
4: 5 计算取整数
2000-04-01实施
15×100泄水孔
甲板覆盖层
主甲板
SC/T8004—2000
1)在与流水措水平板上缘齐平的舱口围板四侧的中央和四个转角处各开15mm×100mm泄水孔一个1—半圆钢:2—流水槽;3—舱口围板,4—系索环5-活动梁图1
3-2B型鱼舱口型式及尺寸
B型鱼舱口型式及尺寸见表2.图2。26
甲板覆盖层
主甲板
SC/T 8004—2000
P+009-H
1)在与流水摘水平要板上缘齐平的舱口围板四侧的中央和四个转角处各开15mm×100mm泄水孔一个。1-舱口围板?2—流水槽:3—半圆钢:4-系索环35—活动梁图2
3.3标记示例
舱口尺寸为1650mm×1400mm×H的A1型钢质鱼舱口标记为:鱼舱口A11650×1400×HSC/T 8004—2000。
舱口尺寸为1650mm×1400mm×H的B1型鱼舱口标记为:鱼舱口B11650×1400×HSC/T 8004--2000。
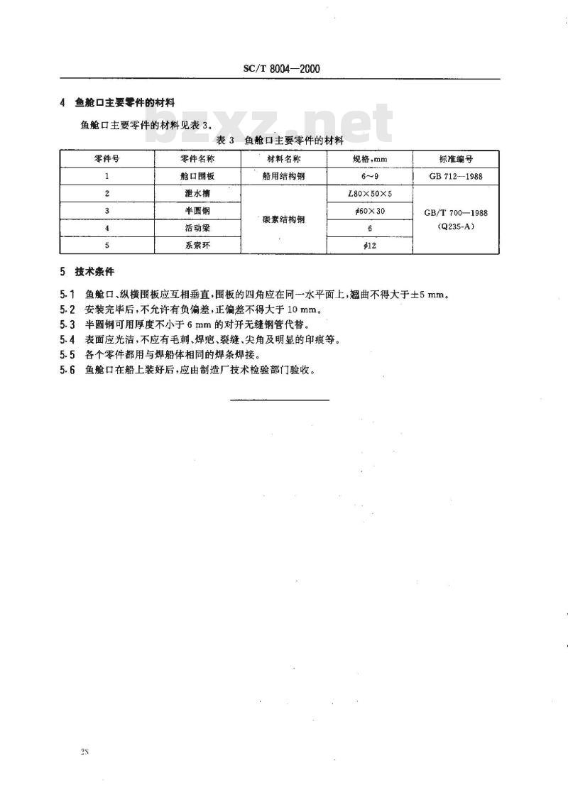
4鱼舱口主要零件的材料
鱼舱口主要零件的材料见表3。
零件号
5技术条件
零件名称
舱口围板
泄水槽
半圆钢
活动梁
系索环
SC/T 8004—2000
表3鱼舱口主要零件的材料
材料名称
船用结构钢
碳素结构
规格.mm
L80X50X5
¥6030
标准编号
GB 712-1988
GB/T 700—1988
(Q235-A)
5.1鱼舱口,纵横围板应互相垂直,围板的四角应在同一水平面上,翘曲不得大于土5mm。5.2安装完毕后,不允许有负偏差,正偏差不得大于10mm。5.3半圆钢可用厚度不小于6mm的对并无缝钢管代替。5.4表面应光洁,不应有毛刺、焊疤、裂缝、尖角及明显的印痕等。5.5各个零件都用与焊船体相同的焊条焊接。5.6鱼舱口在船上装好后,应由制造厂技术检验部门验。25
小提示:此标准内容仅展示完整标准里的部分截取内容,若需要完整标准请到上方自行免费下载完整标准文档。
本标准根据中华人民共和国渔船检验局钢质海洋渔船建造规范》(1998)的有关要求对SC/T8004—1986渔船钢质渔舱口进行修订。本标准修订内容包括:标准名称由&渔船钢质渔舱口改为&钢质渔船鱼舱口;适用范圈由船长≥24m≤50m变为≥24m≤90m,肋距由0.55m扩大到0.50m,0.55m.0.60m三种系列,满足建造各种长度渔船的需要;舱口宽度给予固定;舱口型式简单化,方便选用;章节和文字做适当改动。本标准由中国水产科学研究院提出。本标准由中国水产科学研究院归口。本标准起草单位:中国水产科学研究院。本标准主要起草人:魏广东。bzxz.net
本标准于1977年制定,标准编号为SC4一1977;1986年第一次修订,1995年调整为SC/T 8004—1986.
1范围
中华人民共和国水产行业标准
钢质渔船鱼舱口
Hatch of steel fishing vessel本标准规定了钢质渔船鱼舱口的分类、型式、尺寸、技术要求等。SC/T 8004-2000
代替SC/T8004-1986
本标准适用于船长不小于24m但小于90m,肋距为0.50m.0.55m.0.60m的钢质渔船鱼舱口的设计与施工。对于肋距不等于0.50m、0.55m.0.60m,或要求特殊鱼舱口的渔船,亦可参照本标准的结构型式决定所需舱口的尺寸。
2引用标准
下列标准所包含的条文,通过在本标准中引用而构成为本标准的条文。本标准出版时,所示版本均为有效。所有标准都会被修订,使用本标准的各方应探讨使用下列标准最新版本的可能性。GB/T700-1988碳素结构钢
GB712—1988船体用结构钢
3鱼舱口分类
鱼舱口分类见表1。
鱼舱口分类
3.1A型鱼舱口结构型式和尺寸
钢质A型
钢质B型
A型鱼舱口结构型式和尺寸见表2、图1。表2鱼舱口尺寸
舱口型号
A1、B1
A2、B2
A3、B3
舱口长度
舱口宽度
中华人民共和国农业部2000-02-22批准舱口高度.
适用范围
配用钢质,玻璃钢上盖,配用木质下盖mm
舱口圆角
围板厚度
按0.05×船长+
4: 5 计算取整数
2000-04-01实施
15×100泄水孔
甲板覆盖层
主甲板
SC/T8004—2000
1)在与流水措水平板上缘齐平的舱口围板四侧的中央和四个转角处各开15mm×100mm泄水孔一个1—半圆钢:2—流水槽;3—舱口围板,4—系索环5-活动梁图1
3-2B型鱼舱口型式及尺寸
B型鱼舱口型式及尺寸见表2.图2。26
甲板覆盖层
主甲板
SC/T 8004—2000
P+009-H
1)在与流水摘水平要板上缘齐平的舱口围板四侧的中央和四个转角处各开15mm×100mm泄水孔一个。1-舱口围板?2—流水槽:3—半圆钢:4-系索环35—活动梁图2
3.3标记示例
舱口尺寸为1650mm×1400mm×H的A1型钢质鱼舱口标记为:鱼舱口A11650×1400×HSC/T 8004—2000。
舱口尺寸为1650mm×1400mm×H的B1型鱼舱口标记为:鱼舱口B11650×1400×HSC/T 8004--2000。
4鱼舱口主要零件的材料
鱼舱口主要零件的材料见表3。
零件号
5技术条件
零件名称
舱口围板
泄水槽
半圆钢
活动梁
系索环
SC/T 8004—2000
表3鱼舱口主要零件的材料
材料名称
船用结构钢
碳素结构
规格.mm
L80X50X5
¥6030
标准编号
GB 712-1988
GB/T 700—1988
(Q235-A)
5.1鱼舱口,纵横围板应互相垂直,围板的四角应在同一水平面上,翘曲不得大于土5mm。5.2安装完毕后,不允许有负偏差,正偏差不得大于10mm。5.3半圆钢可用厚度不小于6mm的对并无缝钢管代替。5.4表面应光洁,不应有毛刺、焊疤、裂缝、尖角及明显的印痕等。5.5各个零件都用与焊船体相同的焊条焊接。5.6鱼舱口在船上装好后,应由制造厂技术检验部门验。25
小提示:此标准内容仅展示完整标准里的部分截取内容,若需要完整标准请到上方自行免费下载完整标准文档。
标准图片预览:





- 其它标准
- 热门标准
- 水产行业标准(SC)
- SC/T7219.4-2015 三代虫病诊断规程 第4部分:中型三代虫病
- SC/T8080-1994 渔船柴油主机安装技术要求
- SC/T8090-1994 渔船液压舵机安装技术要求
- SC/T7205.2-2007 牡蛎包纳米虫病诊断规程 第2部分:组织病理学诊断法
- SC/T2047-2006 水产养殖用海洋微藻保种操作技术规范
- SC/T9011.4-2006 冻结装置试验方法 第4部分:流态冻结装置试验方法
- SC/T7016.11-2012 鱼类细胞系 第11部分虹鳟肝细胞系(R1)
- SC/T2036-2006 文蛤养殖技术规范
- SC2035-2006 文蛤
- SC/T8033-1994 渔船电动式起锚机修理技术条件
- SC/T8035-1997 渔船平板冻结机安装调试技术要求
- SC/T8040-1994 渔船100Nm、45Nm单片离合器修理技术要求
- SC/T3105-1988 鲜鳓鱼
- SC1039-2000 南方鲇
- SC/T6011-2001 平模颗粒饲料压制机 技术条件
- 行业新闻
请牢记:“bzxz.net”即是“标准下载”四个汉字汉语拼音首字母与国际顶级域名“.net”的组合。 ©2025 标准下载网 www.bzxz.net 本站邮件:bzxznet@163.com
网站备案号:湘ICP备2025141790号-2
网站备案号:湘ICP备2025141790号-2