- 您的位置:
- 标准下载网 >>
- 标准分类 >>
- 国家标准(GB) >>
- GB/T 7899-2006 焊接、切割及类似工艺用气瓶减压器
标准号:
GB/T 7899-2006
标准名称:
焊接、切割及类似工艺用气瓶减压器
标准类别:
国家标准(GB)
标准状态:
现行-
发布日期:
2006-03-14 -
实施日期:
2006-10-01 出版语种:
简体中文下载格式:
.rar.pdf下载大小:
1.50 MB
标准ICS号:
计量学和测量、物理现象>>17.100力、重力和压力的测量中标分类号:
仪器、仪表>>工业自动化仪表与控制装置>>N11温度与压力仪表
替代情况:
替代GB/T 7899-1987采标情况:
MOD ISO 2503:1998

点击下载
标准简介:
标准下载解压密码:www.bzxz.net
本标准规定了焊接、切割及类似工艺用气瓶减压器的制造要求、接头、符号和物理特性、标志、使用说明书、包装、贮存要求、型式试验程序和检验规则等技术要求。 GB/T 7899-2006 焊接、切割及类似工艺用气瓶减压器 GB/T7899-2006

部分标准内容:
ICS17.100
中华人民共和国国家标准
GB/T7899-2006
代替GB/T7899-—1987
焊接、切割及类似工艺用气瓶减压器Regulators for welding,cutting and the similar processes(ISO 2503:1998,Gas welding equipment—Pressure regulators for gas cylindersused in welding,cutting and allied processes up to 30o bar,MOD)2006-03-14发布
中华人民共和国国家质量监督检验检疫总局中国国家标准化管理委员会
2006-10-01实施
GB/T7899—2006
本标准修改采用ISO2503:1998《气焊设备焊接、切割及有关工艺过程中使用300bar以下的气瓶减压器》(英文版)。
本标准替代GB/T7899—1987焊接、切割及类似工艺用气瓶减压器》。考虑到我国法律要求和我国的特殊国情,对ISO2503:1998进行了一些修改。为了方便比较,在附录A中列出本标准条款与国际标准条款的对照一览表。有关技术性差异用垂直单线标识在其所涉及的条款的页边空白处,并在附录B中给出这些技术性差异及原因的一览表以供参考。为了便于使用,本标准还做了下列编性修改:a)“本国际标准”一词改为“本标准”;b)用小数点“”代替作为小数点的“,\;删除国际标准的前言;
将计量单位bar换算为法定计量单位MPa;d)
将排气量改为流量。
本标准的附录A、附录B、附录 C、附录D和附录E均为资料性附录。本标准由中国机械工业联合会提出。本标准由全国工业过程测量和控制标准化技术委员会压力仪表分技术委员会归口。本标准负责起草单位:西安工业自动化仪表研究所。本标准起草单位:上海减压器厂、雷尔达仪表有限公司、宁波隆兴集团仪表减压器制造有限公司、青岛华青集团有限公司。
本标准主要起草人:黄世澄、金剑华、简履平、罗娟。本标准所代替标准的历次版本发布情况为:-GB/T7899—1987。
1·范围
焊接、切割及类似工艺用气瓶减压器GB/T7899—-2006
本标准规定了焊接、切割及类似工艺用气瓶减压器的制造要求、接头、符号和物理特征、标志、使用说明书、包装、贮存要求、型式试验程序和检验规则等技术要求。本标准适用于在焊接、切割及类似工艺过程中,压力在30MPa\以内的压缩气体、溶解乙炔、液化石油气(LPG)、甲基乙炔-丙二烯混合物(MPS)和二氧化碳(CO,)等单级、双级气瓶用减压器。2规范性引用文件
下列文件中的条款通过本标准的引用而成为本标准的条款。凡是注日期的引用文件,其随后所有的修改单(不包括勘误的内容)或修订版均不适用于本标准,然而,鼓励根据本标准达成协议的各方研究是否可使用这些文件的最新版本。凡是不注日期的引用文件,其最新版本适用于本标准。GB/T5107—1985焊接和切割用软管接头(neqISO3253:1975)GB15383—1994气瓶阀出气口连接型式和尺寸GB/T15464—1995仪器仪表包装通用技术条件JB/T9271—1999焊接、切割及类似工艺用压力表(neqISO5171:1995)3术语和定义
下列术语和定义适用于本标准。3.1
减压器regulator
将通常可变的进口压力调节到尽可能稳定的出口压力的装置。零部件名称
表1用图1中列出的序号指明了与减压器有关的零部件名称。此减压器图仅为示例。1)15℃时气瓶最大充气压力为30MPa。GB/T7899-—2006
图1减压器结构示意图
注1零件12、13和14为安全阀的琴件。注2:零件19为出气口阀,其安装为选项,见6.2.4。25
注3:图中零件4a和4b为示例,并非强制规定。也可使用其他类型的进气口连接件表1减压器零部件名称表
零部件名称
压力调节螺钉
弹簧垫块
进气口接头
进气口螺帽
进气口过滤器
密封图
高压表
阀门弹簧
弹簧架
安全阀调节螺钉
安全阀弹簧
零部件名称
安全阀阀门
低压表
阀门座
膜片压板
出气口阀
出气口接头
出气口螺帽
软管接头
膜片垫圈
调节弹簧
弹资垫块
5单位
5.1压力
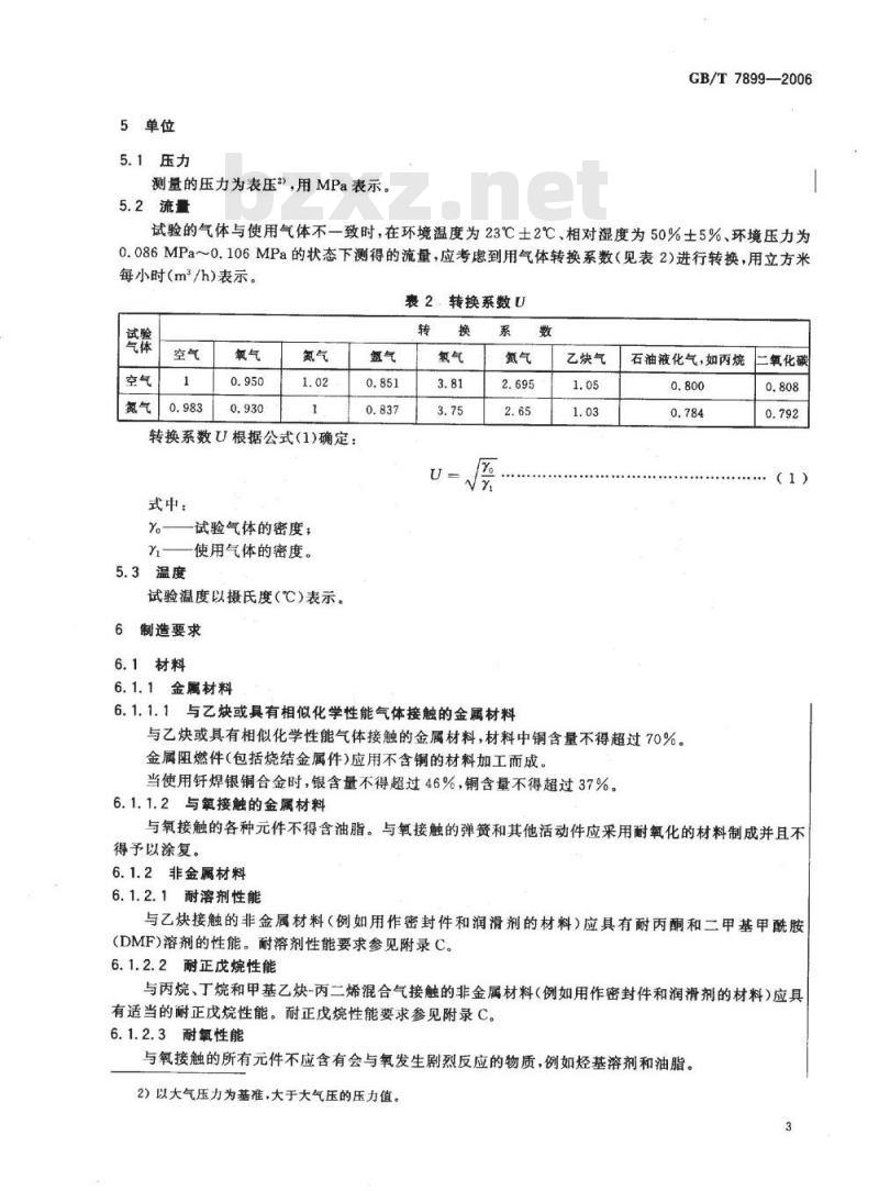
测量的压力为表压”,用MPa表示。5.2流量
GB/T7899—2006
试验的气体与使用气体不一致时,在环境温度为23℃士2℃、相对湿度为50%士5%、环境压力为0.086MPa0.106MPa的状态下测得的流量,应考虑到用气体转换系数(见表2)进行转换,用立方米每小时(m/h)表示。
表2.转换系数U
转换系数U根据公式(1)确定:
式中:
一试验气体的密度;
一使用气体的密度。
5.3温度
试验温度以摄氏度(℃)表示。6制造要求
6.1材料
6.1.1金属材料
乙炔气
6.1.1.1与乙炔或具有相似化学性能气体接触的金属材料1.05
石油液化气,如丙烧
二氧化碳
与乙炔或具有相似化学性能气体接触的金属材料,材料中铜含量不得超过70%。金属阻燃件(包括烧结金属件)应用不含铜的材料加工而成。当使用钎焊银铜合金时,银含量不得超过46%,铜含量不得超过37%。6.1.1.2与氧接触的金属材料
与氧接触的各种元件不得含油脂。与氧接触的弹簧和其他活动件应采用耐氧化的材料制成并且不得予以涂复。
6.1.2非金属材料
6.1.2.1耐溶剂性能
与乙炔接触的非金属材料(例如用作密封件和润滑剂的材料)应具有耐丙酮和二甲基甲酰胺(DMF)溶剂的性能。耐溶剂性能要求参见附录C。6.1.2.2耐正戊烷性能
与丙烷、丁烷和甲基乙炔-丙二烯混合气接触的非金属材料(例如用作密封件和润滑剂的材料)应具有适当的耐正戊烷性能。耐正戊烷性能要求参见附录C。6.1.2.3耐氧性能
与氧接触的所有元件不应含有会与氧发生剧烈反应的物质,例如烃基溶剂和油脂。2)以大气压力为基准,大于大气压的压力值。3
GB/T7899-—2006
可使用在最大工作压力和温度下能在氧中使用的润滑剂6.2设计、加工和装配
6.2.1氧气减压器
氧气减压器在设计、加工和装配时,应确保使用时不会发生内部燃爆(见10.5.3)。装配之前所有零件和附件应彻底清洗除油。
6.2.2乙炔气减压器
乙炔气减压器的设计、加工和装配应做到出口压力不超过0.15MPa。6.2.3过滤器
在减压器的进气口端应安装一个其横截面与流量相适应的过滤器。如不使用工其,应无法将过滤器卸下。过滤器应留住≥0.1mm的尘粒。6.2.4出气口阀
减压器可以安装一个出气口阀,安装时阀杆应固紧。6.2.5压力调节装置
这一装置的设计应确保减压器能安全使用,建议采用附录D的结构。使用调节装置设定压力时,安全阀始终应保持密封。6.2.6安全阀
6.2.6.1总则
除液化石油气、甲基乙炔-丙二烯混合物及乙炔气减压器可选装安全阀外,其他压缩气体和二氧化碳减压器,必须安装一个安全阀。如果安装安全阀,则安全阀最小流量Qv应等于或大于额定流量Q(见表3和表4),压力Pkv由表达式prv=2p2决定。乙炔气减压器的情况除外,乙炔气减压器在任何情况下Prv都应等于0.3MPa。安全阀开启后,降低压力,至安全阀关闭,此时压力应大于P2。安全阀对用户来说是不可调节的。6.2.6.2压缩气体和二氧化碳用安全阀安全阀应在进口压力为pa,出口压力为P2,关闭出口时所达到的最大压力(≤1.3p)上保持密封。安全阀的安装应保证气体安全排放。6.2.6.3乙快气用安全阀
如果安装乙炔气安全阀,它在0.15MPa压力时应保持密封。它的安装应保证不会对着操作人员排放。
6.2.6.4液化石油气和甲基乙炔-丙二烯混合物用安全阀如果安装安全阀,则应符合6.2.6.2的规定。6.2.7压力表
如压力表安装在外部,则应符合JB/T92711999的要求。如压力表和减压器为一体,则应采用JB/T9271—1999规定的相应工作和安全要求。6.2.8密封性
减压器对大气应是密封的,其最大泄漏量不得超过10cm/h。减压器内部应是密封的,即对相应的气体在所有正常压力下高压室和低压室之间应密封。内部最大泄漏量不得超过12cm/h。
6.2.9机械强度
6.2.9.1结构强度
减压器的设计和制造应保证在高压室和低压室施加表6规定的压力后不会导致永久变形。6.2.9.2安全性
减压器的设计和制造应保证其低压室或双级减压器的中间室与满瓶气体直接连通时,例如减压器阀保持在打开位置而出口接头封闭(如用附加截止阀或盲塞封闭)时,高压气体能被安全地截止或排放4Www.bzxZ.net
(见10.5.2.2)。
7接头
7.1进气口接头
GB/T7899—2006
减压器的进气口接头设计应保证与盛装气体的气瓶阀出口相配合(见GB15383一1994)。制造厂规定的进口压力P,应大于15℃时气瓶允许的最大充气压力。7.2出气口接头
螺纹出气口接头应符合GB/T5107—一1985的规定,并应满足下列条件:a)出气口接头的方向宜向下,不对着气瓶;不得使用弯曲的软管接头。
8符号和物理特性
8.1符号
表3给出了使用的符号。
表3使用的符号
8.2物理特性
8.2.1压力
额定(最大)进口压力
额定(最大)出口压力
用作R计算的乙炔气出口压力(见10.4.3.2)用作计算的乙炔气出口压力(见10.4.5.2)型式试验的进口压力:内=2p,+0.1MPa稳定的出口压力(流量截止后的稳定压力)根据8.2.4.2测定不规则系数试验时的最高或最低出口压力安全阀打开压力
额定流量
最大流量
安全阀的流量
压力升高系数
不规则系数
8.2.1.1额定(最大)进口压力P1减压器设计的额定(最大)进口压力。8.2.1.2额定(最大)出口压力P2表4中规定的额定流量的额定(最大)出口压力。注:这一最大压力是对试验规定的,它大于减压器的正常工作压力。8.2.1.3减压器稳定出口压力P4
流量截止后稳定出口压力。
计量单位
对于2类乙炔气减压器的稳定出口压力P.对应各种进口压力都不得超过0.15MPa。GB/T7899—2006
8.2.2流量
8.2.2.1最大流量0
减压器的最大流量用m/h表示,在由公式(2)确定的进口压力P,下可达到的最大流量:p32p+0.1MPa
流量Qmx不得小于Q(见10.4.2)。8.2.2.2额定流量0
额定流量见表4。
8.2.3分类及参数
根据出口压力力,和额定流量Q确定减压器的类型,见表4。(2)
如果最大流量Q不小于额定流量Q1,则应认为减压器属于表4中规定的一个类型。表4所示的P和Q值为优选值,但也允许其他数值。介
30MPa以下氧气和其他压缩气体
落解乙炔
压力指15℃时的气瓶最大充气压力。一般建议:应避免流量大于1m2/h。减压器分类
额定(最大)进口
压力p,/MPa
0~30″
MPS65℃下的蒸汽压力。这个值可随混合气成分的不同而变化。丙烷70℃下的蒸汽压力。
额定(最大)出口
压力p2/MPa
根据环境条件,为了达到LPG和CO,的标准流量,可能需使用一台加热器。充气比为0.667,CO在70℃下的压力。8.2.4工作特性
8.2.4.1关闭后压力升高系数R
这个系数由公式(3)确定:
R=(-)2
2类乙炔气减压器,P2=P2R,见表3。6
额定流量Q1/
(m*/h)
(3)
GB/T7899-—2006
式中,p.为减压器已设定到初始条件Qi、p,、p,时,排气截止后记录1min时的稳定出口压力。对应于额定流量Qi,压力升高系数R应小于0.3。8.2.4.2不规则系数i
这个系数由公式(4)确定
i=(ps-2)/p2
对于2类乙炔气减压器,P2=P2,见表3。(4)
式中,Ps为试验期间流量等于表4中的额定流量Qi,进口压力从P变为Ps时的最高或最低出口压力值(见图2)。
极限为-0.3<+0.3。
8.2.4.3工作温度范围
减压器应能在一20℃~十60℃的温度范围内正常工作。P
进口压力
a)上升特性
进口压力
b)下降特性
图2典型的动态膨胀曲线
9标志、使用说明书、包装、贮存9.1标志
应在减压器本体或盖上,或固定在减压器上的标签上,以及外包装和合格证上,注明下列内容:a)产品标准号;
b)制造厂和/或销售商的名称或商标;c)
产品的型号和名称;
使用的气体的全名(无法印上气体的全名时,则应采用表5所示的代号)。表5减压器标记用气体的代号
压缩气体
天然气
CO2、氮气、性气体
GB/T7899-2006
9.2使用说明书
制造厂、供方或销售商应随每个减压器提供使用说明书,说明书至少应包括下列内容:a)减压器的额定出口压力p.和额定流量Q+制造厂指定的额定进口压力P1;b)
产品标准;
减压器的应用范围;
对减压器的说明及标志的含义;减压器的安全与正确安装;
g)使用前必须进行投运试验,以保证安全与正确安装;减压器的使用与维护(对操作人员),包括对氧气的危险与安全预防措施的说明。h)
9.3包装
减压器的包装应符合GB/T15464一1995的规定,其中包装防护类型由生产厂自行规定。9.4存
减压器应贮存在不含油物和可燃性、腐蚀性气体且干燥通风的室内。10型式试验程序
10.1总则
对一台指定型号的减压器符合本标准的合格检查包括:a)文件检查;
b)试验。
是否符合本标准的要求可由第三方机构确定。在性能试验(见10.4)后及适用性试验(见10.5.1.1)前,氧气减压器应进行氧气燃爆试验(见10.5.3)。
注:这些试验只适用于提交按本标准进行型式检验的减压器,并不作为所有减压器的出厂检验程序。10.2试验样机和必备的文件
试验时必须提供下列样机和文件:a)3台减压器样机(氧气减压器为5台);b)一套带材料清单的总图;
c)如有必要,制造厂应说明材料规格和适用范围。应采用符合图纸的减压器进行试验。10.3试验条件
10.3.1试验设备的总特性
所有与测试设备连接的管道及流量控制阀的口径应大于受试减压器的口径。10.3.2气体类型
试验应在环境温度为23℃士2℃、相对湿度为50%士5%、环境压力为0.086MPa~0.106MPa的条件下,用不含油脂的空气或氮气进行。仅10.5.3的燃爆试验应采用氧气。在各种情况下,试验都应采用最大含水量不超过0.005%的气体,相应露点为一48℃。10.3.3流量测量
测量气体体积流量的设备的误差在被检测的样机测量范围内,不得超过士3%。10.3.4压力测量
试验台的结构应可以对进口和出口压力进行调节,对设备可以作手控或遥控操作。在试验过程中,气源对额定(最大)进口压力,和压力力,应有足够的容量。8
GB/T7899—2006
压力测量应采用精确度不低于1级的压力表。在此情况下,减压器的压力表可包括在此试验中。10.4性能试验
10.4.1总则
图3给出了测量最大流量Qx的试验设备的一个示例。减压器可由一个缓冲气瓶提供气源。用一台辅助减压器或任何等效的设备将进口压力P,保持恒定(见8.2.2.1)。气源:
辅助减压器:
经校正的压力表;
调节阀;
流量计;
用于测量气体温度的温度计;
减压器(样机);
一调节螺钉;
缓冲气瓶。
图3测量最大流量Qm的示例
10.4.2最大流量0x
对最大流量Qmx应按如下步骤测量。10.4.2.1最大流量0mx(不包括2类乙炔减压器)旋入受试减压器样机的调节螺钉,将调节阀完全打开:a)出口压力表指示额定(最大)出口压力p2;流量计指示最大流量Qmx。试验时用温度计测量温度,并考虑按10.3.3和表2的规定进行修b)
10.4.2.22类乙炔减压器的最大流量Qm旋入受试减压器样机的调节螺钉,将调节阀完全打开,流量计指示最大流量Qm,试验时应用温度计测量温度,并需考虑按10.3.3和表2的规定进行修正。10.4.3额定流量Q
应按下列设定来得到额定流量Q1。10.4.3.1额定流量Q(不包括2类乙快减压器)应设定受试减压器样机的调节螺钉和调节阀,使其在出口压力为P、进口压力为P,时达到Q。10.4.3.22类乙炔减压器的额定流量Q及P2R旋人受试减压器样机的调节螺钉,将调节阀完全打开,在进口压力为P3、出口压力为P时达到Q1,并测量相应的出口压力。这一压力应记作PR。10.4.4关闭后的压力升高系数R
按如下步骤将减压器调节到额定流量条件(见10.4.3):9
GB/T7899—2006
用调节阀停止排气;
b)1min后记录稳定压力pa;
c)计算R值(见8.2.4.1)。
10.4.5不规则系数i
为了确定不规则系数(见8.2.4,2),可绘出一条膨胀曲线。这条曲线把出口压力表示为进口压力的函数。试验期间进口压力从额定(最大)进口压力p变化到压力P3。图4为试验设备的一个示例。
-辅助气瓶:
经校正的压力表或记录仪;
调节阀;
流量计;
用于测量气体温度的温度计;
减压器(样机);
调节螺钉:
主气瓶。
图4测量动态膨胀曲线的示例
减压器装上二个经过校正的压力表,最好是记录表”。减压器由二个气瓶供气,在任何指定的时候,其中只有一个气瓶处于工作状态。两个气瓶都充有额定(最大)进口压力力的试验气体。通过调节阀和流量计,控制和观察减压器的流量。10.4.5.1减压器的预试验设定(2类乙炔减压器除外)进口压力为P1,调节受试减压器样机的调节螺钉和调节阀以获得在压力P下的额定流量Q1。10.4.5.22类乙炔减压器的预试验设定进口压力为P1,将受试减压器样机的调节螺钉完全旋人,用减压器阀将输出流量调节到Q,测量得到的出口压力,记作P2i。
10.4.5.3试验
保持上述实验装置不变,关闭辅助气瓶的气瓶阀门并打开主气瓶阀门。从此时起记录进口和出口压力值。主气瓶的容量至少能足以维持一个15min的试验周期。但如果预试验的调节能在30s内完成且辅助气瓶有足够的容量,则此试验无须切换到主气瓶上进行。
10.4.5.4结果
试验时,减压器不应有振荡或卡死现象,减压器动态膨胀曲线具有最大值的上升特性(见图2a))或下降特性(见图2b))应是光滑的。3)或能直接形成动态膨胀曲线的任何其他记录设备。10
小提示:此标准内容仅展示完整标准里的部分截取内容,若需要完整标准请到上方自行免费下载完整标准文档。
中华人民共和国国家标准
GB/T7899-2006
代替GB/T7899-—1987
焊接、切割及类似工艺用气瓶减压器Regulators for welding,cutting and the similar processes(ISO 2503:1998,Gas welding equipment—Pressure regulators for gas cylindersused in welding,cutting and allied processes up to 30o bar,MOD)2006-03-14发布
中华人民共和国国家质量监督检验检疫总局中国国家标准化管理委员会
2006-10-01实施
GB/T7899—2006
本标准修改采用ISO2503:1998《气焊设备焊接、切割及有关工艺过程中使用300bar以下的气瓶减压器》(英文版)。
本标准替代GB/T7899—1987焊接、切割及类似工艺用气瓶减压器》。考虑到我国法律要求和我国的特殊国情,对ISO2503:1998进行了一些修改。为了方便比较,在附录A中列出本标准条款与国际标准条款的对照一览表。有关技术性差异用垂直单线标识在其所涉及的条款的页边空白处,并在附录B中给出这些技术性差异及原因的一览表以供参考。为了便于使用,本标准还做了下列编性修改:a)“本国际标准”一词改为“本标准”;b)用小数点“”代替作为小数点的“,\;删除国际标准的前言;
将计量单位bar换算为法定计量单位MPa;d)
将排气量改为流量。
本标准的附录A、附录B、附录 C、附录D和附录E均为资料性附录。本标准由中国机械工业联合会提出。本标准由全国工业过程测量和控制标准化技术委员会压力仪表分技术委员会归口。本标准负责起草单位:西安工业自动化仪表研究所。本标准起草单位:上海减压器厂、雷尔达仪表有限公司、宁波隆兴集团仪表减压器制造有限公司、青岛华青集团有限公司。
本标准主要起草人:黄世澄、金剑华、简履平、罗娟。本标准所代替标准的历次版本发布情况为:-GB/T7899—1987。
1·范围
焊接、切割及类似工艺用气瓶减压器GB/T7899—-2006
本标准规定了焊接、切割及类似工艺用气瓶减压器的制造要求、接头、符号和物理特征、标志、使用说明书、包装、贮存要求、型式试验程序和检验规则等技术要求。本标准适用于在焊接、切割及类似工艺过程中,压力在30MPa\以内的压缩气体、溶解乙炔、液化石油气(LPG)、甲基乙炔-丙二烯混合物(MPS)和二氧化碳(CO,)等单级、双级气瓶用减压器。2规范性引用文件
下列文件中的条款通过本标准的引用而成为本标准的条款。凡是注日期的引用文件,其随后所有的修改单(不包括勘误的内容)或修订版均不适用于本标准,然而,鼓励根据本标准达成协议的各方研究是否可使用这些文件的最新版本。凡是不注日期的引用文件,其最新版本适用于本标准。GB/T5107—1985焊接和切割用软管接头(neqISO3253:1975)GB15383—1994气瓶阀出气口连接型式和尺寸GB/T15464—1995仪器仪表包装通用技术条件JB/T9271—1999焊接、切割及类似工艺用压力表(neqISO5171:1995)3术语和定义
下列术语和定义适用于本标准。3.1
减压器regulator
将通常可变的进口压力调节到尽可能稳定的出口压力的装置。零部件名称
表1用图1中列出的序号指明了与减压器有关的零部件名称。此减压器图仅为示例。1)15℃时气瓶最大充气压力为30MPa。GB/T7899-—2006
图1减压器结构示意图
注1零件12、13和14为安全阀的琴件。注2:零件19为出气口阀,其安装为选项,见6.2.4。25
注3:图中零件4a和4b为示例,并非强制规定。也可使用其他类型的进气口连接件表1减压器零部件名称表
零部件名称
压力调节螺钉
弹簧垫块
进气口接头
进气口螺帽
进气口过滤器
密封图
高压表
阀门弹簧
弹簧架
安全阀调节螺钉
安全阀弹簧
零部件名称
安全阀阀门
低压表
阀门座
膜片压板
出气口阀
出气口接头
出气口螺帽
软管接头
膜片垫圈
调节弹簧
弹资垫块
5单位
5.1压力
测量的压力为表压”,用MPa表示。5.2流量
GB/T7899—2006
试验的气体与使用气体不一致时,在环境温度为23℃士2℃、相对湿度为50%士5%、环境压力为0.086MPa0.106MPa的状态下测得的流量,应考虑到用气体转换系数(见表2)进行转换,用立方米每小时(m/h)表示。
表2.转换系数U
转换系数U根据公式(1)确定:
式中:
一试验气体的密度;
一使用气体的密度。
5.3温度
试验温度以摄氏度(℃)表示。6制造要求
6.1材料
6.1.1金属材料
乙炔气
6.1.1.1与乙炔或具有相似化学性能气体接触的金属材料1.05
石油液化气,如丙烧
二氧化碳
与乙炔或具有相似化学性能气体接触的金属材料,材料中铜含量不得超过70%。金属阻燃件(包括烧结金属件)应用不含铜的材料加工而成。当使用钎焊银铜合金时,银含量不得超过46%,铜含量不得超过37%。6.1.1.2与氧接触的金属材料
与氧接触的各种元件不得含油脂。与氧接触的弹簧和其他活动件应采用耐氧化的材料制成并且不得予以涂复。
6.1.2非金属材料
6.1.2.1耐溶剂性能
与乙炔接触的非金属材料(例如用作密封件和润滑剂的材料)应具有耐丙酮和二甲基甲酰胺(DMF)溶剂的性能。耐溶剂性能要求参见附录C。6.1.2.2耐正戊烷性能
与丙烷、丁烷和甲基乙炔-丙二烯混合气接触的非金属材料(例如用作密封件和润滑剂的材料)应具有适当的耐正戊烷性能。耐正戊烷性能要求参见附录C。6.1.2.3耐氧性能
与氧接触的所有元件不应含有会与氧发生剧烈反应的物质,例如烃基溶剂和油脂。2)以大气压力为基准,大于大气压的压力值。3
GB/T7899-—2006
可使用在最大工作压力和温度下能在氧中使用的润滑剂6.2设计、加工和装配
6.2.1氧气减压器
氧气减压器在设计、加工和装配时,应确保使用时不会发生内部燃爆(见10.5.3)。装配之前所有零件和附件应彻底清洗除油。
6.2.2乙炔气减压器
乙炔气减压器的设计、加工和装配应做到出口压力不超过0.15MPa。6.2.3过滤器
在减压器的进气口端应安装一个其横截面与流量相适应的过滤器。如不使用工其,应无法将过滤器卸下。过滤器应留住≥0.1mm的尘粒。6.2.4出气口阀
减压器可以安装一个出气口阀,安装时阀杆应固紧。6.2.5压力调节装置
这一装置的设计应确保减压器能安全使用,建议采用附录D的结构。使用调节装置设定压力时,安全阀始终应保持密封。6.2.6安全阀
6.2.6.1总则
除液化石油气、甲基乙炔-丙二烯混合物及乙炔气减压器可选装安全阀外,其他压缩气体和二氧化碳减压器,必须安装一个安全阀。如果安装安全阀,则安全阀最小流量Qv应等于或大于额定流量Q(见表3和表4),压力Pkv由表达式prv=2p2决定。乙炔气减压器的情况除外,乙炔气减压器在任何情况下Prv都应等于0.3MPa。安全阀开启后,降低压力,至安全阀关闭,此时压力应大于P2。安全阀对用户来说是不可调节的。6.2.6.2压缩气体和二氧化碳用安全阀安全阀应在进口压力为pa,出口压力为P2,关闭出口时所达到的最大压力(≤1.3p)上保持密封。安全阀的安装应保证气体安全排放。6.2.6.3乙快气用安全阀
如果安装乙炔气安全阀,它在0.15MPa压力时应保持密封。它的安装应保证不会对着操作人员排放。
6.2.6.4液化石油气和甲基乙炔-丙二烯混合物用安全阀如果安装安全阀,则应符合6.2.6.2的规定。6.2.7压力表
如压力表安装在外部,则应符合JB/T92711999的要求。如压力表和减压器为一体,则应采用JB/T9271—1999规定的相应工作和安全要求。6.2.8密封性
减压器对大气应是密封的,其最大泄漏量不得超过10cm/h。减压器内部应是密封的,即对相应的气体在所有正常压力下高压室和低压室之间应密封。内部最大泄漏量不得超过12cm/h。
6.2.9机械强度
6.2.9.1结构强度
减压器的设计和制造应保证在高压室和低压室施加表6规定的压力后不会导致永久变形。6.2.9.2安全性
减压器的设计和制造应保证其低压室或双级减压器的中间室与满瓶气体直接连通时,例如减压器阀保持在打开位置而出口接头封闭(如用附加截止阀或盲塞封闭)时,高压气体能被安全地截止或排放4Www.bzxZ.net
(见10.5.2.2)。
7接头
7.1进气口接头
GB/T7899—2006
减压器的进气口接头设计应保证与盛装气体的气瓶阀出口相配合(见GB15383一1994)。制造厂规定的进口压力P,应大于15℃时气瓶允许的最大充气压力。7.2出气口接头
螺纹出气口接头应符合GB/T5107—一1985的规定,并应满足下列条件:a)出气口接头的方向宜向下,不对着气瓶;不得使用弯曲的软管接头。
8符号和物理特性
8.1符号
表3给出了使用的符号。
表3使用的符号
8.2物理特性
8.2.1压力
额定(最大)进口压力
额定(最大)出口压力
用作R计算的乙炔气出口压力(见10.4.3.2)用作计算的乙炔气出口压力(见10.4.5.2)型式试验的进口压力:内=2p,+0.1MPa稳定的出口压力(流量截止后的稳定压力)根据8.2.4.2测定不规则系数试验时的最高或最低出口压力安全阀打开压力
额定流量
最大流量
安全阀的流量
压力升高系数
不规则系数
8.2.1.1额定(最大)进口压力P1减压器设计的额定(最大)进口压力。8.2.1.2额定(最大)出口压力P2表4中规定的额定流量的额定(最大)出口压力。注:这一最大压力是对试验规定的,它大于减压器的正常工作压力。8.2.1.3减压器稳定出口压力P4
流量截止后稳定出口压力。
计量单位
对于2类乙炔气减压器的稳定出口压力P.对应各种进口压力都不得超过0.15MPa。GB/T7899—2006
8.2.2流量
8.2.2.1最大流量0
减压器的最大流量用m/h表示,在由公式(2)确定的进口压力P,下可达到的最大流量:p32p+0.1MPa
流量Qmx不得小于Q(见10.4.2)。8.2.2.2额定流量0
额定流量见表4。
8.2.3分类及参数
根据出口压力力,和额定流量Q确定减压器的类型,见表4。(2)
如果最大流量Q不小于额定流量Q1,则应认为减压器属于表4中规定的一个类型。表4所示的P和Q值为优选值,但也允许其他数值。介
30MPa以下氧气和其他压缩气体
落解乙炔
压力指15℃时的气瓶最大充气压力。一般建议:应避免流量大于1m2/h。减压器分类
额定(最大)进口
压力p,/MPa
0~30″
MPS65℃下的蒸汽压力。这个值可随混合气成分的不同而变化。丙烷70℃下的蒸汽压力。
额定(最大)出口
压力p2/MPa
根据环境条件,为了达到LPG和CO,的标准流量,可能需使用一台加热器。充气比为0.667,CO在70℃下的压力。8.2.4工作特性
8.2.4.1关闭后压力升高系数R
这个系数由公式(3)确定:
R=(-)2
2类乙炔气减压器,P2=P2R,见表3。6
额定流量Q1/
(m*/h)
(3)
GB/T7899-—2006
式中,p.为减压器已设定到初始条件Qi、p,、p,时,排气截止后记录1min时的稳定出口压力。对应于额定流量Qi,压力升高系数R应小于0.3。8.2.4.2不规则系数i
这个系数由公式(4)确定
i=(ps-2)/p2
对于2类乙炔气减压器,P2=P2,见表3。(4)
式中,Ps为试验期间流量等于表4中的额定流量Qi,进口压力从P变为Ps时的最高或最低出口压力值(见图2)。
极限为-0.3<+0.3。
8.2.4.3工作温度范围
减压器应能在一20℃~十60℃的温度范围内正常工作。P
进口压力
a)上升特性
进口压力
b)下降特性
图2典型的动态膨胀曲线
9标志、使用说明书、包装、贮存9.1标志
应在减压器本体或盖上,或固定在减压器上的标签上,以及外包装和合格证上,注明下列内容:a)产品标准号;
b)制造厂和/或销售商的名称或商标;c)
产品的型号和名称;
使用的气体的全名(无法印上气体的全名时,则应采用表5所示的代号)。表5减压器标记用气体的代号
压缩气体
天然气
CO2、氮气、性气体
GB/T7899-2006
9.2使用说明书
制造厂、供方或销售商应随每个减压器提供使用说明书,说明书至少应包括下列内容:a)减压器的额定出口压力p.和额定流量Q+制造厂指定的额定进口压力P1;b)
产品标准;
减压器的应用范围;
对减压器的说明及标志的含义;减压器的安全与正确安装;
g)使用前必须进行投运试验,以保证安全与正确安装;减压器的使用与维护(对操作人员),包括对氧气的危险与安全预防措施的说明。h)
9.3包装
减压器的包装应符合GB/T15464一1995的规定,其中包装防护类型由生产厂自行规定。9.4存
减压器应贮存在不含油物和可燃性、腐蚀性气体且干燥通风的室内。10型式试验程序
10.1总则
对一台指定型号的减压器符合本标准的合格检查包括:a)文件检查;
b)试验。
是否符合本标准的要求可由第三方机构确定。在性能试验(见10.4)后及适用性试验(见10.5.1.1)前,氧气减压器应进行氧气燃爆试验(见10.5.3)。
注:这些试验只适用于提交按本标准进行型式检验的减压器,并不作为所有减压器的出厂检验程序。10.2试验样机和必备的文件
试验时必须提供下列样机和文件:a)3台减压器样机(氧气减压器为5台);b)一套带材料清单的总图;
c)如有必要,制造厂应说明材料规格和适用范围。应采用符合图纸的减压器进行试验。10.3试验条件
10.3.1试验设备的总特性
所有与测试设备连接的管道及流量控制阀的口径应大于受试减压器的口径。10.3.2气体类型
试验应在环境温度为23℃士2℃、相对湿度为50%士5%、环境压力为0.086MPa~0.106MPa的条件下,用不含油脂的空气或氮气进行。仅10.5.3的燃爆试验应采用氧气。在各种情况下,试验都应采用最大含水量不超过0.005%的气体,相应露点为一48℃。10.3.3流量测量
测量气体体积流量的设备的误差在被检测的样机测量范围内,不得超过士3%。10.3.4压力测量
试验台的结构应可以对进口和出口压力进行调节,对设备可以作手控或遥控操作。在试验过程中,气源对额定(最大)进口压力,和压力力,应有足够的容量。8
GB/T7899—2006
压力测量应采用精确度不低于1级的压力表。在此情况下,减压器的压力表可包括在此试验中。10.4性能试验
10.4.1总则
图3给出了测量最大流量Qx的试验设备的一个示例。减压器可由一个缓冲气瓶提供气源。用一台辅助减压器或任何等效的设备将进口压力P,保持恒定(见8.2.2.1)。气源:
辅助减压器:
经校正的压力表;
调节阀;
流量计;
用于测量气体温度的温度计;
减压器(样机);
一调节螺钉;
缓冲气瓶。
图3测量最大流量Qm的示例
10.4.2最大流量0x
对最大流量Qmx应按如下步骤测量。10.4.2.1最大流量0mx(不包括2类乙炔减压器)旋入受试减压器样机的调节螺钉,将调节阀完全打开:a)出口压力表指示额定(最大)出口压力p2;流量计指示最大流量Qmx。试验时用温度计测量温度,并考虑按10.3.3和表2的规定进行修b)
10.4.2.22类乙炔减压器的最大流量Qm旋入受试减压器样机的调节螺钉,将调节阀完全打开,流量计指示最大流量Qm,试验时应用温度计测量温度,并需考虑按10.3.3和表2的规定进行修正。10.4.3额定流量Q
应按下列设定来得到额定流量Q1。10.4.3.1额定流量Q(不包括2类乙快减压器)应设定受试减压器样机的调节螺钉和调节阀,使其在出口压力为P、进口压力为P,时达到Q。10.4.3.22类乙炔减压器的额定流量Q及P2R旋人受试减压器样机的调节螺钉,将调节阀完全打开,在进口压力为P3、出口压力为P时达到Q1,并测量相应的出口压力。这一压力应记作PR。10.4.4关闭后的压力升高系数R
按如下步骤将减压器调节到额定流量条件(见10.4.3):9
GB/T7899—2006
用调节阀停止排气;
b)1min后记录稳定压力pa;
c)计算R值(见8.2.4.1)。
10.4.5不规则系数i
为了确定不规则系数(见8.2.4,2),可绘出一条膨胀曲线。这条曲线把出口压力表示为进口压力的函数。试验期间进口压力从额定(最大)进口压力p变化到压力P3。图4为试验设备的一个示例。
-辅助气瓶:
经校正的压力表或记录仪;
调节阀;
流量计;
用于测量气体温度的温度计;
减压器(样机);
调节螺钉:
主气瓶。
图4测量动态膨胀曲线的示例
减压器装上二个经过校正的压力表,最好是记录表”。减压器由二个气瓶供气,在任何指定的时候,其中只有一个气瓶处于工作状态。两个气瓶都充有额定(最大)进口压力力的试验气体。通过调节阀和流量计,控制和观察减压器的流量。10.4.5.1减压器的预试验设定(2类乙炔减压器除外)进口压力为P1,调节受试减压器样机的调节螺钉和调节阀以获得在压力P下的额定流量Q1。10.4.5.22类乙炔减压器的预试验设定进口压力为P1,将受试减压器样机的调节螺钉完全旋人,用减压器阀将输出流量调节到Q,测量得到的出口压力,记作P2i。
10.4.5.3试验
保持上述实验装置不变,关闭辅助气瓶的气瓶阀门并打开主气瓶阀门。从此时起记录进口和出口压力值。主气瓶的容量至少能足以维持一个15min的试验周期。但如果预试验的调节能在30s内完成且辅助气瓶有足够的容量,则此试验无须切换到主气瓶上进行。
10.4.5.4结果
试验时,减压器不应有振荡或卡死现象,减压器动态膨胀曲线具有最大值的上升特性(见图2a))或下降特性(见图2b))应是光滑的。3)或能直接形成动态膨胀曲线的任何其他记录设备。10
小提示:此标准内容仅展示完整标准里的部分截取内容,若需要完整标准请到上方自行免费下载完整标准文档。

标准图片预览:





- 其它标准
- 热门标准
- 国家标准(GB)
- GB/T710-2008 优质碳素结构钢热轧薄钢板和钢带
- GB/T37649-2019 化妆品中硫柳汞和苯基汞的测定高效液相色谱-电感耦合等离子体质谱法
- GB50508-2010 涤纶工厂设计规范
- GB/T3289.26-1982 可锻铸铁管路连接件型式尺寸 内接头
- GB/T33049-2016 偏光片用光学薄膜 涂层附着力的测定方法
- GB/T21666-2008 尿吸收辅助器具 评价的一般指南
- GB/T228.1-2021 金属材料 拉伸试验 第1部分:室温试验方法
- GB4623-1994 环形预应力混凝土电杆
- GB/T11982.2-1996 聚氯乙烯卷材地板 第2部分:有基材有背涂层聚氯乙烯卷材地板
- GB/T22807-2008 皮革和毛皮 化学试验 六价铬含量的测定
- GB/T35608-2024 绿色产品评价 绝热材料
- GB29987-2014 食品安全国家标准 食品添加剂 胶基及其配料
- GB/T20616—2006 烟花爆竹烟火药中铋含量的测定
- GB2099.1-2008 家用和类似用途插头插座 第1部分:通用要求
- GB10133-2014 食品安全国家标准 水产调味品
- 行业新闻
请牢记:“bzxz.net”即是“标准下载”四个汉字汉语拼音首字母与国际顶级域名“.net”的组合。 ©2025 标准下载网 www.bzxz.net 本站邮件:bzxznet@163.com
网站备案号:湘ICP备2025141790号-2
网站备案号:湘ICP备2025141790号-2