- 您的位置:
- 标准下载网 >>
- 标准分类 >>
- 国家标准(GB) >>
- GB/T 20253-2006 可充电电池用冲孔镀镍钢带
标准号:
GB/T 20253-2006
标准名称:
可充电电池用冲孔镀镍钢带
标准类别:
国家标准(GB)
标准状态:
现行-
发布日期:
2006-05-08 -
实施日期:
2006-10-01 出版语种:
简体中文下载格式:
.rar.pdf下载大小:
669.79 KB
标准ICS号:
77.150.44中标分类号:
冶金>>有色金属及其合金产品>>H62重金属及其合金
点击下载
标准简介:
标准下载解压密码:www.bzxz.net
本标准规定了可充电电池用冲孔镀镍钢带的要求,实验方法,检验规则,标志,包装,运输,储存及合同内容。本标准适用于金属氢化物--镍、镉--镍、锌--镍碱性可充电电池正极、负极骨架材料所使用的冲孔镀镍钢带。 GB/T 20253-2006 可充电电池用冲孔镀镍钢带 GB/T20253-2006
部分标准内容:
ICS77.150.44
中华人民共和国国家标准
GB/T20253-2006
可充电电池用冲孔镀镍钢带wwW.bzxz.Net
Nickel plated punched steel strip for rechargeable battery2006-05-08发布
中华人民共和国国家质量监督检验检疫总局中国国家标准化管理委员会
2006-10-01实施
本标准的附录A、附录B为规范性附录。本标准由中国有色金属工业协会提出。本标准由全国有色金属标准化技术委员会归口。本标准由深圳市中金高能电池材料有限公司负责起草ikAoNrkAca
GB/T20253—2006
本标准由深圳亚兰德金属制品有限公司、江门三捷电池实业有限公司、广东佳力电源器材制造有限公司、北京工业大学参加起草。本标准主要起草人:许开华、李宇明、张宪铭、王度根、陆凯忠、聂祚仁、陈永样、张红兵、李泉标。本标准由全国有色金属标准化技术委员会负责解释。1范围
可充电电池用冲孔镀镍钢带
GB/T20253—2006
本标准规定了可充电电池用冲孔镀镍钢带的要求、试验方法、检验规则、标志、包装、运输、贮存及合同内容。
本标准适用于金属氢化物-镍、镉-镍、锌-镍碱性可充电电池正极、负极骨架材料所使用的冲孔镀镍钢带。
2规范性引用文件
下列文件中的条款通过本标准的引用而成为本标准的条款。凡是注日期的引用文件,其随后所有的修改单(不包括勘误的内容)或修订版均不适用于本标准,然而,鼓励根据本标准达成协议的各方研究是否可使用这些文件的最新版本。凡是不注日期的引用文件,其最新版本适用于本标准。GB/T228金属材料室温拉伸试验方法GB/T4336
GB/T4340
GB/T4955
GB/T5123
GB/T6461
GB/T6516
GB/T10125
QB/T3821
QB/T3823
3术语和定义
碳素钢和中低合金钢火花源原子发射光谱分析方法(常规法)金属维氏硬度试验
金属覆盖层覆盖层厚度测量
阳极溶解库仑法
镍的光谱分析方法
金属基体上金属和其他无机覆盖层经腐蚀试验后的试样和试件的评级电解镍
人造气腐蚀试验盐雾试验
轻工产品金属镀层的结合强度测试方法轻工产品金属镀层的孔隙率测试方法下列术语和定义适用于本标准。3.1
侧边弯曲度sidecamber
钢带平铺在检测平台上,其两侧边缘沿水平方向自然形成的“S”形。3.2
C形“C”shape
钢带平铺在检测平台上其横断面上形成的类似“C”的形状,且沿长度方向具有一致性。3.3
波浪surfacewave
钢带平铺在检测平台上,沿长度方向整体形成的起伏状。3.4
边浪side wave
钢带平铺在检测平台上,边缘自然形成的起伏状。3.5
鼓泡unflatness
钢带平铺在检测平台上其表面形成局部的凹凸状。GB/T20253-—2006
4要求
4.1化学成分
冲孔镀镍钢带的基带材料采用低碳冷轧钢带,牌号与化学成分见表1。4.1.1
o.05~0.11
0.05~0.11
0.25~0.50
0.25~0.50
化学成分(质量分数)/%
5.02~0.07
YKANKAca
冲孔镀镍钢带的镀镍层原料,须采用不低于牌号为Ni9990的电解镍,其化学成分应符合GB/T6516的要求。
4.2外形尺寸及允许偏差
冲孔镀镍钢带长度、宽度和厚度的尺寸及允许偏差应符合表2的规定。表2
尺寸范围
长度?
≥50000
50~550
注:需方对宽度有特殊要求的,由供需双方协商,并在合同中注明。每500m长度内接头数不多于2个。单位为毫米
允许偏差
此厚度系指基带厚度,如需方对镀镍后的厚度有要求,可在合同中注明,供方应满足需方的要求。b
4.2.2、冲孔镀镍钢带侧边套曲度冲孔镀镍钢带任意每米长度上的侧边弯曲度不大于1.5mm。4.2.3冲孔镀镍钢带的不平度
冲孔镀镍钢带的不平度应符合表3的规定。表3
冲孔镀镍钢带厚度
C形允许高度
波浪、鼓泡、边浪
的允许高度
单位为毫米
波浪、鼓泡、边浪
的允许数量
≤7个/每米
注:此C形允许高度值是指钢带宽度≤300mm时的标准,当宽度>300mm时,由供需双方确定标准值。2
4.3力学性能
冲孔镀镍钢带纵向室温力学性能应符合表4的规定。表4
供应状态
冷轧态
退火态
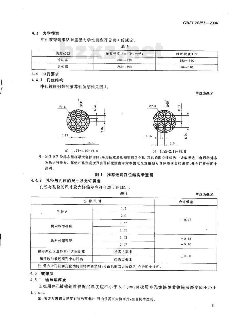
4.4冲孔要求
4.4.1孔位结构
抗拉强度Rm/(N/mm2)
600~830
250~390
冲孔镀镍钢带的推荐孔位结构见图1。P1.5
a)1.77-1.02-$1.5
GB/T20253—2006
维氏硬度HV
180~240
60~110
单位为毫米
b)1.25-2.17-$2.0
注:冲孔区孔位排布根据最大密排原则,采用任意最近相邻的3个孔,其孔的圆心连线为一近似等边三角形的排布方法进行排布。每组冲孔区宽度及盲孔区宽度由需方根据电池规格型号具体要求自行规定,并在订货合同中注明。
图1推荐选用孔位结构示意图
孔径与孔位的尺寸及允许偏差
孔径与孔位的尺寸及允许偏差应符合表5的规定。表5
公称尺寸
孔径中
横向相邻孔距
纵向相邻孔距
钢带冲孔区最外两孔之间距离
基准边与最近圆孔中心距离
按需方要求
按需方要求
注:需方对孔径和孔位结构有特殊要求时,可由供需双方协商后,在合同中注明。4.5镀镍层
4.5.1镀镍层厚度
充许偏差
单位为毫米
正极用冲孔镀镍钢带镀镍层厚度应不小于3.0um:负极用冲孔镀镍钢带镀镍层厚度应不小于1.0μm.
注:需方对镀镍层厚度有特殊要求时,可由供需双方协商后,在合同中注明。3
GB/T20253-2006
4.5.2镀镍层耐腐蚀性
rKAoNKAca
正极用冲孔镀镶钢带耐腐蚀性应符合GB/T6461的保护6级:负极用冲孔镀镍钢带耐腐蚀性应符合GB/T6461的保护3级。
4.5.3镀锦层致密性
冲孔镀镍钢带镀镍层应致密均匀。4.5.4镀镍层结合强度
冲孔镀镍钢带镀镍层应与基体结合牢固,不得与基体分离。4.6外观质量
冲孔镀镍钢带的表面应清洁,不允许有起泡、疏松、结瘤、裂纹、斑点、变色和局部漏镀区:基带切边毛刺高度应不大于0.005mm,冲孔区毛刺高度应不大于0.02mm。5试验方法
5.1化学成分的检验
5.1.1基带的化学成分分析按GB/T4336的规定进行。5.1.2镀镍层原料(电解镍)的化学成分分析按GB/T5123的规定执行。5.2外形尺寸的检验
5.2.1冲孔镀镍钢带的宽度用精度为0.02mm游标卡尺进行测量;厚度用精度为0.001mm的千分尺进行测量。
5.2.2冲孔镀镍钢带的侧边弯曲度用米尺与精度为0.02mm游标卡尺进行测量。5.2.3冲孔镀镍钢带的不平度用光学测平仪或专用高度测量仪在检测平台上不带张力进行测量。5.2.4冲孔镀镍钢带的C形高度检测按附录A的规定进行。5.3力学性能的检验
冲孔镀镍钢带的室温抗拉强度检验参照GB/T228的规定进行;硬度检验按GB/T4340的规定进行。
5.4孔位的检验
冲孔镀镍钢带的孔径用投影仪进行测量,孔位尺寸的检验用精度为0.02mm的游标卡尺进行测量。
5.5镀镍层的检验
5.5.1冲孔镀镍钢带镀镍层的厚度检验按GB/T4955的规定进行。5.5.2发泡式镍电极电池与烧结式镍电极电池的负极用冲孔镀镍钢带镀镍层耐腐蚀检验按GB/T10125的规定进行;烧结式镍电极电池正极用冲孔镀镍钢带的镀镍层耐腐蚀检验按附录B的规定进行。
5.5.3冲孔镀镍钢带的镀镍层的致密性检验按QB/T3823的规定执行。5.5.4冲孔镀镍钢带的镀镍层结合强度检验按QB/T3821的规定进行。5.6外观质量的检验
冲孔镀镍钢带的外观质量用目视方法和精度为0.001mm的千分尺进行检验和测量。6检验规则
6.1检查和验收
6.1.1冲孔镀镍钢带由供方技术监督部门进行检验,保证交货的冲孔镀镍钢带符合本标准或合同的规定,并填写质量证明书。
6.1.2需方应对收到的产品进行复验,复验结果与本标准及订货合同不符时,应以书面形式在收到产品之日起一个月内向供方提出。如需仲裁,仲裁取样应由供需双方共同进行。4
6.2组批
冲孔镀镍钢带应按批提交验收,每批为10卷~50卷。6.3检验项目及取样
每批产品的质量一致性检验项目及取样应符合表6的规定。表6
检验项目
化学成分
外形尺寸
力学性能
孔位尺寸
镀镍层
外观质量
6.4检验结果的判定
取样位置
任意位置
任意位置
任意位置
任意位置
任意位置
任意位置
6.4.1化学成分不合格时,判该批不合格。6.4.2外形尺寸不合格时,判该卷不合格。6.4.3力学性能不合格时,判该卷不合格。孔位尺寸不合格时,判该卷不合格。6.4.4
镀镍层不合格时,判该卷不合格。6.4.6外观质量不合格时,判该卷不合格。7
标志、包装、运输、贮存
7.1标志
取样数量
每批一份
要求的章条号
在已检验合格的每卷冲孔镀镍钢带上应附有如下内容的标签:供方技术监督部门检印;
供方名称;
c)产品名称;
d)产品规格型号:
供货状态;
f)产品批号和卷号:
g)产品净重。
7.2包装
GB/T20253-—2006
试验方法的章条号
冲孔镀镍钢带应整齐地收卷在圆形管上,每卷重量为30kg士10kg(此要求系指宽度为200mm~250mm的钢带,大于或小于此宽度钢带其卷重可适量增减);内包装用牛皮纸包裹在钢带外面,然后放人0.05mm士0.01mm厚的聚乙烯塑料薄膜袋内,并放入适量干燥剂。外包装采用双层瓦楞纸箱,内衬防震材料,外用打包带扎紧。需方对包装另有要求的,供方可按需方要求包装。7.3运输
冲孔镀镍钢带在运输过程中,须防止受潮和雨淋,防止跌落与碰撞等。7.4贮存
冲孔镀镍钢带应贮存在阴凉、通风、干燥处。不得存放在有腐蚀性化学物品的环境中。7.5质量证明书
每批冲孔镀镍钢带应附有产品质量证明书,其上注明:5
GB/T20253—2006
供方名称、地址、电话、传真;产品名称;
产品规格型号;
供货状态,
产品批号;
净重和件数;
各项分析检验结果和技术监督部门印记;本标准编号:
生产日期。
7.6保质期
-kAoNrKAca
按7.2要求进行包装的产品,负极用冲孔镀镍钢带的防腐蚀保质期为3个月,正极用冲孔镀镍钢带的防腐蚀保质期为6个月。
订货单(或合同)内容
订购本标准所列产品的订货单(或合同)应包括下列内容:a)
产品名称:
产品规格型号;
供货状态;
镀镍层厚度;
供货数量;
本标准要求的“应在合同中注明的”事项;本标准编号;
增加本标准以外内容时的协商结果。A.1范围
附录A
(规范性附录)
冲孔镀镍钢带“C”形高度测量方法本附录规定了冲孔镀镍钢带“C”形高度的测量方法。本附录适用于可充电电池用的冲孔镀镍钢带。A.2原理
GB/T20253-2006
模拟钢带在电池拉浆生产工艺过程,钢带在受到一定张力状态下产生变形,检测变形偏离两侧边形成水平面的最大允许偏差值。
A.3实验装置与样品制备
A.3.1在长度超过2m的检测工作平台上,一端安装钢带夹紧装置,其夹具宽度应大于钢带宽度,另一端安装一个转动灵活、表面光滑的圆辊,两者之间的距离为2m(如图A.1所示)。A.3.2制备一件能夹紧钢带、且重量为保证钢带受到10N张力的重物。A.3.3待测钢带样品长度应保证A.4试验方法的要求。A.3.4测量工具为钢直尺与游标卡尺。A.4试验方法
将待测钢带一端固定在工作平台上,另一端夹上检测用重物,经过圆辊悬挂在测试台边上,如图A.1所示。
A.5“C”形高度测量
将钢直尺垂直于钢带长度方向,在已张紧的2m长钢带中点轻靠在钢带的两条边缘上,力度以不改变钢带形状为准,用游标卡尺测量钢带离开钢直尺的最大距离h,即为C形高度,如图A.2所示。圆
“C”形高度
钢带夹紧装置
检测工作合
钢直尺
特测钢带
GB/T20253-—2006
B.1试验目的
附录B
(规范性附录)
烧结式镍电极电池正极用冲孔镀镍钢带镀镍层耐腐蚀性试验-KAoNrKAca
模拟烧结式镍电极电池生产过程中,正极极板材料所处的工艺条件,采用硝酸镍溶液高温浸渍的方法,检验镀镍层的耐腐蚀性。
B.2试验仪器与样品准备
试验仪器为普通恒温箱与塘瓷托盘;试验样品须从镀镍层厚度检测合格的冲孔镀镍钢带中随机抽取,样品剪切大小应保证在不弯折的情况下能平铺在托盘中,如钢带宽度超出托盘长度时,允许剪断。为防止冲孔镀镍钢带剪切断口的腐蚀产物污染镀镍层表面,应使用塑料胶带严密封闭剪切断口。B.3试验溶液配置
将化学纯硝酸镍配制成密度为1.65g/mL土0.01g/mL(85℃士5℃时)溶液,用化学纯硝酸将溶液的pH值调整至2.0~3.0后备用。
B.4试验方法
将托盘盛入已配制好的溶液,放入设定温度为90℃的恒温箱中,待溶液升温至85℃以上时,放入待检验钢带并使其全部浸人溶液中,浸泡4h后取出,用清水洗净、晾干。B.5观察方法
对已晾干的钢带采用直接观察方法进行耐腐蚀性判定,特别注意表面颜色变暗属正常现象,只有棕红色的铁锈斑痕判为不耐蚀区域。判定标准参照GB/T6461。版权专有慢权必究
书号:155066:1-28066
GB/T20253-2006
定价:
小提示:此标准内容仅展示完整标准里的部分截取内容,若需要完整标准请到上方自行免费下载完整标准文档。
中华人民共和国国家标准
GB/T20253-2006
可充电电池用冲孔镀镍钢带wwW.bzxz.Net
Nickel plated punched steel strip for rechargeable battery2006-05-08发布
中华人民共和国国家质量监督检验检疫总局中国国家标准化管理委员会
2006-10-01实施
本标准的附录A、附录B为规范性附录。本标准由中国有色金属工业协会提出。本标准由全国有色金属标准化技术委员会归口。本标准由深圳市中金高能电池材料有限公司负责起草ikAoNrkAca
GB/T20253—2006
本标准由深圳亚兰德金属制品有限公司、江门三捷电池实业有限公司、广东佳力电源器材制造有限公司、北京工业大学参加起草。本标准主要起草人:许开华、李宇明、张宪铭、王度根、陆凯忠、聂祚仁、陈永样、张红兵、李泉标。本标准由全国有色金属标准化技术委员会负责解释。1范围
可充电电池用冲孔镀镍钢带
GB/T20253—2006
本标准规定了可充电电池用冲孔镀镍钢带的要求、试验方法、检验规则、标志、包装、运输、贮存及合同内容。
本标准适用于金属氢化物-镍、镉-镍、锌-镍碱性可充电电池正极、负极骨架材料所使用的冲孔镀镍钢带。
2规范性引用文件
下列文件中的条款通过本标准的引用而成为本标准的条款。凡是注日期的引用文件,其随后所有的修改单(不包括勘误的内容)或修订版均不适用于本标准,然而,鼓励根据本标准达成协议的各方研究是否可使用这些文件的最新版本。凡是不注日期的引用文件,其最新版本适用于本标准。GB/T228金属材料室温拉伸试验方法GB/T4336
GB/T4340
GB/T4955
GB/T5123
GB/T6461
GB/T6516
GB/T10125
QB/T3821
QB/T3823
3术语和定义
碳素钢和中低合金钢火花源原子发射光谱分析方法(常规法)金属维氏硬度试验
金属覆盖层覆盖层厚度测量
阳极溶解库仑法
镍的光谱分析方法
金属基体上金属和其他无机覆盖层经腐蚀试验后的试样和试件的评级电解镍
人造气腐蚀试验盐雾试验
轻工产品金属镀层的结合强度测试方法轻工产品金属镀层的孔隙率测试方法下列术语和定义适用于本标准。3.1
侧边弯曲度sidecamber
钢带平铺在检测平台上,其两侧边缘沿水平方向自然形成的“S”形。3.2
C形“C”shape
钢带平铺在检测平台上其横断面上形成的类似“C”的形状,且沿长度方向具有一致性。3.3
波浪surfacewave
钢带平铺在检测平台上,沿长度方向整体形成的起伏状。3.4
边浪side wave
钢带平铺在检测平台上,边缘自然形成的起伏状。3.5
鼓泡unflatness
钢带平铺在检测平台上其表面形成局部的凹凸状。GB/T20253-—2006
4要求
4.1化学成分
冲孔镀镍钢带的基带材料采用低碳冷轧钢带,牌号与化学成分见表1。4.1.1
o.05~0.11
0.05~0.11
0.25~0.50
0.25~0.50
化学成分(质量分数)/%
5.02~0.07
YKANKAca
冲孔镀镍钢带的镀镍层原料,须采用不低于牌号为Ni9990的电解镍,其化学成分应符合GB/T6516的要求。
4.2外形尺寸及允许偏差
冲孔镀镍钢带长度、宽度和厚度的尺寸及允许偏差应符合表2的规定。表2
尺寸范围
长度?
≥50000
50~550
注:需方对宽度有特殊要求的,由供需双方协商,并在合同中注明。每500m长度内接头数不多于2个。单位为毫米
允许偏差
此厚度系指基带厚度,如需方对镀镍后的厚度有要求,可在合同中注明,供方应满足需方的要求。b
4.2.2、冲孔镀镍钢带侧边套曲度冲孔镀镍钢带任意每米长度上的侧边弯曲度不大于1.5mm。4.2.3冲孔镀镍钢带的不平度
冲孔镀镍钢带的不平度应符合表3的规定。表3
冲孔镀镍钢带厚度
C形允许高度
波浪、鼓泡、边浪
的允许高度
单位为毫米
波浪、鼓泡、边浪
的允许数量
≤7个/每米
注:此C形允许高度值是指钢带宽度≤300mm时的标准,当宽度>300mm时,由供需双方确定标准值。2
4.3力学性能
冲孔镀镍钢带纵向室温力学性能应符合表4的规定。表4
供应状态
冷轧态
退火态
4.4冲孔要求
4.4.1孔位结构
抗拉强度Rm/(N/mm2)
600~830
250~390
冲孔镀镍钢带的推荐孔位结构见图1。P1.5
a)1.77-1.02-$1.5
GB/T20253—2006
维氏硬度HV
180~240
60~110
单位为毫米
b)1.25-2.17-$2.0
注:冲孔区孔位排布根据最大密排原则,采用任意最近相邻的3个孔,其孔的圆心连线为一近似等边三角形的排布方法进行排布。每组冲孔区宽度及盲孔区宽度由需方根据电池规格型号具体要求自行规定,并在订货合同中注明。
图1推荐选用孔位结构示意图
孔径与孔位的尺寸及允许偏差
孔径与孔位的尺寸及允许偏差应符合表5的规定。表5
公称尺寸
孔径中
横向相邻孔距
纵向相邻孔距
钢带冲孔区最外两孔之间距离
基准边与最近圆孔中心距离
按需方要求
按需方要求
注:需方对孔径和孔位结构有特殊要求时,可由供需双方协商后,在合同中注明。4.5镀镍层
4.5.1镀镍层厚度
充许偏差
单位为毫米
正极用冲孔镀镍钢带镀镍层厚度应不小于3.0um:负极用冲孔镀镍钢带镀镍层厚度应不小于1.0μm.
注:需方对镀镍层厚度有特殊要求时,可由供需双方协商后,在合同中注明。3
GB/T20253-2006
4.5.2镀镍层耐腐蚀性
rKAoNKAca
正极用冲孔镀镶钢带耐腐蚀性应符合GB/T6461的保护6级:负极用冲孔镀镍钢带耐腐蚀性应符合GB/T6461的保护3级。
4.5.3镀锦层致密性
冲孔镀镍钢带镀镍层应致密均匀。4.5.4镀镍层结合强度
冲孔镀镍钢带镀镍层应与基体结合牢固,不得与基体分离。4.6外观质量
冲孔镀镍钢带的表面应清洁,不允许有起泡、疏松、结瘤、裂纹、斑点、变色和局部漏镀区:基带切边毛刺高度应不大于0.005mm,冲孔区毛刺高度应不大于0.02mm。5试验方法
5.1化学成分的检验
5.1.1基带的化学成分分析按GB/T4336的规定进行。5.1.2镀镍层原料(电解镍)的化学成分分析按GB/T5123的规定执行。5.2外形尺寸的检验
5.2.1冲孔镀镍钢带的宽度用精度为0.02mm游标卡尺进行测量;厚度用精度为0.001mm的千分尺进行测量。
5.2.2冲孔镀镍钢带的侧边弯曲度用米尺与精度为0.02mm游标卡尺进行测量。5.2.3冲孔镀镍钢带的不平度用光学测平仪或专用高度测量仪在检测平台上不带张力进行测量。5.2.4冲孔镀镍钢带的C形高度检测按附录A的规定进行。5.3力学性能的检验
冲孔镀镍钢带的室温抗拉强度检验参照GB/T228的规定进行;硬度检验按GB/T4340的规定进行。
5.4孔位的检验
冲孔镀镍钢带的孔径用投影仪进行测量,孔位尺寸的检验用精度为0.02mm的游标卡尺进行测量。
5.5镀镍层的检验
5.5.1冲孔镀镍钢带镀镍层的厚度检验按GB/T4955的规定进行。5.5.2发泡式镍电极电池与烧结式镍电极电池的负极用冲孔镀镍钢带镀镍层耐腐蚀检验按GB/T10125的规定进行;烧结式镍电极电池正极用冲孔镀镍钢带的镀镍层耐腐蚀检验按附录B的规定进行。
5.5.3冲孔镀镍钢带的镀镍层的致密性检验按QB/T3823的规定执行。5.5.4冲孔镀镍钢带的镀镍层结合强度检验按QB/T3821的规定进行。5.6外观质量的检验
冲孔镀镍钢带的外观质量用目视方法和精度为0.001mm的千分尺进行检验和测量。6检验规则
6.1检查和验收
6.1.1冲孔镀镍钢带由供方技术监督部门进行检验,保证交货的冲孔镀镍钢带符合本标准或合同的规定,并填写质量证明书。
6.1.2需方应对收到的产品进行复验,复验结果与本标准及订货合同不符时,应以书面形式在收到产品之日起一个月内向供方提出。如需仲裁,仲裁取样应由供需双方共同进行。4
6.2组批
冲孔镀镍钢带应按批提交验收,每批为10卷~50卷。6.3检验项目及取样
每批产品的质量一致性检验项目及取样应符合表6的规定。表6
检验项目
化学成分
外形尺寸
力学性能
孔位尺寸
镀镍层
外观质量
6.4检验结果的判定
取样位置
任意位置
任意位置
任意位置
任意位置
任意位置
任意位置
6.4.1化学成分不合格时,判该批不合格。6.4.2外形尺寸不合格时,判该卷不合格。6.4.3力学性能不合格时,判该卷不合格。孔位尺寸不合格时,判该卷不合格。6.4.4
镀镍层不合格时,判该卷不合格。6.4.6外观质量不合格时,判该卷不合格。7
标志、包装、运输、贮存
7.1标志
取样数量
每批一份
要求的章条号
在已检验合格的每卷冲孔镀镍钢带上应附有如下内容的标签:供方技术监督部门检印;
供方名称;
c)产品名称;
d)产品规格型号:
供货状态;
f)产品批号和卷号:
g)产品净重。
7.2包装
GB/T20253-—2006
试验方法的章条号
冲孔镀镍钢带应整齐地收卷在圆形管上,每卷重量为30kg士10kg(此要求系指宽度为200mm~250mm的钢带,大于或小于此宽度钢带其卷重可适量增减);内包装用牛皮纸包裹在钢带外面,然后放人0.05mm士0.01mm厚的聚乙烯塑料薄膜袋内,并放入适量干燥剂。外包装采用双层瓦楞纸箱,内衬防震材料,外用打包带扎紧。需方对包装另有要求的,供方可按需方要求包装。7.3运输
冲孔镀镍钢带在运输过程中,须防止受潮和雨淋,防止跌落与碰撞等。7.4贮存
冲孔镀镍钢带应贮存在阴凉、通风、干燥处。不得存放在有腐蚀性化学物品的环境中。7.5质量证明书
每批冲孔镀镍钢带应附有产品质量证明书,其上注明:5
GB/T20253—2006
供方名称、地址、电话、传真;产品名称;
产品规格型号;
供货状态,
产品批号;
净重和件数;
各项分析检验结果和技术监督部门印记;本标准编号:
生产日期。
7.6保质期
-kAoNrKAca
按7.2要求进行包装的产品,负极用冲孔镀镍钢带的防腐蚀保质期为3个月,正极用冲孔镀镍钢带的防腐蚀保质期为6个月。
订货单(或合同)内容
订购本标准所列产品的订货单(或合同)应包括下列内容:a)
产品名称:
产品规格型号;
供货状态;
镀镍层厚度;
供货数量;
本标准要求的“应在合同中注明的”事项;本标准编号;
增加本标准以外内容时的协商结果。A.1范围
附录A
(规范性附录)
冲孔镀镍钢带“C”形高度测量方法本附录规定了冲孔镀镍钢带“C”形高度的测量方法。本附录适用于可充电电池用的冲孔镀镍钢带。A.2原理
GB/T20253-2006
模拟钢带在电池拉浆生产工艺过程,钢带在受到一定张力状态下产生变形,检测变形偏离两侧边形成水平面的最大允许偏差值。
A.3实验装置与样品制备
A.3.1在长度超过2m的检测工作平台上,一端安装钢带夹紧装置,其夹具宽度应大于钢带宽度,另一端安装一个转动灵活、表面光滑的圆辊,两者之间的距离为2m(如图A.1所示)。A.3.2制备一件能夹紧钢带、且重量为保证钢带受到10N张力的重物。A.3.3待测钢带样品长度应保证A.4试验方法的要求。A.3.4测量工具为钢直尺与游标卡尺。A.4试验方法
将待测钢带一端固定在工作平台上,另一端夹上检测用重物,经过圆辊悬挂在测试台边上,如图A.1所示。
A.5“C”形高度测量
将钢直尺垂直于钢带长度方向,在已张紧的2m长钢带中点轻靠在钢带的两条边缘上,力度以不改变钢带形状为准,用游标卡尺测量钢带离开钢直尺的最大距离h,即为C形高度,如图A.2所示。圆
“C”形高度
钢带夹紧装置
检测工作合
钢直尺
特测钢带
GB/T20253-—2006
B.1试验目的
附录B
(规范性附录)
烧结式镍电极电池正极用冲孔镀镍钢带镀镍层耐腐蚀性试验-KAoNrKAca
模拟烧结式镍电极电池生产过程中,正极极板材料所处的工艺条件,采用硝酸镍溶液高温浸渍的方法,检验镀镍层的耐腐蚀性。
B.2试验仪器与样品准备
试验仪器为普通恒温箱与塘瓷托盘;试验样品须从镀镍层厚度检测合格的冲孔镀镍钢带中随机抽取,样品剪切大小应保证在不弯折的情况下能平铺在托盘中,如钢带宽度超出托盘长度时,允许剪断。为防止冲孔镀镍钢带剪切断口的腐蚀产物污染镀镍层表面,应使用塑料胶带严密封闭剪切断口。B.3试验溶液配置
将化学纯硝酸镍配制成密度为1.65g/mL土0.01g/mL(85℃士5℃时)溶液,用化学纯硝酸将溶液的pH值调整至2.0~3.0后备用。
B.4试验方法
将托盘盛入已配制好的溶液,放入设定温度为90℃的恒温箱中,待溶液升温至85℃以上时,放入待检验钢带并使其全部浸人溶液中,浸泡4h后取出,用清水洗净、晾干。B.5观察方法
对已晾干的钢带采用直接观察方法进行耐腐蚀性判定,特别注意表面颜色变暗属正常现象,只有棕红色的铁锈斑痕判为不耐蚀区域。判定标准参照GB/T6461。版权专有慢权必究
书号:155066:1-28066
GB/T20253-2006
定价:
小提示:此标准内容仅展示完整标准里的部分截取内容,若需要完整标准请到上方自行免费下载完整标准文档。
标准图片预览:





- 其它标准
- 热门标准
- 国家标准(GB)
- GB/T2828.1-2012 计数抽样检验程序 第1部分:按接收质量限(AQL)检索的逐批检验抽样计划
- GB/T18204.4-2000 公共场所毛巾、床上卧具微生物检验方法细菌总数测定
- GB50367-2013 混凝土结构加固设计规范
- GB5009.225-2023 食品安全国家标准 酒和食用酒精中乙醇浓度的测定
- GB8552-1987 电子器件详细规范 低功率非线绕固定电阻器 RJ13型金属膜固定电阻器评定水平E(可供认证用)
- GB/T11379-2008 金属覆盖层 工程用铬电镀层
- GB/T23892.3-2009 滑动轴承 稳态条件下流体动压可倾瓦块止推轴承 第3部分:可倾瓦块止推轴承计算的许用值
- GB/T20976-2023 软冰淇淋预拌粉质量要求
- GB/T9145-2003 普通螺纹 中等精度、优选系列的极限尺寸
- GB/T9239-1988 刚性转子平衡品质 许用不平衡的确定
- GB/T15917.3-1995 金属镝及氧化镝化学分析方法 对氯苯基荧光酮--溴化十六烷基三甲基胺分光光度法测定钽量
- GB/T11839-1989 二氧化铀芯块中硼的测定 姜黄素萃取光度法
- GB/T6122.1-2002 圆角铣刀 第1部分:型式和尺寸
- GB/T7433-1987 对称电缆载波通信系统抗无线电广播和通信干扰的指标
- GB/T12053-1989 光学识别用字母数字字符集 第一部分:OCR-A字符集印刷图象的形状和尺寸
- 行业新闻
请牢记:“bzxz.net”即是“标准下载”四个汉字汉语拼音首字母与国际顶级域名“.net”的组合。 ©2025 标准下载网 www.bzxz.net 本站邮件:bzxznet@163.com
网站备案号:湘ICP备2025141790号-2
网站备案号:湘ICP备2025141790号-2