- 您的位置:
- 标准下载网 >>
- 标准分类 >>
- 煤炭行业标准(MT) >>
- MT 314-1992 煤矿假顶用菱形金属网
标准号:
MT 314-1992
标准名称:
煤矿假顶用菱形金属网
标准类别:
煤炭行业标准(MT)
标准状态:
现行-
发布日期:
1992-12-15 -
实施日期:
1993-07-01 出版语种:
简体中文下载格式:
.rar.pdf下载大小:
156.38 KB
中标分类号:
矿业>>矿山机械设备>>D98煤矿专用设备器材

点击下载
标准简介:
标准下载解压密码:www.bzxz.net
本标准规定了煤矿井下假顶用菱形金属网(以下简称“菱形网”)的规格参数、技术要求、试验方法、检验规则及标志、包装、运输、储存。本标准适用于煤矿井下厚煤层及特厚煤层分层开采时作人工假顶、单一煤层破碎顶板局部护顶、工作面收尾及巷道支护等用的菱形网。 MT 314-1992 煤矿假顶用菱形金属网 MT314-1992

部分标准内容:
中华人民共和国煤炭行业标准
煤矿假顶用菱形金属网
主题内容与适用范围
MT 314-92
本标准规定了煤矿井下假顶用菱形金属网(以下简称“菱形网\的规格参数、技术要求、试验方法、检验规则及标志、包装、运输、储存、本标准适用于煤矿井下厚煤层及特厚煤层分层开采时作人工假顶、单一煤层破碎顶板局部护顶、工作面收尾及巷道支护等用的菱形网。2 引用标准
GB228金属拉伸试验法
GB2103钢丝验收、包装、标志及质量证明书的般规定GB 3081
3术语
一般用途热镀锌低碳钢丝
3.1菱形网:由一般用途热镀锌低碳钢丝(以下简称\钢丝”)加工成的扁螺旋网丝(以下简称“网丝”)逐根绕联在一起,网孔呈菱形的金属网,如图所示。网丝螺距
网片宽度
中华人民共和国能源部1992-12-15批准150
菱形网
网片厚度
1993-07-01实施
MT314—92
3.2网丝:由钢丝加工成的横剖视呈扁圆形的螺旋丝。3.3丝径:加工网丝所用钢丝的直径。3.4
网孔边长:网丝围成的菱形孔在网片平面上单边的投影长度。3.5
网孔角度:网片中一根网丝相邻两边在网片平面上投影的夹角。3.6
网丝螺距:网丝两相邻对应点之间的距离。网丝节距:网丝横剖视的孔长轴方向的距离。网片厚度:网丝横剖视外缘短轴方向的距离。网片长度:网片在自然伸展状态下垂直于网丝轴线方向网片两端间的最大距离。3.10
网片宽度:网片在自然伸展状态下沿网丝轴向方向网片两侧间的最大距离。突出长度:网片两侧边最外一排铰点到网丝末端的长度。网片不平度:网片在自然伸展状态下放于水平面上,局部翘起的最大高度。4规格参数
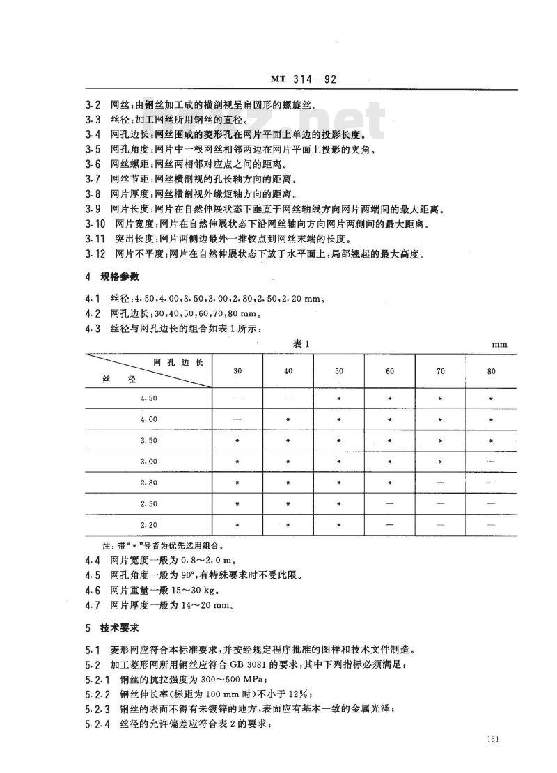
丝径:4.50,4.00,3.50,3.00,2.80,2.50,2.20mm。4.1
4.2网孔边长:30,40,50,60,70,80mm。4.3丝径与网孔边长的组合如表1所示:表1
网孔边长
注:带“*\号者为优先选用组合。30
网片宽度一般为0.8~2.0m。
4.5网孔角度般为90°,有特殊要求时不受此限。4.6网片重量-般15~30kg。
4.7网片厚度般为14~20mm。
5技术要求
5.1菱形网应符合本标准要求,并按经规定程序批准的图样和技术文件制造。5.2加工菱形网所用钢丝应符合GB3081的要求,其中下列指标必须满足:5.2.1钢丝的抗拉强度为300~500MPa;5.2.2钢丝伸长率(标距为100mm时)不小于12%;5.2.3钢丝的表面不得有未镀锌的地方,表面应有基本一致的金属光泽;5.2.4丝径的允许偏差应符合表2的要求:70
MT 314--92
5.2.5钢丝盘不得有紊乱的线圈或呈“8”字形。网片长度允许下偏差为0,上偏差不受限制。5.3F
网片宽度允许下偏差为0,上偏差不大于一个网孔的长度。5.4
网片厚度允许偏差为土1mm。
网片不平度不得超过20mm。
网孔边长允许偏差为±3%。
网丝螺距允许偏差为土3%。
5.9网丝节距允许偏差为土3%。
5.10突出长度应大于网孔边长的1/3。充许偏差
网孔角度允许偏差为士5°。
5.12网丝不得有影响使用的咬痕,因加工造成的钢丝强度降低率不得大于10%。5.13网片中的网丝之间不得有脱扣现象。mm
5.14网片宽度范围内的每根网丝必须由一根完整网丝构成,中间不得有接头。5.15网片的两侧边必须锁好,中间不得有漏锁,如图所示,锁好的网仍能保证相邻网丝转动灵活。但用户有特殊要求时,网边可采用其他处理方式。6试验方法
6.1编网厂对购进的每批钢丝都必须按GB2103的规定抽检本标准5.2.1~5.2.5条规定的指标,不合格品不得用于编网。
6.2将网片放在平整光滑的平面上,两人用力拉开后慢慢松手,使网片处于自然伸展状态,然后进行网片长度、网片宽度、网片厚度、网片不平度、网孔边长、网丝螺距、网丝节距、突出长度、网孔角度的测量,每项至少测量三次,取算术平均值。6.2.1网片长度用钢卷尺测量,两侧及中部各测一次,读数精确到1mm。6.2.2网片宽度用钢卷尺测量,两端及中部各测-一次,读数精确到1mm。6.2.3网片厚度用量程0~~200mm,精度不低于0.10mm的游标卡尺测量。6.2.4网片不平度用量程0~200mm,精度不低于0.10mm的游标卡尺测量,分别测量翘起处的高度,取其最大值。
6.2.5网孔边长用钢卷尺测量,每次沿孔边方向量取连续的10个网孔的总长,读数精确到1mm,然后按式(1)计算:
式中: s--—网孔边长,mm,
S一测量长度,mm;
d—丝径,mm。bzxz.net
6.2.6网丝螺距用钢卷尺测量,每次量取10个螺距的一段网丝的长度,读数精确到1mm,然后按式(2)计算:
式中:网丝螺距,mm,
测量长度,mm。
MT 314-92
(2)
6.2.7网丝节距用钢卷尺测量,每次量取10根网丝的网片长度,读数精确到1mm,然后按式(3)计算:
网丝节距,mm,
式中 t—
T——测量长度,mm,
d—一丝径,mm。
6.2.8突出长度用钢卷尺测量,目测法选最短的测量,读数精确到 1 mm。6.2.9网孔角度用普通量角器测量,读数精确到1°。6.3镀锌、咬痕、锁边情况及有无脱扣等外观质量用目测法检验,·(3)
6.4分别将钢丝和同一卷钢丝编出的网丝(标距为100mm)在精度不低于土1%的拉力试验机上测试,直到拉断,然后按式(4)计算钢丝强度降低率:P=F× 100%
式中:$———钢丝强度降低率,%,P钢丝拉断力,kN,
F-网丝拉断力,kN。
7检验规则
7.1产品检验分出厂检验和型式检验,出厂检验由生产单位质量检验部门进行,型式检验由产品质量监督机构或主管部门指定的单位进行。7.2每一成品网片都应用目测法进行镀锌、咬痕、锁边情况及有无脱扣等外观检验。7.3每批产品应随机抽取5%进行出厂检验,每一项目取样至少三次,取算术平均值,检验合格方可出厂。
7.4新厂投产或老厂停产三年以上恢复生产时应进行型式检验,正常生产时型式检验每三年进行一次。
7.5产品出厂检验与型式检验项目见表3。7.6产品出厂检验与型式检验项目中,任意一项不合格者,应加倍抽检,若再不合格则认为该批产品不合格。
7.7产品出厂检验结果应记录归档备查,产品型式检验应有型式检验报告,其内容应包括检验对象、检验条件、测试仪器与设备、测试结果及试验记事等。153
检验项目
网片长度
网片宽度
网片厚度
网片不平度
网孔边长
网丝螺距
网丝节距
突出长度
网孔角度
强度降低率
承载能力
抗冲击能力
标志、包装、运输、储存
技术要求
MT 31492
试验方法
5.2.3,5.13~5.15
检验类别
方法及指标另定
方法及指标另定
8.1每捆成品网必须带产品合格证,合格证正面标明产品名称、生产厂名、生产日期、检验员等内容,背面标明网片长度、网片宽度、网卷重量、丝径、网孔边长等内容。8.2网片必须卷齐、卷紧,用直径1.60~2.00mm的钢丝在距两端1/4位置捆扎,并应扎紧。8.3网卷在运输过程中应保持清洁干燥,注意防潮、防雨。8.4网卷在装卸时应轻拿轻放,严禁抛掷。8.5网卷应整齐码放在干燥通风场地,底层用干燥垫木垫底并应防雨。8.6网卷按出厂日期分批存放。
附加说明:
丝号(#)
本标准由煤炭科学研究总院提出。MT314-92
附景A
丝径与丝号对照表
(参考件)
丝径,mm
本标准由能源部煤矿专用设备标准化技术委员会水采机械分会归口。本标准由煤炭科学研究总院唐山分院负责起草。本标准主要起草人张世凯、张庆河。本标准委托煤炭科学研究总院唐山分院负责解释。155
小提示:此标准内容仅展示完整标准里的部分截取内容,若需要完整标准请到上方自行免费下载完整标准文档。
煤矿假顶用菱形金属网
主题内容与适用范围
MT 314-92
本标准规定了煤矿井下假顶用菱形金属网(以下简称“菱形网\的规格参数、技术要求、试验方法、检验规则及标志、包装、运输、储存、本标准适用于煤矿井下厚煤层及特厚煤层分层开采时作人工假顶、单一煤层破碎顶板局部护顶、工作面收尾及巷道支护等用的菱形网。2 引用标准
GB228金属拉伸试验法
GB2103钢丝验收、包装、标志及质量证明书的般规定GB 3081
3术语
一般用途热镀锌低碳钢丝
3.1菱形网:由一般用途热镀锌低碳钢丝(以下简称\钢丝”)加工成的扁螺旋网丝(以下简称“网丝”)逐根绕联在一起,网孔呈菱形的金属网,如图所示。网丝螺距
网片宽度
中华人民共和国能源部1992-12-15批准150
菱形网
网片厚度
1993-07-01实施
MT314—92
3.2网丝:由钢丝加工成的横剖视呈扁圆形的螺旋丝。3.3丝径:加工网丝所用钢丝的直径。3.4
网孔边长:网丝围成的菱形孔在网片平面上单边的投影长度。3.5
网孔角度:网片中一根网丝相邻两边在网片平面上投影的夹角。3.6
网丝螺距:网丝两相邻对应点之间的距离。网丝节距:网丝横剖视的孔长轴方向的距离。网片厚度:网丝横剖视外缘短轴方向的距离。网片长度:网片在自然伸展状态下垂直于网丝轴线方向网片两端间的最大距离。3.10
网片宽度:网片在自然伸展状态下沿网丝轴向方向网片两侧间的最大距离。突出长度:网片两侧边最外一排铰点到网丝末端的长度。网片不平度:网片在自然伸展状态下放于水平面上,局部翘起的最大高度。4规格参数
丝径:4.50,4.00,3.50,3.00,2.80,2.50,2.20mm。4.1
4.2网孔边长:30,40,50,60,70,80mm。4.3丝径与网孔边长的组合如表1所示:表1
网孔边长
注:带“*\号者为优先选用组合。30
网片宽度一般为0.8~2.0m。
4.5网孔角度般为90°,有特殊要求时不受此限。4.6网片重量-般15~30kg。
4.7网片厚度般为14~20mm。
5技术要求
5.1菱形网应符合本标准要求,并按经规定程序批准的图样和技术文件制造。5.2加工菱形网所用钢丝应符合GB3081的要求,其中下列指标必须满足:5.2.1钢丝的抗拉强度为300~500MPa;5.2.2钢丝伸长率(标距为100mm时)不小于12%;5.2.3钢丝的表面不得有未镀锌的地方,表面应有基本一致的金属光泽;5.2.4丝径的允许偏差应符合表2的要求:70
MT 314--92
5.2.5钢丝盘不得有紊乱的线圈或呈“8”字形。网片长度允许下偏差为0,上偏差不受限制。5.3F
网片宽度允许下偏差为0,上偏差不大于一个网孔的长度。5.4
网片厚度允许偏差为土1mm。
网片不平度不得超过20mm。
网孔边长允许偏差为±3%。
网丝螺距允许偏差为土3%。
5.9网丝节距允许偏差为土3%。
5.10突出长度应大于网孔边长的1/3。充许偏差
网孔角度允许偏差为士5°。
5.12网丝不得有影响使用的咬痕,因加工造成的钢丝强度降低率不得大于10%。5.13网片中的网丝之间不得有脱扣现象。mm
5.14网片宽度范围内的每根网丝必须由一根完整网丝构成,中间不得有接头。5.15网片的两侧边必须锁好,中间不得有漏锁,如图所示,锁好的网仍能保证相邻网丝转动灵活。但用户有特殊要求时,网边可采用其他处理方式。6试验方法
6.1编网厂对购进的每批钢丝都必须按GB2103的规定抽检本标准5.2.1~5.2.5条规定的指标,不合格品不得用于编网。
6.2将网片放在平整光滑的平面上,两人用力拉开后慢慢松手,使网片处于自然伸展状态,然后进行网片长度、网片宽度、网片厚度、网片不平度、网孔边长、网丝螺距、网丝节距、突出长度、网孔角度的测量,每项至少测量三次,取算术平均值。6.2.1网片长度用钢卷尺测量,两侧及中部各测一次,读数精确到1mm。6.2.2网片宽度用钢卷尺测量,两端及中部各测-一次,读数精确到1mm。6.2.3网片厚度用量程0~~200mm,精度不低于0.10mm的游标卡尺测量。6.2.4网片不平度用量程0~200mm,精度不低于0.10mm的游标卡尺测量,分别测量翘起处的高度,取其最大值。
6.2.5网孔边长用钢卷尺测量,每次沿孔边方向量取连续的10个网孔的总长,读数精确到1mm,然后按式(1)计算:
式中: s--—网孔边长,mm,
S一测量长度,mm;
d—丝径,mm。bzxz.net
6.2.6网丝螺距用钢卷尺测量,每次量取10个螺距的一段网丝的长度,读数精确到1mm,然后按式(2)计算:
式中:网丝螺距,mm,
测量长度,mm。
MT 314-92
(2)
6.2.7网丝节距用钢卷尺测量,每次量取10根网丝的网片长度,读数精确到1mm,然后按式(3)计算:
网丝节距,mm,
式中 t—
T——测量长度,mm,
d—一丝径,mm。
6.2.8突出长度用钢卷尺测量,目测法选最短的测量,读数精确到 1 mm。6.2.9网孔角度用普通量角器测量,读数精确到1°。6.3镀锌、咬痕、锁边情况及有无脱扣等外观质量用目测法检验,·(3)
6.4分别将钢丝和同一卷钢丝编出的网丝(标距为100mm)在精度不低于土1%的拉力试验机上测试,直到拉断,然后按式(4)计算钢丝强度降低率:P=F× 100%
式中:$———钢丝强度降低率,%,P钢丝拉断力,kN,
F-网丝拉断力,kN。
7检验规则
7.1产品检验分出厂检验和型式检验,出厂检验由生产单位质量检验部门进行,型式检验由产品质量监督机构或主管部门指定的单位进行。7.2每一成品网片都应用目测法进行镀锌、咬痕、锁边情况及有无脱扣等外观检验。7.3每批产品应随机抽取5%进行出厂检验,每一项目取样至少三次,取算术平均值,检验合格方可出厂。
7.4新厂投产或老厂停产三年以上恢复生产时应进行型式检验,正常生产时型式检验每三年进行一次。
7.5产品出厂检验与型式检验项目见表3。7.6产品出厂检验与型式检验项目中,任意一项不合格者,应加倍抽检,若再不合格则认为该批产品不合格。
7.7产品出厂检验结果应记录归档备查,产品型式检验应有型式检验报告,其内容应包括检验对象、检验条件、测试仪器与设备、测试结果及试验记事等。153
检验项目
网片长度
网片宽度
网片厚度
网片不平度
网孔边长
网丝螺距
网丝节距
突出长度
网孔角度
强度降低率
承载能力
抗冲击能力
标志、包装、运输、储存
技术要求
MT 31492
试验方法
5.2.3,5.13~5.15
检验类别
方法及指标另定
方法及指标另定
8.1每捆成品网必须带产品合格证,合格证正面标明产品名称、生产厂名、生产日期、检验员等内容,背面标明网片长度、网片宽度、网卷重量、丝径、网孔边长等内容。8.2网片必须卷齐、卷紧,用直径1.60~2.00mm的钢丝在距两端1/4位置捆扎,并应扎紧。8.3网卷在运输过程中应保持清洁干燥,注意防潮、防雨。8.4网卷在装卸时应轻拿轻放,严禁抛掷。8.5网卷应整齐码放在干燥通风场地,底层用干燥垫木垫底并应防雨。8.6网卷按出厂日期分批存放。
附加说明:
丝号(#)
本标准由煤炭科学研究总院提出。MT314-92
附景A
丝径与丝号对照表
(参考件)
丝径,mm
本标准由能源部煤矿专用设备标准化技术委员会水采机械分会归口。本标准由煤炭科学研究总院唐山分院负责起草。本标准主要起草人张世凯、张庆河。本标准委托煤炭科学研究总院唐山分院负责解释。155
小提示:此标准内容仅展示完整标准里的部分截取内容,若需要完整标准请到上方自行免费下载完整标准文档。

标准图片预览:





- 其它标准
- 热门标准
- 煤炭行业标准(MT)
- MT/T1112-2011 煤矿图像监视系统通用技术条件
- MT187.7-1988 刮板输送机紧固件 半圆头方颈螺栓
- MT/T1131-2011 矿用以太网
- MT/T1135-2011 矿用碳分子筛制氮装置通用技术条件
- MT542-1996 单体支柱柱鞋
- MT/T188.4-2000 煤矿用乳化液泵站 过滤器技术条件
- MT/T619-1996 煤炭试验室分级和评定
- MT/T408-1995 煤矿用直流稳压电源
- MT/T528-1995 滚筒式泥浆固液分离机
- MT/T117-2005 采煤机用电缆夹型式和基本尺寸
- MT/T441-1995 巷道掘进混合式通风技术规范
- MT/T588-1996 煤矿用防爆柴油机胶套轮/齿轨卡轨车技术条件
- MT10-1975 矿山窄轨牵引网路搭接线夹
- MT299.4-1992 水泥回转窑用鹤岗矿务局煤技术条件
- MT/T1107-2011 煤矿局部通风机自动调速装置
- 行业新闻
请牢记:“bzxz.net”即是“标准下载”四个汉字汉语拼音首字母与国际顶级域名“.net”的组合。 ©2009 标准下载网 www.bzxz.net 本站邮件:bzxznet@163.com
网站备案号:湘ICP备2023016450号-1
网站备案号:湘ICP备2023016450号-1