- 您的位置:
- 标准下载网 >>
- 标准分类 >>
- 机械行业标准(JB) >>
- JB/T 6514-1992 电气转速信号装置
标准号:
JB/T 6514-1992
标准名称:
电气转速信号装置
标准类别:
机械行业标准(JB)
标准状态:
已作废-
实施日期:
1993-05-01 出版语种:
简体中文下载格式:
.rar.pdf下载大小:
145.22 KB
中标分类号:
电工>>发电用动力设备>>K51电站设备自动化装置
替代情况:
被JB/T 6514-2002代替
部分标准内容:
中华人民共和国机械行业标准
电气转速信号装置
主题内容与适用范围
JB/T 6514—92
本标准规定了电气转速信号装置的产品分类、技术要求、试验方法、检验规则及标志、包装、运输、贮存等。
本标准适用于电气转速信号装置(以下简称装置)。该类装置用于测量水轮发电机组转速变化,并发出相应信号。
2引用标准
GB 191
包装储运指示标志
GB2423.1电工电子产品基本环境试验规程试验A:低温试验方法GB2123.2电工电子产品基本环境试验规程试验B:高温试验方法GB7261继电器及继电保护装置基本试验方法3产品分类
型式及分类
按装置构成原理分为三种类型:机电型;
b.晶体管型;
c、微机型。
3.2结构尺寸
结构型式、外形尺寸及安装尺寸,由企业产品标准规定。3.3重量
用企业产品标准规定。
4技术要求
4.1影响量和影响因素的基准条件基准值影响量和影响因素的基准条件基准值及试验允差见表1。表1
影响量和影响因素
环境温度,(
大气压力,kpa
相对湿度
工作位置
外磁感应,mT
机械电子工业部1992-12-21批准基准值
试验允差
--20%,+10%
任一方向2°
1993-05-01实施
JB/T 6514 -- 92
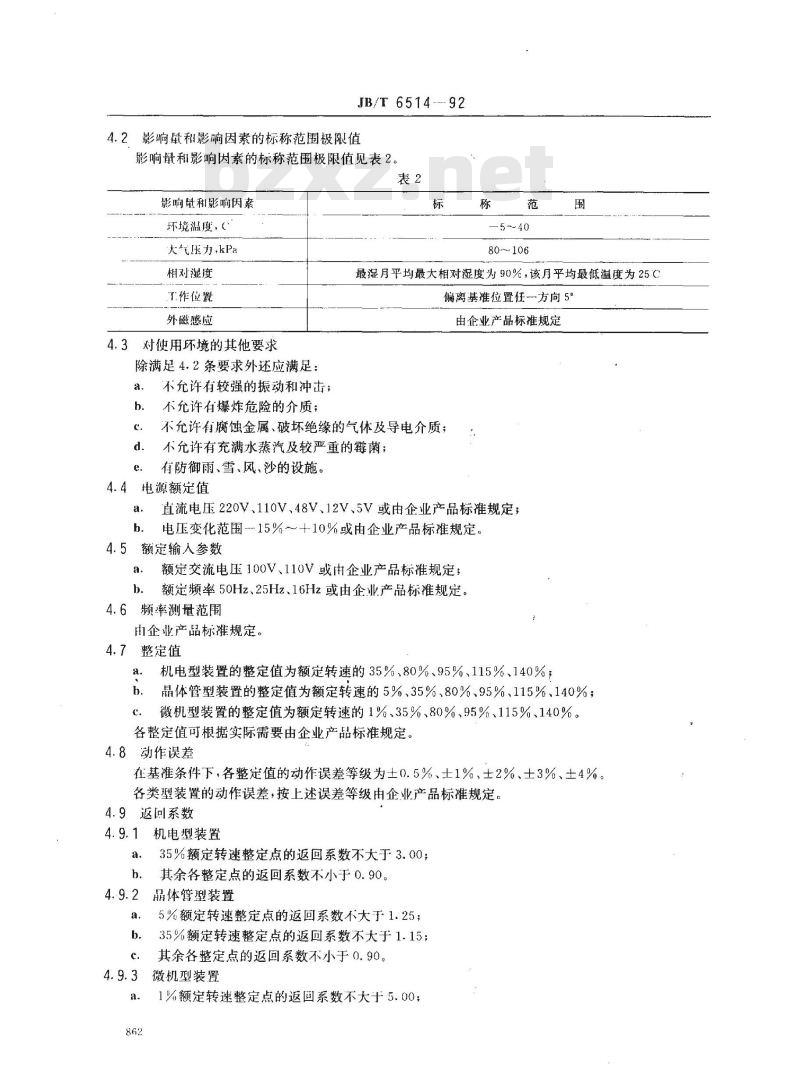
4.2影响量和影响因素的标称范围极限值影响量和影响因素的标称范围极限值见表2。表2
影响量和影响因素
环境温度,(
大气压力,kPa
相对湿度
T作位置
外磁感应
4.3对使用环境的其他要求
除满足4.2条要求外还应满足:
不允许有较强的振动和冲击;
不允许有爆炸危险的介质;
5~40
80~106
最湿月平均最大相对湿度为90%,该月平均最低温度为25℃偏离基准位置任方向5°
由企业产品标准规定
不允许有腐蚀金属、破坏绝缘的气体及导电介质;不允许有充满水蒸汽及较严重的霉菌;有防御雨、雪、风、沙的设施。4.4电源额定值
直流电压220V、110V、48V、12V、5V或由企业产品标准规定:h.
电压变化范围15%~+10%或由企业产品标准规定,4.5额定输人参数
额定交流电压100V、110V或油企业产品标准规定;额定频率50Hz、25Hz、16Hz或由企业产品标准规定。b.
4.6频率测量范围
由企业产品标准规定。
4.7整定值
机电型装置的整定值为额定转速的35%、80%、95%、115%、140%;a.
晶体管型装置的整定值为额定转速的5%、35%、80%、95%、115%、140%;微机型装置的整定值为额定转速的1%、35%、80%、95%、115%、140%。各整定值可根据实际需要由企业产品标准规定。4.8动作误差
在基准条件下,各整定值的动作误差等级为士0.5%、士1%、士2%、土3%、士4%。各类型装置的动作误差,按上述误差等级由企业产品标准规定。4.9返回系数
机电型装置
35%额定转速整定点的返回系数不大于3.00;其余各整定点的返回系数不小于0.90。晶体管型装置
5%额定转速整定点的返回系数不大于1.25;35%额定转速整定点的返回系数不大于1.15;其余各整定点的返回系数不小于0.90。微机型装置
1%额定转速整定点的返回系数不大于5.00;JB/T 6514--92
b.35%额定转速整定点的返回系数不人于1.10;c.其余各整定点的返回系数不小于0.90。4.10出口触点断开容量
由企业产品标准规定
4.11绝缘电阻
装置所有电路与外露的非带电金属零件之间,以及无电气联系的各电路之间,用开路电压为500V的仪器测量,绝缘电阻不小于10MQ。4.12介质强度
装置所有电路与外露的非带电金属零件之间,以及无电气联系的各电路之间,电压为30V以上的电路应能承受交流1500V、50Hz,历时1min介质强度试验,电压为30V及以下的电路应能承受交流500V、50Hz,历时1min介质强度试验,无击穿或闪络现象。重复进行介质强度试验时,其试验电压值为规定值的75%。4.13高频干扰
装置处在正常工作状态,施加暂态高频信号,装置不误动,元件不损坏。下扰信号参数:频率为1士0.1MHz;共模电压为2.5kV;差模电压为1.0kV。4.14低温性能
温度为一5C,历时16h,装置应正常工作。其动作误差不大于4.8条动作误差的2倍。4.15高温运行
温度为40C,历时96h连续运行,装置应正常工作。其动作误差不大于4.8条动作误差的2倍。4.16功率消耗
出企业产品标准规定。
4.17外观要求
由企业产品标准规定。
5试验方法
5.1试验环境条件
环境温度15C~35°C;
相对湿度45%~75%;
人气压力86~106kPa。
5.2外观检查
根据4.17条要求,按GB7261中第4章有关规定进行。5.3动作误差试验
根据4.8条要求,按GB7261中第7.2.2条极限误差规定进行。5.4返回系数试验
根据4.9条要求,按GB7261中第7.2.2条返回系数规定进行。5.5触点断开容量试验
根据4.10条要求,按GB7261中第24章规定进行。5.6绝缘电阻试验
根据4.11条要求,按GB7261中第20章规定进行。介质强度试验
根据4.12条要求,按GB7261中第20章规定进行。5.8高频T扰试验
根据1.13条要求,按GB7261中第19章规定进行。863
5.9低温试验
JB/T 6514—92
根据4.14条要求,按(GB2423.1中试验Ad:散热试验样品温度渐变的低温试验方法”的规定进行
高温运行试验
根据4.15条要求,按GB2423.2中“试验Bd:散热试验样品温度渐变的高温试验方法”的规定进行
5.11功率消耗试验
根据4.16条要求,按GB7261中第10章规定进行。6检验规则
6.1出厂试验
用制造广技术检验部门进行。对所提交的全部装置逐台进行试验。试验项目为4.8、4.9、4.11、4.12、4.15条。6.2型式试验
6.2.1试验周期免费标准下载网bzxz
a.每二年进行一次;
b.若设计、工艺、材料、元件有更改并可能影响性能时,则更改后进行型式试验;C.生产间断一年及以上又重新投入生产时,进行型式试验。6.2.2试验项目
试验项目为4.8~4.17条。
6.2.3试验抽样
从出厂试验合格的装置中,任意抽取2台进行型式试验。全部试验项目符合要求的为合格。有一台-项不符合要求考,则抽样数量加一倍,对不合格和未作完项目重新试验。若全部符合要求则为合格。若仍有“台有不合格项目,则认定为不合格,应停止生产,经过整顿后,再按上述全部型式试验项目进行试验·直至合格为止。
7标志、包装、运输、购存
7.1标志
装置铭牌上的标志
装置名称、型号;
制造厂名称、商标;
出厂年月、编号。
外包装箱上的标志
装置名称;
包装箱总重量;
制造广名称;
出厂年月:
收货单位和地址;
外包装箱上的指示标志应符合GB191的规定。7.2包装
装置应有内包装及外包装箱,有防尘、防震措施,有吊装设施及标志。若有特殊要求,则在企业产品标准中规定、
7.3运输
JB/T6514.-92
装置适于海运、陆运及空运。运输及装卸过程中,按包装箱上的标志进行。7.4存
库房环境温度为--5(~40℃:,相对湿度不大于90%,室内无酸、碱、盐及腐蚀性、爆炸性气体。不受灰雀、雨中的侵害。
保证期及供货成套性
保证期
装置从发货日期起,运输、贮行、使用合理,在两年内,因制造、包装质量问题而达不到技术要求或损坏,制造,“负责维修。者无法修复,制造厂负责更换。8.2供货成套性
随同装置供货的有:
产品证期书;
产品使用说明书;
备件.附件。
附加说明:
本标准由机械电子工业部阿城电站设备自动化设计研究所提出并归口。本标准由阿城电站设备自动化设计研究所起草。本标准主要起草人胡景和。
小提示:此标准内容仅展示完整标准里的部分截取内容,若需要完整标准请到上方自行免费下载完整标准文档。
电气转速信号装置
主题内容与适用范围
JB/T 6514—92
本标准规定了电气转速信号装置的产品分类、技术要求、试验方法、检验规则及标志、包装、运输、贮存等。
本标准适用于电气转速信号装置(以下简称装置)。该类装置用于测量水轮发电机组转速变化,并发出相应信号。
2引用标准
GB 191
包装储运指示标志
GB2423.1电工电子产品基本环境试验规程试验A:低温试验方法GB2123.2电工电子产品基本环境试验规程试验B:高温试验方法GB7261继电器及继电保护装置基本试验方法3产品分类
型式及分类
按装置构成原理分为三种类型:机电型;
b.晶体管型;
c、微机型。
3.2结构尺寸
结构型式、外形尺寸及安装尺寸,由企业产品标准规定。3.3重量
用企业产品标准规定。
4技术要求
4.1影响量和影响因素的基准条件基准值影响量和影响因素的基准条件基准值及试验允差见表1。表1
影响量和影响因素
环境温度,(
大气压力,kpa
相对湿度
工作位置
外磁感应,mT
机械电子工业部1992-12-21批准基准值
试验允差
--20%,+10%
任一方向2°
1993-05-01实施
JB/T 6514 -- 92
4.2影响量和影响因素的标称范围极限值影响量和影响因素的标称范围极限值见表2。表2
影响量和影响因素
环境温度,(
大气压力,kPa
相对湿度
T作位置
外磁感应
4.3对使用环境的其他要求
除满足4.2条要求外还应满足:
不允许有较强的振动和冲击;
不允许有爆炸危险的介质;
5~40
80~106
最湿月平均最大相对湿度为90%,该月平均最低温度为25℃偏离基准位置任方向5°
由企业产品标准规定
不允许有腐蚀金属、破坏绝缘的气体及导电介质;不允许有充满水蒸汽及较严重的霉菌;有防御雨、雪、风、沙的设施。4.4电源额定值
直流电压220V、110V、48V、12V、5V或由企业产品标准规定:h.
电压变化范围15%~+10%或由企业产品标准规定,4.5额定输人参数
额定交流电压100V、110V或油企业产品标准规定;额定频率50Hz、25Hz、16Hz或由企业产品标准规定。b.
4.6频率测量范围
由企业产品标准规定。
4.7整定值
机电型装置的整定值为额定转速的35%、80%、95%、115%、140%;a.
晶体管型装置的整定值为额定转速的5%、35%、80%、95%、115%、140%;微机型装置的整定值为额定转速的1%、35%、80%、95%、115%、140%。各整定值可根据实际需要由企业产品标准规定。4.8动作误差
在基准条件下,各整定值的动作误差等级为士0.5%、士1%、士2%、土3%、士4%。各类型装置的动作误差,按上述误差等级由企业产品标准规定。4.9返回系数
机电型装置
35%额定转速整定点的返回系数不大于3.00;其余各整定点的返回系数不小于0.90。晶体管型装置
5%额定转速整定点的返回系数不大于1.25;35%额定转速整定点的返回系数不大于1.15;其余各整定点的返回系数不小于0.90。微机型装置
1%额定转速整定点的返回系数不大于5.00;JB/T 6514--92
b.35%额定转速整定点的返回系数不人于1.10;c.其余各整定点的返回系数不小于0.90。4.10出口触点断开容量
由企业产品标准规定
4.11绝缘电阻
装置所有电路与外露的非带电金属零件之间,以及无电气联系的各电路之间,用开路电压为500V的仪器测量,绝缘电阻不小于10MQ。4.12介质强度
装置所有电路与外露的非带电金属零件之间,以及无电气联系的各电路之间,电压为30V以上的电路应能承受交流1500V、50Hz,历时1min介质强度试验,电压为30V及以下的电路应能承受交流500V、50Hz,历时1min介质强度试验,无击穿或闪络现象。重复进行介质强度试验时,其试验电压值为规定值的75%。4.13高频干扰
装置处在正常工作状态,施加暂态高频信号,装置不误动,元件不损坏。下扰信号参数:频率为1士0.1MHz;共模电压为2.5kV;差模电压为1.0kV。4.14低温性能
温度为一5C,历时16h,装置应正常工作。其动作误差不大于4.8条动作误差的2倍。4.15高温运行
温度为40C,历时96h连续运行,装置应正常工作。其动作误差不大于4.8条动作误差的2倍。4.16功率消耗
出企业产品标准规定。
4.17外观要求
由企业产品标准规定。
5试验方法
5.1试验环境条件
环境温度15C~35°C;
相对湿度45%~75%;
人气压力86~106kPa。
5.2外观检查
根据4.17条要求,按GB7261中第4章有关规定进行。5.3动作误差试验
根据4.8条要求,按GB7261中第7.2.2条极限误差规定进行。5.4返回系数试验
根据4.9条要求,按GB7261中第7.2.2条返回系数规定进行。5.5触点断开容量试验
根据4.10条要求,按GB7261中第24章规定进行。5.6绝缘电阻试验
根据4.11条要求,按GB7261中第20章规定进行。介质强度试验
根据4.12条要求,按GB7261中第20章规定进行。5.8高频T扰试验
根据1.13条要求,按GB7261中第19章规定进行。863
5.9低温试验
JB/T 6514—92
根据4.14条要求,按(GB2423.1中试验Ad:散热试验样品温度渐变的低温试验方法”的规定进行
高温运行试验
根据4.15条要求,按GB2423.2中“试验Bd:散热试验样品温度渐变的高温试验方法”的规定进行
5.11功率消耗试验
根据4.16条要求,按GB7261中第10章规定进行。6检验规则
6.1出厂试验
用制造广技术检验部门进行。对所提交的全部装置逐台进行试验。试验项目为4.8、4.9、4.11、4.12、4.15条。6.2型式试验
6.2.1试验周期免费标准下载网bzxz
a.每二年进行一次;
b.若设计、工艺、材料、元件有更改并可能影响性能时,则更改后进行型式试验;C.生产间断一年及以上又重新投入生产时,进行型式试验。6.2.2试验项目
试验项目为4.8~4.17条。
6.2.3试验抽样
从出厂试验合格的装置中,任意抽取2台进行型式试验。全部试验项目符合要求的为合格。有一台-项不符合要求考,则抽样数量加一倍,对不合格和未作完项目重新试验。若全部符合要求则为合格。若仍有“台有不合格项目,则认定为不合格,应停止生产,经过整顿后,再按上述全部型式试验项目进行试验·直至合格为止。
7标志、包装、运输、购存
7.1标志
装置铭牌上的标志
装置名称、型号;
制造厂名称、商标;
出厂年月、编号。
外包装箱上的标志
装置名称;
包装箱总重量;
制造广名称;
出厂年月:
收货单位和地址;
外包装箱上的指示标志应符合GB191的规定。7.2包装
装置应有内包装及外包装箱,有防尘、防震措施,有吊装设施及标志。若有特殊要求,则在企业产品标准中规定、
7.3运输
JB/T6514.-92
装置适于海运、陆运及空运。运输及装卸过程中,按包装箱上的标志进行。7.4存
库房环境温度为--5(~40℃:,相对湿度不大于90%,室内无酸、碱、盐及腐蚀性、爆炸性气体。不受灰雀、雨中的侵害。
保证期及供货成套性
保证期
装置从发货日期起,运输、贮行、使用合理,在两年内,因制造、包装质量问题而达不到技术要求或损坏,制造,“负责维修。者无法修复,制造厂负责更换。8.2供货成套性
随同装置供货的有:
产品证期书;
产品使用说明书;
备件.附件。
附加说明:
本标准由机械电子工业部阿城电站设备自动化设计研究所提出并归口。本标准由阿城电站设备自动化设计研究所起草。本标准主要起草人胡景和。
小提示:此标准内容仅展示完整标准里的部分截取内容,若需要完整标准请到上方自行免费下载完整标准文档。
标准图片预览:





- 其它标准
- 热门标准
- 机械行业标准(JB)
- JB/T7940.3-1995 旋盖式油杯
- JB/T7893.1-1999 立式振动离心机
- JB/T7899-1999 填充聚四氟乙烯软带导轨 技术条件
- JB/T7938-1999 液压泵站油箱公称容量系列
- JB/T7948.3-1999 熔炼焊剂化学分析方法 高锰酸盐光度法测定氧化锰量
- JB/T7850-1995 手夹快换接头
- JB/T8009.4-1999 机床夹具零件及部件 弧形压块
- JB/T7952-1995 空气净化器
- JB/T1625-2002 工业锅炉焊接管孔
- JB/T7936-1999 直廓环面蜗杆减速器
- JB/T7939-1999 单活塞杆液压缸两腔面积比
- JB/T7941.2-1995 旋入式圆形油杯
- JB/T7948.11-1999 熔炼焊剂化学分析方法 燃烧-碘量法测定硫量
- JB/T7925.2-1995 滑动轴承 多层轴承减摩合金硬度检验方法
- JB/T7946.2-1999 铸造铝硅合金过烧
- 行业新闻
请牢记:“bzxz.net”即是“标准下载”四个汉字汉语拼音首字母与国际顶级域名“.net”的组合。 ©2025 标准下载网 www.bzxz.net 本站邮件:bzxznet@163.com
网站备案号:湘ICP备2025141790号-2
网站备案号:湘ICP备2025141790号-2