- 您的位置:
- 标准下载网 >>
- 标准分类 >>
- 机械行业标准(JB) >>
- JB/T 6085-1992 卧式车床 系列型谱
标准号:
JB/T 6085-1992
标准名称:
卧式车床 系列型谱
标准类别:
机械行业标准(JB)
标准状态:
已作废-
发布日期:
1992-05-16 -
实施日期:
1993-01-01 -
作废日期:
2005-04-15 出版语种:
简体中文下载格式:
.rar.pdf下载大小:
3.06 MB
替代情况:
JB/Z 143-1979
点击下载
标准简介:
标准下载解压密码:www.bzxz.net
本标准规定了卧式车床的系列构成、用途、性能特征、品种和参数。本标准适用于新设计的床身上最大回转直径250~1250mm。最大工件长度至1600mm的卧式车床。 JB/T 6085-1992 卧式车床 系列型谱 JB/T6085-1992
部分标准内容:
中华人民共和国机械行业标准
JB,T6085--92
卧式车床
1992-05-16发布
系列型谱
1993-0101实施
中华人民共和国机械电子工业部发布
中华人民共和国机械行业标准
卧式车床
主题内容与适用范围
系列型谱
本标准规定了卧式车床的系列构成、用途、性能特征、品种和参数。JB/T608592
本标准适用于新设计的床身上最大回转直径250~1250mm。最大1.件长度至16000mm的卧式车2引用标准
GB1443
GB4020
GB4021
GB4133
GB5268
工具柄自锁圆锥的尺寸和公差
普通车床精度
精密车床精度
莫氏圆锥的强制传动型式及尺寸车床刀架装刀槽高度
机床法兰式主轴端部与花盘互换性尺寸GB5900.1~5900.3
GB/T1582
ZBJ53002
JB/Z276
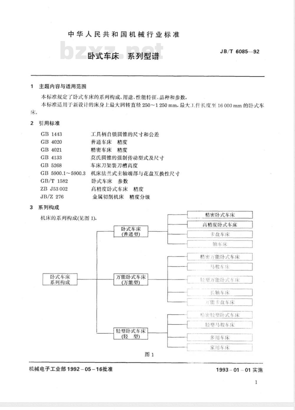
3系列构成
卧式车床参数
高精度卧式车床
金属切削机床精度分级
机床的系列构成(见图1)
卧式车床
系列构成
机械电子工业部1992-05-16批准卧式车床
(普通型)
万能卧式车床
(万能型)
轻型卧式车床
(轻型)
精密卧式车床
高精度卧式车床
卡盘车床
轴车床
精密万能卧式车床
马鞍车床
轻型万能卧式车床
长轴车床
方能卡盘车床
精密轻型卧式车床
轻型马鞍车床
多用车床
家用车床
1993-01-01实施
4用途及性能
4.1普通型
4.1.1卧式车床
机床的型式如图2所示。
JB/T6085-92
卧式车床是普通型的基型系列。机床适用了大中型机械制造业,大批或成批生产车间·它具有较高的生产率和一定的使用性能,具有较好的刚度和抗振性,能适应先进刀具的高速切削租强力削,在安装门动化元件、附件后,可实现半白动切削机床应具备下列性能特征:
a.有常用的车削米制螺纹的功能;b。结构较简单,主轴转速级数较少:整机例性好,并有较大的动力参数c.
机床精度应符合GB4020的规定。机床为JB/Z276规定的V级精度机床根据用户特殊定货,可提供下列扩大机床性能的特殊附件:a.
仿形刀架(电气、液压)及其装置;旋风铣削头;
高效车削螺纹装置;
快换刀架;
后刀架;
三瓜白动定心气动(电动、液压)卡盘:离心式卡盘;
数字显示装置;
白动测量装置;
机动尾座(电气、液压)
弹贫夹头。弹簧胀胎(用于床身主最大回转占径250mm和280mm的机本)k.
端面的拨动顶尖。
4.1.2精密卧式车床
机床适用于工具、仪器仪表行业的生产车间及机碱制造的工具和维修车用以加工较为精密离维套、盘类等零件。机床除提高主传动系统及进给系统的精度外,其他均与基型系列相同。机床精度应符合GB4021的规定。机床为JB/Z276规定的IV级精度机床。4.1.3高精度卧式车床
机床适用于航空、电子、精密仪器仪表等制造业生产和维修及科研部门用以加高精度的轴套反盘类等零件
机床除具备基型系列是性能特征外,还应具有下列性能特往:有经细化了的主传动系统及进给运动系统a.
b.有与加工精度相匹配的测试和读数装置2
JB/T6085-92
机床精度应符合ZBJ53002的规定。机床为JB/Z276规定的IⅢI级精度机床。4.1.4卡盘车床
机床适用于盘套类零件的专门加工。机床除无尾座、丝杠且床身较短外,其他均与基础产品相同。机床精度应符合GB4020的规定。机床为JB/Z276规定的V级精度机床。4.1.5轴车床
机床适用于各种轴类零件的专门加工。机床除具备基型系列的性能特征外,还具有白动夹紧和自动顶紧工件的性能特征。用仿形刀架,还可进行多次工作循环。
机床精度应符合GB4020的规定。机床为JB/Z276规定的V级精度机床。4.2万能型
4.2.1万能卧式车床
机床的型式如图2所示,
万能卧式车床是万能型的基型系列。机床适用于一般机械制造业的单件、小批生产车间及其他行业的工具、机修、科研等部门,它具有广泛的万能性。当配置特殊附件后,可进一步扩大其工艺范围。机床应具有下列性能特征:
a.有车削米制、英制、模数与径节螺纹的功能;b.有较多级数的主轴转速和进给量:c.有足够的刚度与抗振性。
机床精度符合GB4020的规定。机床为JB/Z276规定的V级精度机床。根据用户特殊订货,可提供下列扩大机床性能的特殊附件:仿形刀架(电气、液压)及其装置;a.
旋风铣削头;
后刀架;
d.三爪自定心气动(电气、液压)卡盘;e.
离心式卡盘;
数字显示装置;
机动尾座(电气、液压);
内外圆磨头;
锥度尺;
j.大型中心架;
k.托滚装置(用于床身上最大回转直径大于或等于630mm的机床)1.端面拨动顶尖。
4.2.2精密万能卧式车床
机床适用于国防、军工、工具、仪器仪表、科研等单位的单件、小批生产及维修部门加工较为精密的零件。机床除提高主传动系统及进给系统的精度外,其余均与基型系列相同。精密万能卧式车床也可为独立的基型系列。
机床为JB/Z276规定的IV级精度机床,精度应符合GB4021的规定4.2.3马鞍车床
机床适用于加工一般零件及较大的盘形零件。机床除具备基型系列的性能特征外,还应具备为加工较大盘形零件的马鞍结构。机床精度应符合GB4020的规定。机床为JB/Z276规定的V级精度机床。4.2.4轻型万能卧式车床
机床适用于加工重量轻、回转直径较大的零件。机床除加高主轴高度外,其他与基型系列相同。主轴中心高度,其加高值应能使床身上最大回转直径按GB1582提高一或二级。机床在加高的基础1:还可具备为加工大规格盘形零件的马鞍结构,派生出加高的轻型马鞍车床。机床精度应符合GB4020的规定。机床为JB/Z276规定的V级精度机床3
4.2.5长轴车床
JB/T6085—92
机床适用于船舶、军工、纺织等行业加工长轴类零件,特别是工件长度大于机床最大回转直径8倍的长轴类零件。
机床除具备基型系列的性能特征外,还应具备下列性能特征:a.有较长的床身;
b.有支承长轴零件和便于加工的托架装置。机床精度应符合GB4020的规定。机床为JB/Z276规定的V级精度机床。根据用户特殊订货,可提供双刀架溜板等附件,4.2.6万能卡盘车床
机床适用于加工较大规格的盘、套类零件,特别适用丁加工体积大、重量轻的盘类零件。机床除无尾座、丝杠、且床身较短外,其他均与基型系列相同。机床精度应符合GB4020的规定。机床为JB/Z276规定的V级精度机床。4.3轻型
4.3.1轻型卧式车床
机床的型式如图2所示。
轻型卧式车床是轻型的基型系列。机床适用于军工、医疗、卫生、仪器仪表、工具、轻工、纺织等行业及生产实习教学、农机具制造维修和保养等部门,它显然体积小,重量轻,结构简单,但具有定的万能性。机床应具备下列性能特征:
a.有常用的米制螺纹车削功能;b.结构简单,操作方便,主轴转速级数及范围较少;C.整机重量较轻,动力参数相应较少。机床精度应符合GB4020的规定。机床为JB/Z276规定的V级精度机床。根据用户特殊订货,可提供下列扩大机床性能的特殊附件:a.
三爪自定心气动(气、液压)卡盘;b.
离心式卡盘;
数字显示装置;
d.内外圆磨头;
e.万能钻铣头。
4.3.2精密轻型卧式车床
机床适用于小批生产及维修部门加工较为精密的轴、套类等零件。机床除提高主传动系统和进给系统的精度外,其他均与基型系列相同。机床精度应符合GB4021的规定。机床为JB/Z276规定的IV级精度机床。4.3.3轻型马鞍车床
机床适用于较大规格的盘套和一般的轴类零件加工。机床除具备基型系列的性能特征外,还应具备为加工较大规格盘、套零件的马鞍结构。机床精度应符合GB4020标准的规定。机床为JB/Z276规定的V级精度机床。4.3.4多用车床
机床除适用于加工一般的轴、套、盘类零件外,还适用于具有平面、槽、孔等的中、小规格零件钻、铣、磨的加工。
机床除具备基型系列的性能特征外,还应具备下列性能特征:a.床鞍上有一可作纵、横向移动的工作台;b.有可在两个坐标分别回转的钻、铣动力头。机床精度应符合多用车床精度标准的规定。机床为JB/Z276规定的V级精度机床。4.3.5家用车床
机床适用于家庭作业的维修,用来加工精度要求不高的轴、套、盘类零件,还适用于具有平面、槽等中、小规格零件钻、铣的加工。4
JB/T608592
机床的结构简单,一般主变速箱是采用皮带轮变速,变速只有2~4级。机床没有进给箱和溜板箱,纵、横进给均为手动。有为钻、铣加工用的钻、铣头。机床精度应符合家用车床精度标准的规定。品种
机床的品种见表1。
家用车床
多用车床
轻型马鞍车床
密轻型卧式车床
轻型卧式车床
万能卡盘车床
长轴车床
轻型万能卧武车床
马鞍车床
精密万能卧式车床
万能卧式车床
轴车床
卡盘车床
高精度卧式车床
精密卧式车床
卧式车床
床身上最大国转直径
机床的参数见表2。
床身上最大回转直径
基型系列
最大工件长度
刀架上最大工件回转直径
顶尖间最大工件支承重量》
马鞍内最大工件回转直径>
花盘前马鞍有效长度≥
中轴通孔直径》
主轴锥孔
氏圆锥号
米制圆锥号
上轴端部代号
装刀基面至主轴中心距离
刀杆截面尺寸(高×宽)
尾座顶尖套锥孔莫氏圆锥号
主轴转速范围
主轴转速级数
同mm/r
纵向进给量范围
横向进给虽范围
加工.螺
纹范用
主电机功率
机床重量
最大工件长度
JB/T6085—92
250/280
普通型
350~750
125/140
12×12/16×16
45~3200
0.005~0.25
0.01~0.35
32~2500
0.75/0.85
普通型
40~2500
320/360
方能型
500~1500
160/180
20×20
16~2000
202000
推荐为纵
普通型
32~1600
400/450
万能型
750~400
200/225
25×20
向进给量的1/2或1/3
56~1/4
56~1/4
25~1600
JB/T608592
500/560
普通型
251600
万能型
750~5000
250/280
25×20
10~1600
56~1/4
56~1/4
20~1250
22~3/8
方能型
80、100
32×25
方能型
100、120
11、15
40×32
方能型
50×40
方能型
50×40下载标准就来标准下载网
/0.04~5/0.05~60.05~6
28~3/8
b.5~1200.560
28~3/8
附加说明:
6085-92
本标准由全国金属切削机床标准化技术委员会提出。本标准出沈阳车床研究所归口并负责起草。本标准于1979年首次发布。
中华人民共和国
机械行业标准
卧式车床系列型谱
JB/T6085-92
机械电子工业部机械标准化研究所出版发行机械电子工业部机械标准化研究所印剧(北京8144信箱邮编100081)
版权专有
不得翻印
6印张3/4,字数14000
开本880×1230
1992年10月第一版1992年10月第一次印刷定价1.80元
印数0.001—500
编号0670
小提示:此标准内容仅展示完整标准里的部分截取内容,若需要完整标准请到上方自行免费下载完整标准文档。
JB,T6085--92
卧式车床
1992-05-16发布
系列型谱
1993-0101实施
中华人民共和国机械电子工业部发布
中华人民共和国机械行业标准
卧式车床
主题内容与适用范围
系列型谱
本标准规定了卧式车床的系列构成、用途、性能特征、品种和参数。JB/T608592
本标准适用于新设计的床身上最大回转直径250~1250mm。最大1.件长度至16000mm的卧式车2引用标准
GB1443
GB4020
GB4021
GB4133
GB5268
工具柄自锁圆锥的尺寸和公差
普通车床精度
精密车床精度
莫氏圆锥的强制传动型式及尺寸车床刀架装刀槽高度
机床法兰式主轴端部与花盘互换性尺寸GB5900.1~5900.3
GB/T1582
ZBJ53002
JB/Z276
3系列构成
卧式车床参数
高精度卧式车床
金属切削机床精度分级
机床的系列构成(见图1)
卧式车床
系列构成
机械电子工业部1992-05-16批准卧式车床
(普通型)
万能卧式车床
(万能型)
轻型卧式车床
(轻型)
精密卧式车床
高精度卧式车床
卡盘车床
轴车床
精密万能卧式车床
马鞍车床
轻型万能卧式车床
长轴车床
方能卡盘车床
精密轻型卧式车床
轻型马鞍车床
多用车床
家用车床
1993-01-01实施
4用途及性能
4.1普通型
4.1.1卧式车床
机床的型式如图2所示。
JB/T6085-92
卧式车床是普通型的基型系列。机床适用了大中型机械制造业,大批或成批生产车间·它具有较高的生产率和一定的使用性能,具有较好的刚度和抗振性,能适应先进刀具的高速切削租强力削,在安装门动化元件、附件后,可实现半白动切削机床应具备下列性能特征:
a.有常用的车削米制螺纹的功能;b。结构较简单,主轴转速级数较少:整机例性好,并有较大的动力参数c.
机床精度应符合GB4020的规定。机床为JB/Z276规定的V级精度机床根据用户特殊定货,可提供下列扩大机床性能的特殊附件:a.
仿形刀架(电气、液压)及其装置;旋风铣削头;
高效车削螺纹装置;
快换刀架;
后刀架;
三瓜白动定心气动(电动、液压)卡盘:离心式卡盘;
数字显示装置;
白动测量装置;
机动尾座(电气、液压)
弹贫夹头。弹簧胀胎(用于床身主最大回转占径250mm和280mm的机本)k.
端面的拨动顶尖。
4.1.2精密卧式车床
机床适用于工具、仪器仪表行业的生产车间及机碱制造的工具和维修车用以加工较为精密离维套、盘类等零件。机床除提高主传动系统及进给系统的精度外,其他均与基型系列相同。机床精度应符合GB4021的规定。机床为JB/Z276规定的IV级精度机床。4.1.3高精度卧式车床
机床适用于航空、电子、精密仪器仪表等制造业生产和维修及科研部门用以加高精度的轴套反盘类等零件
机床除具备基型系列是性能特征外,还应具有下列性能特往:有经细化了的主传动系统及进给运动系统a.
b.有与加工精度相匹配的测试和读数装置2
JB/T6085-92
机床精度应符合ZBJ53002的规定。机床为JB/Z276规定的IⅢI级精度机床。4.1.4卡盘车床
机床适用于盘套类零件的专门加工。机床除无尾座、丝杠且床身较短外,其他均与基础产品相同。机床精度应符合GB4020的规定。机床为JB/Z276规定的V级精度机床。4.1.5轴车床
机床适用于各种轴类零件的专门加工。机床除具备基型系列的性能特征外,还具有白动夹紧和自动顶紧工件的性能特征。用仿形刀架,还可进行多次工作循环。
机床精度应符合GB4020的规定。机床为JB/Z276规定的V级精度机床。4.2万能型
4.2.1万能卧式车床
机床的型式如图2所示,
万能卧式车床是万能型的基型系列。机床适用于一般机械制造业的单件、小批生产车间及其他行业的工具、机修、科研等部门,它具有广泛的万能性。当配置特殊附件后,可进一步扩大其工艺范围。机床应具有下列性能特征:
a.有车削米制、英制、模数与径节螺纹的功能;b.有较多级数的主轴转速和进给量:c.有足够的刚度与抗振性。
机床精度符合GB4020的规定。机床为JB/Z276规定的V级精度机床。根据用户特殊订货,可提供下列扩大机床性能的特殊附件:仿形刀架(电气、液压)及其装置;a.
旋风铣削头;
后刀架;
d.三爪自定心气动(电气、液压)卡盘;e.
离心式卡盘;
数字显示装置;
机动尾座(电气、液压);
内外圆磨头;
锥度尺;
j.大型中心架;
k.托滚装置(用于床身上最大回转直径大于或等于630mm的机床)1.端面拨动顶尖。
4.2.2精密万能卧式车床
机床适用于国防、军工、工具、仪器仪表、科研等单位的单件、小批生产及维修部门加工较为精密的零件。机床除提高主传动系统及进给系统的精度外,其余均与基型系列相同。精密万能卧式车床也可为独立的基型系列。
机床为JB/Z276规定的IV级精度机床,精度应符合GB4021的规定4.2.3马鞍车床
机床适用于加工一般零件及较大的盘形零件。机床除具备基型系列的性能特征外,还应具备为加工较大盘形零件的马鞍结构。机床精度应符合GB4020的规定。机床为JB/Z276规定的V级精度机床。4.2.4轻型万能卧式车床
机床适用于加工重量轻、回转直径较大的零件。机床除加高主轴高度外,其他与基型系列相同。主轴中心高度,其加高值应能使床身上最大回转直径按GB1582提高一或二级。机床在加高的基础1:还可具备为加工大规格盘形零件的马鞍结构,派生出加高的轻型马鞍车床。机床精度应符合GB4020的规定。机床为JB/Z276规定的V级精度机床3
4.2.5长轴车床
JB/T6085—92
机床适用于船舶、军工、纺织等行业加工长轴类零件,特别是工件长度大于机床最大回转直径8倍的长轴类零件。
机床除具备基型系列的性能特征外,还应具备下列性能特征:a.有较长的床身;
b.有支承长轴零件和便于加工的托架装置。机床精度应符合GB4020的规定。机床为JB/Z276规定的V级精度机床。根据用户特殊订货,可提供双刀架溜板等附件,4.2.6万能卡盘车床
机床适用于加工较大规格的盘、套类零件,特别适用丁加工体积大、重量轻的盘类零件。机床除无尾座、丝杠、且床身较短外,其他均与基型系列相同。机床精度应符合GB4020的规定。机床为JB/Z276规定的V级精度机床。4.3轻型
4.3.1轻型卧式车床
机床的型式如图2所示。
轻型卧式车床是轻型的基型系列。机床适用于军工、医疗、卫生、仪器仪表、工具、轻工、纺织等行业及生产实习教学、农机具制造维修和保养等部门,它显然体积小,重量轻,结构简单,但具有定的万能性。机床应具备下列性能特征:
a.有常用的米制螺纹车削功能;b.结构简单,操作方便,主轴转速级数及范围较少;C.整机重量较轻,动力参数相应较少。机床精度应符合GB4020的规定。机床为JB/Z276规定的V级精度机床。根据用户特殊订货,可提供下列扩大机床性能的特殊附件:a.
三爪自定心气动(气、液压)卡盘;b.
离心式卡盘;
数字显示装置;
d.内外圆磨头;
e.万能钻铣头。
4.3.2精密轻型卧式车床
机床适用于小批生产及维修部门加工较为精密的轴、套类等零件。机床除提高主传动系统和进给系统的精度外,其他均与基型系列相同。机床精度应符合GB4021的规定。机床为JB/Z276规定的IV级精度机床。4.3.3轻型马鞍车床
机床适用于较大规格的盘套和一般的轴类零件加工。机床除具备基型系列的性能特征外,还应具备为加工较大规格盘、套零件的马鞍结构。机床精度应符合GB4020标准的规定。机床为JB/Z276规定的V级精度机床。4.3.4多用车床
机床除适用于加工一般的轴、套、盘类零件外,还适用于具有平面、槽、孔等的中、小规格零件钻、铣、磨的加工。
机床除具备基型系列的性能特征外,还应具备下列性能特征:a.床鞍上有一可作纵、横向移动的工作台;b.有可在两个坐标分别回转的钻、铣动力头。机床精度应符合多用车床精度标准的规定。机床为JB/Z276规定的V级精度机床。4.3.5家用车床
机床适用于家庭作业的维修,用来加工精度要求不高的轴、套、盘类零件,还适用于具有平面、槽等中、小规格零件钻、铣的加工。4
JB/T608592
机床的结构简单,一般主变速箱是采用皮带轮变速,变速只有2~4级。机床没有进给箱和溜板箱,纵、横进给均为手动。有为钻、铣加工用的钻、铣头。机床精度应符合家用车床精度标准的规定。品种
机床的品种见表1。
家用车床
多用车床
轻型马鞍车床
密轻型卧式车床
轻型卧式车床
万能卡盘车床
长轴车床
轻型万能卧武车床
马鞍车床
精密万能卧式车床
万能卧式车床
轴车床
卡盘车床
高精度卧式车床
精密卧式车床
卧式车床
床身上最大国转直径
机床的参数见表2。
床身上最大回转直径
基型系列
最大工件长度
刀架上最大工件回转直径
顶尖间最大工件支承重量》
马鞍内最大工件回转直径>
花盘前马鞍有效长度≥
中轴通孔直径》
主轴锥孔
氏圆锥号
米制圆锥号
上轴端部代号
装刀基面至主轴中心距离
刀杆截面尺寸(高×宽)
尾座顶尖套锥孔莫氏圆锥号
主轴转速范围
主轴转速级数
同mm/r
纵向进给量范围
横向进给虽范围
加工.螺
纹范用
主电机功率
机床重量
最大工件长度
JB/T6085—92
250/280
普通型
350~750
125/140
12×12/16×16
45~3200
0.005~0.25
0.01~0.35
32~2500
0.75/0.85
普通型
40~2500
320/360
方能型
500~1500
160/180
20×20
16~2000
202000
推荐为纵
普通型
32~1600
400/450
万能型
750~400
200/225
25×20
向进给量的1/2或1/3
56~1/4
56~1/4
25~1600
JB/T608592
500/560
普通型
251600
万能型
750~5000
250/280
25×20
10~1600
56~1/4
56~1/4
20~1250
22~3/8
方能型
80、100
32×25
方能型
100、120
11、15
40×32
方能型
50×40
方能型
50×40下载标准就来标准下载网
/0.04~5/0.05~60.05~6
28~3/8
b.5~1200.560
28~3/8
附加说明:
6085-92
本标准由全国金属切削机床标准化技术委员会提出。本标准出沈阳车床研究所归口并负责起草。本标准于1979年首次发布。
中华人民共和国
机械行业标准
卧式车床系列型谱
JB/T6085-92
机械电子工业部机械标准化研究所出版发行机械电子工业部机械标准化研究所印剧(北京8144信箱邮编100081)
版权专有
不得翻印
6印张3/4,字数14000
开本880×1230
1992年10月第一版1992年10月第一次印刷定价1.80元
印数0.001—500
编号0670
小提示:此标准内容仅展示完整标准里的部分截取内容,若需要完整标准请到上方自行免费下载完整标准文档。
标准图片预览:





- 其它标准
- 热门标准
- 机械行业标准(JB)
- JB/T7940.4-1995 压配式压注油杯
- JB/T7940.3-1995 旋盖式油杯
- JB/T7893.1-1999 立式振动离心机
- JB/T7987-1999 普通磨料 微晶刚玉
- JB/T7899-1999 填充聚四氟乙烯软带导轨 技术条件
- JB/T1648-1999 湿式多片电磁离合器
- JB/T7938-1999 液压泵站油箱公称容量系列
- JB/T7850-1995 手夹快换接头
- JB/T7948.3-1999 熔炼焊剂化学分析方法 高锰酸盐光度法测定氧化锰量
- JB/T8009.4-1999 机床夹具零件及部件 弧形压块
- JB/T7952-1995 空气净化器
- JB/T1625-2002 工业锅炉焊接管孔
- JB/T7939-1999 单活塞杆液压缸两腔面积比
- JB/T7941.2-1995 旋入式圆形油杯
- JB/T7936-1999 直廓环面蜗杆减速器
- 行业新闻
请牢记:“bzxz.net”即是“标准下载”四个汉字汉语拼音首字母与国际顶级域名“.net”的组合。 ©2025 标准下载网 www.bzxz.net 本站邮件:bzxznet@163.com
网站备案号:湘ICP备2025141790号-2
网站备案号:湘ICP备2025141790号-2