- 您的位置:
- 标准下载网 >>
- 标准分类 >>
- 国家标准(GB) >>
- GB/T 6093-1985 量块
标准号:
GB/T 6093-1985
标准名称:
量块
标准类别:
国家标准(GB)
标准状态:
已作废-
实施日期:
1986-05-01 -
作废日期:
2002-03-01 出版语种:
简体中文下载格式:
.rar.pdf下载大小:
237.03 KB
替代情况:
被GB/T 6093-2001代替采标情况:
ISO 3650-1978 NEQ
相关标签:
量块
部分标准内容:
1引言
中华人民共和国国家标准
Gauge blocks
1.1本标准适用于标称长度从0.5mm到1000mm的钢制长方体量块。1.2本标准参照采用国际标准ISO3650--1978《量块》。2术语及定义
量块的名词(见图1)。
上测世面免费标准bzxz.net
下测量面
上测面
葡宽度
下测盘面
2.2量块
一对相互平行测量面间具有精确尺寸,且其截面为矩形的长度测量工具。UDC 621.753.3
GB 609385
2.3量块长度
量块一个测量面上的一点至与此量块另一测量面相研合的辅助体表面之间的垂直距离,定为量块长度。这时,量块应不受使其长度和形状发生变化的外加机械力作用。辅助体表面的质量和材质应与量块相同。
2.4量块任意点长度
国家标准局1985-06-06发布
1986-05-01实施
GB 6093—85
量块一个测量面上任意一点(不包括距测量面边缘为0.5mm的区域)的量块长度,定为量块的任意点长度。如图2所示的Li。
2.5量块中心长度
量块一个测量面上中心点的量块长度,定为量块的中心长度。如图2所示的L。2.6平面度
刚好包容一测量面的两个相互平行平面之间的最小距离。2.7长度变动量
量块测量面上最大量块长度和最小量块长度之差(见图3)。长
2.8研合性
量块的一个测量面与另一量块的测量面或与另一经精密加工的类似的平面,通过分子吸力的作用而粘合的性能。
3测量基准
3.1长度单位米的定义为:
光在真空中,在1/299792458s时间间隔内行程的长度,称为一米(1983年10月十七届国际计量大会通过)。
3.2作为长度基准的最高级量块
作为长度基准的最高级量块,其中心长度应使用光波干涉法测量。3.3标准温度
量块标称长度适用于标准温度20℃。GB 6093—85
3.4标称长度100mm和100mm以上量块的安装位置.标称长度至100mm量块长度,以垂直位置的量块长度表示,即测量面是水平的。标称长度超过100mm的量块长度,以水平位置的量块长度表示,此时,量块在无附加应力的情况下,用两个合适的支点支承在其中个窄侧面上。
型式和尺寸
成套量块组合尺寸,应符合表1的规定。表1
总块数
00,0,1
00,0,1,
2,(3)
尺寸系列mm
1.001.1.002,.1.009
1.01, 1.02..1.49
1,5, 1.6***1.9
2.0, 2.5.....9.5
10, 20*·..100
1.01, 1.02...1.49
1.5, 1.6....1.9
2.0, 2.....9.5
10, 20.....100
1.001, 1.002..1.009
总块数
0,1,2, (3)
00,0,1
GB 6093--85
续表1
尺寸系列mm
1.01, 1.02...1.09
1.1, 1.2.....1.9
10, 20....100
1.01, 1.02....09
1.1, 1.2....1.9
10, 20.....100
0.991, 0.992....1
1, 1.00...009
1.991, 1.992..... 2
2,2.001,2.002·2.089
00.0.1,2,(3)125,150,175,200,250,300,400,50000,0,1,2,(3)
600,700,800,900,1000
2.5,5.1,7.7,10.3,12.9,15,17.6,20.2,22.8,25
27.5,30.1,32.7,35.3,37.9,40,42.6,45.2,47.8,50
总块数
GB6093—85
续表1
尺寸系列mm
52.5, 55.1, 57.7, 60.3, 62.9, 65, 67.6,70.2,72.8,75
77.5, 80.1, 82.7,85.3, 87.9, 90, 92.6,95.2,97.8,100
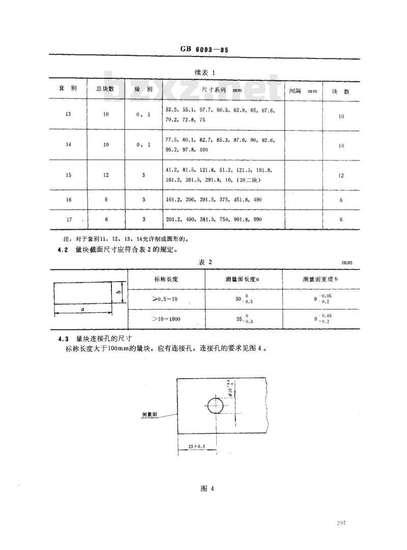
41.2,81.5,121.8,51.2,121.5,191.8,101.2,201.5,291.8,10,(20二块)101.2,200,291.5,375,451.8,490201.2, 400,581.5, 750,901.8,990注:对于套别11,12,13,14允许制成圆形的。4.2量块截面尺寸应符合表2的规定。表2
标称长度
>0.5~10
>10~1000
4.3量块连接孔的尺寸
测量面长度α
标称长度大于100mm的量块,应有连接孔,连接孔的要求见图4。
测斑面
测量面宽度6
9- 8:
GB6093—85
4.4标称长度大于100mm的量块,应有量块的支承标记。在距两端面为0.211L处用支点支承,其支承标记的要求如图5所示(图中L为量块长度)。0.2111.
5技术要求
支承标记
5.1外观
在测量面上不得有影响量块使用的缺陷,在不影响研合质量和尺寸精度的情况下,允许有无毛刺的精研痕迹。
5.2量块的精度等级和偏差
量块长度的极限偏差和长度变动量应符合表3的规定。表3
标称长度
量块长
度的极
限偏差
600700
变动量
充许值
900|1000
量块长
度的极
限偏差
量块长
变动量
度的极
允许值
往:①根据特殊订货要求,对00级、限偏差
变动量
允许值
量块长
度的极
限偏差
变动量
充许值
(3)级
量块长
度的极
限偏差
充允许值
可以供给成套量块中心长度的实测值。0级和K级量块,
②)带()的等级,根据订货供应。③表中所列偏差为保证值。
④距离测量面边缘0.5mm范围内不计。298
校准级K
量块长
度的极
限偏差
变动量
允许值
量块的热膨胀系数
GB 6093--85
量块的热膨胀系数在10~30℃范围内,应为(11.5±1.0)μm/(m.C)5.4量块尺寸的稳定性
量块尺寸的稳定性,其要求应符合表4的规定。表4
精度级别
00,0,K
1,2,(3)
式中L为量块标称长度,以m计。5.5量块测量面硬度
量块测量面硬度应不低于HV800(~HRC63)。5.6量块表面粗糙度
每年长度的最大允许变化
± (0.02 +0.5L) μm
±(0.05+1L)μm
量块各表面的粗糙度应不大于表5的规定(按GB1031--83《表面粗糙度表5
测量面
0,K级
侧面与测量面之间倒棱
其他表面
5.7量块测量面的平面度
参数及其数值》。
1,2,(3)级
5.7.1长度小于等于2.5mm的量块,应与厚度不小于11mm的辅助体刚性平面研合后进行测试,测量面的平面度应不大于表6规定。
标称长度mm
平面度
GB 6093-85
量块在自由状态下的平面度应不大于表7的规定。表7
标称尺寸
5.8量块的研合性
00、0、K级量块,当与一级平晶研合,在白光下观察时,应无光斑。1、2级量块,当与-级半晶研合,在白光下观察时,应无光波涉带,但可有白色光斑。(3)级量块,当与二级平晶研合,在白光下观察时,允许有黄色光斑,但应无光波十涉带。5.9量块的侧面要求
量块侧面间应相互垂直,侧面间的垂直度不大于10°。量块侧面和测量面的垂直度,侧面平面度和两侧面平行度,应不大于表8的规定。表8
标称长度mm
5.10量块的倒棱
垂直度μm
平面度μm
平行度um
量块所有测量面的棱边,应有不大于0.3mm的倒棱或半径不大于0.3mm的倒圆,倒棱和测量面之间应光滑地倒圆。
标志和包装
量块上应清晰地标志:
a.标称尺寸;
制造广广名或商标;
00,0,K级应标志序号。
注:①标称长度小于6mm的量块,可在测量面上标志,但在测量面中心9×12mm2区域内应无任何标志。300
GB6093
②标称长度小于6mm的量块,可以不标志制造厂)“名或商标。量块的包装盒上应标志:
商标;
产品名称,
成套量块编号,
精度级别,
标准温。
盒内放置量块的槽上应标志量块的标称尺寸。量块在包装前应经防锈处理并妥善包装。保证在运输过程中不得损坏产品。6.3
量块应有产品合格证书,产品合格证书上应有成套量块编号,本标准号,精度级别,出!口期。301
GB 6093 ---85
附录A
偏差的计算公式
(参考件)
表3规定的任意点对标称长度的允许偏差值按表A1的公式计算。表A1
任意点对标称长度的偏差计算公式±(0.05+1L)μm
±(0.10+2L)μm
± (0.20+ 4L)μm
±(0.40+81)μm
+(0.80+16L)μm
表L是指量块标称长度分段中的最大标称长度,以m计算。A.2
表3规定的长度变动量允许偏差值按表A2中公式计算。表A2
2、(3)
长度变动基的允许偏差计算公式(0.05 +0.2L) μm
(0.10+0.3L)μm
(0.16+0.45L)μm
(0.30 +0.7L) μm
表中L是指量块标称长度分段中的最大标称长度,以m计算。A.3表3中计算所得的允许偏差值的圆整规则按表A3。表A3
偏差值
B.1光波干涉测量法
GB 6093-85
附录B
长度测量条件
(参考件)
B.1.1量块长度L在量块测量面的中心测量。B,1.2与量块测量面相研合的辅助体平面,必须与量块的测量面为同样的表面质量和材质。该辅助体厚度至少为11mm,并且在直径40mm的整个范围内,,半面度不超过0.025um,中1间不得有下凹现象。B.1.3用光波十涉法测量量块长度时的标准条件应为:温度20℃,气压101.325kPa,绝对湿度10mmg高,与量块相研合的辅助体表面材料和表面质量与量块测量面相同。如果偏离这个标准条件,应对测量结果进行必要的修正。例如:
温度,气压和湿度对空气中波长的影响。一温度,‘压、光学位相差,表面粗糙度,研合膜厚度,对长度的影响。B.1.4十涉法测量的报告,应说明测量时量块两个测量面中哪个面与刚体平面研合,假如没有说明,下测量面应为测量基准面。B.2比较测量法
B.2.1用比较法测量时,通常需要使用带有机械测头的测量装置。此测头与标准量块和被测氧块两测量面依次接触。
B,2.2采用比较法测量时,其标准量块精度应高于被测量块。假如标准量块和被测量块用同样的材料制成,则采用比较法测量可得到更为精确的测量结果。B.2.3当用接触比较法测量时,需考虑不同材质、不同热膨胀系数对量块长度的影响。对量块的标称长度小于1.5mm的,还需考虑到测量装置所施加的测量力对量块长度的影响。B.3材料稳定性的测定
材料的尺寸稳定性,应在一定周期内通过检验样品来测定。在该期限内,样品的温度应保持在10~30℃范围内,并应避免其他各种力的影响,如震动、冲击、磁场等。测试的周期应足够长,以便能把长度的变化同长度测量的误差区别开来。附加说明:
本标准由华人民共和国机械工业部提出,由机械二业部成都工具研究所归口。本标准山机械「业部成都工以研究所、哈尔滨量具刃具」、成都量刃具」、中用计鼠科学研究院等单位负贡起草。
本标准主要起草人童永华、王承钢、范清、武先根、周映东。393
小提示:此标准内容仅展示完整标准里的部分截取内容,若需要完整标准请到上方自行免费下载完整标准文档。
中华人民共和国国家标准
Gauge blocks
1.1本标准适用于标称长度从0.5mm到1000mm的钢制长方体量块。1.2本标准参照采用国际标准ISO3650--1978《量块》。2术语及定义
量块的名词(见图1)。
上测世面免费标准bzxz.net
下测量面
上测面
葡宽度
下测盘面
2.2量块
一对相互平行测量面间具有精确尺寸,且其截面为矩形的长度测量工具。UDC 621.753.3
GB 609385
2.3量块长度
量块一个测量面上的一点至与此量块另一测量面相研合的辅助体表面之间的垂直距离,定为量块长度。这时,量块应不受使其长度和形状发生变化的外加机械力作用。辅助体表面的质量和材质应与量块相同。
2.4量块任意点长度
国家标准局1985-06-06发布
1986-05-01实施
GB 6093—85
量块一个测量面上任意一点(不包括距测量面边缘为0.5mm的区域)的量块长度,定为量块的任意点长度。如图2所示的Li。
2.5量块中心长度
量块一个测量面上中心点的量块长度,定为量块的中心长度。如图2所示的L。2.6平面度
刚好包容一测量面的两个相互平行平面之间的最小距离。2.7长度变动量
量块测量面上最大量块长度和最小量块长度之差(见图3)。长
2.8研合性
量块的一个测量面与另一量块的测量面或与另一经精密加工的类似的平面,通过分子吸力的作用而粘合的性能。
3测量基准
3.1长度单位米的定义为:
光在真空中,在1/299792458s时间间隔内行程的长度,称为一米(1983年10月十七届国际计量大会通过)。
3.2作为长度基准的最高级量块
作为长度基准的最高级量块,其中心长度应使用光波干涉法测量。3.3标准温度
量块标称长度适用于标准温度20℃。GB 6093—85
3.4标称长度100mm和100mm以上量块的安装位置.标称长度至100mm量块长度,以垂直位置的量块长度表示,即测量面是水平的。标称长度超过100mm的量块长度,以水平位置的量块长度表示,此时,量块在无附加应力的情况下,用两个合适的支点支承在其中个窄侧面上。
型式和尺寸
成套量块组合尺寸,应符合表1的规定。表1
总块数
00,0,1
00,0,1,
2,(3)
尺寸系列mm
1.001.1.002,.1.009
1.01, 1.02..1.49
1,5, 1.6***1.9
2.0, 2.5.....9.5
10, 20*·..100
1.01, 1.02...1.49
1.5, 1.6....1.9
2.0, 2.....9.5
10, 20.....100
1.001, 1.002..1.009
总块数
0,1,2, (3)
00,0,1
GB 6093--85
续表1
尺寸系列mm
1.01, 1.02...1.09
1.1, 1.2.....1.9
10, 20....100
1.01, 1.02....09
1.1, 1.2....1.9
10, 20.....100
0.991, 0.992....1
1, 1.00...009
1.991, 1.992..... 2
2,2.001,2.002·2.089
00.0.1,2,(3)125,150,175,200,250,300,400,50000,0,1,2,(3)
600,700,800,900,1000
2.5,5.1,7.7,10.3,12.9,15,17.6,20.2,22.8,25
27.5,30.1,32.7,35.3,37.9,40,42.6,45.2,47.8,50
总块数
GB6093—85
续表1
尺寸系列mm
52.5, 55.1, 57.7, 60.3, 62.9, 65, 67.6,70.2,72.8,75
77.5, 80.1, 82.7,85.3, 87.9, 90, 92.6,95.2,97.8,100
41.2,81.5,121.8,51.2,121.5,191.8,101.2,201.5,291.8,10,(20二块)101.2,200,291.5,375,451.8,490201.2, 400,581.5, 750,901.8,990注:对于套别11,12,13,14允许制成圆形的。4.2量块截面尺寸应符合表2的规定。表2
标称长度
>0.5~10
>10~1000
4.3量块连接孔的尺寸
测量面长度α
标称长度大于100mm的量块,应有连接孔,连接孔的要求见图4。
测斑面
测量面宽度6
9- 8:
GB6093—85
4.4标称长度大于100mm的量块,应有量块的支承标记。在距两端面为0.211L处用支点支承,其支承标记的要求如图5所示(图中L为量块长度)。0.2111.
5技术要求
支承标记
5.1外观
在测量面上不得有影响量块使用的缺陷,在不影响研合质量和尺寸精度的情况下,允许有无毛刺的精研痕迹。
5.2量块的精度等级和偏差
量块长度的极限偏差和长度变动量应符合表3的规定。表3
标称长度
量块长
度的极
限偏差
600700
变动量
充许值
900|1000
量块长
度的极
限偏差
量块长
变动量
度的极
允许值
往:①根据特殊订货要求,对00级、限偏差
变动量
允许值
量块长
度的极
限偏差
变动量
充许值
(3)级
量块长
度的极
限偏差
充允许值
可以供给成套量块中心长度的实测值。0级和K级量块,
②)带()的等级,根据订货供应。③表中所列偏差为保证值。
④距离测量面边缘0.5mm范围内不计。298
校准级K
量块长
度的极
限偏差
变动量
允许值
量块的热膨胀系数
GB 6093--85
量块的热膨胀系数在10~30℃范围内,应为(11.5±1.0)μm/(m.C)5.4量块尺寸的稳定性
量块尺寸的稳定性,其要求应符合表4的规定。表4
精度级别
00,0,K
1,2,(3)
式中L为量块标称长度,以m计。5.5量块测量面硬度
量块测量面硬度应不低于HV800(~HRC63)。5.6量块表面粗糙度
每年长度的最大允许变化
± (0.02 +0.5L) μm
±(0.05+1L)μm
量块各表面的粗糙度应不大于表5的规定(按GB1031--83《表面粗糙度表5
测量面
0,K级
侧面与测量面之间倒棱
其他表面
5.7量块测量面的平面度
参数及其数值》。
1,2,(3)级
5.7.1长度小于等于2.5mm的量块,应与厚度不小于11mm的辅助体刚性平面研合后进行测试,测量面的平面度应不大于表6规定。
标称长度mm
平面度
GB 6093-85
量块在自由状态下的平面度应不大于表7的规定。表7
标称尺寸
5.8量块的研合性
00、0、K级量块,当与一级平晶研合,在白光下观察时,应无光斑。1、2级量块,当与-级半晶研合,在白光下观察时,应无光波涉带,但可有白色光斑。(3)级量块,当与二级平晶研合,在白光下观察时,允许有黄色光斑,但应无光波十涉带。5.9量块的侧面要求
量块侧面间应相互垂直,侧面间的垂直度不大于10°。量块侧面和测量面的垂直度,侧面平面度和两侧面平行度,应不大于表8的规定。表8
标称长度mm
5.10量块的倒棱
垂直度μm
平面度μm
平行度um
量块所有测量面的棱边,应有不大于0.3mm的倒棱或半径不大于0.3mm的倒圆,倒棱和测量面之间应光滑地倒圆。
标志和包装
量块上应清晰地标志:
a.标称尺寸;
制造广广名或商标;
00,0,K级应标志序号。
注:①标称长度小于6mm的量块,可在测量面上标志,但在测量面中心9×12mm2区域内应无任何标志。300
GB6093
②标称长度小于6mm的量块,可以不标志制造厂)“名或商标。量块的包装盒上应标志:
商标;
产品名称,
成套量块编号,
精度级别,
标准温。
盒内放置量块的槽上应标志量块的标称尺寸。量块在包装前应经防锈处理并妥善包装。保证在运输过程中不得损坏产品。6.3
量块应有产品合格证书,产品合格证书上应有成套量块编号,本标准号,精度级别,出!口期。301
GB 6093 ---85
附录A
偏差的计算公式
(参考件)
表3规定的任意点对标称长度的允许偏差值按表A1的公式计算。表A1
任意点对标称长度的偏差计算公式±(0.05+1L)μm
±(0.10+2L)μm
± (0.20+ 4L)μm
±(0.40+81)μm
+(0.80+16L)μm
表L是指量块标称长度分段中的最大标称长度,以m计算。A.2
表3规定的长度变动量允许偏差值按表A2中公式计算。表A2
2、(3)
长度变动基的允许偏差计算公式(0.05 +0.2L) μm
(0.10+0.3L)μm
(0.16+0.45L)μm
(0.30 +0.7L) μm
表中L是指量块标称长度分段中的最大标称长度,以m计算。A.3表3中计算所得的允许偏差值的圆整规则按表A3。表A3
偏差值
B.1光波干涉测量法
GB 6093-85
附录B
长度测量条件
(参考件)
B.1.1量块长度L在量块测量面的中心测量。B,1.2与量块测量面相研合的辅助体平面,必须与量块的测量面为同样的表面质量和材质。该辅助体厚度至少为11mm,并且在直径40mm的整个范围内,,半面度不超过0.025um,中1间不得有下凹现象。B.1.3用光波十涉法测量量块长度时的标准条件应为:温度20℃,气压101.325kPa,绝对湿度10mmg高,与量块相研合的辅助体表面材料和表面质量与量块测量面相同。如果偏离这个标准条件,应对测量结果进行必要的修正。例如:
温度,气压和湿度对空气中波长的影响。一温度,‘压、光学位相差,表面粗糙度,研合膜厚度,对长度的影响。B.1.4十涉法测量的报告,应说明测量时量块两个测量面中哪个面与刚体平面研合,假如没有说明,下测量面应为测量基准面。B.2比较测量法
B.2.1用比较法测量时,通常需要使用带有机械测头的测量装置。此测头与标准量块和被测氧块两测量面依次接触。
B,2.2采用比较法测量时,其标准量块精度应高于被测量块。假如标准量块和被测量块用同样的材料制成,则采用比较法测量可得到更为精确的测量结果。B.2.3当用接触比较法测量时,需考虑不同材质、不同热膨胀系数对量块长度的影响。对量块的标称长度小于1.5mm的,还需考虑到测量装置所施加的测量力对量块长度的影响。B.3材料稳定性的测定
材料的尺寸稳定性,应在一定周期内通过检验样品来测定。在该期限内,样品的温度应保持在10~30℃范围内,并应避免其他各种力的影响,如震动、冲击、磁场等。测试的周期应足够长,以便能把长度的变化同长度测量的误差区别开来。附加说明:
本标准由华人民共和国机械工业部提出,由机械二业部成都工具研究所归口。本标准山机械「业部成都工以研究所、哈尔滨量具刃具」、成都量刃具」、中用计鼠科学研究院等单位负贡起草。
本标准主要起草人童永华、王承钢、范清、武先根、周映东。393
小提示:此标准内容仅展示完整标准里的部分截取内容,若需要完整标准请到上方自行免费下载完整标准文档。
标准图片预览:





- 其它标准
- 上一篇: GB/T 5224-1995 预应力混凝土用钢绞线
- 下一篇: GB/T 550-1984 铸钢锚链
- 热门标准
- 国家标准(GB)
- GB/T30917—2014 /ISo 29941:2010 天然胶乳橡胶避孕套中可迁移亚硝胺的测定
- GB/T12777-1999 金属波纹管膨胀节通用技术条件
- GB/T29633.4-2020 南极地名 第4部分:罗马字母拼写
- GB15193.5-2003 骨髓细胞微核试验
- GB/T43225-2023 空间物体登记要求
- GB4706.3-1986 家用和类似用途电器的安全食物搅碎器及类似用途电器的特殊要求
- GB15985-1995 丝虫病诊断标准及处理原则
- GB19159-2003 车用液化石油气
- GB/T7407-1997 中国及世界主要海运贸易港口代码
- GB1913.2-1990 漂白浸渍绝缘纸
- GB/T15425-1994 贸易单128条码
- GB14287.4-2014 电气火灾监控系统 第4部分:故障电弧探测器
- GB5237.3-2008 铝合金建筑型材 第3部分:电泳涂漆型材
- GB/T39964-2021 造纸行业能源管理体系实施指南
- GB/T9771.6-2020 通信用单模光纤 第6部分:宽波长段 光传输用非零色散单模光纤特性
- 行业新闻
请牢记:“bzxz.net”即是“标准下载”四个汉字汉语拼音首字母与国际顶级域名“.net”的组合。 ©2025 标准下载网 www.bzxz.net 本站邮件:bzxznet@163.com
网站备案号:湘ICP备2025141790号-2
网站备案号:湘ICP备2025141790号-2