- 您的位置:
- 标准下载网 >>
- 标准分类 >>
- 国家标准(GB) >>
- GB/T 5213-1985 深冲压用冷轧薄钢板和钢带
标准号:
GB/T 5213-1985
标准名称:
深冲压用冷轧薄钢板和钢带
标准类别:
国家标准(GB)
标准状态:
已作废-
实施日期:
1986-06-01 -
作废日期:
2002-05-01 出版语种:
简体中文下载格式:
.rar.pdf下载大小:
228.08 KB
替代情况:
被GB/T 5213-2001代替
部分标准内容:
中华人民共和国国家标准
深冲压用冷轧薄钢板和钢带
Cold rotled sheets and strips for deep drawimgUDC 689.14-416
*前21, 50
GB $212--*5
本标准适用汽车、拖拉机等工业深冲复杂拉延零件用的低碳优质冷轧薄钢板和钢带。1分类、代号
1.1钢板和钢带按表面质盐分为三组:特别高级的精整衣面
高级的精整表面
较高的精整表面
1.室钢板和钢带按拉延级别分为三级:用于冲制批延晟复杂的零
用干冲制拉延很复杂的零件
用子冲别拉延复杂的零件
2尺寸、外形、量量
表. 1尺寸及允许偏差
2.1.1钢板的厚度、宽度。长度和钢带的厚度。宽度应符合GB7065《轧制薄钢板品种》表11规定。
经供需双力协议,也可供应非标准规格的钢板和钢带。2.1.2成卷供货的钢带内径应在合同中1注明。2.1.3厚度允许偏差
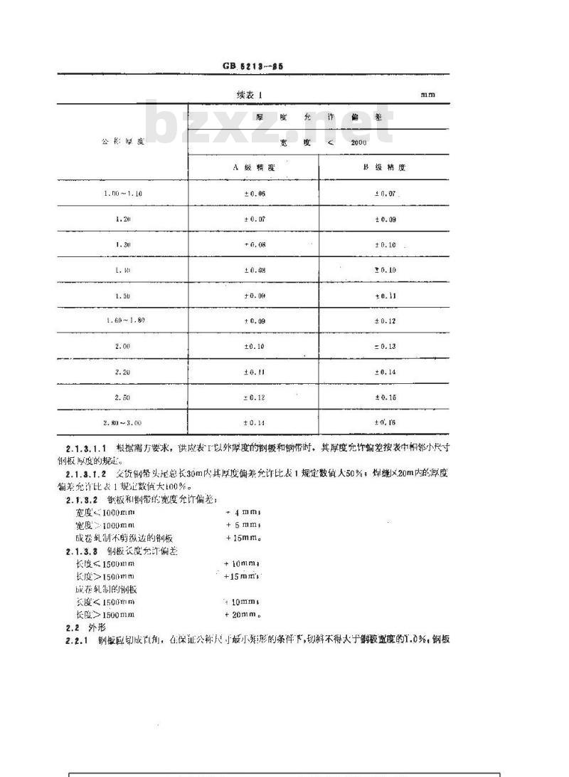
2.1.3.1钢板和钢带的厚度允许偏差应符合表1的规定。表1
公称踪理
A级精度
0. 55 ~ 0. 60
0. 70 ~ 0. 75
0, 80 - 0. 50
国家标准局1鲁8 5 -心7 - T 8 发布+ 0. 03
级精度
7鲁88-0表-01实施
公厚息
1.60 ~1.80
2, 001免费标准bzxz.net
2. 80 - 3. 00
GB.6218--85
续表1
A级精度
B级稍度
2.1.3.1.1根据需方要求,供垃表1以外厚度的钢板和钢带时,其厚度充价篇差按表中相邻小尺寸钢板厚度的规起,
2.1.8.1.2交货钢带头起总长30m内其厚度偏允许比表1规定数值大50%,焊续×.20m内的厚度偏差充许比表1规定数值大0%。
2.1.3.2钢板和钢带的宽度允许偏差:充度1000mm
宽度1000mm
成卷乳制不剪纵达的钢板
2.1.3.3钢板长度允许偏差
长度≤1500mm
长度≥150mt)
成准乳制的钢板
长度<1500tm
长度>1500mm
+ 4 mmt
+ 5 mm,
+ 10mm,
2.2 外形
2.2.1钢板应划成角,在保证公称尺最小短形的条件下,切斜不得大于钢被谢度的1.0%,钢板和钢带的镶刀弯应不大于长度的0,3%。2.2,2不平度
GB 5213—85
宽度不人丁1000mm钢板和钢带每米不平度应符合如下规定:1组表面
Ⅱ组表面
Ⅲ组表面
. 6 mm,
对于宽度大丁1000mm钢板和钢带的不平度山供需双方协议规定。2.2.3钢板和钢带停度向板差不得大于厚度公差之半。2.3 重量
钢板和钢带应按实际通量交货。2.4标记示例
例如:出牌号08A/谢成的、A级精度,钢板尺寸1.mm×750mm1×1500mm、表面质量1l组,拉延级别HF的标记:
钢板-08A1-1.0×750×1500-A-II-HF-GB 5213—85。技术要求
3.1牌号和化学成分
3.1.1钢的牌于和熔炼化学成分应符合表2的规定。表2
6. 0. 441
酸溶A!
0. 02 ~ 0. U7
s ti. 03G
8.1.2钢中残余路、镍利铜的含氧应分别不大于0.03%、0.1%和0.15%。当果用大冶生铁炼钢,钢门铜的含鼠大于0.15~0.30%时,出供需双方协商处理。客.1.成品钢板和钢带化学成分允许偏美应衍合GB222--84《钢的化学分析用试样取样法及成品:化学成分允充许偏差》中表1的规定。8.2交货状态
$.2.1钢板和钢带需经热处理和半整后交货。8.2.2钢板和钢带供应状漆的表面应为粗粒的或光必的。3.3力学性能
厚度不大于2mm钢板和钢带的力学性能应符合表3的规定。3.3.1
公称厚度
拉延级别
kg/mm(N/mm*)
天人于
21 (206)
22(216)
22 (216)
24(235)
kg?mm\(N/inm)
2 ~ 33 (265~ 324)
26 ~34 (25# ~ 394)
26 ~ 35 (255 ~'343 )
不小于
GB5213--85
厚度大于2mm的钢板和钢带力学性能指标由供需双方协议规定,8.3.2
3.3.3拉伸曲线应是滑的,不得有屈服半台(允许有不显著的折曲),当通过屈服点时,试样的表面不应产生滑移线。
3.4工艺性能
3.4.1冷弯试验
厚度大十2mn钢板和钢带应在冷状态\下作180\弯出试验,其弯心古径d0,弯曲处不得有裂纹、裂[和分层。
3.4.2杯突试验
厚度不大丁2Ⅱm的钢板利钢带应在交货状态下进行杯突试验,冲压深度应符合表4的规定。表4
公称厚度
高倍组织
不小于
晶粒度
GB 5213—85
钢板和钢带应在交货状态下进行晶粒度检验,检验结果应符合如下规定,ZF、HF级的晶粒度应符合YB 27-77《钢的品粒度測定祛法》的16、7、8级或以薄饼形晶粒交货。F级钢板晶粒度应符合YB27—77的6、7、8、9级或以薄饼形晶粒交货。允许有两个相邻级别范围内的混合晶粒。3.5.2游离渗碳体
游离渗炭体不得超过YB31—64 《钢的显微组织评定法》中的 2级。3.6表面质量
3.6.1钢板和钢带的表面不得有裂纹、一泡、结疤,黑膜、波纹、折线和外束的夹杂物。钢板不允许有分层。
被纹和折线缺陷供需双方可用样品加以明确。3.6.2钢板利钢带按其表面质分为三纽:I组表面:正面(表面质量较好的-面)不得有任何表面缺陷。反面允许有深度不大于厚度公差1/4 的轻微麻点和轻微划痕。Ⅱ组表面,正面允许有钢板利钢带厚度公差一半范围内的轻微麻点、划痕和轧辊压痕。反面允许有厚度公差范围内不大丁钢板和钢带厚度最小范围的下列缺陷:轻微的麻点,划痕和轧压痕。
边缘允许有从公称尺寸算起宽度不大于100mm的氧化色。亚组表面:止面允许有在钢板和钢带厚度公差一半范围内的轻微麻点,划痕及轧辑压痕。反面允许有在厚度公差范函内但不得使钢板和钢带厚度超出允许的最小范围的下列缺陷:轻微的麻点。划狼和轧银压痕。
边缘允许有从公称尺寸算起,宽度不大于150而m的氧化色。3.6.3交货的钢带,不符合上述规定的不正常部位,不得超过每卷总长度的10%。8.6.4不切边的钢带允许有深度不大于6 mm的边裂。3.6.5钢板和钢带在到货后6个月内保证在冲压时不得出现滑移线,当冲制零件的表前上出现滑移线和折线(即起的线或凸起的条)时,钢板应予以报废。经双力协商可以适当延长保证期。试验方法
4.1钢板和钢带的厚度用于分尺测量。宽度、长度、不半度应用样板或其他测量工具测鱼。4.2钢板利钢带的外观用肉眼检会。4.8每批钢材的试验项日、试样数量、取样方法和试验方法应符合表5规定。表5
试验项目
化学分析
龄离碳体
试样个数
(号)
社,薄饼形晶粒的评定方法,出供需双方协萨。取样打法
GB 222-- 84
GE 2975—82
GB 2975—82
试样宽度90nn
测个部位
试验方法
GH223现行标雅
YB35--78
GB228—76
GB282—82
YR 38—64
YB 27—77
YB31-B4
5检验规则
GB 521385
5.1钢板利钢带应按批验收,每批应出向一炉罐号、同一厚度、同-拉延级别、同一表面组别、同一炉次或同一热处理制度的钢板和钢带组成。5.2用1检验的钢板应从退火时置于下部的钢板包中抽出或从钢带上切取,并将这检验用的钢板切去宽40扭m的板边后,按下图所示剪取试样。取样部位示意图
试样1和2用拉力试验:3用于杯突试验(×为试验部位),4和5用于冷弯试验,6和7用于晶粒度、游离渗碳体捡验。
5.3复验
钢板和钢复验应符合GB24780《钢板和钢带验收、包装、标志和质证明节的--殿规定》的规定。
6包装、标志及质量证明书
6.1钢极和钢带的包装、标惠及质量证明书应符台GB247—80的规定。6.2标牌和证限书除应填叫GB247一80所规定的各项规定外,还应注明:表面红别,拉延级别和钢板及带的重基。
附加说明,
本标准中中华人民和国冶金工业部提出。本标准升鞍山钢钦公司负责起草。本标雄于要起草人乌连贵、土惠范。白本标准实施之日起,原冶金1业部部标准YB215一64《深冲压用冷轧游钢板》作废。
小提示:此标准内容仅展示完整标准里的部分截取内容,若需要完整标准请到上方自行免费下载完整标准文档。
深冲压用冷轧薄钢板和钢带
Cold rotled sheets and strips for deep drawimgUDC 689.14-416
*前21, 50
GB $212--*5
本标准适用汽车、拖拉机等工业深冲复杂拉延零件用的低碳优质冷轧薄钢板和钢带。1分类、代号
1.1钢板和钢带按表面质盐分为三组:特别高级的精整衣面
高级的精整表面
较高的精整表面
1.室钢板和钢带按拉延级别分为三级:用于冲制批延晟复杂的零
用干冲制拉延很复杂的零件
用子冲别拉延复杂的零件
2尺寸、外形、量量
表. 1尺寸及允许偏差
2.1.1钢板的厚度、宽度。长度和钢带的厚度。宽度应符合GB7065《轧制薄钢板品种》表11规定。
经供需双力协议,也可供应非标准规格的钢板和钢带。2.1.2成卷供货的钢带内径应在合同中1注明。2.1.3厚度允许偏差
2.1.3.1钢板和钢带的厚度允许偏差应符合表1的规定。表1
公称踪理
A级精度
0. 55 ~ 0. 60
0. 70 ~ 0. 75
0, 80 - 0. 50
国家标准局1鲁8 5 -心7 - T 8 发布+ 0. 03
级精度
7鲁88-0表-01实施
公厚息
1.60 ~1.80
2, 001免费标准bzxz.net
2. 80 - 3. 00
GB.6218--85
续表1
A级精度
B级稍度
2.1.3.1.1根据需方要求,供垃表1以外厚度的钢板和钢带时,其厚度充价篇差按表中相邻小尺寸钢板厚度的规起,
2.1.8.1.2交货钢带头起总长30m内其厚度偏允许比表1规定数值大50%,焊续×.20m内的厚度偏差充许比表1规定数值大0%。
2.1.3.2钢板和钢带的宽度允许偏差:充度1000mm
宽度1000mm
成卷乳制不剪纵达的钢板
2.1.3.3钢板长度允许偏差
长度≤1500mm
长度≥150mt)
成准乳制的钢板
长度<1500tm
长度>1500mm
+ 4 mmt
+ 5 mm,
+ 10mm,
2.2 外形
2.2.1钢板应划成角,在保证公称尺最小短形的条件下,切斜不得大于钢被谢度的1.0%,钢板和钢带的镶刀弯应不大于长度的0,3%。2.2,2不平度
GB 5213—85
宽度不人丁1000mm钢板和钢带每米不平度应符合如下规定:1组表面
Ⅱ组表面
Ⅲ组表面
. 6 mm,
对于宽度大丁1000mm钢板和钢带的不平度山供需双方协议规定。2.2.3钢板和钢带停度向板差不得大于厚度公差之半。2.3 重量
钢板和钢带应按实际通量交货。2.4标记示例
例如:出牌号08A/谢成的、A级精度,钢板尺寸1.mm×750mm1×1500mm、表面质量1l组,拉延级别HF的标记:
钢板-08A1-1.0×750×1500-A-II-HF-GB 5213—85。技术要求
3.1牌号和化学成分
3.1.1钢的牌于和熔炼化学成分应符合表2的规定。表2
6. 0. 441
酸溶A!
0. 02 ~ 0. U7
s ti. 03G
8.1.2钢中残余路、镍利铜的含氧应分别不大于0.03%、0.1%和0.15%。当果用大冶生铁炼钢,钢门铜的含鼠大于0.15~0.30%时,出供需双方协商处理。客.1.成品钢板和钢带化学成分允许偏美应衍合GB222--84《钢的化学分析用试样取样法及成品:化学成分允充许偏差》中表1的规定。8.2交货状态
$.2.1钢板和钢带需经热处理和半整后交货。8.2.2钢板和钢带供应状漆的表面应为粗粒的或光必的。3.3力学性能
厚度不大于2mm钢板和钢带的力学性能应符合表3的规定。3.3.1
公称厚度
拉延级别
kg/mm(N/mm*)
天人于
21 (206)
22(216)
22 (216)
24(235)
kg?mm\(N/inm)
2 ~ 33 (265~ 324)
26 ~34 (25# ~ 394)
26 ~ 35 (255 ~'343 )
不小于
GB5213--85
厚度大于2mm的钢板和钢带力学性能指标由供需双方协议规定,8.3.2
3.3.3拉伸曲线应是滑的,不得有屈服半台(允许有不显著的折曲),当通过屈服点时,试样的表面不应产生滑移线。
3.4工艺性能
3.4.1冷弯试验
厚度大十2mn钢板和钢带应在冷状态\下作180\弯出试验,其弯心古径d0,弯曲处不得有裂纹、裂[和分层。
3.4.2杯突试验
厚度不大丁2Ⅱm的钢板利钢带应在交货状态下进行杯突试验,冲压深度应符合表4的规定。表4
公称厚度
高倍组织
不小于
晶粒度
GB 5213—85
钢板和钢带应在交货状态下进行晶粒度检验,检验结果应符合如下规定,ZF、HF级的晶粒度应符合YB 27-77《钢的品粒度測定祛法》的16、7、8级或以薄饼形晶粒交货。F级钢板晶粒度应符合YB27—77的6、7、8、9级或以薄饼形晶粒交货。允许有两个相邻级别范围内的混合晶粒。3.5.2游离渗碳体
游离渗炭体不得超过YB31—64 《钢的显微组织评定法》中的 2级。3.6表面质量
3.6.1钢板和钢带的表面不得有裂纹、一泡、结疤,黑膜、波纹、折线和外束的夹杂物。钢板不允许有分层。
被纹和折线缺陷供需双方可用样品加以明确。3.6.2钢板利钢带按其表面质分为三纽:I组表面:正面(表面质量较好的-面)不得有任何表面缺陷。反面允许有深度不大于厚度公差1/4 的轻微麻点和轻微划痕。Ⅱ组表面,正面允许有钢板利钢带厚度公差一半范围内的轻微麻点、划痕和轧辊压痕。反面允许有厚度公差范围内不大丁钢板和钢带厚度最小范围的下列缺陷:轻微的麻点,划痕和轧压痕。
边缘允许有从公称尺寸算起宽度不大于100mm的氧化色。亚组表面:止面允许有在钢板和钢带厚度公差一半范围内的轻微麻点,划痕及轧辑压痕。反面允许有在厚度公差范函内但不得使钢板和钢带厚度超出允许的最小范围的下列缺陷:轻微的麻点。划狼和轧银压痕。
边缘允许有从公称尺寸算起,宽度不大于150而m的氧化色。3.6.3交货的钢带,不符合上述规定的不正常部位,不得超过每卷总长度的10%。8.6.4不切边的钢带允许有深度不大于6 mm的边裂。3.6.5钢板和钢带在到货后6个月内保证在冲压时不得出现滑移线,当冲制零件的表前上出现滑移线和折线(即起的线或凸起的条)时,钢板应予以报废。经双力协商可以适当延长保证期。试验方法
4.1钢板和钢带的厚度用于分尺测量。宽度、长度、不半度应用样板或其他测量工具测鱼。4.2钢板利钢带的外观用肉眼检会。4.8每批钢材的试验项日、试样数量、取样方法和试验方法应符合表5规定。表5
试验项目
化学分析
龄离碳体
试样个数
(号)
社,薄饼形晶粒的评定方法,出供需双方协萨。取样打法
GB 222-- 84
GE 2975—82
GB 2975—82
试样宽度90nn
测个部位
试验方法
GH223现行标雅
YB35--78
GB228—76
GB282—82
YR 38—64
YB 27—77
YB31-B4
5检验规则
GB 521385
5.1钢板利钢带应按批验收,每批应出向一炉罐号、同一厚度、同-拉延级别、同一表面组别、同一炉次或同一热处理制度的钢板和钢带组成。5.2用1检验的钢板应从退火时置于下部的钢板包中抽出或从钢带上切取,并将这检验用的钢板切去宽40扭m的板边后,按下图所示剪取试样。取样部位示意图
试样1和2用拉力试验:3用于杯突试验(×为试验部位),4和5用于冷弯试验,6和7用于晶粒度、游离渗碳体捡验。
5.3复验
钢板和钢复验应符合GB24780《钢板和钢带验收、包装、标志和质证明节的--殿规定》的规定。
6包装、标志及质量证明书
6.1钢极和钢带的包装、标惠及质量证明书应符台GB247—80的规定。6.2标牌和证限书除应填叫GB247一80所规定的各项规定外,还应注明:表面红别,拉延级别和钢板及带的重基。
附加说明,
本标准中中华人民和国冶金工业部提出。本标准升鞍山钢钦公司负责起草。本标雄于要起草人乌连贵、土惠范。白本标准实施之日起,原冶金1业部部标准YB215一64《深冲压用冷轧游钢板》作废。
小提示:此标准内容仅展示完整标准里的部分截取内容,若需要完整标准请到上方自行免费下载完整标准文档。
标准图片预览:





- 其它标准
- 热门标准
- 国家标准(GB)
- GB/T8566-2022 系统与软件工程 软件生存周期过程
- GB/T30917—2014 /ISo 29941:2010 天然胶乳橡胶避孕套中可迁移亚硝胺的测定
- GB/T12777-1999 金属波纹管膨胀节通用技术条件
- GB/T29633.4-2020 南极地名 第4部分:罗马字母拼写
- GB15193.5-2003 骨髓细胞微核试验
- GB4706.3-1986 家用和类似用途电器的安全食物搅碎器及类似用途电器的特殊要求
- GB15985-1995 丝虫病诊断标准及处理原则
- GB19159-2003 车用液化石油气
- GB/T7407-1997 中国及世界主要海运贸易港口代码
- GB14287.4-2014 电气火灾监控系统 第4部分:故障电弧探测器
- GB/T39964-2021 造纸行业能源管理体系实施指南
- GB/T43929-2024 空间用纤维光学器件测试指南
- GB29140-2024 纯碱单位产品能源消耗限额
- GB30530-2024 二甲基硅氧烷单位产品能源消耗限额
- GB/T31301.8-2020 制鞋机械安全要求 第8部分:定型机
- 行业新闻
请牢记:“bzxz.net”即是“标准下载”四个汉字汉语拼音首字母与国际顶级域名“.net”的组合。 ©2025 标准下载网 www.bzxz.net 本站邮件:bzxznet@163.com
网站备案号:湘ICP备2025141790号-2
网站备案号:湘ICP备2025141790号-2