- 您的位置:
- 标准下载网 >>
- 标准分类 >>
- 交通行业标准(JT) >>
- JT/T 530-2004 沥青路面坑槽冷拌修补材料 SBS沥青液
标准号:
JT/T 530-2004
标准名称:
沥青路面坑槽冷拌修补材料 SBS沥青液
标准类别:
交通行业标准(JT)
标准状态:
现行-
发布日期:
2004-04-16 -
实施日期:
2004-07-15 出版语种:
简体中文下载格式:
.rar.pdf下载大小:
468.81 KB
点击下载
标准简介:
标准下载解压密码:www.bzxz.net
本标准规定了沥青路面坑槽冷拌修补材料SBS沥青液(以下简称冷拌SBS沥青液)的产品分类、技术要求、试验方法、检验规则及标志、包装、运输和贮存。本标准适用于沥青路面坑槽冷拌修补用SBS沥青液。 JT/T 530-2004 沥青路面坑槽冷拌修补材料 SBS沥青液 JT/T530-2004
部分标准内容:
TCS 93.80.20:1CS 75.140
备霖号:
中华人民共利和国交通行业标准JT/T530—2004
沥青路面坑槽冷拌修补材料
SBS沥青液
Cold mixing and repairing malerials for asphalt pavement pits-SRSasphaltliquid
2004-04-16发布
华人民共和国交通部
2004-07-15实施
■范用
2规范性引月文件
3术论和定义…
4.产品分类和标记
术要求
试验方法…·
些验熟则
8标志、包装,运的和亡存
JT/T 530—2004
JT/T 530 -20D4
本标准由交通部公利学训流所出,本标准由受通部科技教育司归口。前言
本标准起草单位:交证部公略科学新究新,唐点动方技本有限公可、潮北属创新材料股份有限公司。
本标准要新草人:张坚季马寿浮、候雪明、克脱夜,这锐卿强俊择,陈文南,赵当明74
1范围
修沥背路面坑槽冷拌修补材料SBS沥青液JT/T 530—2004
本标准规定了质吉路血坑模冷格补材料B机古液(以下简称冷推浙方)的产品分费技术要求,让验方法、检验视则及标志包装,运和贴疗。本标准适用下沥专路面统惜玲州修补用SAS湖有液,2规范性引用文件
下划文件中的条整通过本标准的引压而成为本标准的款。凡是注明日期的引用文件,其随后所与的修改单(不包括剧误的内奔)皮订数炼十用十在标准,然而,微动栈摄本标准达成协议的各方研流正否使用这些义件闪最新需本:凡是天净日期的引压文件,其微新版本适用十本标推GB 190
CIT 31861982
GL/T 167//—1997
JCAT 729
JC/T 852—1999
JTI(1321994
JTJ052—2000
他险货物包将标志
淤料产品的取杆
理筑队水除料或整有法
水泥1浆梵拌缸
济剂型橡胺新古防水涂料bZxz.net
公路沥青路函第工技术规范
公路工程动古及微告程企料试验规程湖针入考战临
JTTOS2/ 0G04—7(N
1J52/6051993
JTJ(52/ [606-——2(U
沥古延度试鉴
斯有软化点试验环款运
乳化谢背菌发密的物含型试验
JIJ052/ 0651- 1993
新文混合料马缺尔稳定度试验
IT.I052/ 0709—2(N)
JTJ(152/07542IX)
9术语和定文
乳化访古帮紫小展据一料固化时间试验下列术话和定义近成一本端确
冷洋Ms沥声液ewldntaineSBSasphaltliquid由布江动声,SBS橡胶终助利些成的态材料。3.2
SRssryTene-hutadiene-sryrene bkck eupol ynmerS接胶是术乙情一丁二场芯乙二丧段共聚物学,干嵌段大聚物热型作弹生体:它足以,二滞,求乙单本在发剂的作用下哭合而成,这叫热塑性丁橡胶。1产品分类和标记
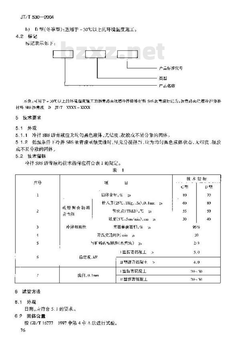
4.1基型
冷拌SS沔声搭产品统二环竞分为冲类a)C型(常温型:适十+S汇以F环提温变施工。75
JT/T 530-2004
hD型(冬季型):适用于-30%以上作环境温度施工:4.2标记
标记表示如小:
产南称准代号
产品名称
办阅:可用,Y以上的环史度施工拍动责路面坑描冷押修补起料SS责液控诺:致节路的借冷控件补讨料 Ss渤青波JFTXXx-xcx
5按术要求
5.1外观
5.1.1冷拌钙青减应为均勾黑色液件,不粘皮、凝胶或不易分数的周件51.2假温条件下冷拌SRS缺青液量独变性时,经充分搅伴片,1成为的列黑色液伴状,比转皮.诞效就不易分放的固怀,
5.2技术指标
冷拌频专据的装术指标症符合表1的规光。1
6试险方法
6.1外观
留药道
冷样和易性
国体含,%
人,(25℃.100s..5e),0.1mn:=s款化点(T&B,
延55amu),2
太面来面程,%
与矿的%降件(木率法)=
存定库.kT
型源滤十
论位4.1mm
日测,符台5.」的要求
6?固体含量
按GBT16777199中第4产1战进行式验76
型领市泥凝工
技术招标
6.3残留聚合物迈声性能
JT/T 5302004
线两聚合物还车能试验包括计人买试密、软化点证验和延变试验:熏发净拌限游书中的财剂,以测定聚合物改型据吉均性能特点,6.3.下试Y制备
6.3.1.1按J0523000·T0651—1方法迹行战验:6.3.1.2称取冷拌SS液900%=注人1501的容器中进行长书,热热发。6.3.1.3蒸发所需要的间以减物接近可量值求确定6.3.14注人针入境、软化点和证度试快内,准需落发过程中升温要缓慢,同时严启世风设,速通风
6.3.2计人度试验
接JJ052—20ON山(MS4200方法进行法。6.3.3转化点试监
接12—2030中1K50—20005泌进行谢验。6.3.4延度试验
孩JTI 0F2—2000中 T0605:1993.5法进行试验。6.4冷洋和昂性
6.4,1试险器和材料
6.4.1.1低温验箱:轻剂精度±2T:有效案积不小180L;6.4.1.2冷游有混合料搅托缸:符介儿/T72水锂净浆械机技术变产品,6.4.1.3托盘天平:最大称可2kg,感年为1g6.4.1.4料质量成特个JT032一1991中4.7.1.8及对录C表C.B表C.10表G.11和表心.12的规定要求。
6.4.1.5广料的级配应根据所修补游方路面抗的洪度而定.并符会刊032-19941附示1)表1).7或表D.R的规定要求,
6.4.2准备工作
6.4.2.1根气版条件选定冷拌SS新专浪的类弹.根据宁料的级起和质尿确定冷托S两古液的用型,视声凌母感符合T032一194附录门表T7或表.8的定要求,H果片供责用家的偏下6.4.2.2你取矿科(最太粒不大下y 5mm) 1kz一0.:kg6.4.2.3搅择返度为慢速:
6.4.3试验步懈
6.4.3.1将择和川的扩料.冷样5BS沥古液(卫型成C.型)轻称呈片逆同净拌游有滤合料境推放人低源试验箱内进行冷冻2h(D型·302%G型5T±2%)6.4.3.2在低温试验箱内,特矿料、冷扑5磁低青批控顺序倒人冷产额古报料说折机内保温,揽控3,倒出,月测矿州要微况,开判断惠理面6.4.4 试州结果
半和三次.冷对SB衡青港套激而影高符合表1的要求为合格6.5开放交通时间试验
6.5.1验义器
粘结力试跨仪,
因影试模1mm0mn内轻
油色:1hrur × 15[rm
6.5.2反件制作
J1/T 530—2004
6.5.2.1将定母的可料(人粒不大于9.5mm)*冷拌SBS卢液种。6.5.2.2你取60g效入台油的回形试模中,试模内境满微含料,J12kg的本拉(中-60mm)连升,至减模产平为止。
6.5.3诚验步殊
按T522X中TL754—2UX的试验步骤升行。6.5.4试验结果
记录达至扭不小于2m轻时间即为十放交通时间,应符价表1的期宗6.6与矿料粘时性试验
6.6.1或促器和材料
6.6.1.1标准常:卡孔端19.0元和31.5mm名一个6.6.1.2烧怀:5[Xleril - 1ml.
6.6.1.3供第:我有温序白效调书器,6.6.1.4天7:减4不大于0.1g
6.8.1.5逆二在实际促用的碎不
6.6.1.6继线或金属丝站验架,电炉。6.6.2降备作
6.6.2.1将道路工程用的石过筛,取19-315mm的碎行瓶粒洗你,然置105心的烘中划T 3h.
.6.2.2以箱中报3~4颗坏石冷至车温逐个用线或金两丝系,留山龙减作急排用。6.6.2.3向天烧杯中费求,并胃二电炉的石情网上煮沸。6.B.3试验步骤
6.6.3.1移最冷伴讲商300g注入X矫杯巾。6.6.1.2将用印想或金展终系师的矿料湿人盛有冷S沥手波时烧环中,波柜1m后,轻轻拿片,使扩料欧粒究车被冷建悠领有液所题凝。6.B.3.3符最覆冷持S领古液的矿料频粒量挂于成验架上,下面垫张低伙多杂的证声液流拆,室内置20rni
6.6.3.4将置的感膜冷拌S古的博料瓶粒置」0汇的烘箱中烘养生24h,6.6.3.5将烘二忙片料颗啦冷元后,将人质有然第水K大怀火,减整加热炉,使烧扑中的水保持谢泌状态,但不允许有沸开的泡沐。6.6.3.6将矿料湿索3m,片瓜水中取出,口扩料粒1.的悉覆情记,6.6.1.7同,成样≤少平行试验两次,丧多效检的整稳情记作山评定:6.6.4验结果
试验结见成符合表【的抗。
6.7马欧尔稳定质和疏值试验
6.7.1试验妆器
施当涵合料与款条试验仪,
8,了.2试伴的制作
6.7.2.1将定量关扩料导冷拌SNS方液直按针个均匀。.7.2.2圾约:100e沂混合科创人与做尔试模中两通各击实5。6.7.2.3连同试模起侧m送立方式置1110%±5的箱中养246.7.2.4取出后立可币两面外出实25次。G.7.2.5逆间试镇在退中感立放益24h6.7.2.6脱联,待试件高L3符价03.5mm上1.3mm或5.3mm±2.5um:的费求厂.微人n的t求78
2安 30min ~ 40ming
6.7.3试验步骤
接[052—2000T07[9—2X0的验除逆行B7.4试验纳果
JT/T 530—2004
敢期试件洲宗值的均作为试验结果,相饰到00你,站采感符会表一的规定:7检验规则
7.1出厂检验
每批产品战讲行出厂检院抢顶H括外观,固你量、残留乘合闭领方性能,冷托和易性、开效交通时间.
72型式检验
型接验项日为第5章划示新寸。
有下情况之一时成进行型式检验:a)格产品试制站产是转厂生产作试制定型鉴完::)止常生产时,年近行次型式偿临:c)产品源料,配比,艺有较大收变,可能影响产品质氧时:()产品偿产半年项三.恢复生产时:出厂检验结果与上次型式验验有较人差异时;心国家质中监督机构提出型式检验要求。7.3批量与抽样
以同一类型产品为批,不起也作一批进行出」检验,型比俭验按G3新1中第了年规定效型,在邮随机最整相产品,然后按B3186198中5.3规定,取得合样品5k进行件能检验。7.1判定规则
7.4.1外观质申
外观后量成符合5.1见定为个格,7.4.2裁术性能
技术非能应符合5.2的规为合格,7.4.3将
在出:检验和型式检验中,养有一项指标不符合5,2规定要求间,在批性而中加倍打样对该项世行泵收,范伪不衍合要求,则判该北产品为升会落产品。B标志,包装,运输和购有
B.1标志
经价骏合格的产为度标有:斗产」名称、地址,产品各称、规帝型号、警示标志生产口期、净重,附产品合和产品使用说期节,警示志应符介的要求,8.2包装
冷持Ss瓶液用带盖的桶包装.每净重分为200k%+0.5kg50kg+n.1kg、15kg+0.倍kg8.9语
本产品历易燃品,在这赖过报中不得按触叫火,不得睡医,不得惜障。8.4、购存
本产品成存」下案、过风阴凉远离火源内频所,在正常存条件十,览存保质期为州年。70
小提示:此标准内容仅展示完整标准里的部分截取内容,若需要完整标准请到上方自行免费下载完整标准文档。
备霖号:
中华人民共利和国交通行业标准JT/T530—2004
沥青路面坑槽冷拌修补材料
SBS沥青液
Cold mixing and repairing malerials for asphalt pavement pits-SRSasphaltliquid
2004-04-16发布
华人民共和国交通部
2004-07-15实施
■范用
2规范性引月文件
3术论和定义…
4.产品分类和标记
术要求
试验方法…·
些验熟则
8标志、包装,运的和亡存
JT/T 530—2004
JT/T 530 -20D4
本标准由交通部公利学训流所出,本标准由受通部科技教育司归口。前言
本标准起草单位:交证部公略科学新究新,唐点动方技本有限公可、潮北属创新材料股份有限公司。
本标准要新草人:张坚季马寿浮、候雪明、克脱夜,这锐卿强俊择,陈文南,赵当明74
1范围
修沥背路面坑槽冷拌修补材料SBS沥青液JT/T 530—2004
本标准规定了质吉路血坑模冷格补材料B机古液(以下简称冷推浙方)的产品分费技术要求,让验方法、检验视则及标志包装,运和贴疗。本标准适用下沥专路面统惜玲州修补用SAS湖有液,2规范性引用文件
下划文件中的条整通过本标准的引压而成为本标准的款。凡是注明日期的引用文件,其随后所与的修改单(不包括剧误的内奔)皮订数炼十用十在标准,然而,微动栈摄本标准达成协议的各方研流正否使用这些义件闪最新需本:凡是天净日期的引压文件,其微新版本适用十本标推GB 190
CIT 31861982
GL/T 167//—1997
JCAT 729
JC/T 852—1999
JTI(1321994
JTJ052—2000
他险货物包将标志
淤料产品的取杆
理筑队水除料或整有法
水泥1浆梵拌缸
济剂型橡胺新古防水涂料bZxz.net
公路沥青路函第工技术规范
公路工程动古及微告程企料试验规程湖针入考战临
JTTOS2/ 0G04—7(N
1J52/6051993
JTJ(52/ [606-——2(U
沥古延度试鉴
斯有软化点试验环款运
乳化谢背菌发密的物含型试验
JIJ052/ 0651- 1993
新文混合料马缺尔稳定度试验
IT.I052/ 0709—2(N)
JTJ(152/07542IX)
9术语和定文
乳化访古帮紫小展据一料固化时间试验下列术话和定义近成一本端确
冷洋Ms沥声液ewldntaineSBSasphaltliquid由布江动声,SBS橡胶终助利些成的态材料。3.2
SRssryTene-hutadiene-sryrene bkck eupol ynmerS接胶是术乙情一丁二场芯乙二丧段共聚物学,干嵌段大聚物热型作弹生体:它足以,二滞,求乙单本在发剂的作用下哭合而成,这叫热塑性丁橡胶。1产品分类和标记
4.1基型
冷拌SS沔声搭产品统二环竞分为冲类a)C型(常温型:适十+S汇以F环提温变施工。75
JT/T 530-2004
hD型(冬季型):适用于-30%以上作环境温度施工:4.2标记
标记表示如小:
产南称准代号
产品名称
办阅:可用,Y以上的环史度施工拍动责路面坑描冷押修补起料SS责液控诺:致节路的借冷控件补讨料 Ss渤青波JFTXXx-xcx
5按术要求
5.1外观
5.1.1冷拌钙青减应为均勾黑色液件,不粘皮、凝胶或不易分数的周件51.2假温条件下冷拌SRS缺青液量独变性时,经充分搅伴片,1成为的列黑色液伴状,比转皮.诞效就不易分放的固怀,
5.2技术指标
冷拌频专据的装术指标症符合表1的规光。1
6试险方法
6.1外观
留药道
冷样和易性
国体含,%
人,(25℃.100s..5e),0.1mn:=s款化点(T&B,
延55amu),2
太面来面程,%
与矿的%降件(木率法)=
存定库.kT
型源滤十
论位4.1mm
日测,符台5.」的要求
6?固体含量
按GBT16777199中第4产1战进行式验76
型领市泥凝工
技术招标
6.3残留聚合物迈声性能
JT/T 5302004
线两聚合物还车能试验包括计人买试密、软化点证验和延变试验:熏发净拌限游书中的财剂,以测定聚合物改型据吉均性能特点,6.3.下试Y制备
6.3.1.1按J0523000·T0651—1方法迹行战验:6.3.1.2称取冷拌SS液900%=注人1501的容器中进行长书,热热发。6.3.1.3蒸发所需要的间以减物接近可量值求确定6.3.14注人针入境、软化点和证度试快内,准需落发过程中升温要缓慢,同时严启世风设,速通风
6.3.2计人度试验
接JJ052—20ON山(MS4200方法进行法。6.3.3转化点试监
接12—2030中1K50—20005泌进行谢验。6.3.4延度试验
孩JTI 0F2—2000中 T0605:1993.5法进行试验。6.4冷洋和昂性
6.4,1试险器和材料
6.4.1.1低温验箱:轻剂精度±2T:有效案积不小180L;6.4.1.2冷游有混合料搅托缸:符介儿/T72水锂净浆械机技术变产品,6.4.1.3托盘天平:最大称可2kg,感年为1g6.4.1.4料质量成特个JT032一1991中4.7.1.8及对录C表C.B表C.10表G.11和表心.12的规定要求。
6.4.1.5广料的级配应根据所修补游方路面抗的洪度而定.并符会刊032-19941附示1)表1).7或表D.R的规定要求,
6.4.2准备工作
6.4.2.1根气版条件选定冷拌SS新专浪的类弹.根据宁料的级起和质尿确定冷托S两古液的用型,视声凌母感符合T032一194附录门表T7或表.8的定要求,H果片供责用家的偏下6.4.2.2你取矿科(最太粒不大下y 5mm) 1kz一0.:kg6.4.2.3搅择返度为慢速:
6.4.3试验步懈
6.4.3.1将择和川的扩料.冷样5BS沥古液(卫型成C.型)轻称呈片逆同净拌游有滤合料境推放人低源试验箱内进行冷冻2h(D型·302%G型5T±2%)6.4.3.2在低温试验箱内,特矿料、冷扑5磁低青批控顺序倒人冷产额古报料说折机内保温,揽控3,倒出,月测矿州要微况,开判断惠理面6.4.4 试州结果
半和三次.冷对SB衡青港套激而影高符合表1的要求为合格6.5开放交通时间试验
6.5.1验义器
粘结力试跨仪,
因影试模1mm0mn内轻
油色:1hrur × 15[rm
6.5.2反件制作
J1/T 530—2004
6.5.2.1将定母的可料(人粒不大于9.5mm)*冷拌SBS卢液种。6.5.2.2你取60g效入台油的回形试模中,试模内境满微含料,J12kg的本拉(中-60mm)连升,至减模产平为止。
6.5.3诚验步殊
按T522X中TL754—2UX的试验步骤升行。6.5.4试验结果
记录达至扭不小于2m轻时间即为十放交通时间,应符价表1的期宗6.6与矿料粘时性试验
6.6.1或促器和材料
6.6.1.1标准常:卡孔端19.0元和31.5mm名一个6.6.1.2烧怀:5[Xleril - 1ml.
6.6.1.3供第:我有温序白效调书器,6.6.1.4天7:减4不大于0.1g
6.8.1.5逆二在实际促用的碎不
6.6.1.6继线或金属丝站验架,电炉。6.6.2降备作
6.6.2.1将道路工程用的石过筛,取19-315mm的碎行瓶粒洗你,然置105心的烘中划T 3h.
.6.2.2以箱中报3~4颗坏石冷至车温逐个用线或金两丝系,留山龙减作急排用。6.6.2.3向天烧杯中费求,并胃二电炉的石情网上煮沸。6.B.3试验步骤
6.6.3.1移最冷伴讲商300g注入X矫杯巾。6.6.1.2将用印想或金展终系师的矿料湿人盛有冷S沥手波时烧环中,波柜1m后,轻轻拿片,使扩料欧粒究车被冷建悠领有液所题凝。6.B.3.3符最覆冷持S领古液的矿料频粒量挂于成验架上,下面垫张低伙多杂的证声液流拆,室内置20rni
6.6.3.4将置的感膜冷拌S古的博料瓶粒置」0汇的烘箱中烘养生24h,6.6.3.5将烘二忙片料颗啦冷元后,将人质有然第水K大怀火,减整加热炉,使烧扑中的水保持谢泌状态,但不允许有沸开的泡沐。6.6.3.6将矿料湿索3m,片瓜水中取出,口扩料粒1.的悉覆情记,6.6.1.7同,成样≤少平行试验两次,丧多效检的整稳情记作山评定:6.6.4验结果
试验结见成符合表【的抗。
6.7马欧尔稳定质和疏值试验
6.7.1试验妆器
施当涵合料与款条试验仪,
8,了.2试伴的制作
6.7.2.1将定量关扩料导冷拌SNS方液直按针个均匀。.7.2.2圾约:100e沂混合科创人与做尔试模中两通各击实5。6.7.2.3连同试模起侧m送立方式置1110%±5的箱中养246.7.2.4取出后立可币两面外出实25次。G.7.2.5逆间试镇在退中感立放益24h6.7.2.6脱联,待试件高L3符价03.5mm上1.3mm或5.3mm±2.5um:的费求厂.微人n的t求78
2安 30min ~ 40ming
6.7.3试验步骤
接[052—2000T07[9—2X0的验除逆行B7.4试验纳果
JT/T 530—2004
敢期试件洲宗值的均作为试验结果,相饰到00你,站采感符会表一的规定:7检验规则
7.1出厂检验
每批产品战讲行出厂检院抢顶H括外观,固你量、残留乘合闭领方性能,冷托和易性、开效交通时间.
72型式检验
型接验项日为第5章划示新寸。
有下情况之一时成进行型式检验:a)格产品试制站产是转厂生产作试制定型鉴完::)止常生产时,年近行次型式偿临:c)产品源料,配比,艺有较大收变,可能影响产品质氧时:()产品偿产半年项三.恢复生产时:出厂检验结果与上次型式验验有较人差异时;心国家质中监督机构提出型式检验要求。7.3批量与抽样
以同一类型产品为批,不起也作一批进行出」检验,型比俭验按G3新1中第了年规定效型,在邮随机最整相产品,然后按B3186198中5.3规定,取得合样品5k进行件能检验。7.1判定规则
7.4.1外观质申
外观后量成符合5.1见定为个格,7.4.2裁术性能
技术非能应符合5.2的规为合格,7.4.3将
在出:检验和型式检验中,养有一项指标不符合5,2规定要求间,在批性而中加倍打样对该项世行泵收,范伪不衍合要求,则判该北产品为升会落产品。B标志,包装,运输和购有
B.1标志
经价骏合格的产为度标有:斗产」名称、地址,产品各称、规帝型号、警示标志生产口期、净重,附产品合和产品使用说期节,警示志应符介的要求,8.2包装
冷持Ss瓶液用带盖的桶包装.每净重分为200k%+0.5kg50kg+n.1kg、15kg+0.倍kg8.9语
本产品历易燃品,在这赖过报中不得按触叫火,不得睡医,不得惜障。8.4、购存
本产品成存」下案、过风阴凉远离火源内频所,在正常存条件十,览存保质期为州年。70
小提示:此标准内容仅展示完整标准里的部分截取内容,若需要完整标准请到上方自行免费下载完整标准文档。
标准图片预览:





- 其它标准
- 热门标准
- 交通行业标准(JT)
- JTGD30-2015 公路路基设计规范
- JT2027-93 内河船舶救生衣一修复、 报废
- JT4209-1978 绞吸式挖泥船换轴节技术要求
- JT4212-1978 绞吸式挖泥船主机与泥浆泵总装配技术要求
- JTGF80/1-2004 公路工程质量检验评定标准 第一册 土建工程
- JT/T481-2002 道路货物运输交易信息服务系统技术要求
- JT/T494-2003 汽油机进气阀沉积物模拟试验方法
- JTJ061-1999 公路勘测规范(附条文说明)
- JT/T291-1995 海港船舶燃料供应行业船舶能耗计算方法
- JT/T331.1-2006 港口码头劳动定员 第1部分:术语
- JTGD63-2007 公路桥涵地基与基础设计规范
- JTGE42-2005 公路工程集料试验规程
- JT/T860.1-2013 沥青混合料改性添加剂 第1部分:抗车辙剂
- JTJ200-2001 水运工程建设标准编写规定
- JT322-1997 挂桨机船噪声限值及测量方法
- 行业新闻
请牢记:“bzxz.net”即是“标准下载”四个汉字汉语拼音首字母与国际顶级域名“.net”的组合。 ©2025 标准下载网 www.bzxz.net 本站邮件:bzxznet@163.com
网站备案号:湘ICP备2025141790号-2
网站备案号:湘ICP备2025141790号-2