- 您的位置:
- 标准下载网 >>
- 标准分类 >>
- 国家标准(GB) >>
- GB/T 20355-2006 地理标志产品 赣南脐橙
标准号:
GB/T 20355-2006
标准名称:
地理标志产品 赣南脐橙
标准类别:
国家标准(GB)
标准状态:
现行-
发布日期:
2006-05-25 -
实施日期:
2006-10-01 出版语种:
简体中文下载格式:
.rar.pdf下载大小:
120.34 KB

点击下载
标准简介:
标准下载解压密码:www.bzxz.net
本标准规定了赣南脐橙的地理标志产品保护范围、术语和定义、要求、试验方法、检验规则、标志、包装、运输和贮存。 本标准适用于国家质量技术监督检验检疫行政主管部门根据《地理标志产品保护规定》批准保护的赣南脐橙。 GB/T 20355-2006 地理标志产品 赣南脐橙 GB/T20355-2006

部分标准内容:
ICS 67, 080. 10
中华人民共和国国家标准
GB/T20355-—-2006
地理标志产品
赣南脐橙
Product of geographical indication--Ganan navel orange2006-05-25发布
中华人民共和国国家质量监督检验检疫总局中国国家标准化管理委员会
一般码族彻,
2006-10-01实施
GR/T20355—2006
本标准根据《地理标志产品保护规定》与(B17924—1999原产地域产品通用要求》制定,本标准的附录A为规范性附录,附录 I3为资料性附录。本标准出全国地理标志产品标准化工作组提出并归口。本标准起草单位:江西省标准化协会.江西省赣州市果业局,江西省赣州市质量技术监督局。本标谁主要起草人:陈标强、涂续、腰德军,施大教,叶松青、肖德源、陶家瑞。I
1范围
地理标志产品赣南脐橙
GB/T 203552006
本标推规定了赣南脐橙的地理标志产品保护范围、术语和定义、要求、试验方法、检验规则、标志包装、运输和贮存。
本标推适用于国家质过技术监督检验检疫行政主管部门根据地理标志产品保护规定》批推保护的赣南脐橙。
2规范性引用文件
下列文件中的条款通过本标推的引用而成为本标准的条款。凡是注日期的引用文件,其随后所有的修改单(不包括勘误的内容)或修订版均不适用于本标准,然而,鼓励根据本标推达成协议的各方研究是否可使用这些文件的最新版本。凡是不注日期的引用文件,其最新版本适用于本标准。GB/T 8210出口柑桔鲜果检验方法GB/T8855新鲜水果和蔬菜的取样方法(GB/T8855—1988,cqISO874:1980)GB/T10517柑桔储蕨
GB/T13607苹果,柑桔包装
NY5014无公害食品柑果类果品
NY/T5015无公害食品柑橘生产技术规程JJF1070定量包装商品净含量计量检验规则定量包装商品计量监督督理办法(国家质量监督检验检疫总局令[2005,第75号)3地理标志产品保护范围
限于国家质量监督检验检疫行政主管部门根据《地理标志产品保护规定》批准保护的范围,见附录A。
4术语和定义
下列术语和定义适用于本标准
赣南脐橙Gannan navel orange
干南脐指生产在地理标志产品保护范围内,其有果大形正,橙至橙红鲜艳,光洁美观,肉质脆嫩化渣,风味独特,浓甜芳香,无籽等特点的脐橙,5要求
5.1种植环境
5.1.1气機
年平均气温18℃~19℃,≥10℃年有效积温5800℃~6500℃,1月乎均温度≥7.0℃,极端低温≥-5.0℃,年降雨量1400mm~1600mm,年日照时数为1780h~1820h,无霜期长,空气柜对湿度70%~83%,果实成熟期骨夜差大。5. 1.2土填
pH5.5~6.5,有机质含量≥1.5%,土层深厚1m左右,活土层在60cm以上,地下水位1m以上的GB/T 20355--2006
紫色土、红壤土、黄壤土等,均适宜种植。5.2栽裁培技术
裁培技术参见附录B。
5.3采摘
果实正常成熟,表现出本品种固有的品质特征,着色八成以上,可谛性固形物达到10%以上,方可采摘。
5.4质量指标
5.4.1感官指标
赣南脐橙根据其感官指标分为特级、一级、二级,三级,感官指标应符合表1规定。表 1 感宫指标
规格(果实
径>/m
纽荷尔、奈维林燃等【
(果形短捕网形至插】
圆形)
明娜、清家、华脐、奉
节 72-1 等[果形球
形或扇圆形)
纽荷尔、奈维林娜等
(果形短糖圆形至椭!
一圆形)
朋郑、湾家、毕脐,率
节72-1等(果形圆球)
形或扇圆形)
纽荷尔,奈维林螂等
(果形短椭圆形至箱
圆形)
朋娜、清家、华脐、拳
节 72-1 等(果形围球
形或扇圆形)
纽荷尔、奈维林娜等
(果形短逊形至椭
朋娜,满家、华脐、事
书72-1等(果形球
形或扇形)
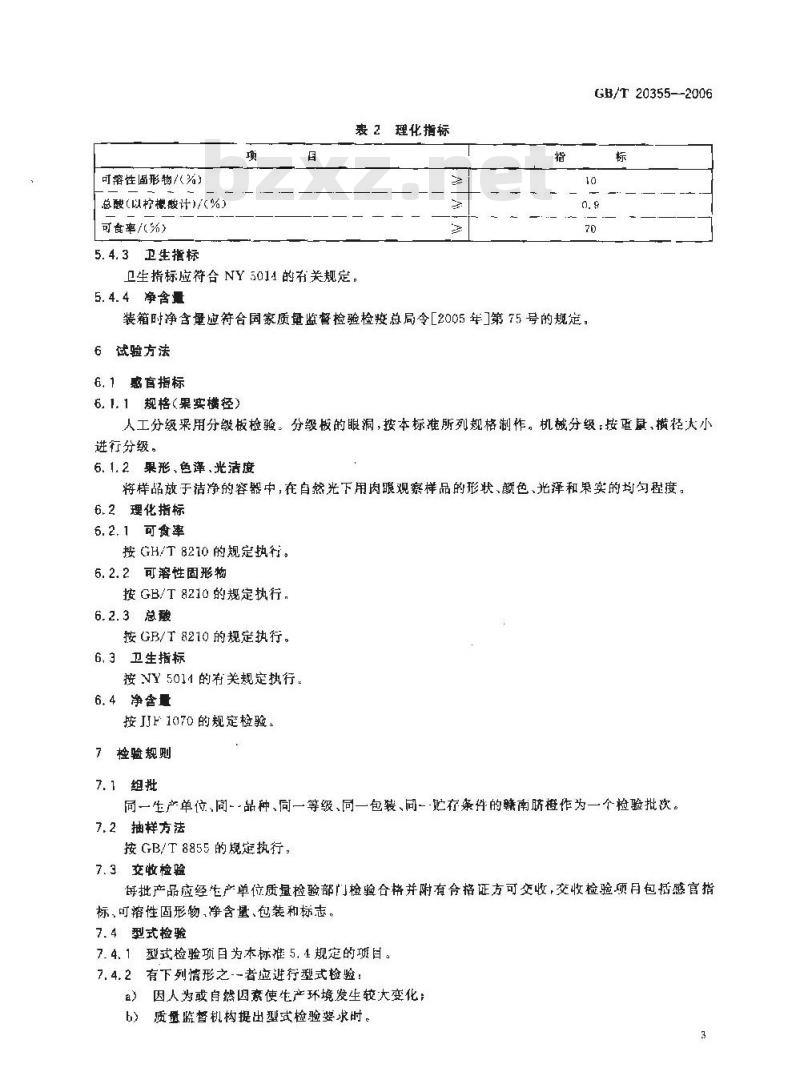
5.4.2理化指标
7.0--9. 5
7. 0 ~~ 9, 5
6. 5~~9.5
理化指标应符合表 2 的规定。
栖圆形、无畸挺红,色泽均句,着色形果。
圆球形,无畸形
果,脐≤10 mm.
率90%以上。
橙黄至橙红,色泽均
勾,着色率 90%
以上。
橙红,色泽均勾,色
椭形,无畸老
形果。
圆球形、无畸形
|果,脐≤:10 mrm。
椭阀形,无菌
形果。
国球形或肩园
形,无畸形架,脐
椭圆形,无严重
【影响外观的畸
一形来。
国或形,无严重
影响外观的畸形
果.脐≤20mm。
率85光以上。
橙黄至橙红,色洋均
句,着色率85%
以上。
光活度
果面光洁,无日灼、伤疤,裂
口、刺伤、虫伤、擦伤、碰压伤及腐烂巢。不得有检疫性
虫巢。油斑、药斑等其他附
着物面积不得超过 5%。
果面光洁,无日灼、伤疤、裂
口、判伤、虫伤、擦伤、碰压伤及腐烂果。不得有检疫性病
虫果,油斑,药斑等其地谢
警物面积不得超过10%。
扭红,着色均勾,君包果而光洁,尤日灼、伤疤,裂率80%以上:
口,刺伤,虫伤、擦恢、碰压伤
及腐烂果。 不得有检疫性病
橙至橙红,着色均勺、
着色率 B0%以 上。
橙率橙红,着色尚好,
着色率80%以上,
橙至橙红,着色尚好
若色率80%以上。
虫果。油斑,药斑等其他附
潜物面积不得超过 15%。
果面光洁,无甘灼、伤疤、裂
口,刺伤、虫伤擦怖、碰压齿
及糜烂果。不得有检疫性病
虫果。油斑,药斑等其他闭
着物面积不得超过 15%。
可溶性固形物/(%)
总酸(以柠机酸计)/(%)
可食率/(%)
5.4.3卫生指标
表2理化指标
卫生指标应符合NY5011的有关规定,5.4.4净含量
GB/T20355--2006
装箱时净含量应符合国家质量监督检验检接总局令[2005年]第75号的规定:6试验方法
6. 1 感官指标
6. 1. 1规格(果实横径)
人工分级来用分级板检验。分级板的眼洞,按本标准所列规格制作。机械分级:按重量、横径大小进行分级。
6.1. 2果形、色泽、光洁度
将样品放于洁净的容器中,在自然光下用肉眼观察样品的形状、颜色、光泽和果实的均勾程度,6.2理化指标
6.2.1 可食率
按GH/T8210 的规定执行。
6.2.2可溶性固形物
按GB/T 8210的规定执行。
6.2.3总酸
按GB/T 8210的规定执行。
6.3卫生指标
按NY5011的有关规定执行。
6.4净含量
按JJF1070的规定检验。
7检验规则
7.1组批
同一生产单位、同-·品种、同一等级、同一包、同一-贮存条件的赣南脐橙作为一个检验批次。7.2抽样方法
按 GB/T 8855的规定执行,
7.3交收检验
每批产品应经生产单位质量检验部门检验合格并附有合格证方可交收,交收检验项月包括感官指标,可溶性固形物、净含量、包装和标志,7.4型式检验
7.4.1型式检验项目为本标准5.4规定的项目。7.4.2有下列情形之--者应避行型式检验:a)因人为或自然因索使生产环境发生较大变化;b)质量监督机构提出型试检验求时。3
GB/T20355-2006
7.5判定规则
7.5、1感官指标不合格品果占总果的百分率不超过7%,且理化指标、卫生指标、净含量,标志均合格则判该批产品合格。
7.5.2感言指标不合格品果占总果的百分率超过7%,或理化指标,卫生指标,净含量,标志有一项不合格,则判该批产品为不合格。7.5.3在采后处理过程中不得进行染色处理,否则为不合格产品。7.5.4对果品规格、包装检验不合格的,允许生产单位进行整改后申请复检。8标志.包装,运输和购存
日。1标志
外包装上应标明产品名称(额南脐橙)、品种、产地、果品数量、果品等级(特级、一级、二级、三级)、净含量,地理标志产品专用标志,执行标准编号、小心轻放、防晒防雨警示等内容。8.2包装
按GB/T13607有关规定执行。
8.3运输
8.3.1运输工具
运输工具应洁卫生,干燥无异味。8.3.2堆放
按NY5011的有关规定执行。
8.4贮存
在常温、玲藏下贮存,按GB/T10547规定执行。4
附录A
(规范性附录)
赣南脐授地理标志产品保护范围赣南脐地理标志产品保护范围见图A,1。安
注,赣南脐橙地理标志产品保护范围限于懿州市现辖行政区域内寻
图A.1赣南脐極地理标志产品保护范围图抚
GB/T20355—2006
GB/T20355—2006
B.1品种选择
附录B
(资料性附录)
巅南脐橙裁培技术
主要推广品种:纽荷尔、奈维林娜、华盛顿脐橙、牵节72-1、佛罗斯特、清家、卡拉卡拉、福本等。B.2苗木繁育
B.2.1砧木苗培养
B,2. 1.1 采种和播种
选优良的积橙或机壳,9 月下旬至10月上间来种,于12 月上,中旬冬播或次年2月下旬至3月上句春播。
B. 2、1.2苗管理
3 月至 4 月在苗高 10 cm左右进行移裁,行距 20 cm。适时中耕除草、动施薄施追肥,及时防治病虫害,
B.2.2嫁接苗培育
B.2.2. 1嫁接口高度
积壳砧木嫁接高度10cm,积橙砧本嫁接高度15cm。B. 2, 2. 2嫁接
凡生长发育充实的春,意,秋梢,均可用于接穗:接穗它从虽质优良、丰产性能好、无检疫性病虫露的成年母树上采集。嫁接方法有切接法、芽接法、腹接法等。苗本成活后及时解膜、剪砧、除萌,施薄施追肥,及时进行病虫害防治。在春梢超过]5 心m 时摘心,以促发夏梢,在苗高 40 cm~45 cm 时项,以促发分枝,在离地 25 cm 以上不同方位选 3 个~4 个壮梢暨作主其余全部抹除。
B,2,3黄本出断
嫁接菌木达到表1规定时出圃。Www.bzxZ.net
苗高(距地
积壳砧
积癌砖上
B.3栽培普理
B.3.1栽植
面)/cm
苗粗(嫁接
口以上
3 em /cm
苗木规格
分枝数(苗
高25 cm以
上处)/条
骨干程长
度/cm
分枝长
度/cm
例根数
量/茶
较发达
较发达
选择士层深厚80cm以上,肥沃松,地下水位1m以下,保水保肥力强+pH5.5~6.5.近水源,交F
GB/T 20355—2006
通方便,土质壤土、粘壤士,沙壤土的园地种植。裁植时间:大田苗直接定植分为秋植和春植,秋植:一般在秋梢老熟后至11月上旬定植:吞植:2月中,下旬春梢崩芽前定植,穿器菌(营养装和肯养篓苗)栽植不受季节限制2月至11月均可裁植。裁植密度株行距(3m~m)×(3.5m-~4.5m),每公顿裁675株~825株(即每亩裁45株~55株),坡地可密些,平地可稀些。B.3.2整形修剪
通常采用自然开心形或自然圆头形。修剪以解决通风透光和调节树体营养牛长和生殖生长为原则。运用抹穿、摘心、拉枝、扭梢和短截、回缩、疏枝等惨方法,使树冠枝梢稀密适度、分布有序,形成丰产稳产的良好树冠结构。修剪时期分休眠期惨剪和牛长期髂剪。B. 3. 3土肥水管理
幼龄脐橙园种植绿肥。如肝橙园种植间作物:秸秆应还园。8月下旬至11H中包进行深翻扩穴,改良土壤。
幼龄树追肥在2月下句至8月上进行,促发春、夏,秋二次梢,使之迅速形成树冠:结果树提倡测土配方施肥,年施肥量二至四次。者肥在套梢萌发前施入,施肥量占全年施肥的15%25%秘肥在7月中旬秋梢拥发前施人,施肥量占30%~40%左右:冬肥在11月上.中旬采果前后施人,施肥量占30%~40%。幼龄树氮,磷、钾施用比例为10.3:0. 5左石,成年树氮、磷、钾施用比例为1:0.6!(0.8~1)左有花期和幼果期应进行硼、锌、钳、镁等微量无暴的根外追肥。雨季及时排水,草季做好树盘覆盖,适时水,果实成熟期适当控水。B.3.4病虫害防治
病史害防治采取预防为主,综合防治的原则,合理采用农业、生物、物理和化学等综合防治手段.者重防治炭疽病、红蜘蛛、锈壁虱、壳虫、潜叶蛾、桔蚜等病虫害。应适时喷药,科学合呷用药。农约使用推则按照NY/T 5015执行,采摘前30d,禁止使用化学农药。B, 3. 5防止冻窖
新建脐橙园要营造防护林。冬前,要做好主于刷白、包草、培士、熏烟造云等工作。GB/T 20355-2006
中华人民共和国
国家标雅
地理标志产品南脐接
CB/T 20355—2006
中国标准出版社出版发行
北京复兴门外三里河北街16号
邮编码,100045
网址 spc, net. cn
电话:6852394668517548
中国标准出版杜秦皇岛印刷广印刷各地新华书店经销
开本 8B0×1230 1/16
印张 0.75
宇数14千字
2006年10月第一版2006年10月第一次印刷定价10.00元
书号:155066:1-28194
如有印装差错由本社发行中心调换版权专有侵权必究
举报电话:(010)68533533
小提示:此标准内容仅展示完整标准里的部分截取内容,若需要完整标准请到上方自行免费下载完整标准文档。
中华人民共和国国家标准
GB/T20355-—-2006
地理标志产品
赣南脐橙
Product of geographical indication--Ganan navel orange2006-05-25发布
中华人民共和国国家质量监督检验检疫总局中国国家标准化管理委员会
一般码族彻,
2006-10-01实施
GR/T20355—2006
本标准根据《地理标志产品保护规定》与(B17924—1999原产地域产品通用要求》制定,本标准的附录A为规范性附录,附录 I3为资料性附录。本标准出全国地理标志产品标准化工作组提出并归口。本标准起草单位:江西省标准化协会.江西省赣州市果业局,江西省赣州市质量技术监督局。本标谁主要起草人:陈标强、涂续、腰德军,施大教,叶松青、肖德源、陶家瑞。I
1范围
地理标志产品赣南脐橙
GB/T 203552006
本标推规定了赣南脐橙的地理标志产品保护范围、术语和定义、要求、试验方法、检验规则、标志包装、运输和贮存。
本标推适用于国家质过技术监督检验检疫行政主管部门根据地理标志产品保护规定》批推保护的赣南脐橙。
2规范性引用文件
下列文件中的条款通过本标推的引用而成为本标准的条款。凡是注日期的引用文件,其随后所有的修改单(不包括勘误的内容)或修订版均不适用于本标准,然而,鼓励根据本标推达成协议的各方研究是否可使用这些文件的最新版本。凡是不注日期的引用文件,其最新版本适用于本标准。GB/T 8210出口柑桔鲜果检验方法GB/T8855新鲜水果和蔬菜的取样方法(GB/T8855—1988,cqISO874:1980)GB/T10517柑桔储蕨
GB/T13607苹果,柑桔包装
NY5014无公害食品柑果类果品
NY/T5015无公害食品柑橘生产技术规程JJF1070定量包装商品净含量计量检验规则定量包装商品计量监督督理办法(国家质量监督检验检疫总局令[2005,第75号)3地理标志产品保护范围
限于国家质量监督检验检疫行政主管部门根据《地理标志产品保护规定》批准保护的范围,见附录A。
4术语和定义
下列术语和定义适用于本标准
赣南脐橙Gannan navel orange
干南脐指生产在地理标志产品保护范围内,其有果大形正,橙至橙红鲜艳,光洁美观,肉质脆嫩化渣,风味独特,浓甜芳香,无籽等特点的脐橙,5要求
5.1种植环境
5.1.1气機
年平均气温18℃~19℃,≥10℃年有效积温5800℃~6500℃,1月乎均温度≥7.0℃,极端低温≥-5.0℃,年降雨量1400mm~1600mm,年日照时数为1780h~1820h,无霜期长,空气柜对湿度70%~83%,果实成熟期骨夜差大。5. 1.2土填
pH5.5~6.5,有机质含量≥1.5%,土层深厚1m左右,活土层在60cm以上,地下水位1m以上的GB/T 20355--2006
紫色土、红壤土、黄壤土等,均适宜种植。5.2栽裁培技术
裁培技术参见附录B。
5.3采摘
果实正常成熟,表现出本品种固有的品质特征,着色八成以上,可谛性固形物达到10%以上,方可采摘。
5.4质量指标
5.4.1感官指标
赣南脐橙根据其感官指标分为特级、一级、二级,三级,感官指标应符合表1规定。表 1 感宫指标
规格(果实
径>/m
纽荷尔、奈维林燃等【
(果形短捕网形至插】
圆形)
明娜、清家、华脐、奉
节 72-1 等[果形球
形或扇圆形)
纽荷尔、奈维林娜等
(果形短糖圆形至椭!
一圆形)
朋郑、湾家、毕脐,率
节72-1等(果形圆球)
形或扇圆形)
纽荷尔,奈维林螂等
(果形短椭圆形至箱
圆形)
朋娜、清家、华脐、拳
节 72-1 等(果形围球
形或扇圆形)
纽荷尔、奈维林娜等
(果形短逊形至椭
朋娜,满家、华脐、事
书72-1等(果形球
形或扇形)
5.4.2理化指标
7.0--9. 5
7. 0 ~~ 9, 5
6. 5~~9.5
理化指标应符合表 2 的规定。
栖圆形、无畸挺红,色泽均句,着色形果。
圆球形,无畸形
果,脐≤10 mm.
率90%以上。
橙黄至橙红,色泽均
勾,着色率 90%
以上。
橙红,色泽均勾,色
椭形,无畸老
形果。
圆球形、无畸形
|果,脐≤:10 mrm。
椭阀形,无菌
形果。
国球形或肩园
形,无畸形架,脐
椭圆形,无严重
【影响外观的畸
一形来。
国或形,无严重
影响外观的畸形
果.脐≤20mm。
率85光以上。
橙黄至橙红,色洋均
句,着色率85%
以上。
光活度
果面光洁,无日灼、伤疤,裂
口、刺伤、虫伤、擦伤、碰压伤及腐烂巢。不得有检疫性
虫巢。油斑、药斑等其他附
着物面积不得超过 5%。
果面光洁,无日灼、伤疤、裂
口、判伤、虫伤、擦伤、碰压伤及腐烂果。不得有检疫性病
虫果,油斑,药斑等其地谢
警物面积不得超过10%。
扭红,着色均勾,君包果而光洁,尤日灼、伤疤,裂率80%以上:
口,刺伤,虫伤、擦恢、碰压伤
及腐烂果。 不得有检疫性病
橙至橙红,着色均勺、
着色率 B0%以 上。
橙率橙红,着色尚好,
着色率80%以上,
橙至橙红,着色尚好
若色率80%以上。
虫果。油斑,药斑等其他附
潜物面积不得超过 15%。
果面光洁,无甘灼、伤疤、裂
口,刺伤、虫伤擦怖、碰压齿
及糜烂果。不得有检疫性病
虫果。油斑,药斑等其他闭
着物面积不得超过 15%。
可溶性固形物/(%)
总酸(以柠机酸计)/(%)
可食率/(%)
5.4.3卫生指标
表2理化指标
卫生指标应符合NY5011的有关规定,5.4.4净含量
GB/T20355--2006
装箱时净含量应符合国家质量监督检验检接总局令[2005年]第75号的规定:6试验方法
6. 1 感官指标
6. 1. 1规格(果实横径)
人工分级来用分级板检验。分级板的眼洞,按本标准所列规格制作。机械分级:按重量、横径大小进行分级。
6.1. 2果形、色泽、光洁度
将样品放于洁净的容器中,在自然光下用肉眼观察样品的形状、颜色、光泽和果实的均勾程度,6.2理化指标
6.2.1 可食率
按GH/T8210 的规定执行。
6.2.2可溶性固形物
按GB/T 8210的规定执行。
6.2.3总酸
按GB/T 8210的规定执行。
6.3卫生指标
按NY5011的有关规定执行。
6.4净含量
按JJF1070的规定检验。
7检验规则
7.1组批
同一生产单位、同-·品种、同一等级、同一包、同一-贮存条件的赣南脐橙作为一个检验批次。7.2抽样方法
按 GB/T 8855的规定执行,
7.3交收检验
每批产品应经生产单位质量检验部门检验合格并附有合格证方可交收,交收检验项月包括感官指标,可溶性固形物、净含量、包装和标志,7.4型式检验
7.4.1型式检验项目为本标准5.4规定的项目。7.4.2有下列情形之--者应避行型式检验:a)因人为或自然因索使生产环境发生较大变化;b)质量监督机构提出型试检验求时。3
GB/T20355-2006
7.5判定规则
7.5、1感官指标不合格品果占总果的百分率不超过7%,且理化指标、卫生指标、净含量,标志均合格则判该批产品合格。
7.5.2感言指标不合格品果占总果的百分率超过7%,或理化指标,卫生指标,净含量,标志有一项不合格,则判该批产品为不合格。7.5.3在采后处理过程中不得进行染色处理,否则为不合格产品。7.5.4对果品规格、包装检验不合格的,允许生产单位进行整改后申请复检。8标志.包装,运输和购存
日。1标志
外包装上应标明产品名称(额南脐橙)、品种、产地、果品数量、果品等级(特级、一级、二级、三级)、净含量,地理标志产品专用标志,执行标准编号、小心轻放、防晒防雨警示等内容。8.2包装
按GB/T13607有关规定执行。
8.3运输
8.3.1运输工具
运输工具应洁卫生,干燥无异味。8.3.2堆放
按NY5011的有关规定执行。
8.4贮存
在常温、玲藏下贮存,按GB/T10547规定执行。4
附录A
(规范性附录)
赣南脐授地理标志产品保护范围赣南脐地理标志产品保护范围见图A,1。安
注,赣南脐橙地理标志产品保护范围限于懿州市现辖行政区域内寻
图A.1赣南脐極地理标志产品保护范围图抚
GB/T20355—2006
GB/T20355—2006
B.1品种选择
附录B
(资料性附录)
巅南脐橙裁培技术
主要推广品种:纽荷尔、奈维林娜、华盛顿脐橙、牵节72-1、佛罗斯特、清家、卡拉卡拉、福本等。B.2苗木繁育
B.2.1砧木苗培养
B,2. 1.1 采种和播种
选优良的积橙或机壳,9 月下旬至10月上间来种,于12 月上,中旬冬播或次年2月下旬至3月上句春播。
B. 2、1.2苗管理
3 月至 4 月在苗高 10 cm左右进行移裁,行距 20 cm。适时中耕除草、动施薄施追肥,及时防治病虫害,
B.2.2嫁接苗培育
B.2.2. 1嫁接口高度
积壳砧木嫁接高度10cm,积橙砧本嫁接高度15cm。B. 2, 2. 2嫁接
凡生长发育充实的春,意,秋梢,均可用于接穗:接穗它从虽质优良、丰产性能好、无检疫性病虫露的成年母树上采集。嫁接方法有切接法、芽接法、腹接法等。苗本成活后及时解膜、剪砧、除萌,施薄施追肥,及时进行病虫害防治。在春梢超过]5 心m 时摘心,以促发夏梢,在苗高 40 cm~45 cm 时项,以促发分枝,在离地 25 cm 以上不同方位选 3 个~4 个壮梢暨作主其余全部抹除。
B,2,3黄本出断
嫁接菌木达到表1规定时出圃。Www.bzxZ.net
苗高(距地
积壳砧
积癌砖上
B.3栽培普理
B.3.1栽植
面)/cm
苗粗(嫁接
口以上
3 em /cm
苗木规格
分枝数(苗
高25 cm以
上处)/条
骨干程长
度/cm
分枝长
度/cm
例根数
量/茶
较发达
较发达
选择士层深厚80cm以上,肥沃松,地下水位1m以下,保水保肥力强+pH5.5~6.5.近水源,交F
GB/T 20355—2006
通方便,土质壤土、粘壤士,沙壤土的园地种植。裁植时间:大田苗直接定植分为秋植和春植,秋植:一般在秋梢老熟后至11月上旬定植:吞植:2月中,下旬春梢崩芽前定植,穿器菌(营养装和肯养篓苗)栽植不受季节限制2月至11月均可裁植。裁植密度株行距(3m~m)×(3.5m-~4.5m),每公顿裁675株~825株(即每亩裁45株~55株),坡地可密些,平地可稀些。B.3.2整形修剪
通常采用自然开心形或自然圆头形。修剪以解决通风透光和调节树体营养牛长和生殖生长为原则。运用抹穿、摘心、拉枝、扭梢和短截、回缩、疏枝等惨方法,使树冠枝梢稀密适度、分布有序,形成丰产稳产的良好树冠结构。修剪时期分休眠期惨剪和牛长期髂剪。B. 3. 3土肥水管理
幼龄脐橙园种植绿肥。如肝橙园种植间作物:秸秆应还园。8月下旬至11H中包进行深翻扩穴,改良土壤。
幼龄树追肥在2月下句至8月上进行,促发春、夏,秋二次梢,使之迅速形成树冠:结果树提倡测土配方施肥,年施肥量二至四次。者肥在套梢萌发前施入,施肥量占全年施肥的15%25%秘肥在7月中旬秋梢拥发前施人,施肥量占30%~40%左右:冬肥在11月上.中旬采果前后施人,施肥量占30%~40%。幼龄树氮,磷、钾施用比例为10.3:0. 5左石,成年树氮、磷、钾施用比例为1:0.6!(0.8~1)左有花期和幼果期应进行硼、锌、钳、镁等微量无暴的根外追肥。雨季及时排水,草季做好树盘覆盖,适时水,果实成熟期适当控水。B.3.4病虫害防治
病史害防治采取预防为主,综合防治的原则,合理采用农业、生物、物理和化学等综合防治手段.者重防治炭疽病、红蜘蛛、锈壁虱、壳虫、潜叶蛾、桔蚜等病虫害。应适时喷药,科学合呷用药。农约使用推则按照NY/T 5015执行,采摘前30d,禁止使用化学农药。B, 3. 5防止冻窖
新建脐橙园要营造防护林。冬前,要做好主于刷白、包草、培士、熏烟造云等工作。GB/T 20355-2006
中华人民共和国
国家标雅
地理标志产品南脐接
CB/T 20355—2006
中国标准出版社出版发行
北京复兴门外三里河北街16号
邮编码,100045
网址 spc, net. cn
电话:6852394668517548
中国标准出版杜秦皇岛印刷广印刷各地新华书店经销
开本 8B0×1230 1/16
印张 0.75
宇数14千字
2006年10月第一版2006年10月第一次印刷定价10.00元
书号:155066:1-28194
如有印装差错由本社发行中心调换版权专有侵权必究
举报电话:(010)68533533
小提示:此标准内容仅展示完整标准里的部分截取内容,若需要完整标准请到上方自行免费下载完整标准文档。

标准图片预览:





- 其它标准
- 热门标准
- 国家标准(GB)
- GB/T39249-2020 橡胶和塑料软管及非增强软管织物增强型 低温压扁试验
- GB/T7095.1-2008漆 漆包铜扁绕组线 第1部分:一般规定
- GB50115-2009 工业电视系统工程设计规范
- GB/T285-1994 滚动轴承 双列圆柱滚子轴承 外形尺寸
- GB/T1599-2002 锑锭
- GB/T27404-2008 实验室质量控制规范 食品理化检测
- GB50724-2011 大宗气体纯化及输送系统工程技术规范
- GB4623-1994 环形预应力混凝土电杆
- GB/T6178-1986 1型六角开槽螺母A和B级
- GB5903-1995 工业闭式齿轮油
- GB/T5094.1-2002 工业系统、装置与设备以及工业产品结构原则与参照代号 第1部分:基本规则
- GB/T5094-1985 电气技术中的项目代号
- GB/T23344-2009 纺织品 4-氨基偶氮苯的测定
- GB/T1357-1987 渐开线圆柱齿轮模数
- GB/T7932-2003 气动系统通用技术条件
- 行业新闻
请牢记:“bzxz.net”即是“标准下载”四个汉字汉语拼音首字母与国际顶级域名“.net”的组合。 ©2009 标准下载网 www.bzxz.net 本站邮件:bzxznet@163.com
网站备案号:湘ICP备2023016450号-1
网站备案号:湘ICP备2023016450号-1