- 您的位置:
- 标准下载网 >>
- 标准分类 >>
- 电子行业标准(SJ) >>
- SJ/Z 9019-1987 示波管和显像管外形图的绘制
标准号:
SJ/Z 9019-1987
标准名称:
示波管和显像管外形图的绘制
标准类别:
电子行业标准(SJ)
标准状态:
现行-
发布日期:
1987-09-14 -
实施日期:
1987-09-14 出版语种:
简体中文下载格式:
.rar.pdf下载大小:
149.45 KB
部分标准内容:
中华人民共和国电子工业推荐性部标准示波管和显像管外形图的绘制
Prepararion of outlinedrawings ofoscilloscopeand picturetubes
1目的
SJ/Z9019-87
IEC139(1962)
本标准规定了阴极射线管外形图的绘制规则,其目的是促使在不同的国家编制标准时,采用相同的画法。
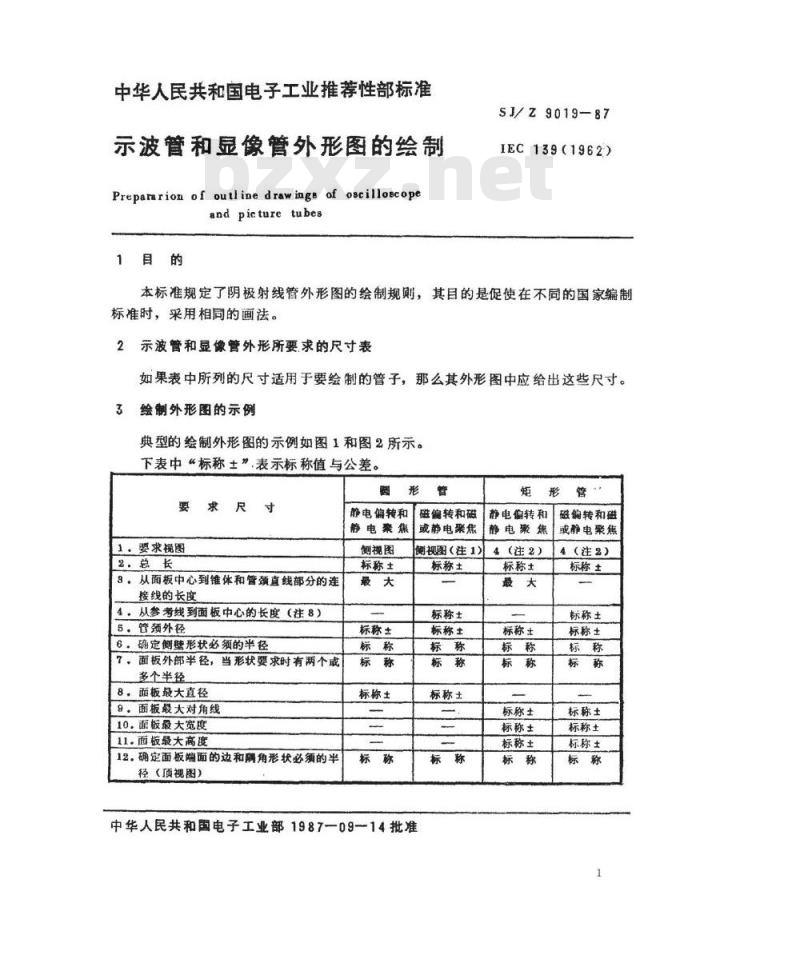
2示波管和显像管外形所要求的尺寸表如果表中所列的尺寸适用于要绘制的管子,那么其外形图中应给出这些尺寸。3绘制外形图的示例
典型的绘制外形图的示例如图1和图2所示。下表中“标称±”.表示标称值与公差。求尺寸
1.婴求视图
9。从面板中心到锥体和管颈直线部分的连接线的长度
4,从参考线到面板中心的长度(注8)5.管预外径
6。确定侧壁形状必须的半径
7,面板外部半径,当形状要求时有两个成多个半径
8.面板最大直径
9,面板段大对角线
10面板最大宽度
11.面板最大高度
12.确定面板端面的边和隅角形状必须的半径(顶视图)
静电偏转和
静电聚焦
侧视图
标称士
标称士
标称土
磁偏转和磁
或静电聚焦
衡视图(注1)
标称士
标称士
标称土
标称生
中华人民共和国电子工业部1987-09-14批准称
静电偏转和
静电聚焦
4(注2)
标称士
标称士
标称士
标称士
标称土
磁偏转和磁
或静电聚焦
4(注2)
标称土
标称土
标称土
标称土
标称土
标称士
要求尺
18.屏面直径
14.屏面最大宽度
15.屏面最大高度
16.屏面曲边和角的半径下载标准就来标准下载网
17.直径成对角线编转角
18.水平偏转角
19.垂直偏转角
20.侧电极销的位置
SJ/Z9019-87
静电偏转和
静电聚焦
(注4)
21.管壳外导电涂层的接触面相对于参考线的位翼(注6)
22,偏转线图和聚焦元件相对于参考线的预定位置
23.离子阱磁铁和(或)校正磁铁相对于参,考线的顶定位置
24,们转中心相对于参考线的位置25.管基识别
26.侧电极帽识别
27.参考线爆规识别
注,①
(注7)
磁编转和磁
或静电聚焦
(注5)
标称士
(注7)
静电偏转和
静电聚焦
(注4)
(注7)
磁偏转和磁
或静电聚焦
(往5)
标称士
(注7)
参见IEC67号标准(注8)
参见IEC67号标准(注8)
参见IEC67号标准(注8)
通带仪要求管子的侧视图,但是对某些管型,例如投影显像管也可要求顶视图。要求管子的四个视图,即:顶视图、长边例视图、短边侧视图和对角线视图(如果所要求的全部数据能够用别的方法给出的话,对角线视图可以不要)。参考线用适当的参考线放规确定。用以下方法确定各侧电极幅位置;④
(a)标出距面板中心的距离(标称±):(b)指出通过侧电极相和管轴的平面可以偏离一对规定偏转电极产生的束迹的角度成偏离通过规定管脚平面的角度偏差!(C)指出侧电极帽相对于规定管脚是位于管子的哪一侧。用以下方法确定各侧电极帽位置:?
(a)标出距参考线的距离(标称士))(b)指出通过侧电极判1和管轴的平面可以偏离通过管轴和舰定价脚(或空脚位)的平面的角度偏差;
(C)指出侧电极相对于规定管脚(或空脚位置)位于管子的哪一侧。?
规定标出相对于侧电极的方位和接触面的小尺寸。这个尺寸不能吐,仪供便用者参考。?
在IECB7号标准中未给出数据时,应标出各特征的相应细节。(8)
图上的编号参见尺寸表。
SJ/Z901987
示波器
往:通过管轴与第5号管脚的平面和通过管轴与侧电极(与管脚6位于管子同侧)的平面分别可以偏离由规定的一对偏转电极产生的束迹的角度公差为土10.(绕管轴测量)。3
图上的编号参见尺寸表。
参考线
(注2)
SJ/Z9019—87
显像管
26(注1)
参考线
(H2)
注:①遵过管轴与第8号空脚位的平面可以偏离通过管轴与侧电极蜡的平面的角度公差为土80(绕管轴测盘)。侧电极帽和第8号空脚位置位于管子的同侧。②用参考线盘规确定。
?外导电层接触面。
小提示:此标准内容仅展示完整标准里的部分截取内容,若需要完整标准请到上方自行免费下载完整标准文档。
Prepararion of outlinedrawings ofoscilloscopeand picturetubes
1目的
SJ/Z9019-87
IEC139(1962)
本标准规定了阴极射线管外形图的绘制规则,其目的是促使在不同的国家编制标准时,采用相同的画法。
2示波管和显像管外形所要求的尺寸表如果表中所列的尺寸适用于要绘制的管子,那么其外形图中应给出这些尺寸。3绘制外形图的示例
典型的绘制外形图的示例如图1和图2所示。下表中“标称±”.表示标称值与公差。求尺寸
1.婴求视图
9。从面板中心到锥体和管颈直线部分的连接线的长度
4,从参考线到面板中心的长度(注8)5.管预外径
6。确定侧壁形状必须的半径
7,面板外部半径,当形状要求时有两个成多个半径
8.面板最大直径
9,面板段大对角线
10面板最大宽度
11.面板最大高度
12.确定面板端面的边和隅角形状必须的半径(顶视图)
静电偏转和
静电聚焦
侧视图
标称士
标称士
标称土
磁偏转和磁
或静电聚焦
衡视图(注1)
标称士
标称士
标称土
标称生
中华人民共和国电子工业部1987-09-14批准称
静电偏转和
静电聚焦
4(注2)
标称士
标称士
标称士
标称士
标称土
磁偏转和磁
或静电聚焦
4(注2)
标称土
标称土
标称土
标称土
标称土
标称士
要求尺
18.屏面直径
14.屏面最大宽度
15.屏面最大高度
16.屏面曲边和角的半径下载标准就来标准下载网
17.直径成对角线编转角
18.水平偏转角
19.垂直偏转角
20.侧电极销的位置
SJ/Z9019-87
静电偏转和
静电聚焦
(注4)
21.管壳外导电涂层的接触面相对于参考线的位翼(注6)
22,偏转线图和聚焦元件相对于参考线的预定位置
23.离子阱磁铁和(或)校正磁铁相对于参,考线的顶定位置
24,们转中心相对于参考线的位置25.管基识别
26.侧电极帽识别
27.参考线爆规识别
注,①
(注7)
磁编转和磁
或静电聚焦
(注5)
标称士
(注7)
静电偏转和
静电聚焦
(注4)
(注7)
磁偏转和磁
或静电聚焦
(往5)
标称士
(注7)
参见IEC67号标准(注8)
参见IEC67号标准(注8)
参见IEC67号标准(注8)
通带仪要求管子的侧视图,但是对某些管型,例如投影显像管也可要求顶视图。要求管子的四个视图,即:顶视图、长边例视图、短边侧视图和对角线视图(如果所要求的全部数据能够用别的方法给出的话,对角线视图可以不要)。参考线用适当的参考线放规确定。用以下方法确定各侧电极幅位置;④
(a)标出距面板中心的距离(标称±):(b)指出通过侧电极相和管轴的平面可以偏离一对规定偏转电极产生的束迹的角度成偏离通过规定管脚平面的角度偏差!(C)指出侧电极帽相对于规定管脚是位于管子的哪一侧。用以下方法确定各侧电极帽位置:?
(a)标出距参考线的距离(标称士))(b)指出通过侧电极判1和管轴的平面可以偏离通过管轴和舰定价脚(或空脚位)的平面的角度偏差;
(C)指出侧电极相对于规定管脚(或空脚位置)位于管子的哪一侧。?
规定标出相对于侧电极的方位和接触面的小尺寸。这个尺寸不能吐,仪供便用者参考。?
在IECB7号标准中未给出数据时,应标出各特征的相应细节。(8)
图上的编号参见尺寸表。
SJ/Z901987
示波器
往:通过管轴与第5号管脚的平面和通过管轴与侧电极(与管脚6位于管子同侧)的平面分别可以偏离由规定的一对偏转电极产生的束迹的角度公差为土10.(绕管轴测量)。3
图上的编号参见尺寸表。
参考线
(注2)
SJ/Z9019—87
显像管
26(注1)
参考线
(H2)
注:①遵过管轴与第8号空脚位的平面可以偏离通过管轴与侧电极蜡的平面的角度公差为土80(绕管轴测盘)。侧电极帽和第8号空脚位置位于管子的同侧。②用参考线盘规确定。
?外导电层接触面。
小提示:此标准内容仅展示完整标准里的部分截取内容,若需要完整标准请到上方自行免费下载完整标准文档。
标准图片预览:




- 热门标准
- 电子行业标准(SJ)
- SJ3166-1988 GZS12-4-3型彩色显像管插座
- SJ783-1974 3DG101型NPN硅外延平面高频小功率三极管
- SJ2857.2-1988 温差电致冷材料性能的测试方法 电导率的测试方法
- SJ2879-1988 彩色电视接收机用色纯静会聚磁体组合件总规范
- SJ3232.4-1989 低熔焊接玻璃粉结晶化时间的测定方法
- SJ/T9546-1993 无金属化孔单、双面印制板的质量分等标准
- SJ/T10038-1991 电子器件详细规范 半导体集成电路CC4008型CMOS4位二进制超前进位全加器
- SJ20934-2005 空降兵指挥自动化系统通用要求
- SJ/T31063-1994 TCM-B三氯乙烯清洗机完好要求和检查评定方法
- SJ/T31168-1994 发射管电性能测试电源完好要求和检查评定方法
- SJ/T31284-1994 TEC-L-W-1型电容器成品编带机完好要求和检查评定方法
- SJ/T31384-1994 洗衣机定时器寿命试验台完好要求和检查评定方法
- SJ/T31441-1994 离心式制冷机组完好要求和检查评定方法
- SJ/T31449-1994 供油管道完好要求和检查评定方法
- SJ20837-2002 仪表着陆系统选址要求
- 行业新闻
请牢记:“bzxz.net”即是“标准下载”四个汉字汉语拼音首字母与国际顶级域名“.net”的组合。 ©2025 标准下载网 www.bzxz.net 本站邮件:bzxznet@163.com
网站备案号:湘ICP备2025141790号-2
网站备案号:湘ICP备2025141790号-2