- 您的位置:
- 标准下载网 >>
- 标准分类 >>
- 电子行业标准(SJ) >>
- SJ/T 10997-1996 电子器件详细规范 CD289型固定铝电解电容器(可供认证用)
标准号:
SJ/T 10997-1996
标准名称:
电子器件详细规范 CD289型固定铝电解电容器(可供认证用)
标准类别:
电子行业标准(SJ)
标准状态:
现行-
发布日期:
1996-11-20 -
实施日期:
1997-01-01 出版语种:
简体中文下载格式:
.rar.pdf下载大小:
584.74 KB
中标分类号:
医药、卫生、劳动保护>>医药、卫生、劳动保护综合>>C01技术管理
替代情况:
原标准号GB 9605-88采标情况:
IEC 384-4-1-85 IDT
点击下载
标准简介:
标准下载解压密码:www.bzxz.net
SJ/T 10997-1996 电子器件详细规范 CD289型固定铝电解电容器(可供认证用) SJ/T10997-1996
部分标准内容:
中华人民共和国国家标准
GB9605--88
降为SJ/T10997-96
申子元器件详细规范
CD289型固定铝电解电容器
Detail spccification for electronic componentsType CD289 fixed aluminium electrolyte capacitors(可供认证用)
1988-06-29发布
家标准居发布
1989-02-01实施
中华人民共和国国家标准
电子元器件详细规范
CD289型固定铝电解电容器
Detail specification for electronic componentsType CD289 fixed aluminium electrolyte capacitors(可供认证用)
GB5994
KANYKA
GB9605—88
本标准适用于CD289型固定铝电解电容器,它是按照IEC384~-4-1-1985《电子设备用固定电容QC300301
GB2693
器第四部分:空白详细规范非固体电解质铝电容器评定水平E》制定的。符合IEC384-—1-1982QC300000
GB5993
《电子设备用固体电容器第-部分:总规范》和1EC384—4—1985《电子设备用固定电容器第四部QC300300
分:分规范固体和非固体电解质铝电容器》的要求。中国电子元器件质量认证委员会标准机构是中国电子技术标准化研究所。中华人民共和国电子工业部1988-04-30批准1989-02-01实施
印刷板基孔尺寸
GB9605--88
技术监督局
GB2693
按IEC384-~1评定质量的电子元器件QC300000
外形图尺寸
a型2230
b型30s0
C型D=34
按本详细规范鉴定合格的元器件的有效资料在鉴定合格一览表中给出ml!
GB9605-88
GB5994
IEC384-4--1
QC300301
CD289型非固体电解
质铝电容器
园柱形金腾外壳
单向焊片式
有极性
带绝缘套
有压力释放装置
可用于彩色电视
接收机或其他
电子设备
评定水平E:
特性等级:替通级
一般数据
GB9605--88
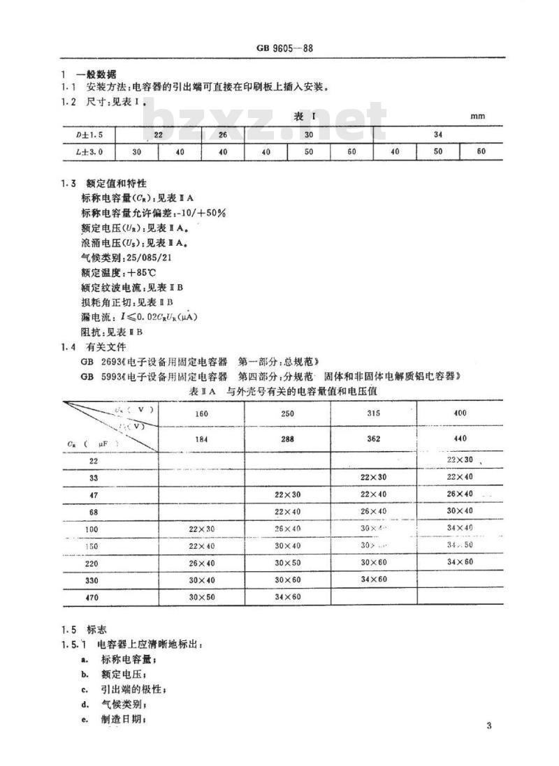
安装方法:电容器的引出端可直接在印刷板上插入安装。1.1
1.2尺寸:见表1。
额定值和特性
标称电容量(CR):见表IA
标称电容量充许偏差:-10/+50%额定电压(UR):见表IA。
浪涌电压(Us):见表1A。
气候类别:25/085/21
额定温度:+85℃
额定纹波电流:见表IB
损耗角正切:见表IB
漏电流:I<0.02CRUR(uA)
阻抗:见表IB
1.4有关文件
GB2693《电子设备用固定电容器第一部分:总规范》60
GB5993《电子设备用固定电容器第四部分:分规范固体和非固体电解质铝电容器》与外壳号有关的电容量值和电压值表IA
1.5标志
22×30
22×40
26×40
30×40
30×50
电容器上应清晰地标出:
标称电容量;
额定电压;
引出端的极性;
气候类别;
制造日期;
22×30
22×40
26×40
30×40
30×50
30×60
34×60
22×30
22×40
26×40
30×60
34×60
22×30
22×40
26×40
30×40
34×40
34×60
制造厂商标;
型号。
GB9605-88
装有电容器的包装应明确标出GB5993号标准中1.6.1条中的所有项目。1.5.2
6订货数据:按本详细规范生产的电容器在订货时应清楚地提供下列内容:1.6
标称电容量:
损耗角正切、阻抗和额定纹波电流损耗角正切
20℃,100Hz
20℃,100Hz
注:若需要50Hz的额定纹波电流时,可将100Hz的额定纹波电流值乘以0.7。额定纹波电流
85℃,100KHz
电容量允许偏差:
额定电压;
本详细规范的代号和产品型号。1.7放行批的证明记录
需要。
2检验要求
2.1程序
GB9605—88
鉴定批准程序按分规范,即现行的GB5993标准的3.4条进行。KANKA
2.1.2质量一致性检验的试验一览表(表耳)中包括抽样、周期、严酷度和要求。检验批的构成包括在分规范3.5.1条中。
注:①表中试验的条款号和特性要求引自GB5993标准和本规范的第一章。②IL和AQL由IEC410号标准(计数检查的抽样方案和程序)选得。表中:P—周期(月数)
n——样本大小
接收判据(允许不合格品数)
一破坏性的
一非破坏性的
IL——检查水平
一合格质量水平
SIEC410
④当本规范中的电容器上有可重复使用的压力释放装置时,结果会使压力释放装置上产生轻微的变色、脱色、温湿润等现象,这不能认为是漏液和(或)可见损伤,然而,可见损伤和漏液是不允许的。5
条款号和试验
(见注?)
A组检验(逐批)
A1分组
4.2外观检查
4.2外形尺寸(规
A2分组
4.3.1漏电流
4.3.2电容量
4.3.3损耗角正切
4.3.4阻抗
B组检验(逐批)
B1分组
4.6可焊性
B2分组
4.19高低温特性
D或ND
GB960588
试验条件
(见注①)
(见注①)
保护电阻约为1000Q
频率:100Hz
频率:100Hz
频率:100kHz
方法:Ta方法1
电容器在各个温度阶
段下测量
阶段1:20℃
阻抗(与阶段2的频率
相同)
阶段2:-25℃
阻抗,
测量频率:100Hz
特性要求
(见注)
如4.2条,标志清晰及按本规
范1.5条的规定。
按本规范表1的规定。
如本规范的1.3条。
符合本规范1.3条的规定。
不超过本规范表IB的规定。
不超过本规范表IB的规定。
引出端有良好的镀锡层且
引出端湿润
相对于阶段1测量值的比率:
Ur>160
阻抗比
条款号和试验
(见注①)
C组检验(周期)
C1A分组
C1分组样本中的部分
4.2外形尺寸(详细)
4.4.1初始测量
4.4引出端强度
4.5耐焊接热
4.5.3最后测量
C1B分组
C1分组样本中的其余
4.7.1初始测量
4.7温度快速变化
4.7.3最后测量
4.8振动
4.8.2最后测量
4.9碰撞免费标准bzxz.net
4.9.2最后测量
c1分组
CIA和C1B分组的全
部样品
4.11气候顺序
4.11.1干热
电容量
GB9605--88
续表I
试验条件
(见注①)
外观检查
方法:试验Tb方法1A
外观检查
电容量
电容量
=-25℃
=+85℃
五次循环
持续时间:1=30min
恢复16h
外观检查
安装方法:按本规范的1.1
程序B4
频率范围:10~55Hz
振幅:0.35mm
持续时间:3×0.5h
外观检查
电容量
安装方法:按本规范1.1条
碰撞次数:1000次
加速度:390m/s2
脉冲宽度:6ms
外观检查
电容量
温度:+85℃
样本大小和合格
判定数(见注③)
.......
特性要求
(见注①)
符合本规范的表IA
无可见损伤
TYKAONYKA
无可见损伤、标志清晰
AC/C与4.4.1条相比小于或等
无可见损伤和无工作电解液渗
无可见损伤和无工作电解液
漏标志清晰
AC/C与4.7.1条相比小于或等
无可损伤和无工作电解液渗漏
4C/C与4.7.1条相比小于或等
条款号和试验
(见注①)
4.11.2循环湿热试验Db
第循环
4.11.3低温
4.11.5循不湿热试验Db
其余循环
4.11.7最后测量
C2分组
4.12稳态湿热
4.12.1初始测量
4.12.2最后测量
C3分组
4.13耐久性
4.13.1初始测量
4.13.3最后测量
GB960588
续表亚
试验条件
(见注①)
持续时间:16h
温度,-25℃,持续时间,2h
外观检查
漏电流
电容量
损耗角正切
电容量
外观检查
漏电流
电容量
损耗角正切
持续时间:1000h
温度:+85℃
施加电压:直流电压与交流
电压峰值之和等于额定电
压。交流电压值由表IB中
规定的额定纹波电流值给
恢复,至少16h
电容量
外观检查
漏电流
电容量
损耗角正切
样本大小和合格
判定数(见注)
特性要求
(见注①)
无可见伤和无工作电解液渗漏
按本规范1.3条
AC/C与4.5.3和4.9.2条相比小
于或等于10%
≤1.2倍本规范表1B规定值
无可见损伤和无工作电解液渗漏按本规范1.3条
AC/C与4.12.1条相比小于或等
于20%
≤1.2倍本规范表1B规定值
≤1.2倍本规范表IB规定值
无可见损伤和无工作电解液渗
漏,标志清晰
按本规范1.3条
AC/C与4.13.1条相比小
于或等于20%
≤1.5倍本规范表B规定值
≤1.2倍本规范表IB规定值
条款号和试验
(见注?)
C4A分组
4.14浪涌
4.14.1初始测量
4.14.3最后测量
C4B分组
4.16压力释放
C5A分组
4.17高温贮存
4.17.1初始测量
4.17.2最后测量
C5B分组
4.18低温存
4.18.1初始测量
4.18.2最后测量
GB9605—88
续表重
试验条件
(见注?)
循环次数:1000次
温度:15~35℃
充电电压:见表复A
充电持续时间:30s
放电持续时间:5min30s
电容量
外观检查
漏电流
电容量
损耗角正切
方法:直流法或交流法
温度:+85℃
持续时间:500士4h
恢复,至少16h
电容量
外观检查
漏电流
电容量
损耗角正切
持续时间:16h
温度:-40℃
恢复,至少16h
电容量
外观检查
漏电流
电容量
损耗角正切
样本大小和合格
判定数(见注③)
特性要求
(见注①)
无可见损伤和无工作电解液
按本规范1.3条
4C/C与4.14.1条相比小
于或等于15%
按本规范表IB规定
装置打开
无爆炸和燃烧
无可见损伤和无工作电解液
<2倍本规范表1.3条规定值
AC/C与4.17.1条相比小
于或等于20%
≤1.2倍本规范表IB规定值
无可见损伤和无工作电解液
按本规范1.3条
AC/C与4.18.1条相比小
于或等于10%
按本规范表IB规定
条号和试验
(见注①)
C6分组
4.19高低温待性
附加说明:
GB9605--88
试验条件
(见注①)
电容器在各个温度阶段下测量
阶段1.20℃
电容量
阻抗(与第二阶段的频率相同)·阶段2-25℃
测量频率:100Hz
阶段3:+85℃
漏电流
电容量
本标准由四三二一厂负责起草。10
样本大小和合格判定
数(见注③)
作基准值
特性要求
(见注①)
相对于阶段1测量
值的比率:
Ua≤160
UR>160
阻抗比
≤5倍本规范1.3条规定值
AC/C与阶段测量值相比小
于或等于20%
小提示:此标准内容仅展示完整标准里的部分截取内容,若需要完整标准请到上方自行免费下载完整标准文档。
GB9605--88
降为SJ/T10997-96
申子元器件详细规范
CD289型固定铝电解电容器
Detail spccification for electronic componentsType CD289 fixed aluminium electrolyte capacitors(可供认证用)
1988-06-29发布
家标准居发布
1989-02-01实施
中华人民共和国国家标准
电子元器件详细规范
CD289型固定铝电解电容器
Detail specification for electronic componentsType CD289 fixed aluminium electrolyte capacitors(可供认证用)
GB5994
KANYKA
GB9605—88
本标准适用于CD289型固定铝电解电容器,它是按照IEC384~-4-1-1985《电子设备用固定电容QC300301
GB2693
器第四部分:空白详细规范非固体电解质铝电容器评定水平E》制定的。符合IEC384-—1-1982QC300000
GB5993
《电子设备用固体电容器第-部分:总规范》和1EC384—4—1985《电子设备用固定电容器第四部QC300300
分:分规范固体和非固体电解质铝电容器》的要求。中国电子元器件质量认证委员会标准机构是中国电子技术标准化研究所。中华人民共和国电子工业部1988-04-30批准1989-02-01实施
印刷板基孔尺寸
GB9605--88
技术监督局
GB2693
按IEC384-~1评定质量的电子元器件QC300000
外形图尺寸
a型2230
b型30s0
C型D=34
按本详细规范鉴定合格的元器件的有效资料在鉴定合格一览表中给出ml!
GB9605-88
GB5994
IEC384-4--1
QC300301
CD289型非固体电解
质铝电容器
园柱形金腾外壳
单向焊片式
有极性
带绝缘套
有压力释放装置
可用于彩色电视
接收机或其他
电子设备
评定水平E:
特性等级:替通级
一般数据
GB9605--88
安装方法:电容器的引出端可直接在印刷板上插入安装。1.1
1.2尺寸:见表1。
额定值和特性
标称电容量(CR):见表IA
标称电容量充许偏差:-10/+50%额定电压(UR):见表IA。
浪涌电压(Us):见表1A。
气候类别:25/085/21
额定温度:+85℃
额定纹波电流:见表IB
损耗角正切:见表IB
漏电流:I<0.02CRUR(uA)
阻抗:见表IB
1.4有关文件
GB2693《电子设备用固定电容器第一部分:总规范》60
GB5993《电子设备用固定电容器第四部分:分规范固体和非固体电解质铝电容器》与外壳号有关的电容量值和电压值表IA
1.5标志
22×30
22×40
26×40
30×40
30×50
电容器上应清晰地标出:
标称电容量;
额定电压;
引出端的极性;
气候类别;
制造日期;
22×30
22×40
26×40
30×40
30×50
30×60
34×60
22×30
22×40
26×40
30×60
34×60
22×30
22×40
26×40
30×40
34×40
34×60
制造厂商标;
型号。
GB9605-88
装有电容器的包装应明确标出GB5993号标准中1.6.1条中的所有项目。1.5.2
6订货数据:按本详细规范生产的电容器在订货时应清楚地提供下列内容:1.6
标称电容量:
损耗角正切、阻抗和额定纹波电流损耗角正切
20℃,100Hz
20℃,100Hz
注:若需要50Hz的额定纹波电流时,可将100Hz的额定纹波电流值乘以0.7。额定纹波电流
85℃,100KHz
电容量允许偏差:
额定电压;
本详细规范的代号和产品型号。1.7放行批的证明记录
需要。
2检验要求
2.1程序
GB9605—88
鉴定批准程序按分规范,即现行的GB5993标准的3.4条进行。KANKA
2.1.2质量一致性检验的试验一览表(表耳)中包括抽样、周期、严酷度和要求。检验批的构成包括在分规范3.5.1条中。
注:①表中试验的条款号和特性要求引自GB5993标准和本规范的第一章。②IL和AQL由IEC410号标准(计数检查的抽样方案和程序)选得。表中:P—周期(月数)
n——样本大小
接收判据(允许不合格品数)
一破坏性的
一非破坏性的
IL——检查水平
一合格质量水平
SIEC410
④当本规范中的电容器上有可重复使用的压力释放装置时,结果会使压力释放装置上产生轻微的变色、脱色、温湿润等现象,这不能认为是漏液和(或)可见损伤,然而,可见损伤和漏液是不允许的。5
条款号和试验
(见注?)
A组检验(逐批)
A1分组
4.2外观检查
4.2外形尺寸(规
A2分组
4.3.1漏电流
4.3.2电容量
4.3.3损耗角正切
4.3.4阻抗
B组检验(逐批)
B1分组
4.6可焊性
B2分组
4.19高低温特性
D或ND
GB960588
试验条件
(见注①)
(见注①)
保护电阻约为1000Q
频率:100Hz
频率:100Hz
频率:100kHz
方法:Ta方法1
电容器在各个温度阶
段下测量
阶段1:20℃
阻抗(与阶段2的频率
相同)
阶段2:-25℃
阻抗,
测量频率:100Hz
特性要求
(见注)
如4.2条,标志清晰及按本规
范1.5条的规定。
按本规范表1的规定。
如本规范的1.3条。
符合本规范1.3条的规定。
不超过本规范表IB的规定。
不超过本规范表IB的规定。
引出端有良好的镀锡层且
引出端湿润
相对于阶段1测量值的比率:
Ur>160
阻抗比
条款号和试验
(见注①)
C组检验(周期)
C1A分组
C1分组样本中的部分
4.2外形尺寸(详细)
4.4.1初始测量
4.4引出端强度
4.5耐焊接热
4.5.3最后测量
C1B分组
C1分组样本中的其余
4.7.1初始测量
4.7温度快速变化
4.7.3最后测量
4.8振动
4.8.2最后测量
4.9碰撞免费标准bzxz.net
4.9.2最后测量
c1分组
CIA和C1B分组的全
部样品
4.11气候顺序
4.11.1干热
电容量
GB9605--88
续表I
试验条件
(见注①)
外观检查
方法:试验Tb方法1A
外观检查
电容量
电容量
=-25℃
=+85℃
五次循环
持续时间:1=30min
恢复16h
外观检查
安装方法:按本规范的1.1
程序B4
频率范围:10~55Hz
振幅:0.35mm
持续时间:3×0.5h
外观检查
电容量
安装方法:按本规范1.1条
碰撞次数:1000次
加速度:390m/s2
脉冲宽度:6ms
外观检查
电容量
温度:+85℃
样本大小和合格
判定数(见注③)
.......
特性要求
(见注①)
符合本规范的表IA
无可见损伤
TYKAONYKA
无可见损伤、标志清晰
AC/C与4.4.1条相比小于或等
无可见损伤和无工作电解液渗
无可见损伤和无工作电解液
漏标志清晰
AC/C与4.7.1条相比小于或等
无可损伤和无工作电解液渗漏
4C/C与4.7.1条相比小于或等
条款号和试验
(见注①)
4.11.2循环湿热试验Db
第循环
4.11.3低温
4.11.5循不湿热试验Db
其余循环
4.11.7最后测量
C2分组
4.12稳态湿热
4.12.1初始测量
4.12.2最后测量
C3分组
4.13耐久性
4.13.1初始测量
4.13.3最后测量
GB960588
续表亚
试验条件
(见注①)
持续时间:16h
温度,-25℃,持续时间,2h
外观检查
漏电流
电容量
损耗角正切
电容量
外观检查
漏电流
电容量
损耗角正切
持续时间:1000h
温度:+85℃
施加电压:直流电压与交流
电压峰值之和等于额定电
压。交流电压值由表IB中
规定的额定纹波电流值给
恢复,至少16h
电容量
外观检查
漏电流
电容量
损耗角正切
样本大小和合格
判定数(见注)
特性要求
(见注①)
无可见伤和无工作电解液渗漏
按本规范1.3条
AC/C与4.5.3和4.9.2条相比小
于或等于10%
≤1.2倍本规范表1B规定值
无可见损伤和无工作电解液渗漏按本规范1.3条
AC/C与4.12.1条相比小于或等
于20%
≤1.2倍本规范表1B规定值
≤1.2倍本规范表IB规定值
无可见损伤和无工作电解液渗
漏,标志清晰
按本规范1.3条
AC/C与4.13.1条相比小
于或等于20%
≤1.5倍本规范表B规定值
≤1.2倍本规范表IB规定值
条款号和试验
(见注?)
C4A分组
4.14浪涌
4.14.1初始测量
4.14.3最后测量
C4B分组
4.16压力释放
C5A分组
4.17高温贮存
4.17.1初始测量
4.17.2最后测量
C5B分组
4.18低温存
4.18.1初始测量
4.18.2最后测量
GB9605—88
续表重
试验条件
(见注?)
循环次数:1000次
温度:15~35℃
充电电压:见表复A
充电持续时间:30s
放电持续时间:5min30s
电容量
外观检查
漏电流
电容量
损耗角正切
方法:直流法或交流法
温度:+85℃
持续时间:500士4h
恢复,至少16h
电容量
外观检查
漏电流
电容量
损耗角正切
持续时间:16h
温度:-40℃
恢复,至少16h
电容量
外观检查
漏电流
电容量
损耗角正切
样本大小和合格
判定数(见注③)
特性要求
(见注①)
无可见损伤和无工作电解液
按本规范1.3条
4C/C与4.14.1条相比小
于或等于15%
按本规范表IB规定
装置打开
无爆炸和燃烧
无可见损伤和无工作电解液
<2倍本规范表1.3条规定值
AC/C与4.17.1条相比小
于或等于20%
≤1.2倍本规范表IB规定值
无可见损伤和无工作电解液
按本规范1.3条
AC/C与4.18.1条相比小
于或等于10%
按本规范表IB规定
条号和试验
(见注①)
C6分组
4.19高低温待性
附加说明:
GB9605--88
试验条件
(见注①)
电容器在各个温度阶段下测量
阶段1.20℃
电容量
阻抗(与第二阶段的频率相同)·阶段2-25℃
测量频率:100Hz
阶段3:+85℃
漏电流
电容量
本标准由四三二一厂负责起草。10
样本大小和合格判定
数(见注③)
作基准值
特性要求
(见注①)
相对于阶段1测量
值的比率:
Ua≤160
UR>160
阻抗比
≤5倍本规范1.3条规定值
AC/C与阶段测量值相比小
于或等于20%
小提示:此标准内容仅展示完整标准里的部分截取内容,若需要完整标准请到上方自行免费下载完整标准文档。
标准图片预览:





- 热门标准
- 电子行业标准(SJ)
- SJ50681.65-1994 TNC系列(接半硬电缆)插孔接触件法兰安装2级射频同轴插座连接器详细规范
- SJ/T11247-2001 永磁铁氧体瓦形磁体公差及外形缺陷
- SJ995-75 双动冲床引伸模 落料凹模 引伸凹模
- SJ20792-2000 微通道板光电倍增管测试方法
- SJ1807-1981 2CC120(122、124)~2CC420(422、424)型硅调谐变容二极管
- SJ1553-1980 测温型负温度系数热敏电阻器总技术条件
- SJ3234-1989 电子材料真空放气性能的动态测试方法
- SJ20897-2003 聚对二甲苯气相沉积涂敷工艺规范
- SJ/T1146-1993 电容器用有机薄膜体积电阻率试验方法
- SJ50681.70-1994 N系列(接41.28mm半硬电缆)插孔接触件2级射频同轴插头连接器详细规范
- SJ51428.9-2002 层绞式光缆详细规范
- SJ/T31049-1994 电瓶车完好要求和检查评定方法
- SJ/T10586.3-1994 DW-217型电子玻璃技术数据
- SJ/T10588.12-1994 DB-438型电子玻璃技术数据
- SJ/T10783-1996 电子器件详细规范 半导体集成电路CD7176CP伴音中频放大电路(可供认证用)
- 行业新闻
请牢记:“bzxz.net”即是“标准下载”四个汉字汉语拼音首字母与国际顶级域名“.net”的组合。 ©2025 标准下载网 www.bzxz.net 本站邮件:bzxznet@163.com
网站备案号:湘ICP备2025141790号-2
网站备案号:湘ICP备2025141790号-2