- 您的位置:
- 标准下载网 >>
- 标准分类 >>
- 国家标准(GB) >>
- GB 11154-1989 船用按钮通用技术条件
标准号:
GB 11154-1989
标准名称:
船用按钮通用技术条件
标准类别:
国家标准(GB)
标准状态:
已作废-
实施日期:
1990-04-01 出版语种:
简体中文下载格式:
.rar.pdf下载大小:
1.08 MB
中标分类号:
船舶>>船舶电气、观通、导航设备>>U63床用照明与其他电器
替代情况:
调整为CB/T 3870-1999

部分标准内容:
UDC 621.316.54: 629.12
中华人民共和国国家标准
GB 11154-89
船用按钮通用技术条件
General specification for pushbutton in shipswww.bzxz.net
1989-03-31发布
1990-04-01实施
国家技术监督局发布
中华人民共和国国家标准
船用按钮通用技术条件
General specificatlon for pushbotton ia ships
1主瘾内容与适用范围
GB 11154--89
本标准规定了船用按钮(以下简称按钮)的设让,制造、试验,验收、包装等通用技术条件。本标准适用于交流50Hz、额定电压380V及以下(或60Hz、额定电压400V及以下),直流额定电压400段以下的船用按钒。
2引用标准
GB998抵压电器基本试验方法
CB1497
低压电器基本标准
电工电子产品基本环境试验规程试验A:低温试验方祛GB2423.1
电!电子产品基本环境试验规程试验B,高温试验方法GR2423.4
试DB:交变湿热试验方法
电1电了产品基本环境试骑规程
GB2423.16
GB2423.17
电工电子产品基木环境试验规程试验」:长霉试验方法电工电子产品基本环境试验规程试验K:裁雾试验方法GB 3836.1
爆炸性环境用防爆电气设备通用婴求GR420H外壳防护等级的分类
GB 51B9,4、电工电了-产品着火危险试验灼热丝试验方法和导则
GB7094船用电气设备振动(正弦)试验方法GR 11155 船用指示灯通用技术条件3术语
3.1锁扣式按销
具有复位弹蓄的按钮、但直保持在操动位置上,直全锁扣被另动作释放。3.2钥匙式按钮
仅在钥匙保持插入位置时才能操作的按钮。3.3定位式按创
用另一动作使其定位于一个或多个位置上的按钮。8.4指示灯式按钮
在按钮中装入-一个或多个信号灯的按钎。3.5操动力(或力矩)
完成指定操作所需的施加于操动器上的力(或力短)。3.6操动请环
自任-位置开始经过所有其他位置并返至初始位置止的最小操作次数。注:不形战一个操动循坏的连线操作称为操动序列。3.7操动器
中国船工业总公司1988 -11-2 S批准1990-04-01实施
GB11154-89
外部操动力施加在操动系统上的部作。3.8最小操动力(或力矩)
施加」操动器上的能使所有触头到达闭含(或断开)位置的力(或力矩)的最小值。3.9恢复力(力矩)
1使操动器或触必元件恢复至其初始位置所需的力(或力矩)分类和安装尺寸
4.1分类
4.1.1按操作方式分:
按钒式,
旋式。
按用途分:
-般式:
紧急式,
指示灯式,
钒批式:
锁扣式,
定位式:
保护式;
防爆式。
4.1.3按触头对数分:
按钮可具有 1 ~ 4 对或更多的触头对数。按外壳防护型式分:
防式(IP20);
防滴式(IP22)*
防溅式(IP 44);
防水式(IP56)。
按操动器外表形状分;
四钮;
蘑菇钮。
按安装坂前形状分:
方钮。
按安装尺+分
4.2安装尺寸
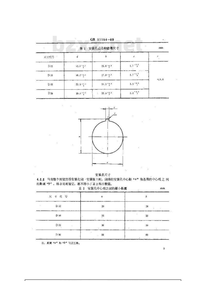
单孔安装的按钮。其安装只寸应符合以下规定4.2.1安装孔和键槽(如有的话)尺寸如表1和下图所示,键槽的标准置是正上方位置(即时钟十二点钟位置)。
我托号
GE 11154-89
表1。安装孔径和键尺寸
62,1 *-
17.9 +3.2
33.0 *9-3
安装孔尺计
4.2.2当有数个按钮并排安装在同-安装板上时,同排的安装孔中心距“α”和各排的中心线之间的距离“”,除非另有规定,部不得小」表2所示数值。表2安装孔中心线之间的最小距离尺代号
社:距离“”和b\可以互期。
GB11154—89
4.2.3按钮应能安装在1~6mm的板上。5技术要求
5.1基本岁求
按钮应符合本标准的规定,并应符合相应产品标准的规定,防爆式按钮还应符合GB3836.1的有关规定。
5.2环境条件
5.2.1空气温度
5.2. 1.1 周围空气温度下限不低下-25℃。5.2.1.2周用空气温度上限不超过+45℃。5.2.2空气相对湿度为95%,并有凝露。5.2.3有油雾、盐寡和毒菌的影响。5.2.4有倾斜、摇摆、振动和正常营运时产生的冲击。5.3材料
5.$.1按钒中的绝缘零部件应采用耐久、滞燃、副潮和耐霉的材料制造。5.3.2按钮中应避免采用有毒性材料及会释放出有害气体的材料。5.3.3按钮的导电零件一股应用铜或铜合金制造,其接触部件应有良好的导电性能,按钮触点表面一股应是银或银合金材料。
5.3.4导电零件以外的任何金属作,应耐腐或经过耐腐蚀镀覆处理。5.4结构
5.4.1按钮的结构应便丁安装,操作和维修,应保证在任何安装位置均能正常工作,同类型按的相同零部件应能互换。
5.4.2按钮在操作时应动作灵活、无下滞现象,锁扣式按操作时应能可靠定位,锁拍释放时应能迅速复价。
5.4.3有两个或两个以上动作保持位置的按针,每个位置都必须有明确的定位,Ⅱ用于定位的限位定档应能承受足够大的操动力矩、在转换操作时,操动器必须停在设计规定的手感觉到的确定位置,自动复位的按钮脱离定位,应迅速回复到初始位置。5.4.4按钊的操作机构应与所有导电零件绝缘。5.4.5按钮的连接件和紧固件,应有防止其因振动而松脱的措施。5.4.6接线端了
5.4.6.1用螺钉连接的接线端了应保证有足够的压力爽紧导线,而又不损伤导线,用于夹紧导线的螺订,应不作为周定其他零部件之用,试验时,不应发生连接端的短路、破碎、松动、转动或导致按钮的电气或机械损伤。
5.4.6.2用作焊接连接的接线端了的焊接头应作表面处埋、以便安装焊接,焊接头应意导线能在焊接前用机械力式固定,并应考虑接头可配焊两根截面为1.0mm2的导线或按产品标准的规定。5.4.6.3接线端了应有清楚利永久的标志。以便识别。5.4.7按钮应有足够的电气间隙和爬电距离、以保证其工作的可靠性,电气间隙和爬电距离的最小值见表3。
额定纳续电压
250-U 380
380U500
GB 11154—89
表3最小电气间隙和最小爬也眠离职小市气间隙
最小爬电距离
5.4.B影响按钊基本件能的各参数(如触头压、触头川距,触头超行程等)应在产品标准中规定。
5.4.9按钮的外壳防护等级有:IP20、IP22、IP41利IP56。5.4.10操动力(或力矩)
接的操动力(或力矩)必须与指定用途相适应,要考虑钮的人小,外壳或板的型式、安装的环境以及指定的用途。最小起动力(或力矩)应足够大,以防止意外操作,如进行外壳防护等级试验时,外壳所承受的喷水冲击不应使按钮动作,建议最大操动力(或力矩)应不大1表4所列数值,表4操动力和力矩的最大值
到的径,mm
楼动,N
操动力矩,N.m
15 ~ 25
5.4.11按的颌色
按针的的颜色(作白光下的表面颜色)种类规定为:红、黄、绿、蓝、黑、自和灰。5.4.12指示灯式按钮中指示灯部分,应符合GB11155的有关规定。5.5性能
5.5.1温升
铵钮各部分温升极限值在环境湿度为+45C时,不应超过表5中所列数值。表5按钮各部位温升极限值
部件名称及材料类型
接线端子
手动操作部件
有锡防护层
有银或镍防护层
金属韶分
靶缦材料钙分
策和银合金触头
指示灯式接邻的指示好本体
温极限
测正方法
热电假法
以不伤害术身和邻部限
必须不给指示灯带来作何损环
GB11154--B9
5.5.2接触电阻
按钊在册厂试验条件下融头的接触电阳应不大于50m2。6.5.3众电强度
按应能季受25~100Hz任-频率表6所规定的试验电压偏。历时1min应无末穿或闪炼现象。表6介电强度试验值
赖定绝缘电层
300-660
5.5.4低常使用条件手的通断能力试验电片(交流有效宜)
按钮应满足GB1497的7.2.11.2条表19所规定的对应」指定使用类别的通断能力试验婴求。5.5.5非正常使用条件下的通断能力接应满定GB149757.2、11.2条表20所规定的对应于指定使用类别的通断能力试验要求,5.5.6机械寿命
按钮的机械寿命以触头元件不通电条件下的无载操能循环次敏来表求所调次操作循环应包括-个闭合操作和紧接个断汗操作或相反,对十有两个以上操作位置的按钮,其一次操作循环指操动器的一个动循环。
机械寿命次数在具体产品标准中规定,推荐的机械寿命等级如下(册百乃次表示):0. 03、0.10、0.30、1.00
考核机械寿命应在一定的操作频率下进行,操炸颇率的数值如表?所示。表7操作频率
机恢寿命等级
5.5.7电寿命
按钮电寿命试验参数按GB1497中7.2.11.3条的有关规定。操作随率,次/为
按钮电寿命次数至少应为其机械寿命等级所示次数的5%。电寿命试验的通电持续率应不大于--个操作循环时拍的50%和不少十10%,推荐的通电持续率为15%、25%、40%。
电寿命试验的操作频率从表7中选取。5.5.8额定限制短路电流(或额定熔断短路电流)GB 11154$9
除非产品标准另有规定,按钮的额定限断短路电流(或溶断短路电流)为1000A,试验电路的功本因数在0.5~0.7之间,试验电压为按钊最大额定电下的1.1倍,试验电流通过三次,每次间隔不少干3min,第:次试验后应通过2倍频定绝缘电压介电强度试验1min。与按钮协调配合的短路保护电器(熔断器)的型号和规格见产品标游的规定。5.5.9动作特性
按的动作待性应符合产品标准要求。除非另有规定,否则按钊的动作应是先断升后接通,触点弹跳时间和多对触点按钢在任意位置上关联触点的接通或切断的同步时间按产品标准的规定。5.5.10耐潮性能
按钮应具有耐潮性能,即按钮经品心、2周期交流变極热试验后。应符合下列规定:,钮的绝缘电阻不小于表8的规定;表8绝缘电阻值
额定绝缘出压
非欧长电压等级
绝燃电阻
湿热试验前
介电强度应符合5.5.3条的规定,b.
在试验中的两次通电试验时,按钮应能正常“作湿热试验后
d,电镀件外观质量:镀层腐蚀区域之和山主要镀层面积5%~25%的零件数不得超过总零件数的30%,但允许个别零件层腐蚀区域面积人于25%和个别零件主金匾出现个别锈点,电、,油漆层表面质量,允许有轻微失光、变色、少量针孔等缺陷,在主要表面的征--平方分米正方形面积内,直径X0.5mm气泡不得多于2个,但允许出现直径大于1mm的气泡,油漆件的漆膜附着力要求在9个1mm方格中底漆没有脱落或面漆脱落不超过3个方格;f绝缘材料和橡胶或料零部件不得有变形、发粘、开裂等缺陷。5.5.11耐毒性能
按钮应具有耐霉性能、其外露空气中的绝缘零部件经28d长荐试验后,试样的长霉辞度一般不得超过GB.2423.16中规定的级。5.5.12耐盐雾性能
按钮应具有耐盐募性能、其外露在空气中的金属零部件经48h连续喷雾试验后,其外观变化应符合表9的要求。
键层类别
铜+锦+铬
低锣吉铜+铭
镍+饼
镍或高锡青铜
银、金
5.5.13耐报动性能
GB11154-89
表 9盐募试验合格要求
底金風
谢和嗣合金
和销合金
朗和铜合会
铂和铜齐金
齐格要求
主要表而不按锈
主要表而无白血或灰黑色脑也物卡要衣面引浅绿色腐创物
主要表哺无灰色或浅绿色满注物主要衣面无炭黑色满生物
上要表山无饲绿
按钮应具有耐振动性能,即当产品按表10规定的参数进行振动试验时,不应出现零件的破碎、松动、变形和移现象,H不应发生超过10ms的接通触点断,开或断开触点接通现象。表10振动试验参数
摄动参数
安装荡会
赖率,Hz
位移,m的
加速度,m/s
2 ~13.2
九升复机上及能机整
2 ~ 25
25~10m
5.5.14 耐高温性能
按应具有耐高温性能,即在承受+70℃,2h的高溢考核后,按钮应能正常「作,绝缘件万永久变形和任何报伤。
5.5.15耐低温性能
按应具有耐低温性能,即化享受-25℃,2h的低溢考核后,按钮应能正常1作,绝缘件无永久变形和们何根伤。
6试验方法
6.t一般检查
6.1.1外观查
检查按的材料、结构,外形尺寸、零部件互换性、工艺质量以及标记应符合5.3、5.4和8.1条的有关规定,并应符合相应产品标准和制造图纸的婴求。8
6.1.2动作检查
GB 11154-89
动作检查以手动操作和指示灯显示进行检查,动作检查的项目包括操作行程范围内的灵活性、定位准确性、复位能力、触义接触可靠性等是否符合本标准和产品标准的要求。6.2电气间和爬电距离捡查
电气间隙和爬电距离用卡尺或专用画具测量,并应符合表3的要求。6.3操动力检查
按钊操动力用弹簧测力计或专用仪器测量,并应符合表4和产品标推的要求。6.率接线端子强度试验
6.4.1螺钉接线端子的机械强度试验,按GB1497中的8.1.3条的有关规定进行,试验后应符合左标准5.4.6.1条的要求。
6.4.2接接线端「的机械强度试验,在平行于接线端子轴线、垂直于接线端「轴线和最容易发生损坏的方向上,加20N的拉力后,不应发生脱焊和损坏。6.5外壳防护性能试验
将按钮'安装在具有相应防护性能试验箱的面板上,按GB4208的有关规定进行。6.6接触电阻测定
接触电阻的测定方法按GB998中4.1~4.3条的规定进行。试验电压为直流6V,电流为约定发热电流的15%(对约定发热电流小于1A者,通电电流为1A)。一个测量程序为:闭合触头一连接电源一用·个方向的电流测量一用反方向的电流测量一断开电源一断开触头。测最过程应连续进行。也可用“接触电阻白动测量仪”直接测量,对按钮的每一个触头都要测量,而对于任次测得的电阻值应不大于规定值。
6.7滞燃试验
按钮绝缘材料的滞燃试验,按GB5169.4的有关规定进行。6.8绝缘中阻检查
6.8.1检查部位
。触头元件与外壳之间;
b、相邻触头元件之间(应拆除灯泡)。6.8.2检食方法
用表8规定的兆欧表等级进行测量,测量数值应符合表8湿热试验前栏内规定的数值。6.9介电强度试验
6.9.1 试验部位
楼6.8.1条的规定。
6.9.2试验方法
按GB99816.1条、6.3.2~6.3.5条的有关规定进行。6.10 温升试验
按钮的温升试验,除产品标准另有规定外。-股应在额定电压下进行。温升试验按CB998中5.2.1~5.2.5,5.2.8、5.2.11及5.3条的有关规定进行。温升试验时,周用空气温度变化应不赶过10℃。按钮的全部触头元件购要进行试验,且对F能同时闭合的所有触头元件应串联起来一起试验,导线间隔不小于接线端子之间的距离,按钮的两个端子之间的连接导线长度为1Ⅲ。连接导线采用单芯聚氯乙烯(PVC)绝缘铜电缆或绝缘铜导线。当约定发热电流在7.9A以下时,导线截面为1mm2。约定发热电流在7.9~15.9A时,导线截面积为1.5mm2。指示灯式按钮的指示灯部分的温升试验,按GB11155的有关规定进行。按钮溢升试验中,各部位的温升,不得超过表5规定的极限值。6.11止常使用条件下的通断能力试验GB11154--89
按止常工作位置将按钮安装在符合6.11.1条要求的操作机上。6.11.1操作机应满足下列要求。6.11.1.1操作机的操作力应间按钮操动器的运动方向施加。6.11.1.2操作机的力(或力第)或行程应符合下列条件之一:a。最人操作力(或力矩)应不超过1.5倍触头元件最大超程所需力(或力短),但最小为20N(或力矩4N.m)
b.触头元件的超程应介于触头元作超程设计值的50%~80%之间。6.11.1.3在全部操作循环期间、触头开断位置到闭合位置(或相反)或举少在开闭动作瞬间,操作机速度(在接触处浏盘)应在0.050.15m/s之间,对旋转操作的按钮,其角迷度在2~4/s之闽,
6.11.2试验条件
按GB1497中7.2.11.2条表19规定的参数。6.11.3试验电路、试验负载及操作次数按GB1497中的8.2.4.1条有关规定。6.11.4试验结果判定
除非产品标准另有规定,按钮的试验结果应满足以下要求:a:试验期间极间光飞弧(飞泌检测熔丝不落断):b。无持续燃弧(燃弧日而交流不人十n,1s,直流不大于0.15s),触头未发生熔焊;c,机撼部件和绝缘部件基本上无损伤d,试验结束后,应能承受5.5.3条规定的介比强度试验,e,试验后立即进行两次无载开闭操作,应能可靠动作。商.12非正常使用条件下的通断能力试验按正带上作位置将按钮安装在符合6.11:1条规定的操作机上。6.12,1 试验条件
按GB1497中7.2.11.2条表20规定的参数。.12.2试验电路,试验负载及操作次数按GB149718.2.4.1条的有关规定。6.12.3试数辅果判定
试验结果判定按6.11.4条的规定。6.13机械寿命试验
按正常工作位置将按钮安装在符合6.11.1条规定的操作机上。6.13.1操作频率
机械寿命试验时、操作赖率应按5.5.6条的规定,供为了缩短周期,在不影响试品机械性能的前提下,允许适当提高试验的操作频率。但必须保证试品的动作清晰,可动部分每次动作与下次动作前的间歌时间中有静止状态。
6.13.2试验中的继修
机械寿命试验期间,除可以调整触头的行望和历力及调换已磨损的触头外,不得对试品进行其他的维修和更换零部件。
6.13,3试验结果判定
机械寿命的操作循环次数应不小下产品标准中规定的机械寿命次数。寿命试验期间不得有任何零部件发生机械故障而影响正常操作。机械寿命试验后,零部件应无被坏性损伤,连接导线及其零部件安装部分应光松动。
6.14 电寿命试验
按正常1.作位置将按钮安装在符合6.11.1条规定的操作机上。10
GB 11154—89
6,14.1 试验条件
试验接GB1497中7.2.11.2表19规定的参数和产,品标准规定的寿命次数,6.14.2试验电路和试验负綫
按GB1497的8.2.4.2条的有关规定。6.14.3试验结果判定
电存命试验过程、应能成动地接和分断比流、试验而零部件应无破坏性损伤。试验中未发生触头塔焊和无持续飞弧(燃弧时交流不大0.15,直流不大0.15s)对相邻融头之间及触头外壳之间无飞虹(飞弧检测熔丝没有塔断),试验程应能张受5,5,3系规定的介也强要试验。6.15颖定限制短路电流(或额定熔断短路电流)试验试验要求见5.5.8条规定,试验电路书按与保扩电器(熔断器),操作开关电器串联组成。试验用负载为空心电抗器。试验前被试按钒触头元件处」准个位置。出操作开关们意接遵电流欲。其时不小于3min。
每次试验后,按创的触头元熔归,应能正常工作。第3次试验后,应通过2倍定绝缘电压介电强度试验 1 mi n
6.16湿热试验
按钮的混热试验按GR2423.4规定的试验方法逃行。在第湖期高温高湿阶段的前2h,及最后周期高温高湿阶段约最后2h,按钮进行通电操作。试验结束后,将按钮从内取出,在正带大气条件下进行恢复。充许用手将产品所有能接触到的表面利部件上的水资懒去。在2h内进测量,首先测最绝缴电阻,然后进行介电强度试验,最后进行外观检查。全部项1检测结果应符合5.5.1条的要求。6.17蒜菌试鉴
按钊的露菌试验按G132423.16规定的试验方法进行试验所应符合5.5.11条的要求。如果制造,具备绝缘材料或徐料的衡菌试验合格告,在有效期与可免做试验。6.18盐试验
按钮的盐落试验按GB2423.17规定的试验方法进行。试验后应符合5.5.12条的要求。如果制造厂贝备金属零部件材料的盐雾试验合格报告,则在有效期内可免做试验。6.19高流试验
高温试验按GB2423.2的有关规定进行,严酷等级为:+70℃、特续对间2h,试验后应符合5.5.14条的要求。
6.20低温试验
低温试验按GB2423.1的有关规定进行,\酷等级:-25℃、持续时2h,试验后应符合5.5.15条的要求。
6.21振动试验
按实际使用状态将按针紧問在振动台上,并进行通电,按表10规定的参数和GB7094规定的试验方决进行试验、试验后应符合5.5.13条的婴求。6.22 动作能试验
在周空“的上、下限范围内,操作若干次,触点好地闲合与断开,并住、阻塞以及动作不灵活现象。需要时,用专用仪器测量触点弹跳封剂利多触点按钮在任意位置关闭触点的接通与断形的间步间。
了捡验规则
7.1捡验分类
按钒分出!检验和型式险验,
7.2型式检验
小提示:此标准内容仅展示完整标准里的部分截取内容,若需要完整标准请到上方自行免费下载完整标准文档。
中华人民共和国国家标准
GB 11154-89
船用按钮通用技术条件
General specification for pushbutton in shipswww.bzxz.net
1989-03-31发布
1990-04-01实施
国家技术监督局发布
中华人民共和国国家标准
船用按钮通用技术条件
General specificatlon for pushbotton ia ships
1主瘾内容与适用范围
GB 11154--89
本标准规定了船用按钮(以下简称按钮)的设让,制造、试验,验收、包装等通用技术条件。本标准适用于交流50Hz、额定电压380V及以下(或60Hz、额定电压400V及以下),直流额定电压400段以下的船用按钒。
2引用标准
GB998抵压电器基本试验方法
CB1497
低压电器基本标准
电工电子产品基本环境试验规程试验A:低温试验方祛GB2423.1
电!电子产品基本环境试验规程试验B,高温试验方法GR2423.4
试DB:交变湿热试验方法
电1电了产品基本环境试骑规程
GB2423.16
GB2423.17
电工电子产品基木环境试验规程试验」:长霉试验方法电工电子产品基本环境试验规程试验K:裁雾试验方法GB 3836.1
爆炸性环境用防爆电气设备通用婴求GR420H外壳防护等级的分类
GB 51B9,4、电工电了-产品着火危险试验灼热丝试验方法和导则
GB7094船用电气设备振动(正弦)试验方法GR 11155 船用指示灯通用技术条件3术语
3.1锁扣式按销
具有复位弹蓄的按钮、但直保持在操动位置上,直全锁扣被另动作释放。3.2钥匙式按钮
仅在钥匙保持插入位置时才能操作的按钮。3.3定位式按创
用另一动作使其定位于一个或多个位置上的按钮。8.4指示灯式按钮
在按钮中装入-一个或多个信号灯的按钎。3.5操动力(或力矩)
完成指定操作所需的施加于操动器上的力(或力短)。3.6操动请环
自任-位置开始经过所有其他位置并返至初始位置止的最小操作次数。注:不形战一个操动循坏的连线操作称为操动序列。3.7操动器
中国船工业总公司1988 -11-2 S批准1990-04-01实施
GB11154-89
外部操动力施加在操动系统上的部作。3.8最小操动力(或力矩)
施加」操动器上的能使所有触头到达闭含(或断开)位置的力(或力矩)的最小值。3.9恢复力(力矩)
1使操动器或触必元件恢复至其初始位置所需的力(或力矩)分类和安装尺寸
4.1分类
4.1.1按操作方式分:
按钒式,
旋式。
按用途分:
-般式:
紧急式,
指示灯式,
钒批式:
锁扣式,
定位式:
保护式;
防爆式。
4.1.3按触头对数分:
按钮可具有 1 ~ 4 对或更多的触头对数。按外壳防护型式分:
防式(IP20);
防滴式(IP22)*
防溅式(IP 44);
防水式(IP56)。
按操动器外表形状分;
四钮;
蘑菇钮。
按安装坂前形状分:
方钮。
按安装尺+分
4.2安装尺寸
单孔安装的按钮。其安装只寸应符合以下规定4.2.1安装孔和键槽(如有的话)尺寸如表1和下图所示,键槽的标准置是正上方位置(即时钟十二点钟位置)。
我托号
GE 11154-89
表1。安装孔径和键尺寸
62,1 *-
17.9 +3.2
33.0 *9-3
安装孔尺计
4.2.2当有数个按钮并排安装在同-安装板上时,同排的安装孔中心距“α”和各排的中心线之间的距离“”,除非另有规定,部不得小」表2所示数值。表2安装孔中心线之间的最小距离尺代号
社:距离“”和b\可以互期。
GB11154—89
4.2.3按钮应能安装在1~6mm的板上。5技术要求
5.1基本岁求
按钮应符合本标准的规定,并应符合相应产品标准的规定,防爆式按钮还应符合GB3836.1的有关规定。
5.2环境条件
5.2.1空气温度
5.2. 1.1 周围空气温度下限不低下-25℃。5.2.1.2周用空气温度上限不超过+45℃。5.2.2空气相对湿度为95%,并有凝露。5.2.3有油雾、盐寡和毒菌的影响。5.2.4有倾斜、摇摆、振动和正常营运时产生的冲击。5.3材料
5.$.1按钒中的绝缘零部件应采用耐久、滞燃、副潮和耐霉的材料制造。5.3.2按钮中应避免采用有毒性材料及会释放出有害气体的材料。5.3.3按钮的导电零件一股应用铜或铜合金制造,其接触部件应有良好的导电性能,按钮触点表面一股应是银或银合金材料。
5.3.4导电零件以外的任何金属作,应耐腐或经过耐腐蚀镀覆处理。5.4结构
5.4.1按钮的结构应便丁安装,操作和维修,应保证在任何安装位置均能正常工作,同类型按的相同零部件应能互换。
5.4.2按钮在操作时应动作灵活、无下滞现象,锁扣式按操作时应能可靠定位,锁拍释放时应能迅速复价。
5.4.3有两个或两个以上动作保持位置的按针,每个位置都必须有明确的定位,Ⅱ用于定位的限位定档应能承受足够大的操动力矩、在转换操作时,操动器必须停在设计规定的手感觉到的确定位置,自动复位的按钮脱离定位,应迅速回复到初始位置。5.4.4按钊的操作机构应与所有导电零件绝缘。5.4.5按钮的连接件和紧固件,应有防止其因振动而松脱的措施。5.4.6接线端了
5.4.6.1用螺钉连接的接线端了应保证有足够的压力爽紧导线,而又不损伤导线,用于夹紧导线的螺订,应不作为周定其他零部件之用,试验时,不应发生连接端的短路、破碎、松动、转动或导致按钮的电气或机械损伤。
5.4.6.2用作焊接连接的接线端了的焊接头应作表面处埋、以便安装焊接,焊接头应意导线能在焊接前用机械力式固定,并应考虑接头可配焊两根截面为1.0mm2的导线或按产品标准的规定。5.4.6.3接线端了应有清楚利永久的标志。以便识别。5.4.7按钮应有足够的电气间隙和爬电距离、以保证其工作的可靠性,电气间隙和爬电距离的最小值见表3。
额定纳续电压
250-U 380
380U500
GB 11154—89
表3最小电气间隙和最小爬也眠离职小市气间隙
最小爬电距离
5.4.B影响按钊基本件能的各参数(如触头压、触头川距,触头超行程等)应在产品标准中规定。
5.4.9按钮的外壳防护等级有:IP20、IP22、IP41利IP56。5.4.10操动力(或力矩)
接的操动力(或力矩)必须与指定用途相适应,要考虑钮的人小,外壳或板的型式、安装的环境以及指定的用途。最小起动力(或力矩)应足够大,以防止意外操作,如进行外壳防护等级试验时,外壳所承受的喷水冲击不应使按钮动作,建议最大操动力(或力矩)应不大1表4所列数值,表4操动力和力矩的最大值
到的径,mm
楼动,N
操动力矩,N.m
15 ~ 25
5.4.11按的颌色
按针的的颜色(作白光下的表面颜色)种类规定为:红、黄、绿、蓝、黑、自和灰。5.4.12指示灯式按钮中指示灯部分,应符合GB11155的有关规定。5.5性能
5.5.1温升
铵钮各部分温升极限值在环境湿度为+45C时,不应超过表5中所列数值。表5按钮各部位温升极限值
部件名称及材料类型
接线端子
手动操作部件
有锡防护层
有银或镍防护层
金属韶分
靶缦材料钙分
策和银合金触头
指示灯式接邻的指示好本体
温极限
测正方法
热电假法
以不伤害术身和邻部限
必须不给指示灯带来作何损环
GB11154--B9
5.5.2接触电阻
按钊在册厂试验条件下融头的接触电阳应不大于50m2。6.5.3众电强度
按应能季受25~100Hz任-频率表6所规定的试验电压偏。历时1min应无末穿或闪炼现象。表6介电强度试验值
赖定绝缘电层
300-660
5.5.4低常使用条件手的通断能力试验电片(交流有效宜)
按钮应满足GB1497的7.2.11.2条表19所规定的对应」指定使用类别的通断能力试验婴求。5.5.5非正常使用条件下的通断能力接应满定GB149757.2、11.2条表20所规定的对应于指定使用类别的通断能力试验要求,5.5.6机械寿命
按钮的机械寿命以触头元件不通电条件下的无载操能循环次敏来表求所调次操作循环应包括-个闭合操作和紧接个断汗操作或相反,对十有两个以上操作位置的按钮,其一次操作循环指操动器的一个动循环。
机械寿命次数在具体产品标准中规定,推荐的机械寿命等级如下(册百乃次表示):0. 03、0.10、0.30、1.00
考核机械寿命应在一定的操作频率下进行,操炸颇率的数值如表?所示。表7操作频率
机恢寿命等级
5.5.7电寿命
按钮电寿命试验参数按GB1497中7.2.11.3条的有关规定。操作随率,次/为
按钮电寿命次数至少应为其机械寿命等级所示次数的5%。电寿命试验的通电持续率应不大于--个操作循环时拍的50%和不少十10%,推荐的通电持续率为15%、25%、40%。
电寿命试验的操作频率从表7中选取。5.5.8额定限制短路电流(或额定熔断短路电流)GB 11154$9
除非产品标准另有规定,按钮的额定限断短路电流(或溶断短路电流)为1000A,试验电路的功本因数在0.5~0.7之间,试验电压为按钊最大额定电下的1.1倍,试验电流通过三次,每次间隔不少干3min,第:次试验后应通过2倍频定绝缘电压介电强度试验1min。与按钮协调配合的短路保护电器(熔断器)的型号和规格见产品标游的规定。5.5.9动作特性
按的动作待性应符合产品标准要求。除非另有规定,否则按钊的动作应是先断升后接通,触点弹跳时间和多对触点按钢在任意位置上关联触点的接通或切断的同步时间按产品标准的规定。5.5.10耐潮性能
按钮应具有耐潮性能,即按钮经品心、2周期交流变極热试验后。应符合下列规定:,钮的绝缘电阻不小于表8的规定;表8绝缘电阻值
额定绝缘出压
非欧长电压等级
绝燃电阻
湿热试验前
介电强度应符合5.5.3条的规定,b.
在试验中的两次通电试验时,按钮应能正常“作湿热试验后
d,电镀件外观质量:镀层腐蚀区域之和山主要镀层面积5%~25%的零件数不得超过总零件数的30%,但允许个别零件层腐蚀区域面积人于25%和个别零件主金匾出现个别锈点,电、,油漆层表面质量,允许有轻微失光、变色、少量针孔等缺陷,在主要表面的征--平方分米正方形面积内,直径X0.5mm气泡不得多于2个,但允许出现直径大于1mm的气泡,油漆件的漆膜附着力要求在9个1mm方格中底漆没有脱落或面漆脱落不超过3个方格;f绝缘材料和橡胶或料零部件不得有变形、发粘、开裂等缺陷。5.5.11耐毒性能
按钮应具有耐霉性能、其外露空气中的绝缘零部件经28d长荐试验后,试样的长霉辞度一般不得超过GB.2423.16中规定的级。5.5.12耐盐雾性能
按钮应具有耐盐募性能、其外露在空气中的金属零部件经48h连续喷雾试验后,其外观变化应符合表9的要求。
键层类别
铜+锦+铬
低锣吉铜+铭
镍+饼
镍或高锡青铜
银、金
5.5.13耐报动性能
GB11154-89
表 9盐募试验合格要求
底金風
谢和嗣合金
和销合金
朗和铜合会
铂和铜齐金
齐格要求
主要表而不按锈
主要表而无白血或灰黑色脑也物卡要衣面引浅绿色腐创物
主要表哺无灰色或浅绿色满注物主要衣面无炭黑色满生物
上要表山无饲绿
按钮应具有耐振动性能,即当产品按表10规定的参数进行振动试验时,不应出现零件的破碎、松动、变形和移现象,H不应发生超过10ms的接通触点断,开或断开触点接通现象。表10振动试验参数
摄动参数
安装荡会
赖率,Hz
位移,m的
加速度,m/s
2 ~13.2
九升复机上及能机整
2 ~ 25
25~10m
5.5.14 耐高温性能
按应具有耐高温性能,即在承受+70℃,2h的高溢考核后,按钮应能正常「作,绝缘件万永久变形和任何报伤。
5.5.15耐低温性能
按应具有耐低温性能,即化享受-25℃,2h的低溢考核后,按钮应能正常1作,绝缘件无永久变形和们何根伤。
6试验方法
6.t一般检查
6.1.1外观查
检查按的材料、结构,外形尺寸、零部件互换性、工艺质量以及标记应符合5.3、5.4和8.1条的有关规定,并应符合相应产品标准和制造图纸的婴求。8
6.1.2动作检查
GB 11154-89
动作检查以手动操作和指示灯显示进行检查,动作检查的项目包括操作行程范围内的灵活性、定位准确性、复位能力、触义接触可靠性等是否符合本标准和产品标准的要求。6.2电气间和爬电距离捡查
电气间隙和爬电距离用卡尺或专用画具测量,并应符合表3的要求。6.3操动力检查
按钊操动力用弹簧测力计或专用仪器测量,并应符合表4和产品标推的要求。6.率接线端子强度试验
6.4.1螺钉接线端子的机械强度试验,按GB1497中的8.1.3条的有关规定进行,试验后应符合左标准5.4.6.1条的要求。
6.4.2接接线端「的机械强度试验,在平行于接线端子轴线、垂直于接线端「轴线和最容易发生损坏的方向上,加20N的拉力后,不应发生脱焊和损坏。6.5外壳防护性能试验
将按钮'安装在具有相应防护性能试验箱的面板上,按GB4208的有关规定进行。6.6接触电阻测定
接触电阻的测定方法按GB998中4.1~4.3条的规定进行。试验电压为直流6V,电流为约定发热电流的15%(对约定发热电流小于1A者,通电电流为1A)。一个测量程序为:闭合触头一连接电源一用·个方向的电流测量一用反方向的电流测量一断开电源一断开触头。测最过程应连续进行。也可用“接触电阻白动测量仪”直接测量,对按钮的每一个触头都要测量,而对于任次测得的电阻值应不大于规定值。
6.7滞燃试验
按钮绝缘材料的滞燃试验,按GB5169.4的有关规定进行。6.8绝缘中阻检查
6.8.1检查部位
。触头元件与外壳之间;
b、相邻触头元件之间(应拆除灯泡)。6.8.2检食方法
用表8规定的兆欧表等级进行测量,测量数值应符合表8湿热试验前栏内规定的数值。6.9介电强度试验
6.9.1 试验部位
楼6.8.1条的规定。
6.9.2试验方法
按GB99816.1条、6.3.2~6.3.5条的有关规定进行。6.10 温升试验
按钮的温升试验,除产品标准另有规定外。-股应在额定电压下进行。温升试验按CB998中5.2.1~5.2.5,5.2.8、5.2.11及5.3条的有关规定进行。温升试验时,周用空气温度变化应不赶过10℃。按钮的全部触头元件购要进行试验,且对F能同时闭合的所有触头元件应串联起来一起试验,导线间隔不小于接线端子之间的距离,按钮的两个端子之间的连接导线长度为1Ⅲ。连接导线采用单芯聚氯乙烯(PVC)绝缘铜电缆或绝缘铜导线。当约定发热电流在7.9A以下时,导线截面为1mm2。约定发热电流在7.9~15.9A时,导线截面积为1.5mm2。指示灯式按钮的指示灯部分的温升试验,按GB11155的有关规定进行。按钮溢升试验中,各部位的温升,不得超过表5规定的极限值。6.11止常使用条件下的通断能力试验GB11154--89
按止常工作位置将按钮安装在符合6.11.1条要求的操作机上。6.11.1操作机应满足下列要求。6.11.1.1操作机的操作力应间按钮操动器的运动方向施加。6.11.1.2操作机的力(或力第)或行程应符合下列条件之一:a。最人操作力(或力矩)应不超过1.5倍触头元件最大超程所需力(或力短),但最小为20N(或力矩4N.m)
b.触头元件的超程应介于触头元作超程设计值的50%~80%之间。6.11.1.3在全部操作循环期间、触头开断位置到闭合位置(或相反)或举少在开闭动作瞬间,操作机速度(在接触处浏盘)应在0.050.15m/s之间,对旋转操作的按钮,其角迷度在2~4/s之闽,
6.11.2试验条件
按GB1497中7.2.11.2条表19规定的参数。6.11.3试验电路、试验负载及操作次数按GB1497中的8.2.4.1条有关规定。6.11.4试验结果判定
除非产品标准另有规定,按钮的试验结果应满足以下要求:a:试验期间极间光飞弧(飞泌检测熔丝不落断):b。无持续燃弧(燃弧日而交流不人十n,1s,直流不大于0.15s),触头未发生熔焊;c,机撼部件和绝缘部件基本上无损伤d,试验结束后,应能承受5.5.3条规定的介比强度试验,e,试验后立即进行两次无载开闭操作,应能可靠动作。商.12非正常使用条件下的通断能力试验按正带上作位置将按钮安装在符合6.11:1条规定的操作机上。6.12,1 试验条件
按GB1497中7.2.11.2条表20规定的参数。.12.2试验电路,试验负载及操作次数按GB149718.2.4.1条的有关规定。6.12.3试数辅果判定
试验结果判定按6.11.4条的规定。6.13机械寿命试验
按正常工作位置将按钮安装在符合6.11.1条规定的操作机上。6.13.1操作频率
机械寿命试验时、操作赖率应按5.5.6条的规定,供为了缩短周期,在不影响试品机械性能的前提下,允许适当提高试验的操作频率。但必须保证试品的动作清晰,可动部分每次动作与下次动作前的间歌时间中有静止状态。
6.13.2试验中的继修
机械寿命试验期间,除可以调整触头的行望和历力及调换已磨损的触头外,不得对试品进行其他的维修和更换零部件。
6.13,3试验结果判定
机械寿命的操作循环次数应不小下产品标准中规定的机械寿命次数。寿命试验期间不得有任何零部件发生机械故障而影响正常操作。机械寿命试验后,零部件应无被坏性损伤,连接导线及其零部件安装部分应光松动。
6.14 电寿命试验
按正常1.作位置将按钮安装在符合6.11.1条规定的操作机上。10
GB 11154—89
6,14.1 试验条件
试验接GB1497中7.2.11.2表19规定的参数和产,品标准规定的寿命次数,6.14.2试验电路和试验负綫
按GB1497的8.2.4.2条的有关规定。6.14.3试验结果判定
电存命试验过程、应能成动地接和分断比流、试验而零部件应无破坏性损伤。试验中未发生触头塔焊和无持续飞弧(燃弧时交流不大0.15,直流不大0.15s)对相邻融头之间及触头外壳之间无飞虹(飞弧检测熔丝没有塔断),试验程应能张受5,5,3系规定的介也强要试验。6.15颖定限制短路电流(或额定熔断短路电流)试验试验要求见5.5.8条规定,试验电路书按与保扩电器(熔断器),操作开关电器串联组成。试验用负载为空心电抗器。试验前被试按钒触头元件处」准个位置。出操作开关们意接遵电流欲。其时不小于3min。
每次试验后,按创的触头元熔归,应能正常工作。第3次试验后,应通过2倍定绝缘电压介电强度试验 1 mi n
6.16湿热试验
按钮的混热试验按GR2423.4规定的试验方法逃行。在第湖期高温高湿阶段的前2h,及最后周期高温高湿阶段约最后2h,按钮进行通电操作。试验结束后,将按钮从内取出,在正带大气条件下进行恢复。充许用手将产品所有能接触到的表面利部件上的水资懒去。在2h内进测量,首先测最绝缴电阻,然后进行介电强度试验,最后进行外观检查。全部项1检测结果应符合5.5.1条的要求。6.17蒜菌试鉴
按钊的露菌试验按G132423.16规定的试验方法进行试验所应符合5.5.11条的要求。如果制造,具备绝缘材料或徐料的衡菌试验合格告,在有效期与可免做试验。6.18盐试验
按钮的盐落试验按GB2423.17规定的试验方法进行。试验后应符合5.5.12条的要求。如果制造厂贝备金属零部件材料的盐雾试验合格报告,则在有效期内可免做试验。6.19高流试验
高温试验按GB2423.2的有关规定进行,严酷等级为:+70℃、特续对间2h,试验后应符合5.5.14条的要求。
6.20低温试验
低温试验按GB2423.1的有关规定进行,\酷等级:-25℃、持续时2h,试验后应符合5.5.15条的要求。
6.21振动试验
按实际使用状态将按针紧問在振动台上,并进行通电,按表10规定的参数和GB7094规定的试验方决进行试验、试验后应符合5.5.13条的婴求。6.22 动作能试验
在周空“的上、下限范围内,操作若干次,触点好地闲合与断开,并住、阻塞以及动作不灵活现象。需要时,用专用仪器测量触点弹跳封剂利多触点按钮在任意位置关闭触点的接通与断形的间步间。
了捡验规则
7.1捡验分类
按钒分出!检验和型式险验,
7.2型式检验
小提示:此标准内容仅展示完整标准里的部分截取内容,若需要完整标准请到上方自行免费下载完整标准文档。

标准图片预览:





- 其它标准
- 热门标准
- 国家标准(GB)
- GB/T37649-2019 化妆品中硫柳汞和苯基汞的测定高效液相色谱-电感耦合等离子体质谱法
- GB/T42999-2023 家用纺织品 织物遮光性的测定 照度计法
- GB/T38142-2019 ISO 4918:2016 弹性、纺织和层压铺地物脚轮椅测试
- GB/Z42533-2023 液压传动 系统 系统清洁度与构成该系统的元件清洁度和油液污染度理论关联法
- GB/T1599-2002 锑锭
- GB/T23344-2009 纺织品 4-氨基偶氮苯的测定
- GB/T40442-2021 纸、纸板和纸浆纤维组成分析中质量因子的测定
- GB/T1357-1987 渐开线圆柱齿轮模数
- GB/T7932-2003 气动系统通用技术条件
- GB/T18235.1-2000 信息技术 高性能并行接口 第1部分:机械、电气及信号协议规范(HIPPI-PH)
- GB3404-1982 硅质玻璃原料化学分析方法
- GB/T13182-2007 碘化钠(铊)闪烁体和碘化钠(铊)闪烁探测器
- GB/T22089-2008 电水壶性能要求及试验方法
- GB/T27888.3-2011 船舶与海上技术 船舶与海上结构物的排水系统 第3部分:真空系统的卫生水排放及排放管道
- GB/T40114-2021 首饰贵金属含量的测定ICP差减法
- 行业新闻
请牢记:“bzxz.net”即是“标准下载”四个汉字汉语拼音首字母与国际顶级域名“.net”的组合。 ©2009 标准下载网 www.bzxz.net 本站邮件:bzxznet@163.com
网站备案号:湘ICP备2023016450号-1
网站备案号:湘ICP备2023016450号-1