- 您的位置:
- 标准下载网 >>
- 标准分类 >>
- 国家标准(GB) >>
- GB 13042-1991 包装容器 喷雾罐
标准号:
GB 13042-1991
标准名称:
包装容器 喷雾罐
标准类别:
国家标准(GB)
英文名称:
Packing containers-Aerosol cans标准状态:
已作废-
发布日期:
1991-06-26 -
实施日期:
1992-04-01 -
作废日期:
1999-08-01 出版语种:
简体中文下载格式:
.rar.pdf下载大小:
140.25 KB
标准ICS号:
货物的包装和调运>>55.130雾化剂罐中标分类号:
综合>>标志、包装、运输、贮存>>A82包装材料与容器
替代情况:
被GB 13042-1998替代
部分标准内容:
中华人民共和国国家标准
包装容器
喷雾罐
Packaging containers-Aerosol cans主题内容与适用范围
GB 13042 -- 91
本标准规定了喷雾(含气雾阀)的主要技术要求、试验方法、检验规则等内容。本标准适用于口径为25.4mm的以镀锡薄钢板和铝质材料制成的喷雾罐及配用的气雾阀。2引用标准
GB 1196
重熔用铝锭技术条件
漆膜附著力测定法
GB1720
GB 1732
漆膜耐冲击测定法
GB2520
电镀锡薄钢板和钢带
逐批检查计数抽样程序及抽样表(适用于连续批的检查)GB 2828
ZB A82 001
包装装潢马口铁印刷品
3术语
3.1喷雾罐
aerosol car
用于盛装喷雾产品的一次性使用的金属容器,喷雾产品在预压力作用下,通过阀门并按所控制的形态喷射出来。
3. 2气雾阀
喷雾容器上的一种机械装置,开启时使喷雾产品以预定的形态喷射出来。4材料质量要求
4.1镀锡薄钢板厚度为0.18~~0.40mm,硬度值HR30T为48~65,镀锡量为4.9~20.2g/m2,其他性能符合GB2520的规定。
4.2铝材为工业纯铝,含铝量应大于99.5%,其他性能符合GB1196的规定。5技术要求
5.1尺寸
5.1.1喷雾的直径和高度按用户要求确定,容积不大于1000mL。5.1.2罐口部分的主要尺寸和公差须保证与气雾阀的有效配合。开孔形状Y型为铝质箍,乙型为镀锡薄钢板罐,见图1、表1。
国技术监督局1991-06-26批准
标注瘦慢图
水标准行业造料音专下剂
1992-04-01实施
开孔形状
基本尺寸
极限偏差
GB 13042--91
内径D2
基本尺寸
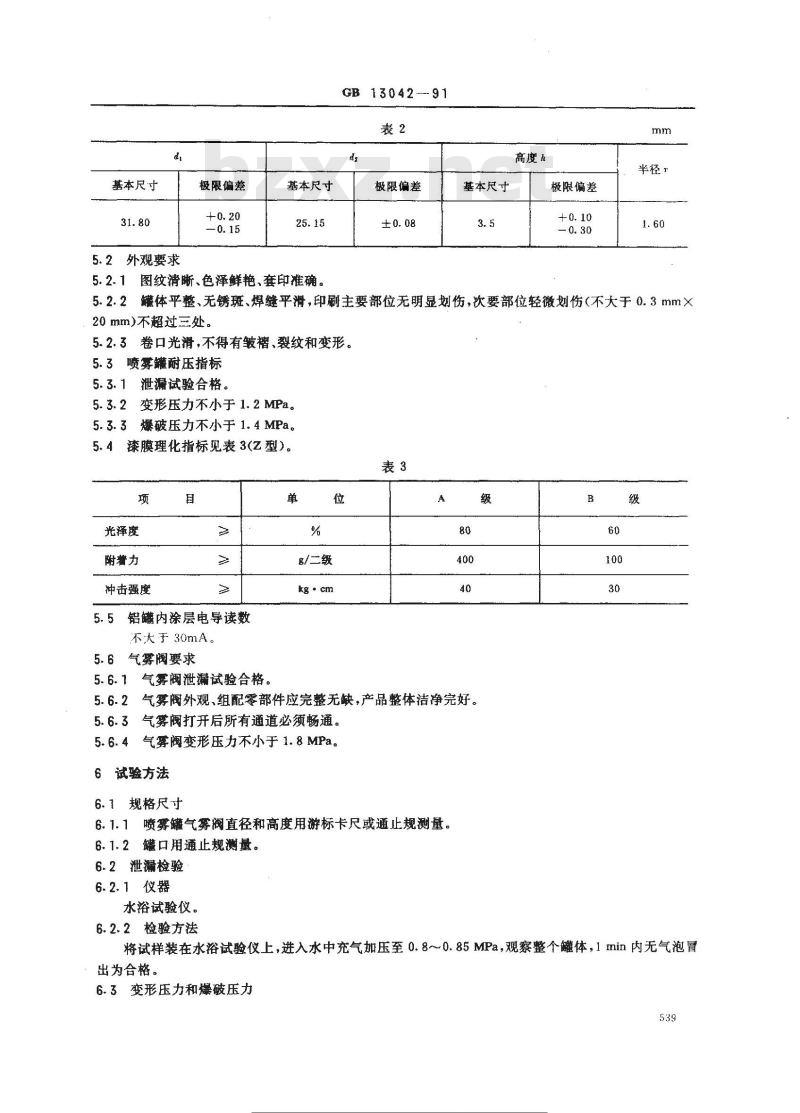
气雾阀主要尺寸见图2、表2。
标注瘦慢图
极限偏差
接触高度
水标供
平均接触高度(10只)
允许误差
基本尺寸
5.2外观要求
极限偏差
基本尺寸
5.2.1图纹清晰、色泽鲜艳、套印准确。GB 13042-91
极限偏差
基本尺寸
极限偏差
5.2.2罐体平整、无锈斑、焊缝平滑,印刷主要部位无明显划伤,次要部位轻微划伤(不大于0.3mm×20mm)不超过三处。
5.2.3卷口光滑,不得有皱褶、裂纹和变形。5.3喷雾罐耐压指标
5.3.1泄漏试验合格。
5.3.2变形压力不小于 1.2 MPa。5.3.3爆破压力不小于1.4MPa。
5.4漆膜理化指标见表3(Z型)。表3
光泽度
附著力
冲击强度
5.5铝罐内涂层电导读数
不于30mA。
5. 6气雾阀要求
5.6.1气雾阀泄漏试验合格。
g/二级
kg * cm
5.6.2气雾阀外观、组配零部件应完整无缺,产品整体洁净完好。气雾阀打开后所有通道必须畅通。5.6.3
气雾阀变形压力不小于1.8MPa。6试验方法
规格尺寸
6.1.1喷雾罐气雾阀直径和高度用游标卡尺或通止规测量。6.1.2罐口用通止规测量。
6.2泄漏检验
6.2.1仪器
水浴试验仪。
6.2.2检验方法
将试样装在水浴试验仪上,进入水中充气加压至0.8~0.85MPa,观察整个罐体,1min内无气泡冒出为合格。
6.3变形压力和爆破压力
标准授慢内
古火标准行业资料克壳下载
6.3.1仪器
爆破压力测定仪。
6.3.2试验方法
GB 13042--91
将罐内注满清水,插入密封头,旋紧后,将罐内充气加压逐渐升高至1.2MPa,观察罐体有无变形现象,无变形则为合格。继续升压至1.4MPa,观察是否有爆裂现象,如无爆裂则该项为合格。6.4漆膜光泽度
按ZBA82001执行。
6.5漆膜附着力
按GB1720执行。
6.6漆膜冲击强度
按GB1732执行。
6.7铝罐内涂层电导测定
6.7.1仪器
专用涂层电导测定仪:直流电压6.3V,测量范围0~125mA。6.7.2试剂
电解液:1.02%的NaC1溶液。
6.7.3测定方法
将NaC1电解液注入样品内至离口6mm处,然后把放在测定仪的髓座上夹稳,按照仪器使用规程进行操作,得出读数。
6.8气雾阀变形压力
6.8.1仪器
压力试验仪:压力表精度1.5级,量程0~2.5MPa;专用百分表:测量范围0~~10mm,分度值0.01mm.
6.8.2试验方法
将样品放入压力试验仪内,加压至1.8MPa保持1min,然后用专用百分表测量阀内圆顶与外翻边高之间的变化,变化不大于0.25mm为合格。6.9气雾阀泄漏试验
6.9.1仪器
泄漏试验仪:压力表测量范围0~1.0MPa,精度1.5级。6.9.2试验方法
将样品放入泄漏试验仪内,充气加压至0.8~0.85MPa,保持1min无气泡叠出为合格。7检验规则
以一次发货数为一批,以一个喷雾罐或气雾阀为一个单位产品。7.1出厂检验
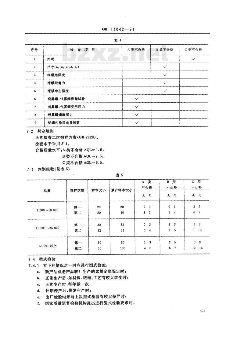
7.1、1本标准技术要求中5.1.1、5.1.2、5,1.3、5.2.2、5.3.2、5.4、5.5、5.6.4所列各项目,根据第三方出具的测试报告进行检验,其中有一项不合格则该批喷雾罐判为不合格。7.1.2按检验项目及缺陷分类表(见表4)判定该批喷雾罐是否合格。5m
运准店
检查项目
尺寸(D、D2、H41、22)
漆膜光泽度
漆膜附碧力
漆膜冲击强度
喷雾罐、气雾阀泄漏试验
喷雾罐、气雾阀变形压力
喷雾罐爆破压力
铝罐内涂层电导读数此内容来自标准下载网
7.2判定规则
正常检查二次抽样方案(GB2828)。检查水平采用S-4。
GB 13042--91
A类不合格
合格质量水平,A类不合格AQL=1.5,B类不合格AQL—2.5;
C类不合格AQL一6. 5。
判别组数(见表5)
1200~10 000
10001~35000
35001以上
型式检验
抽样次数
样本大小
有下列情况之时应进行型式检验:累计样本大小
新产品或老产品转厂生产的试制定型鉴定时;正常生产后,如材料、结构、工艺有较大改变时;正常生产时,每年做一次:
长期停产后,恢复生产时:
出厂检验结果与上次型式检验有较大差异时,国家质量监督检验机构提出进行型式检验要求时。标注瘦慢肉
不合格
发水标准行业造料音专下剂
B类不合格
不合格
C类不合格
不合格
GB 13042-91
7.4.2型式检验项目按本标准第5章技术要求规定进行,其判定规则和判别组数按本标准7.2、7.3条规定进行。
8标志、包装、运输、贮存
8.1标志
8.1、1包装箱表面应印有产品名称、规格、数量、包装箱的外部尺寸、毛重、生产厂家、出厂日期。8.1.2标有“小心轻放”标志。
8.2包装
8.2.1采用瓦楞纸箱包装。
8.2.2产品采用竖直排列,产品之间采用十学纸板隔开。8.2.3用塑料打包带捆扎。
8.3运输
运输时要轻装轻御,严禁抛掷,防止碰撞,避免雨淋、曝晒及污染。8.4贮存
贮存库房要通风、干燥、清洁,严禁重压。附加说明:
本标准由中国包装总公司提出并归口。本标准由天津市印铁制厂、中山市精细化学工业集团公司负责起草。本标准主要起草人李殿水、叶国珩、甄继光、王梅、吴志坚。542
标注瘦慢图
发水标准行造料告专下剂
小提示:此标准内容仅展示完整标准里的部分截取内容,若需要完整标准请到上方自行免费下载完整标准文档。
包装容器
喷雾罐
Packaging containers-Aerosol cans主题内容与适用范围
GB 13042 -- 91
本标准规定了喷雾(含气雾阀)的主要技术要求、试验方法、检验规则等内容。本标准适用于口径为25.4mm的以镀锡薄钢板和铝质材料制成的喷雾罐及配用的气雾阀。2引用标准
GB 1196
重熔用铝锭技术条件
漆膜附著力测定法
GB1720
GB 1732
漆膜耐冲击测定法
GB2520
电镀锡薄钢板和钢带
逐批检查计数抽样程序及抽样表(适用于连续批的检查)GB 2828
ZB A82 001
包装装潢马口铁印刷品
3术语
3.1喷雾罐
aerosol car
用于盛装喷雾产品的一次性使用的金属容器,喷雾产品在预压力作用下,通过阀门并按所控制的形态喷射出来。
3. 2气雾阀
喷雾容器上的一种机械装置,开启时使喷雾产品以预定的形态喷射出来。4材料质量要求
4.1镀锡薄钢板厚度为0.18~~0.40mm,硬度值HR30T为48~65,镀锡量为4.9~20.2g/m2,其他性能符合GB2520的规定。
4.2铝材为工业纯铝,含铝量应大于99.5%,其他性能符合GB1196的规定。5技术要求
5.1尺寸
5.1.1喷雾的直径和高度按用户要求确定,容积不大于1000mL。5.1.2罐口部分的主要尺寸和公差须保证与气雾阀的有效配合。开孔形状Y型为铝质箍,乙型为镀锡薄钢板罐,见图1、表1。
国技术监督局1991-06-26批准
标注瘦慢图
水标准行业造料音专下剂
1992-04-01实施
开孔形状
基本尺寸
极限偏差
GB 13042--91
内径D2
基本尺寸
气雾阀主要尺寸见图2、表2。
标注瘦慢图
极限偏差
接触高度
水标供
平均接触高度(10只)
允许误差
基本尺寸
5.2外观要求
极限偏差
基本尺寸
5.2.1图纹清晰、色泽鲜艳、套印准确。GB 13042-91
极限偏差
基本尺寸
极限偏差
5.2.2罐体平整、无锈斑、焊缝平滑,印刷主要部位无明显划伤,次要部位轻微划伤(不大于0.3mm×20mm)不超过三处。
5.2.3卷口光滑,不得有皱褶、裂纹和变形。5.3喷雾罐耐压指标
5.3.1泄漏试验合格。
5.3.2变形压力不小于 1.2 MPa。5.3.3爆破压力不小于1.4MPa。
5.4漆膜理化指标见表3(Z型)。表3
光泽度
附著力
冲击强度
5.5铝罐内涂层电导读数
不于30mA。
5. 6气雾阀要求
5.6.1气雾阀泄漏试验合格。
g/二级
kg * cm
5.6.2气雾阀外观、组配零部件应完整无缺,产品整体洁净完好。气雾阀打开后所有通道必须畅通。5.6.3
气雾阀变形压力不小于1.8MPa。6试验方法
规格尺寸
6.1.1喷雾罐气雾阀直径和高度用游标卡尺或通止规测量。6.1.2罐口用通止规测量。
6.2泄漏检验
6.2.1仪器
水浴试验仪。
6.2.2检验方法
将试样装在水浴试验仪上,进入水中充气加压至0.8~0.85MPa,观察整个罐体,1min内无气泡冒出为合格。
6.3变形压力和爆破压力
标准授慢内
古火标准行业资料克壳下载
6.3.1仪器
爆破压力测定仪。
6.3.2试验方法
GB 13042--91
将罐内注满清水,插入密封头,旋紧后,将罐内充气加压逐渐升高至1.2MPa,观察罐体有无变形现象,无变形则为合格。继续升压至1.4MPa,观察是否有爆裂现象,如无爆裂则该项为合格。6.4漆膜光泽度
按ZBA82001执行。
6.5漆膜附着力
按GB1720执行。
6.6漆膜冲击强度
按GB1732执行。
6.7铝罐内涂层电导测定
6.7.1仪器
专用涂层电导测定仪:直流电压6.3V,测量范围0~125mA。6.7.2试剂
电解液:1.02%的NaC1溶液。
6.7.3测定方法
将NaC1电解液注入样品内至离口6mm处,然后把放在测定仪的髓座上夹稳,按照仪器使用规程进行操作,得出读数。
6.8气雾阀变形压力
6.8.1仪器
压力试验仪:压力表精度1.5级,量程0~2.5MPa;专用百分表:测量范围0~~10mm,分度值0.01mm.
6.8.2试验方法
将样品放入压力试验仪内,加压至1.8MPa保持1min,然后用专用百分表测量阀内圆顶与外翻边高之间的变化,变化不大于0.25mm为合格。6.9气雾阀泄漏试验
6.9.1仪器
泄漏试验仪:压力表测量范围0~1.0MPa,精度1.5级。6.9.2试验方法
将样品放入泄漏试验仪内,充气加压至0.8~0.85MPa,保持1min无气泡叠出为合格。7检验规则
以一次发货数为一批,以一个喷雾罐或气雾阀为一个单位产品。7.1出厂检验
7.1、1本标准技术要求中5.1.1、5.1.2、5,1.3、5.2.2、5.3.2、5.4、5.5、5.6.4所列各项目,根据第三方出具的测试报告进行检验,其中有一项不合格则该批喷雾罐判为不合格。7.1.2按检验项目及缺陷分类表(见表4)判定该批喷雾罐是否合格。5m
运准店
检查项目
尺寸(D、D2、H41、22)
漆膜光泽度
漆膜附碧力
漆膜冲击强度
喷雾罐、气雾阀泄漏试验
喷雾罐、气雾阀变形压力
喷雾罐爆破压力
铝罐内涂层电导读数此内容来自标准下载网
7.2判定规则
正常检查二次抽样方案(GB2828)。检查水平采用S-4。
GB 13042--91
A类不合格
合格质量水平,A类不合格AQL=1.5,B类不合格AQL—2.5;
C类不合格AQL一6. 5。
判别组数(见表5)
1200~10 000
10001~35000
35001以上
型式检验
抽样次数
样本大小
有下列情况之时应进行型式检验:累计样本大小
新产品或老产品转厂生产的试制定型鉴定时;正常生产后,如材料、结构、工艺有较大改变时;正常生产时,每年做一次:
长期停产后,恢复生产时:
出厂检验结果与上次型式检验有较大差异时,国家质量监督检验机构提出进行型式检验要求时。标注瘦慢肉
不合格
发水标准行业造料音专下剂
B类不合格
不合格
C类不合格
不合格
GB 13042-91
7.4.2型式检验项目按本标准第5章技术要求规定进行,其判定规则和判别组数按本标准7.2、7.3条规定进行。
8标志、包装、运输、贮存
8.1标志
8.1、1包装箱表面应印有产品名称、规格、数量、包装箱的外部尺寸、毛重、生产厂家、出厂日期。8.1.2标有“小心轻放”标志。
8.2包装
8.2.1采用瓦楞纸箱包装。
8.2.2产品采用竖直排列,产品之间采用十学纸板隔开。8.2.3用塑料打包带捆扎。
8.3运输
运输时要轻装轻御,严禁抛掷,防止碰撞,避免雨淋、曝晒及污染。8.4贮存
贮存库房要通风、干燥、清洁,严禁重压。附加说明:
本标准由中国包装总公司提出并归口。本标准由天津市印铁制厂、中山市精细化学工业集团公司负责起草。本标准主要起草人李殿水、叶国珩、甄继光、王梅、吴志坚。542
标注瘦慢图
发水标准行造料告专下剂
小提示:此标准内容仅展示完整标准里的部分截取内容,若需要完整标准请到上方自行免费下载完整标准文档。
标准图片预览:





- 其它标准
- 热门标准
- 国家标准(GB)
- GB/T30917—2014 /ISo 29941:2010 天然胶乳橡胶避孕套中可迁移亚硝胺的测定
- GB15193.5-2003 骨髓细胞微核试验
- GB/T29633.4-2020 南极地名 第4部分:罗马字母拼写
- GB29140-2024 纯碱单位产品能源消耗限额
- GB/T43929-2024 空间用纤维光学器件测试指南
- GB/T31301.8-2020 制鞋机械安全要求 第8部分:定型机
- GB/T42970-2023 半导体集成电路 视频编解码电路测试方法
- GB/T43225-2023 空间物体登记要求
- GB/T4074.3-1999 绕组线试验方法 第3部分:机械性能
- GB15985-1995 丝虫病诊断标准及处理原则
- GB19159-2003 车用液化石油气
- GB/T5515-1985 粮食、油料检验 粗纤维素测定法
- GB/T7407-1997 中国及世界主要海运贸易港口代码
- GB/T10599-1998 多绳摩擦式提升机
- GB1913.2-1990 漂白浸渍绝缘纸
- 行业新闻
请牢记:“bzxz.net”即是“标准下载”四个汉字汉语拼音首字母与国际顶级域名“.net”的组合。 ©2025 标准下载网 www.bzxz.net 本站邮件:bzxznet@163.com
网站备案号:湘ICP备2025141790号-2
网站备案号:湘ICP备2025141790号-2