- 您的位置:
- 标准下载网 >>
- 标准分类 >>
- 国家标准(GB) >>
- GB 12691-1990 空气压缩机油
标准号:
GB 12691-1990
标准名称:
空气压缩机油
标准类别:
国家标准(GB)
标准状态:
现行-
发布日期:
1990-12-30 -
实施日期:
1991-11-01 出版语种:
简体中文下载格式:
.rar.pdf下载大小:
68.88 KB
替代情况:
SY 1216-1977采标情况:
NEQ DIN 51506:1985
首发日期:
1990-12-30复审日期:
2004-10-14起草单位:
石油化工科研院归口单位:
中国石油化工集团公司发布部门:
国家技术监督局主管部门:
中国石油化工集团公司相关标签:
空气压缩机

点击下载
标准简介:
标准下载解压密码:www.bzxz.net
本标准规定了矿油型空气压缩机油的技术条件。本标准中所属产品包括L-DAA和L-DAB二个品种,不包括L-DAC。本标准中所属产品适用于有油润滑的活塞式和滴油回转式空气压缩机。L-DAA用于轻负荷空气压缩机;L-DAB用于中负荷空气压缩机(压缩机负荷轻重的定义见附录A)。 GB 12691-1990 空气压缩机油 GB12691-1990

部分标准内容:
中华人民共和国国家标准
空气压
缩机油
Air compressor oils
1主题内容与适用范围
本标准规定了矿油型空气压缩机油的技术条件。本标推中所属产品包括L-DAA和L-DAB二个品种,不包括L-DAC。本标推中所属产品适用于有油润滑的活塞式和滴油回转式空气压缩机。GB12691--90
L-DAA用于轻负荷空气压缩机L-DAB用于中负荷空气压缩机(压缩机负荷轻重的定义见附录A)。
2引用标准
石油产品水溶性酸及碱测定法
石油产品水分测定法
石油产品运动粘度测定法和动力粘度计算法GB265
GB2433
GB3141
GB3535
GB3536
GB 4756
GB4945
GB5096
GB7305
GB 9168
石油产品残炭测定法(康氏法)石油产品和添加剂机械杂质测定法(重量法)添加剂和含添加剂润滑油硫酸盐灰分测定法工业用润滑油粘度分类
石油倾点测定法
石油产品闪点和燃点测定法(克利夫兰开口杯法)石油和液体石油产品取样法(手工法)石油产品和润滑剂中和值测定法(颜色指示剂法)石油产品铜片腐蚀试验法
石油和合成液抗乳化性能测定法石油产品减压蒸馏测定法
GB 11143
加抑制剂矿物油在水存在下防锈性能试验法ZBE30005
ZBE34 010
3技术内容
3.1产品标记
标记示例:
石油产品包装、贮运及交货验收规则润滑油老化特性测定法
压缩机油L-DAB100
GB12691
3.2技术要求
国家技术监督局1990-12-30批准1991-11-D1实施
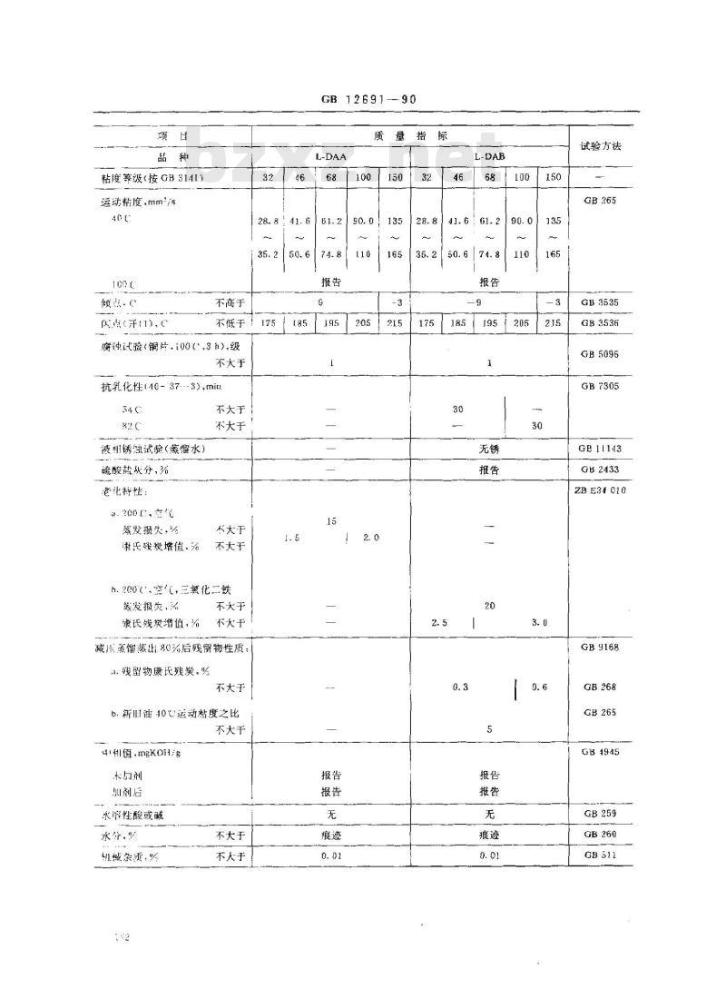
粘度等级(按GB3141)
运动粘度.mms
倾点·
闪点并,心
不高于
不低于
腐蚀试验(铜片.100t,3h)级
不大于
抗乳化性(40-37..-3),min
极相锈蚀试验(蒸馏水)
硫酸盐嵌分,%
老化特性:
a.2006.花
蒸发损,乐
氏残炭增值,%
不大于此内容来自标准下载网
不大于
不大于
不大于
h.200℃,空气,三氧化二铁
蒸发损失,不
康氏娥炭增值,%
不大于
不大于
减压家馏蒸比80%后残留物性质:小.残留物康氏残炭,%
不大于
b.新旧40℃运动粘度之比
不大于
4利值.mgKOH/g
圳剂后
水溶性酸或碱
初被条质,
不大于
不大于
GB 12691-90
质基指
28.841.6)63.2
试验方法
GB3535
GB3536
GB 5096
GB7805
GB1I143
GB2433
ZB E34 010
GB 9168
GB 265
GB1945
4标志、包装、运输、购存
GB12691—90
标志,包装、运输、贮存及交货验收按ZBE30005进行。取样
取样按GB4756进行,取2L作检验和留样用。.
附加说明:
GB12691—90
附录A
用油润滑的活塞式空气压缩机轻、中负荷的定义(参考件)
间断运转
连续运转
间断运转
连续运转
本标准由中国石油化工总公司提出。作
每次运转周期之间有足够的时间进行冷却压缩机开停频繁
排气量反复变化
a.排气压力≤1000kPa(10bar)
排气温度≤160℃
级压力比<3:1
b.排气压力>1000kPa(10bar)
排气温度≤140℃
级压力比≤311
每次运转周期之间有足够的时间进行冷却a.排气压力≤1000kPa(10bar)
排气温度>160℃
b.排气压力>1000 kPa(10 bar)
排气温度>140℃
160℃
c.级压力比>3:1
本标雄由石油化工科学研究院技术归口。本标准由石油化工科学研究院和锦西炼油化工总厂负责起草。本标准主要起草人陈铁飞、林树芳。一1985《润滑剂含和不含添加剂的润滑油VB和VC及本标准参照采用联邦德国标准DIN51506-润滑油VDL分类和要求》。
自本标准实施之日起一整年后原石油工业部部标SY1216一77《压缩机油》作废。i
小提示:此标准内容仅展示完整标准里的部分截取内容,若需要完整标准请到上方自行免费下载完整标准文档。
空气压
缩机油
Air compressor oils
1主题内容与适用范围
本标准规定了矿油型空气压缩机油的技术条件。本标推中所属产品包括L-DAA和L-DAB二个品种,不包括L-DAC。本标推中所属产品适用于有油润滑的活塞式和滴油回转式空气压缩机。GB12691--90
L-DAA用于轻负荷空气压缩机L-DAB用于中负荷空气压缩机(压缩机负荷轻重的定义见附录A)。
2引用标准
石油产品水溶性酸及碱测定法
石油产品水分测定法
石油产品运动粘度测定法和动力粘度计算法GB265
GB2433
GB3141
GB3535
GB3536
GB 4756
GB4945
GB5096
GB7305
GB 9168
石油产品残炭测定法(康氏法)石油产品和添加剂机械杂质测定法(重量法)添加剂和含添加剂润滑油硫酸盐灰分测定法工业用润滑油粘度分类
石油倾点测定法
石油产品闪点和燃点测定法(克利夫兰开口杯法)石油和液体石油产品取样法(手工法)石油产品和润滑剂中和值测定法(颜色指示剂法)石油产品铜片腐蚀试验法
石油和合成液抗乳化性能测定法石油产品减压蒸馏测定法
GB 11143
加抑制剂矿物油在水存在下防锈性能试验法ZBE30005
ZBE34 010
3技术内容
3.1产品标记
标记示例:
石油产品包装、贮运及交货验收规则润滑油老化特性测定法
压缩机油L-DAB100
GB12691
3.2技术要求
国家技术监督局1990-12-30批准1991-11-D1实施
粘度等级(按GB3141)
运动粘度.mms
倾点·
闪点并,心
不高于
不低于
腐蚀试验(铜片.100t,3h)级
不大于
抗乳化性(40-37..-3),min
极相锈蚀试验(蒸馏水)
硫酸盐嵌分,%
老化特性:
a.2006.花
蒸发损,乐
氏残炭增值,%
不大于此内容来自标准下载网
不大于
不大于
不大于
h.200℃,空气,三氧化二铁
蒸发损失,不
康氏娥炭增值,%
不大于
不大于
减压家馏蒸比80%后残留物性质:小.残留物康氏残炭,%
不大于
b.新旧40℃运动粘度之比
不大于
4利值.mgKOH/g
圳剂后
水溶性酸或碱
初被条质,
不大于
不大于
GB 12691-90
质基指
28.841.6)63.2
试验方法
GB3535
GB3536
GB 5096
GB7805
GB1I143
GB2433
ZB E34 010
GB 9168
GB 265
GB1945
4标志、包装、运输、购存
GB12691—90
标志,包装、运输、贮存及交货验收按ZBE30005进行。取样
取样按GB4756进行,取2L作检验和留样用。.
附加说明:
GB12691—90
附录A
用油润滑的活塞式空气压缩机轻、中负荷的定义(参考件)
间断运转
连续运转
间断运转
连续运转
本标准由中国石油化工总公司提出。作
每次运转周期之间有足够的时间进行冷却压缩机开停频繁
排气量反复变化
a.排气压力≤1000kPa(10bar)
排气温度≤160℃
级压力比<3:1
b.排气压力>1000kPa(10bar)
排气温度≤140℃
级压力比≤311
每次运转周期之间有足够的时间进行冷却a.排气压力≤1000kPa(10bar)
排气温度>160℃
b.排气压力>1000 kPa(10 bar)
排气温度>140℃
160℃
c.级压力比>3:1
本标雄由石油化工科学研究院技术归口。本标准由石油化工科学研究院和锦西炼油化工总厂负责起草。本标准主要起草人陈铁飞、林树芳。一1985《润滑剂含和不含添加剂的润滑油VB和VC及本标准参照采用联邦德国标准DIN51506-润滑油VDL分类和要求》。
自本标准实施之日起一整年后原石油工业部部标SY1216一77《压缩机油》作废。i
小提示:此标准内容仅展示完整标准里的部分截取内容,若需要完整标准请到上方自行免费下载完整标准文档。

标准图片预览:




- 其它标准
- 热门标准
- 国家标准(GB)
- GB16853-1997 结核病监测标准
- GB/T19250-2013 聚氨酯防水涂料
- GB/T23344-2009 纺织品 4-氨基偶氮苯的测定
- GB/T22089-2008 电水壶性能要求及试验方法
- GB/T27888.3-2011 船舶与海上技术 船舶与海上结构物的排水系统 第3部分:真空系统的卫生水排放及排放管道
- GB/T44103-2024 轮滑课程学生运动能力测评规范
- GB/T40442-2021 纸、纸板和纸浆纤维组成分析中质量因子的测定
- GB/T3765-2008 卡套式管接头技术条件
- GB/T38142-2019 ISO 4918:2016 弹性、纺织和层压铺地物脚轮椅测试
- GB/T18878-2008 滑道设计规范
- GB/T23349-2009 肥料中砷、镉、铅、铬、汞生态指标
- GB19578-2021 乘用车燃料消耗量限值
- GB/T39351-2020 空间数据与信息传输系统 遥测空间数据链路协议
- GB/T3884.2-2000 铜精矿化学分析方法 金和银量的测定
- GB/T11383-1989 信息处理 信息交换用八位代码结构和编码规则
- 行业新闻
请牢记:“bzxz.net”即是“标准下载”四个汉字汉语拼音首字母与国际顶级域名“.net”的组合。 ©2009 标准下载网 www.bzxz.net 本站邮件:bzxznet@163.com
网站备案号:湘ICP备2023016450号-1
网站备案号:湘ICP备2023016450号-1