- 您的位置:
- 标准下载网 >>
- 标准分类 >>
- 国家标准(GB) >>
- GB/T 12619-1990 抽芯铆钉 技术条件
标准号:
GB/T 12619-1990
标准名称:
抽芯铆钉 技术条件
标准类别:
国家标准(GB)
标准状态:
已作废-
发布日期:
1990-12-14 -
实施日期:
1991-10-01 -
作废日期:
2004-08-01 出版语种:
简体中文下载格式:
.rar.pdf下载大小:
135.21 KB

部分标准内容:
主题内容
中华人民共和国国家标准
抽芯铆钉技术条件
Specifications for break mandrelblind rivets
本标准规定了开口型抽芯铆钉和封闭型抽芯铆钉的技术条件。引用标准
GB1220
优质碳素结构钢钢号和一般技术条件不锈钢棒
铝及铝合金加工产品的化学成分GB3190
优质碳素结构钢丝
GB3206
紧固件验收检查、标志与包装
3材料
钉体材料
性能等级
铝合金
4性能
碳素钢
特种钢
L3、L4
L5、L6
LF2,LF3,LF10
LF5--1.LF5
08F、10、15
OCr19Ni9
1Cr18Ni9
标准编号Www.bzxZ.net
GB3190
GB1220
LC3、LY12
08F、10、15、
35、45
GB 12619--90
钉芯材料
标准编号
GB3190
GB3206
1Cr18Ni9.,2Cr13
铆钉钉体的最小抗剪载荷,最小抗拉载荷按表2规定。国家技术监督局1990-12-14批准GB1220
1991-10-01实施
性能等级
5形位公差
试验项目
最小抗剪载荷
最小抗拉载荷
最小抗剪载荷
最小抗拉载荷
最小抗剪载荷
最小抗拉载荷
最小抗剪载荷
最小抗拉载荷
最小抗剪载荷
最小抗拉载荷
最小抗剪载荷
最小抗拉载荷
最小抗剪载荷
最小抗拉载荷
最小抗剪载荷
最小抗拉载荷
最小抗剪载荷
最小抗拉载荷
GB12619--90
垂直度
铆钉支承面对钉杆轴心线的垂直度公差按图1、表3规定。注:沉头不予规定。
钉体直径,mm
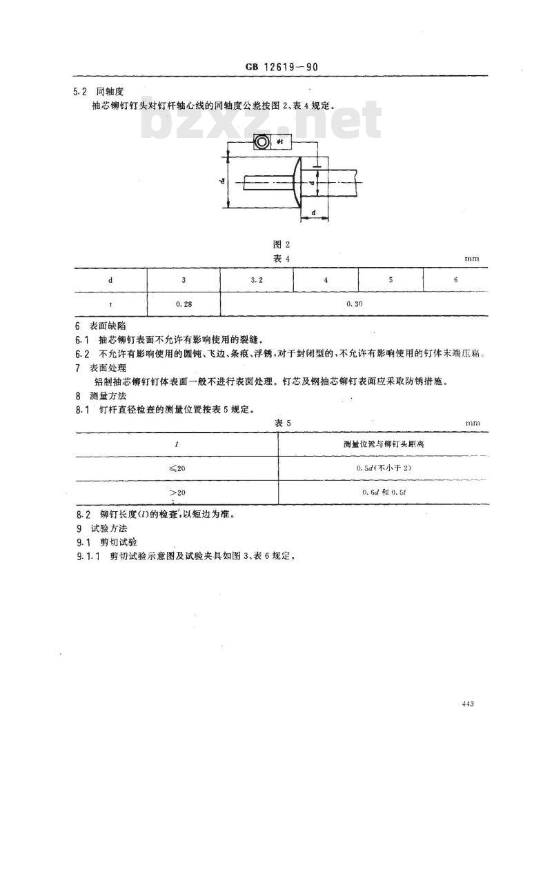
5.2同轴度
GB12619--90
抽芯铆钉钉头对钉杆轴心线的同轴度公差按图2、表4规定。Ot
6表面缺陷
6.1抽芯铆钉表面不允许有影响使用的裂缝0.30
6.2不允许有影响使用的圆钝、飞边、条痕、浮锈,对于封闭型的,不允许有影响使用的钉体未端压扁,7表面处理
铝制抽芯铆钉钉体表面一般不进行表面处理。钉芯及钢抽芯铆钉表面应采取防锈措施。8测量方法
8.1钉杆直径检查的测量位置按表5规定。表5
8.2铆钉长度(1)的检查,以短边为准。9试验方法
9.1剪切试验
9.1.1剪切试验示意图及试验夹具如图3、表6规定。测量位置与铆钉头距离
0.5d(不小于2)
0. 6d 和 0. 57
自定长
GB12619-90
剪切试验示意图及试验夹具
注:以铆钉断裂时或断裂前加于夹具的最大载荷为抗剪载荷。表6
钉体直径d
do参考
等于表7和表8中推荐的铆接厚度的上限值24
9.1.2将剪切试验夹具装在试验机上,试验时夹头的移动速度不应超过15mm/min,连续加载直到断裂为止,载荷应满足表2的规定、9.1.3在规定的抗剪载荷下,试验铆钉不应出现裂缝9.1.4试验夹具为钢45、硬度为HRC40~45。9.2拉伸试验
9.2.1拉伸试验夹具及拉伸试验示意图如图4、图5、图6及表6规定。a
图4拉伸试验用钢板及其连接图
安装拉力轴孔轻
图5试验夹具
GB12619—90
图6拉伸试验示意图
拉力轴尺寸自定
摘芯铆钉
注:以铆钉断裂时或断裂前加于夹具的最大载荷为抗拉载荷。9.2.2将拉伸试验夹具装在试验机上,试验时夹头的移动速度不应超过15mm/min,连续加载直到铆钉断裂为止,载荷应满足表2的规定。9.2.3在规定的抗拉载荷下,试验铆钉不应出现裂缝,不应从试验夹具中拉脱。9.2.4试验夹具为钢45,硬度为HRC40~45。9.3铆接试验
9.3.1用铆接工具和钉将被铆接件铆接牢固。铆接后,钉芯应断在孔内。对封闭型抽芯铆钉不允许有渗漏现象。
9.3.2被铆接件所钻的孔应比铆钉的外径大0.1mm。9.3.3封闭型抽芯铆钉的铆接厚度按表7规定;开口型抽芯铆钉的铆接厚度按表8规定。445
【公称
1公称
8~10. 2
11~13.2
GB12619-90
推荐的铆接厚度
3. 5 ~ 5. 5
7.5~ 9. 5
推荐的铆接厚度
12~14.6
8~-10, 7
11 ~~ 13. 7
12~14.7
11 ~~ 16. 7
. -..
10~12
11~13
GB12619-90
续表8
推荐的铆接厚度
验收检查、标志与包装
验收检查、标志与包装按GB90的规定。上述规定以外的技术条件由供需双方协议附加说明:
15 ~ 17. 2
29~31.7
本标准由全国紧固件标准化技术委员会提出,由机械电子工业部机械标准化研究所州。本标准由机械电子工业部机械标准化研究所负责、沈阳市标准件四厂参加起草。447
小提示:此标准内容仅展示完整标准里的部分截取内容,若需要完整标准请到上方自行免费下载完整标准文档。
中华人民共和国国家标准
抽芯铆钉技术条件
Specifications for break mandrelblind rivets
本标准规定了开口型抽芯铆钉和封闭型抽芯铆钉的技术条件。引用标准
GB1220
优质碳素结构钢钢号和一般技术条件不锈钢棒
铝及铝合金加工产品的化学成分GB3190
优质碳素结构钢丝
GB3206
紧固件验收检查、标志与包装
3材料
钉体材料
性能等级
铝合金
4性能
碳素钢
特种钢
L3、L4
L5、L6
LF2,LF3,LF10
LF5--1.LF5
08F、10、15
OCr19Ni9
1Cr18Ni9
标准编号Www.bzxZ.net
GB3190
GB1220
LC3、LY12
08F、10、15、
35、45
GB 12619--90
钉芯材料
标准编号
GB3190
GB3206
1Cr18Ni9.,2Cr13
铆钉钉体的最小抗剪载荷,最小抗拉载荷按表2规定。国家技术监督局1990-12-14批准GB1220
1991-10-01实施
性能等级
5形位公差
试验项目
最小抗剪载荷
最小抗拉载荷
最小抗剪载荷
最小抗拉载荷
最小抗剪载荷
最小抗拉载荷
最小抗剪载荷
最小抗拉载荷
最小抗剪载荷
最小抗拉载荷
最小抗剪载荷
最小抗拉载荷
最小抗剪载荷
最小抗拉载荷
最小抗剪载荷
最小抗拉载荷
最小抗剪载荷
最小抗拉载荷
GB12619--90
垂直度
铆钉支承面对钉杆轴心线的垂直度公差按图1、表3规定。注:沉头不予规定。
钉体直径,mm
5.2同轴度
GB12619--90
抽芯铆钉钉头对钉杆轴心线的同轴度公差按图2、表4规定。Ot
6表面缺陷
6.1抽芯铆钉表面不允许有影响使用的裂缝0.30
6.2不允许有影响使用的圆钝、飞边、条痕、浮锈,对于封闭型的,不允许有影响使用的钉体未端压扁,7表面处理
铝制抽芯铆钉钉体表面一般不进行表面处理。钉芯及钢抽芯铆钉表面应采取防锈措施。8测量方法
8.1钉杆直径检查的测量位置按表5规定。表5
8.2铆钉长度(1)的检查,以短边为准。9试验方法
9.1剪切试验
9.1.1剪切试验示意图及试验夹具如图3、表6规定。测量位置与铆钉头距离
0.5d(不小于2)
0. 6d 和 0. 57
自定长
GB12619-90
剪切试验示意图及试验夹具
注:以铆钉断裂时或断裂前加于夹具的最大载荷为抗剪载荷。表6
钉体直径d
do参考
等于表7和表8中推荐的铆接厚度的上限值24
9.1.2将剪切试验夹具装在试验机上,试验时夹头的移动速度不应超过15mm/min,连续加载直到断裂为止,载荷应满足表2的规定、9.1.3在规定的抗剪载荷下,试验铆钉不应出现裂缝9.1.4试验夹具为钢45、硬度为HRC40~45。9.2拉伸试验
9.2.1拉伸试验夹具及拉伸试验示意图如图4、图5、图6及表6规定。a
图4拉伸试验用钢板及其连接图
安装拉力轴孔轻
图5试验夹具
GB12619—90
图6拉伸试验示意图
拉力轴尺寸自定
摘芯铆钉
注:以铆钉断裂时或断裂前加于夹具的最大载荷为抗拉载荷。9.2.2将拉伸试验夹具装在试验机上,试验时夹头的移动速度不应超过15mm/min,连续加载直到铆钉断裂为止,载荷应满足表2的规定。9.2.3在规定的抗拉载荷下,试验铆钉不应出现裂缝,不应从试验夹具中拉脱。9.2.4试验夹具为钢45,硬度为HRC40~45。9.3铆接试验
9.3.1用铆接工具和钉将被铆接件铆接牢固。铆接后,钉芯应断在孔内。对封闭型抽芯铆钉不允许有渗漏现象。
9.3.2被铆接件所钻的孔应比铆钉的外径大0.1mm。9.3.3封闭型抽芯铆钉的铆接厚度按表7规定;开口型抽芯铆钉的铆接厚度按表8规定。445
【公称
1公称
8~10. 2
11~13.2
GB12619-90
推荐的铆接厚度
3. 5 ~ 5. 5
7.5~ 9. 5
推荐的铆接厚度
12~14.6
8~-10, 7
11 ~~ 13. 7
12~14.7
11 ~~ 16. 7
. -..
10~12
11~13
GB12619-90
续表8
推荐的铆接厚度
验收检查、标志与包装
验收检查、标志与包装按GB90的规定。上述规定以外的技术条件由供需双方协议附加说明:
15 ~ 17. 2
29~31.7
本标准由全国紧固件标准化技术委员会提出,由机械电子工业部机械标准化研究所州。本标准由机械电子工业部机械标准化研究所负责、沈阳市标准件四厂参加起草。447
小提示:此标准内容仅展示完整标准里的部分截取内容,若需要完整标准请到上方自行免费下载完整标准文档。

标准图片预览:





- 其它标准
- 热门标准
- 国家标准(GB)
- GB/T43771-2024 电子气体 一氧化碳
- GB/T33814-2017 焊接H型钢
- GB/T17972-2000 信息处理系统 数据通信 局域网中使用X.25包级协议
- GB/T19250-2013 聚氨酯防水涂料
- GB/T12113-2023 接触电流和保护导体电流的测量方法
- GB/T23344-2009 纺织品 4-氨基偶氮苯的测定
- GB/T37319-2019 电梯节能逆变电源装置
- GB51131-2016 燃气冷热电联供工程技术规范
- GB/T22089-2008 电水壶性能要求及试验方法
- GB/T27888.3-2011 船舶与海上技术 船舶与海上结构物的排水系统 第3部分:真空系统的卫生水排放及排放管道
- GB/T40442-2021 纸、纸板和纸浆纤维组成分析中质量因子的测定
- GB/T3765-2008 卡套式管接头技术条件
- GB/T44103-2024 轮滑课程学生运动能力测评规范
- GB/T18878-2008 滑道设计规范
- GB/T23349-2009 肥料中砷、镉、铅、铬、汞生态指标
- 行业新闻
请牢记:“bzxz.net”即是“标准下载”四个汉字汉语拼音首字母与国际顶级域名“.net”的组合。 ©2009 标准下载网 www.bzxz.net 本站邮件:bzxznet@163.com
网站备案号:湘ICP备2023016450号-1
网站备案号:湘ICP备2023016450号-1