- 您的位置:
- 标准下载网 >>
- 标准分类 >>
- 机械行业标准(JB) >>
- JB/T 1786-2005 35mm电影放映物镜 技术条件
标准号:
JB/T 1786-2005
标准名称:
35mm电影放映物镜 技术条件
标准类别:
机械行业标准(JB)
标准状态:
现行-
发布日期:
2005-09-23 -
实施日期:
2006-01-01 出版语种:
简体中文下载格式:
.rar.pdf下载大小:
167.43 KB
替代情况:
JB/T 1786-1991

点击下载
标准简介:
标准下载解压密码:www.bzxz.net
本标准规定了35mm电影放映物镜的基本参数及尺寸、技术要求、试验方法、检验及标志、包装和贮存。 JB/T 1786-2005 35mm电影放映物镜 技术条件 JB/T1786-2005

部分标准内容:
1C37.060.10
备号:16713—2005
中华人民共和国机械行业标准
JB/T 1786-2005
代替JB1786--1991
35mm电影放映物镜
技术条件
Techanical specification of 3Snm motion picturc projcction lens2005-09-23发布
2006-02-01实施
中华人民共和国国家发展和改革委员会发布旅市
规范性引用文件
基本参数及尺寸
油拓系列
杆对有径
3.3与题映视配合部分的尺寸
1按术要求
焦跳误
相托径误差
监别率
逐过率
两变.
角茶,
惊商照度均约度
杂光系游
彩色原性能
试验方病
与效映机配合音分的尺寸
5.24.1~.4.8..
5.3彩色还原性能
5.4外观.
心格验
G.1山厂检验
6.2型式检验
机志、装、运缩和贮存
7.1标志..
运翰利有
JH/T 17862005
JB/T1786—2005
技术条件治订:毛要修波规范,用本标准点对/T1786—99163.mm电影放快物镜文件,基本案数及尺寸,术要求及检检规则。标准代替/T1786—1991:
本标准由中国机恢工业联会会提出本标准出案皇岛测听机械研究所口。本标准起单单位:秦序视听机械研究所:本你准主要起单人:前村、邓崇就本标准所代势标准的历改股本发布情说为:—JB/T178S1976.JB/T1785—19011花围
35mm电影放映物镜技术条件
JB/T1786—2005
本标准划定了3m电影款映物镜以下尚称物镜)的H本参数及尺寸,技术恶求。试验方法,捡金以发标离,包装、运抢和贴存,本标准适用于351r电影放映机用替通效肤物镜,不适用下必焦使,额、变形和变倍等特染途的物筑或附证意。
2规偿用交件
下列文伴中的条款通过本标准约引片而没为本标准的条款。儿是注日期的用文件,片随后所有的悠改单(不包括制的内容)或修订版购不适用十术标准。然而,鼓励根据本标准然成势议的各研究否可使丑这些文件的最新版本,凡是不注H期的引岸文件,其联影版本适市丁本标准.G13/15464仪器仪表包装通市技不录件仪龄仪表运输运物险存基本放境务件及式验方法JBT9329
5B/154(19
中影改典物策、件能测定方法
3基本参数尺寸
3.1荫距系列
物镜杰所标称系州值应按下刻数据中选取(单位为Tu):22. 24,26.28, 30. 32.5.35.37.5,40.47.5,45.0.55.60,65. 70,75.80.859095,100.105170,215.120.125,130,140,150,160,170.180190.3.2招对孔径
物等的相对经应不小正20
7.3与放映机起部分的尺寸
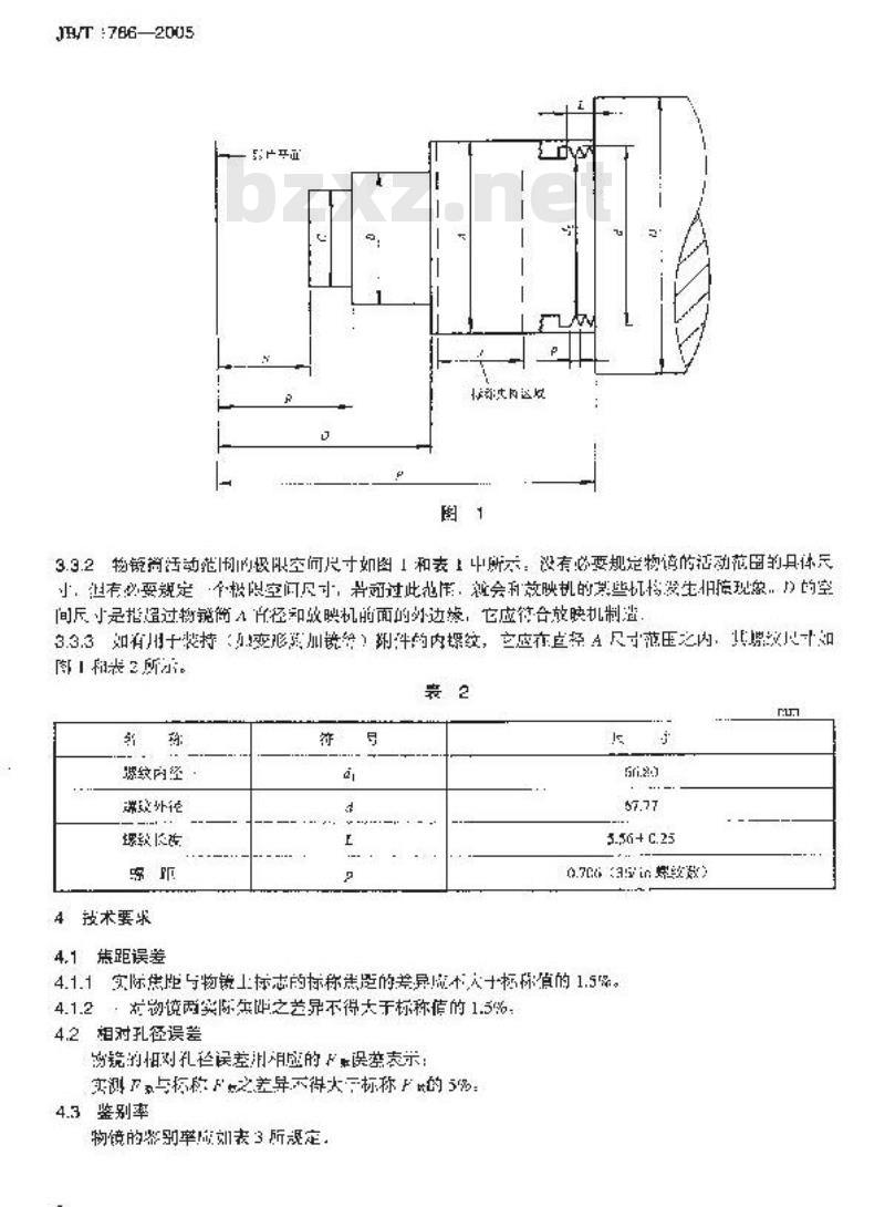
3.3.1物竞商装火育径如图1和表上[:A所尔。要求绝大部分敬映机物镜平能直接来持愉镜简或书可提以一个以皆定的直径末夹持物镜简的机械卖持装置。表1
物关卡长直途
钢境极根空间尺
4直些示称央持区域
to8.0.gcm
件合放映机制造
36 元
SC ean
JH/T :786—2005
东款内区
3.3.2物镜简活动范用内极限空尺寸如图1和表1中所示:没有必要规定物停的活动范围的且体元小,担有必要规定个极限空问尺寸,可过此地用,整会和款映机的薰些机将发生拍摘现象:的空间反寸是指遥过物揽简人H径和改映机前面的外边缘,它应符合放映机制造,3.3.3如有州于装持(变形离加镜)期件的内镖效,空应在点径A尺寸范压之内,其期议见知降「和表2所示。
源纹内经
谦致外论
4技术要求
4.1焦距误差免费标准下载网bzxz
5.56+ c.25
0.73in效效
4.1.1实际焦距与物镜上标志的标称焦屋的差异成不人十标标值的1.5%。4.1.2
芯物镜两窦际的之差不得大于标称的1.5%:4.2、相对孔径误差
跑镜的相孔终误差时相感的误蓄表示实测与标称之差异示得大一标称下的5%:4.3鉴别率
物镜的器别率成刘表3所视定,
透过率
物镜通过系应如表4所示:
“空气有”表而商始
1,14, 15
4.5畸变
整制率
不偿100
不/于63
不于i
遇过率
JH/T1786—2005
不于75
物貌不间规感的时变绝对值应不人寸2%,5%mm以下患应不人于3%4.6色差
在效映回而换向尺落的距离处观看,正带人收应右不到映回心有明显色边。4.7
缘面闲安均沟室
像面照原动匀度应如表5所水。
55 -75
4心-·50
4.8杂光系数
物读杂光系敬应不大于2.5%。
4.9彩色还原性能
物镜成是有良好的彩色还原性能,4.10外观
本低8%
不低了70%
不低60%
不低于55%
4.10.1物箍心学零件表面不充许有纤维,水邀、油斑,等点,炭尘及划痕:膜层虚年固、均,允用醒有不批位膜层的洲精,乙醛等有机溶浪的脱脂棉花或沾事较布清消表:收合层应中因,无气范,4.10.2畅钱亲说及键尽应中巨,均句,不提色,不应有脱,锈钟疫伤,镜简内壁版内部实件不应有尘,舒等污染不产生在害的反对。JE/T 17862005
4.10.3易生端和易腐试部位原则上购应选行防锈、防脑外理、4.10.4潮锐的遵镜外解表面成比镜前筑面空少1m4.10.5衡镜简刻字应觉正,满晰,典应牢间、不褪色5、试验方志
5.1与效映机配合部分的尺寸
用通量是或能促必变精度的样赖测率。5.24.[--4.8
按405的有关效定避定。
5.3彩色还原性能
使片版控物镜在口色偿射锂底上总映彩色画,日抚说察彩免还原性能是否议经5.4外观
吕规检验。
6检滑
6.1出厂烩验
对品定塑上产的放映物锐,均成避行用厂检验,检验为4.3、4.、.9、4.10.6.2型式检验
下别情沉之一对,战进行型检验:a:新产品的宝型整定:
b)企定期用期性自我抢查,
)国家质培监资机构提出进疗员普益督批查检验:)产品上等微时.
7标志、包装、运输和炉存
7.1梯志
每只物镜在径A区或之外的外表面1至少标有以了内旁:a)座号:
b)距,
怕到孔径:
d)编号:
e:牛产单位。
7.2包装
7.2.1只物镜应加盖前后益后包装,单只或专两人或对物镜应罩普地包滤在只物镜盒内,并采段实震措能,保证物镜在盒应范任何方台的审动。7.2.2跑镜盒内应就过道量阅防每剂,防等剂成故企吸湿性良好的小布需内,不得与跑自管接触7.2.3成批物镜出厂时,减装在有防录、防潮、防震的这验包装箱内:?2.4包装矫的标志及随折文件应符合GB/T154的行大规流7.3运输和贮存
73.1物镜运输和忙存的垫本环境案件期表6所示。7.3.2物竟运输和存的试验方法虚符合JBT9329的有关观定.4
基血环境杀作
不对证度(25元:)
脉冲快疑时间
自山数落高度
IB/T1786—2005
赵淀口
小提示:此标准内容仅展示完整标准里的部分截取内容,若需要完整标准请到上方自行免费下载完整标准文档。
备号:16713—2005
中华人民共和国机械行业标准
JB/T 1786-2005
代替JB1786--1991
35mm电影放映物镜
技术条件
Techanical specification of 3Snm motion picturc projcction lens2005-09-23发布
2006-02-01实施
中华人民共和国国家发展和改革委员会发布旅市
规范性引用文件
基本参数及尺寸
油拓系列
杆对有径
3.3与题映视配合部分的尺寸
1按术要求
焦跳误
相托径误差
监别率
逐过率
两变.
角茶,
惊商照度均约度
杂光系游
彩色原性能
试验方病
与效映机配合音分的尺寸
5.24.1~.4.8..
5.3彩色还原性能
5.4外观.
心格验
G.1山厂检验
6.2型式检验
机志、装、运缩和贮存
7.1标志..
运翰利有
JH/T 17862005
JB/T1786—2005
技术条件治订:毛要修波规范,用本标准点对/T1786—99163.mm电影放快物镜文件,基本案数及尺寸,术要求及检检规则。标准代替/T1786—1991:
本标准由中国机恢工业联会会提出本标准出案皇岛测听机械研究所口。本标准起单单位:秦序视听机械研究所:本你准主要起单人:前村、邓崇就本标准所代势标准的历改股本发布情说为:—JB/T178S1976.JB/T1785—19011花围
35mm电影放映物镜技术条件
JB/T1786—2005
本标准划定了3m电影款映物镜以下尚称物镜)的H本参数及尺寸,技术恶求。试验方法,捡金以发标离,包装、运抢和贴存,本标准适用于351r电影放映机用替通效肤物镜,不适用下必焦使,额、变形和变倍等特染途的物筑或附证意。
2规偿用交件
下列文伴中的条款通过本标准约引片而没为本标准的条款。儿是注日期的用文件,片随后所有的悠改单(不包括制的内容)或修订版购不适用十术标准。然而,鼓励根据本标准然成势议的各研究否可使丑这些文件的最新版本,凡是不注H期的引岸文件,其联影版本适市丁本标准.G13/15464仪器仪表包装通市技不录件仪龄仪表运输运物险存基本放境务件及式验方法JBT9329
5B/154(19
中影改典物策、件能测定方法
3基本参数尺寸
3.1荫距系列
物镜杰所标称系州值应按下刻数据中选取(单位为Tu):22. 24,26.28, 30. 32.5.35.37.5,40.47.5,45.0.55.60,65. 70,75.80.859095,100.105170,215.120.125,130,140,150,160,170.180190.3.2招对孔径
物等的相对经应不小正20
7.3与放映机起部分的尺寸
3.3.1物竞商装火育径如图1和表上[:A所尔。要求绝大部分敬映机物镜平能直接来持愉镜简或书可提以一个以皆定的直径末夹持物镜简的机械卖持装置。表1
物关卡长直途
钢境极根空间尺
4直些示称央持区域
to8.0.gcm
件合放映机制造
36 元
SC ean
JH/T :786—2005
东款内区
3.3.2物镜简活动范用内极限空尺寸如图1和表1中所示:没有必要规定物停的活动范围的且体元小,担有必要规定个极限空问尺寸,可过此地用,整会和款映机的薰些机将发生拍摘现象:的空间反寸是指遥过物揽简人H径和改映机前面的外边缘,它应符合放映机制造,3.3.3如有州于装持(变形离加镜)期件的内镖效,空应在点径A尺寸范压之内,其期议见知降「和表2所示。
源纹内经
谦致外论
4技术要求
4.1焦距误差免费标准下载网bzxz
5.56+ c.25
0.73in效效
4.1.1实际焦距与物镜上标志的标称焦屋的差异成不人十标标值的1.5%。4.1.2
芯物镜两窦际的之差不得大于标称的1.5%:4.2、相对孔径误差
跑镜的相孔终误差时相感的误蓄表示实测与标称之差异示得大一标称下的5%:4.3鉴别率
物镜的器别率成刘表3所视定,
透过率
物镜通过系应如表4所示:
“空气有”表而商始
1,14, 15
4.5畸变
整制率
不偿100
不/于63
不于i
遇过率
JH/T1786—2005
不于75
物貌不间规感的时变绝对值应不人寸2%,5%mm以下患应不人于3%4.6色差
在效映回而换向尺落的距离处观看,正带人收应右不到映回心有明显色边。4.7
缘面闲安均沟室
像面照原动匀度应如表5所水。
55 -75
4心-·50
4.8杂光系数
物读杂光系敬应不大于2.5%。
4.9彩色还原性能
物镜成是有良好的彩色还原性能,4.10外观
本低8%
不低了70%
不低60%
不低于55%
4.10.1物箍心学零件表面不充许有纤维,水邀、油斑,等点,炭尘及划痕:膜层虚年固、均,允用醒有不批位膜层的洲精,乙醛等有机溶浪的脱脂棉花或沾事较布清消表:收合层应中因,无气范,4.10.2畅钱亲说及键尽应中巨,均句,不提色,不应有脱,锈钟疫伤,镜简内壁版内部实件不应有尘,舒等污染不产生在害的反对。JE/T 17862005
4.10.3易生端和易腐试部位原则上购应选行防锈、防脑外理、4.10.4潮锐的遵镜外解表面成比镜前筑面空少1m4.10.5衡镜简刻字应觉正,满晰,典应牢间、不褪色5、试验方志
5.1与效映机配合部分的尺寸
用通量是或能促必变精度的样赖测率。5.24.[--4.8
按405的有关效定避定。
5.3彩色还原性能
使片版控物镜在口色偿射锂底上总映彩色画,日抚说察彩免还原性能是否议经5.4外观
吕规检验。
6检滑
6.1出厂烩验
对品定塑上产的放映物锐,均成避行用厂检验,检验为4.3、4.、.9、4.10.6.2型式检验
下别情沉之一对,战进行型检验:a:新产品的宝型整定:
b)企定期用期性自我抢查,
)国家质培监资机构提出进疗员普益督批查检验:)产品上等微时.
7标志、包装、运输和炉存
7.1梯志
每只物镜在径A区或之外的外表面1至少标有以了内旁:a)座号:
b)距,
怕到孔径:
d)编号:
e:牛产单位。
7.2包装
7.2.1只物镜应加盖前后益后包装,单只或专两人或对物镜应罩普地包滤在只物镜盒内,并采段实震措能,保证物镜在盒应范任何方台的审动。7.2.2跑镜盒内应就过道量阅防每剂,防等剂成故企吸湿性良好的小布需内,不得与跑自管接触7.2.3成批物镜出厂时,减装在有防录、防潮、防震的这验包装箱内:?2.4包装矫的标志及随折文件应符合GB/T154的行大规流7.3运输和贮存
73.1物镜运输和忙存的垫本环境案件期表6所示。7.3.2物竟运输和存的试验方法虚符合JBT9329的有关观定.4
基血环境杀作
不对证度(25元:)
脉冲快疑时间
自山数落高度
IB/T1786—2005
赵淀口
小提示:此标准内容仅展示完整标准里的部分截取内容,若需要完整标准请到上方自行免费下载完整标准文档。

标准图片预览:





- 其它标准
- 热门标准
- 机械行业标准(JB)
- JB/T6882-2006 泵可靠性验证试验
- JB/T10398-2004 离网型风力发电系统售后技术服务规范
- JB/T9592.2-1999 全金属12角法兰面锁紧螺母 技术条件
- JB/T4718-1992 管壳式换热器用金属包垫片
- JB/T2436.1-1992 导线用铜压接端头 第一部分: 0.5~6.0mm2导线用铜压接端头
- JB8734.2-1998 额定电压 450/750V及以下聚氯乙烯绝缘电缆电线和软线第2部分: 固定布线用电缆电线
- JB/T10325-2002 锅炉除氧器 技术条件
- JB/T10187-2011 滚动轴承 深沟球轴承振动
- JB/T7991.4-2001 电镀超硬磨料制品 磨头
- JB2901-2020 汽轮机防锈技术条件
- JB/T8854.2-2001 GⅡCL型、GⅡCLZ型鼓形齿式联轴器
- JBJ10-1996 机械工厂采暖通风与空气调节设计规范
- JB/T2740-2008 工业机械电气设备 电气图、图解和表的绘制
- JB/T6313.2-1992 电工铜编织线 斜纹编织线
- JB/T10472-2005 光轮压路机
- 行业新闻
请牢记:“bzxz.net”即是“标准下载”四个汉字汉语拼音首字母与国际顶级域名“.net”的组合。 ©2009 标准下载网 www.bzxz.net 本站邮件:bzxznet@163.com
网站备案号:湘ICP备2023016450号-1
网站备案号:湘ICP备2023016450号-1