- 您的位置:
- 标准下载网 >>
- 标准分类 >>
- 机械行业标准(JB) >>
- JB/T 3162.4-1993 滚珠丝杠副 丝杠轴端型式尺寸
标准号:
JB/T 3162.4-1993
标准名称:
滚珠丝杠副 丝杠轴端型式尺寸
标准类别:
机械行业标准(JB)
标准状态:
现行-
发布日期:
1993-03-31 -
实施日期:
1994-01-01 出版语种:
简体中文下载格式:
.rar.pdf下载大小:
126.68 KB

点击下载
标准简介:
标准下载解压密码:www.bzxz.net
本标准规定了公称直径16~100mm、负荷钢球圈数不大于5圈的滚珠丝杠副的轴端型式及尺寸。本标准适用于机床及其他机械上用的滚珠丝杠副。 JB/T 3162.4-1993 滚珠丝杠副 丝杠轴端型式尺寸 JB/T3162.4-1993

部分标准内容:
中华人民共和国机械行业标准
滚珠丝杠副
丝杠轴端型式尺寸
主题内容与适用范围
JB/T 3162. 4---93
本标准规定了公称直径16~100mm、负荷钢球圈数不大于5圈的滚珠丝杠副的轴端型式及尺寸。本标准适用于机床及其他机械上用的滚珠丝杠副。2引用标准
GB145中心孔
JB3162.2滚珠丝杠副验收技术条件3滚珠丝杠轴端型式
3.1滚珠丝杠固定式轴端
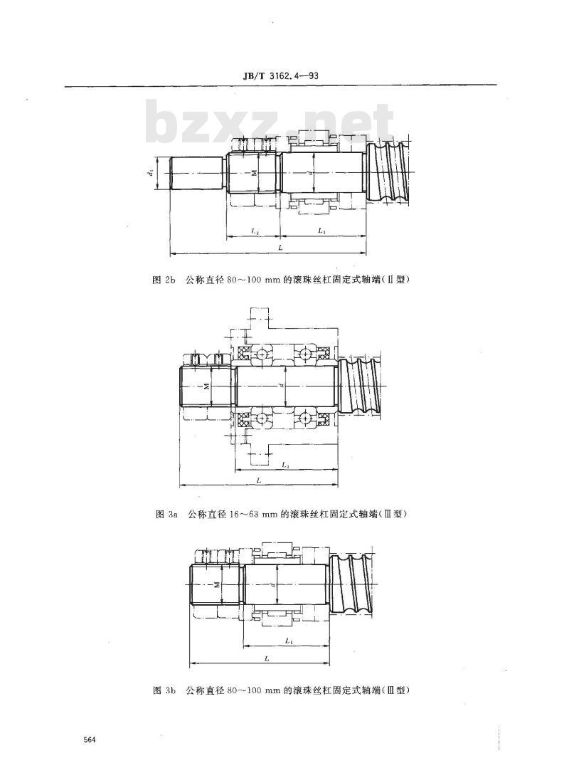
3.1.1公称直径16~63mm的滚珠丝杠固定式轴端型式及尺寸见图1a、图2a、图3a、图4和表1。3.1.2公称直径80~100mm的滚珠丝杠固定式轴端型式及尺寸见图1h、图2b、图3b和表2。3.2滚珠丝杠铰接式轴端
滚珠丝杠铰接式轴端型式及尺寸见图5和表3。图1a公称直径16~63mm的滚珠丝杠固定式轴端(I型)中华人民共和国机械工业部1993-03-31批准562
1994-01-01实施
JB/T3162.4—93
图1b公称直径80~100mm的滚珠丝杠固定式轴端(I型)头部型式
头部型式A
头部型式B
图2a公称直径16~~63mm的滚珠丝杠固定式轴端(Ⅱ型)563
JB/T3162.4-93
图2b公称直径80~100mm的滚珠丝杠固定式轴端(Ⅱl型)图3a公称直径16~63mm的滚珠丝杠固定式轴端(Ⅱ型)公称直径80~~~100mm的滚珠丝杠固定式轴端(Ⅱ型)图3h
JB/T3162.4--93
图4滚珠丝杠固定式轴端(IV型)图5滚球丝杠铰接式轴端
JB/T3162.4—93
N10062下载标准就来标准下载网
吾面来
8 80°9
28+$'s
公称直径
公称直径
JB/T 3162.4--93
公称直径80~100mm的滚珠丝杠固定式轴端尺寸表2
螺纹代号
M68×2
d【Li
宽度6
公称「
深度【
滚珠丝杠铰接式轴端尺寸
轴端部尺寸
滚珠丝杠轴端各段直径尺寸公差和粗糙度14.1
滚珠丝杠轴端各段直径尺寸公差和粗糙度见表4。m
1. 1+g. 4
1. 1+g.14
2. 2-8.14
2. 7+g.14
2. 7*g.14
表4轴端各段直径尺寸公差和粗糙度直径尺寸公差和粗糙度
滚珠丝杠精度等级
5中心孔
公差等级
js5或h5
js6 或 h6
js7或h7
表面粗糙度Ra
滚珠丝杠轴端中心孔型式及尺寸应符合GB145的规定。珠丝杠轴端各段直径的圆跳动
公差等级
js5或h5
js6或h6
js7或h7
轴承型号
ZARN70130
ZARN70130L
ZARN90180
ZARN90180L
轴承型号
表面粗糖度 Ra
滚珠丝杠支承轴颈对丝杠螺纹轴线的径向圆跳动、滚珠丝杠轴颈对支承轴颈的径向圆跳动、滚珠丝杠支承轴颈肩面对丝杠螺纹轴线的圆跳动的允差及检验方法应符合JB3162.2表4中G6、G7、G8的规定。567
隔圈型式及尺寸见图A1和表A1
轴承型号
760212rN
760215TN
760217TN
7603020TN
7603030TN
7603035TN
7603050TN
JB/T3162.4—93
附录A
隔圈型式尺寸
(补充件)
图A1隔圈
轴承间隔圈与轴承宽度相同,其余尺寸按表A1规定。附加说明:
本标准由全国金属切削机床标准化技术委员会提出。本标准由机械工业部北京机床研究所归口。本标准由南京工艺装备制造厂负责起草。568
U型橡胶密封圈
公称尺寸
小提示:此标准内容仅展示完整标准里的部分截取内容,若需要完整标准请到上方自行免费下载完整标准文档。
滚珠丝杠副
丝杠轴端型式尺寸
主题内容与适用范围
JB/T 3162. 4---93
本标准规定了公称直径16~100mm、负荷钢球圈数不大于5圈的滚珠丝杠副的轴端型式及尺寸。本标准适用于机床及其他机械上用的滚珠丝杠副。2引用标准
GB145中心孔
JB3162.2滚珠丝杠副验收技术条件3滚珠丝杠轴端型式
3.1滚珠丝杠固定式轴端
3.1.1公称直径16~63mm的滚珠丝杠固定式轴端型式及尺寸见图1a、图2a、图3a、图4和表1。3.1.2公称直径80~100mm的滚珠丝杠固定式轴端型式及尺寸见图1h、图2b、图3b和表2。3.2滚珠丝杠铰接式轴端
滚珠丝杠铰接式轴端型式及尺寸见图5和表3。图1a公称直径16~63mm的滚珠丝杠固定式轴端(I型)中华人民共和国机械工业部1993-03-31批准562
1994-01-01实施
JB/T3162.4—93
图1b公称直径80~100mm的滚珠丝杠固定式轴端(I型)头部型式
头部型式A
头部型式B
图2a公称直径16~~63mm的滚珠丝杠固定式轴端(Ⅱ型)563
JB/T3162.4-93
图2b公称直径80~100mm的滚珠丝杠固定式轴端(Ⅱl型)图3a公称直径16~63mm的滚珠丝杠固定式轴端(Ⅱ型)公称直径80~~~100mm的滚珠丝杠固定式轴端(Ⅱ型)图3h
JB/T3162.4--93
图4滚珠丝杠固定式轴端(IV型)图5滚球丝杠铰接式轴端
JB/T3162.4—93
N10062下载标准就来标准下载网
吾面来
8 80°9
28+$'s
公称直径
公称直径
JB/T 3162.4--93
公称直径80~100mm的滚珠丝杠固定式轴端尺寸表2
螺纹代号
M68×2
d【Li
宽度6
公称「
深度【
滚珠丝杠铰接式轴端尺寸
轴端部尺寸
滚珠丝杠轴端各段直径尺寸公差和粗糙度14.1
滚珠丝杠轴端各段直径尺寸公差和粗糙度见表4。m
1. 1+g. 4
1. 1+g.14
2. 2-8.14
2. 7+g.14
2. 7*g.14
表4轴端各段直径尺寸公差和粗糙度直径尺寸公差和粗糙度
滚珠丝杠精度等级
5中心孔
公差等级
js5或h5
js6 或 h6
js7或h7
表面粗糙度Ra
滚珠丝杠轴端中心孔型式及尺寸应符合GB145的规定。珠丝杠轴端各段直径的圆跳动
公差等级
js5或h5
js6或h6
js7或h7
轴承型号
ZARN70130
ZARN70130L
ZARN90180
ZARN90180L
轴承型号
表面粗糖度 Ra
滚珠丝杠支承轴颈对丝杠螺纹轴线的径向圆跳动、滚珠丝杠轴颈对支承轴颈的径向圆跳动、滚珠丝杠支承轴颈肩面对丝杠螺纹轴线的圆跳动的允差及检验方法应符合JB3162.2表4中G6、G7、G8的规定。567
隔圈型式及尺寸见图A1和表A1
轴承型号
760212rN
760215TN
760217TN
7603020TN
7603030TN
7603035TN
7603050TN
JB/T3162.4—93
附录A
隔圈型式尺寸
(补充件)
图A1隔圈
轴承间隔圈与轴承宽度相同,其余尺寸按表A1规定。附加说明:
本标准由全国金属切削机床标准化技术委员会提出。本标准由机械工业部北京机床研究所归口。本标准由南京工艺装备制造厂负责起草。568
U型橡胶密封圈
公称尺寸
小提示:此标准内容仅展示完整标准里的部分截取内容,若需要完整标准请到上方自行免费下载完整标准文档。

标准图片预览:





- 热门标准
- 机械行业标准(JB)
- JB/T6882-2006 泵可靠性验证试验
- JB/T10398-2004 离网型风力发电系统售后技术服务规范
- JB/T9592.2-1999 全金属12角法兰面锁紧螺母 技术条件
- JB/T4718-1992 管壳式换热器用金属包垫片
- JB/T2436.1-1992 导线用铜压接端头 第一部分: 0.5~6.0mm2导线用铜压接端头
- JB8734.2-1998 额定电压 450/750V及以下聚氯乙烯绝缘电缆电线和软线第2部分: 固定布线用电缆电线
- JB/T10325-2002 锅炉除氧器 技术条件
- JB/T10187-2011 滚动轴承 深沟球轴承振动
- JB/T7991.4-2001 电镀超硬磨料制品 磨头
- JB2901-2020 汽轮机防锈技术条件
- JB/T6313.2-1992 电工铜编织线 斜纹编织线
- JB/T8854.2-2001 GⅡCL型、GⅡCLZ型鼓形齿式联轴器
- JBJ10-1996 机械工厂采暖通风与空气调节设计规范
- JB/T8103.7-2008 碟式分离机 第7部分:酵母分离机
- JB/T2740-2008 工业机械电气设备 电气图、图解和表的绘制
- 行业新闻
请牢记:“bzxz.net”即是“标准下载”四个汉字汉语拼音首字母与国际顶级域名“.net”的组合。 ©2009 标准下载网 www.bzxz.net 本站邮件:bzxznet@163.com
网站备案号:湘ICP备2023016450号-1
网站备案号:湘ICP备2023016450号-1