- 您的位置:
- 标准下载网 >>
- 标准分类 >>
- 机械行业标准(JB) >>
- JB/T 6350-1992 铣夹头
标准号:
JB/T 6350-1992
标准名称:
铣夹头
标准类别:
机械行业标准(JB)
标准状态:
已作废-
发布日期:
1992-07-01 -
实施日期:
1993-01-01 -
作废日期:
2008-09-01 出版语种:
简体中文下载格式:
.rar.pdf下载大小:
244.44 KB
发布部门:
烟台机床附件所相关标签:
夹头
点击下载
标准简介:
标准下载解压密码:www.bzxz.net
本标准代替JB 3530~3535-83、JB 3538-83、JB 3542-83、JB/GQ 7012-84、JB/GQ 7013-84和JB/GQ 7014-84等项标准。 JB/T 6350-1992 铣夹头 JB/T6350-1992
部分标准内容:
中华人民共和国机械行业标准
JB/T 6350—92
铣夹头
1992-07-01发布
中华人民共和国机械电子工业部1993-01-01实施
中华人民共和国机械行业标准
铣夹头
1主颤内容与适用范围
本标准规定了镜类头的型式争数和技术系件。本标准适用于统夹头。
z引用标准
GB1106
GB1109
Gn 1110
GB1443
GB 3837. 3
CB4133
GB6116
GB9061
GB 10944
JB2326
JB2870
B/T3207
JB/Z189
氏雄柄立铣刀
短英氏锥柄立铣刀
直辆立铣力
工具插自四燥的尽寸和公差
机床工7·24圆恢联结工具锥
莫氏圆辅的强制传动型式及尽寸削平型直柄立铣刀
金属切前机床通用技术条件
自动换刀机床用7·24四堆工其桥部40.45和50号圆铠橘机床件型号编制方法
金属团谢机床精底检验通则
机床附件产品包整通用挂术备件机床猫件随机技术文件的编制
3.1枕夹头圆快柄的季整
3.1.1链夹头圆锥柄的型号以汉语拼音字母表示,其中:XT表示机床用 ?: 24催柄:
JT 表示自动换刀机床用 7 ~ 24 惟俩;FT表示快换突头用7.24维柄:
MS表示工具辆自锁函惟莫氏解猴:QMS表示删制传动真氏锥柄。
3.,2铣类头因锂柄的参数见表1。机械电子工业部1992-07-01批准JB/T 6350--92
IB 5536--3535--83
1993-01-01实施
7,24
标准号
CB3833,
(H 1心944
GB1443
GD 4133
JB/T 6350-92
注,1>KT型回惟柄只限于与快换统克义主样配使用.2
3.2激针快来头的参整
滚针铣灾头的求数见图1和表2.
JB/T635号-92
图1型式】(浓针统来头)
1一夹头体,2一类安套;3弹性套
最大史持孔
英搏萨围
10--32
弹性耗爽头的数
弹性锐来实的参数见国2和表3.
见表1
国2型式(弹性头)
圆恒械型号
最大爽持乱
夹持范函
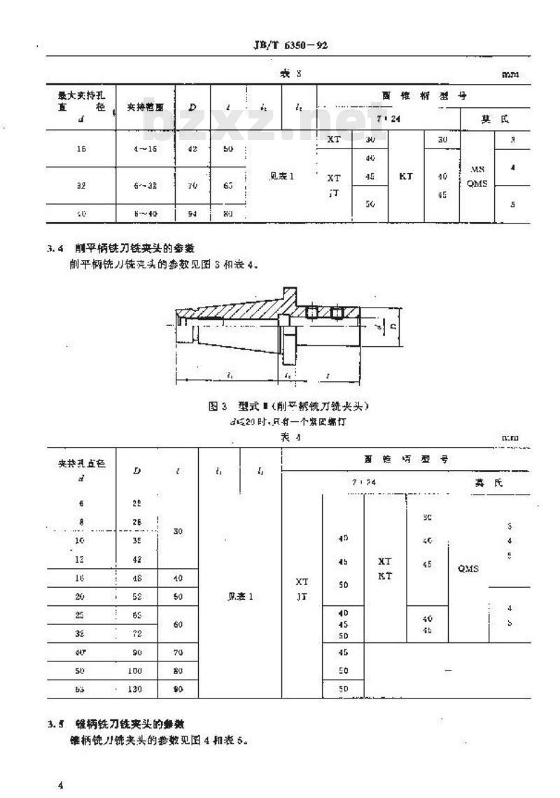
3.4削平柄铣力铣夹头的季数
JB/T6350—92
见表1
削平朽镜刀壳头的李数见图5和4.XT
画推桥理
图3型式■(削孕锁刀铣米头)
20时只一个频打
来势孔点色
维柄铣刀铁夹头的着微
用来1
准柄链刀铣夹头的孝数见图4和表5。XT
西项型号
来持孔园雄号
3. 6短锥柄铣刀忧夹头的整数
JB/I 6350--92
型式改(锂类头
短锥柄铣刀铣炎头的整数见图和表白现表1
伍真氏圖准
图5型式V(短锥柄洗刀铣夹头)表6
殿大央持孔
湿戴氏阅雅
克娃范
國雅恼困号
[7124]
医雄型号
3.7快换株来专的餐型
JB/T 6350-91
快换铣央头出主体与各种型式的带KT型柄的铣夹头配紊组成.例如滚针快换铣夹头、弹性快换铣壳头,削平柄镜刀快换洗克头,维柄铣刀快换锐类头,短维辆洗刀快换铣夹头等。快换恢夹头的鑫整见图 6 和表 7,
图6型式(决换爽)
1体12-KF型性忧夹头
主体来持孔
圆德4
4热术要求
4.1基本要求
贝表2~禁6
4.1.1铣类买的设计、造,验收应符合GB 9051的规定。4.1.2铣来头四推柄应符合有关标准规定,42附件和工具
见表:
面椎师型号
(7-24)
4.2.1链夹头应配备保证使用性能的附件和工具.扩人使用性能的特辣附件,应根据用户要求,按协议供应,附件和工具一般应标有柜应标记成规格,4.2.2附件和工具应保证连部位的互换性和使用性能。4.3材料及热处理硬度
主要零什的材料应优先选用优质碳素钢,合金钢、轴承钢等。主要工作表面硬必不低于下列数值:主体链辆,光头体
48HRC:
来紧车G3HRC
粥生套45HRC;
螺纹谢分35HRC.
4. 4加工量
4.4.1外露加工面不得有锐边、炎角及其他影啦性用安全的因案,4.4.2主要下作表面超糙度尺,不应大于表8的规定。6
四蜡表面
蛇表面
其地处路声光泰面
JB/T 6350-92
表面组糖鹿 R 佐
圆雄用盘规作涂色法检验.圆继的接独应近大通,实际接触缺长应与上作长些的接触比值不得4.4.3
低于表S 的规定,
厅需圆性项
X\.KT型质性
圆格彩
兴压园
4.5装配质量
到维接匕位
4.5.1挑来头运动部分应送转灵活、安全、可靠4.5.2,究套件应保证连接尺寸的互换性,央换央头链.不得放出贵紧母措口(6),夹紧螺母紧固转动最不应超过90°(见图7)
4.5.3疫针铣夹买来累刀具柄部时,夹像套施力转动量不大于1.5转,锁需套移动量1~3mm4.6外观质量
4.6.」外观表面不应有麟磁、锈蚀,划伤和其他缺陷,4.6.2产品标记应清晰、避久、端正.醒目,4.6.3破络,发蓝件色调应·数·防扩层不得有读色脱落现象。4.7几何精度
铣央头几向特度以来持孔对圆雄概轴线的径闪跳动表示(卫册8).分为M继和P级两个精惠等级.M娠为糖密级,P级为普通级。JB/T 6350-92
4.7.1滚针铣夹头(型式1),削平柄铣刀铣央头(纠式■)、维辆链刀链夹头(尽式N)径雕动成全表的定
因乱直径
>10~20此内容来自标准下载网
莫氏惊孔
园雄号
谢重长低
经向疑动充考
4.了.2弹性铣突头(型式1)、短柄铣刀忧来买(壁式V)及各种型式快换辣夹头(弹性及短维柄统刀快换統夹头除外的疤向跳动应符合表11的规定。表 11
四柱孔直些
2:10--25
创市号
谢重长度
4.7.3弹性改短推援链刀快换钱来头的径向晚动应符合表12范规定。表12
图杜乳直径
2310~20
英氏携孔
宣裤中國
测量长度
径向疏动允些
向跳放地垫
格险工其应符食J乃670的规定,图挂孔用检验持还应符合表19的规定4. 7.4
4.8其他
检险您的技求要求
热理硬究
JB/T635092
情洗等圾
铣央头应进行切削试整,试验后产品各邮位及抵于不应产生塑性变形和损伤,复登精度应符合.了条的规定。
5试验和检验方法
径向跨动的检验方法
径商跳动的检龄方多照JB2670第5.5.1.2.3录的规定。5.1.1检且摘鹿的检验
检验检具主轴锥孔对回转轴线的径间跳动,在检具主轴雄孔内整入检验障,将指示器的测头重直触及检验悼的表面,使主轴媛慢的族转,测取读数(见国9).
5.1.2产品精度的验验
料钝夹头维柄插入检具主轴维孔,紧固(拉紧或正紧)。在来持孔内装入检除样,将指示器的测头垂直地触及整验摔的表面,旋转主轴检验,测取该数,检验相对洗夹头旅转90\.重艾薄量4次记取次读教的算术孕均值,
应对链夹头所有规格的夹持孔进行检验假声以总大值计,5.2:切制试验
5.2.1试验用刀具应符合表14的规定,采用标准型粗齿铣刀、刀直径应接优来头最大夹持直经选联.
实实型式
试验用
GB 1116
树止刀
表 14
GB6116
直摘市铁刀
切判范围成符弃表15的规庭(见图10),GB 11C6
烯柄文烧刀
GE11CP
短燕氏
性柄立境刀
对卒~V翌
缺突头量大类持孔生
图孔直径
其天锥孔妞與氏雄孔
因班号
JB/T635092
钟刀直径
钱感评度
试险材料用45辆·其强度为170~200IIB5. 2. 3
5.2.4试验用玲却衰为乳化油水溶液,检验规则
每套产品均需检验格方可出厂
6.2出厂检验应包括4.1~4.7条的要求。切用量
规削宽度
逆活量
mm/min
6.3批量生严时应进行切前试验,每批浆2%抽检,但不应少于3台。型式检骏时,应对全部技术要求进行检验。6.4
有下列情况之一时,应进行塑式检险,。新产品或老产品特厂生产的试制定型整定:h.正式生产后年结构、材料,工艺有较人变动,可骼影喷产品性能时:c、长期停产后,恢发生产时;
d.国家质量监督机构据出型式试验的要求对,7标志和包装
7.1标志
.1.1在产品外表面明星位置标志型号(或标记>及商标。10
快前这度
mfrain
洗剑长决
7.1.2产品型号应符合JB2326的规定,标记茶侧
JB/T6358-92
量大夹持孔直径d=25mm,圆锥柄为XT45号的P级滋针统夹头标记为:a
统夹头J7125/XT45JB/T6350
5.量大央持孔直径=32mm,圆链恢为JT50号的M级弹生统来头标记为:统宪头J7332/JT50MJB/I6350
夹待孔直径d=16mm,图椎柄为XT45号的P级前平柄铣刀铣央头标记为:c.
铣夹头J7416/XT45:JD/T6350
光持孔回链号为MS3,困维柄为KT45号的P级维柄忧铣夹头标记为:d
统夹头J753/KT45JB/T6350
最大夹持孔为短其氏唇链3号+圆雄柄为MS4的P级短维柄洗刀铣来头标记为:e.
洗宠头J763/MS4JB/T6350
最大夹持孔直径为25mm,医谁柄为XTi0号,快换维柄为KT40号的M级滚针决换铣交r,
头标记为:
铣夹头J7125/XT$0-KT40MJB/T6350E:央持孔西链号为KT40导,圆锥辆为×T50号的快换铣类头±体标记为:铣夹头J7745/XT5DJB/T6350
.2包装
7.2.1产品的包装应符合JB/T3207的规定,在包装箱上标盟两号,名称、出厂编片、商标和制严名,1.1.2:
陷机技术文件应符合JB/289的规定。7.3.31
附加说明,
本标准由全国金属切制机床标准化技术委会提出,术标准由机穗电子工业部烟台机床附件研究所归口。本标准由增凸机床附件研究所负克起草。本标准口实随之口起+/GQ7012一4快换铣光头销度,J/GQ7013一84快换铣夹头滚针选夹头制造与验收技不苯件》.JH/GQ7014-日4裘针式夹头精度3作度。本标准于1984年首次发布于1991年第一次龄订。11
小提示:此标准内容仅展示完整标准里的部分截取内容,若需要完整标准请到上方自行免费下载完整标准文档。
JB/T 6350—92
铣夹头
1992-07-01发布
中华人民共和国机械电子工业部1993-01-01实施
中华人民共和国机械行业标准
铣夹头
1主颤内容与适用范围
本标准规定了镜类头的型式争数和技术系件。本标准适用于统夹头。
z引用标准
GB1106
GB1109
Gn 1110
GB1443
GB 3837. 3
CB4133
GB6116
GB9061
GB 10944
JB2326
JB2870
B/T3207
JB/Z189
氏雄柄立铣刀
短英氏锥柄立铣刀
直辆立铣力
工具插自四燥的尽寸和公差
机床工7·24圆恢联结工具锥
莫氏圆辅的强制传动型式及尽寸削平型直柄立铣刀
金属切前机床通用技术条件
自动换刀机床用7·24四堆工其桥部40.45和50号圆铠橘机床件型号编制方法
金属团谢机床精底检验通则
机床附件产品包整通用挂术备件机床猫件随机技术文件的编制
3.1枕夹头圆快柄的季整
3.1.1链夹头圆锥柄的型号以汉语拼音字母表示,其中:XT表示机床用 ?: 24催柄:
JT 表示自动换刀机床用 7 ~ 24 惟俩;FT表示快换突头用7.24维柄:
MS表示工具辆自锁函惟莫氏解猴:QMS表示删制传动真氏锥柄。
3.,2铣类头因锂柄的参数见表1。机械电子工业部1992-07-01批准JB/T 6350--92
IB 5536--3535--83
1993-01-01实施
7,24
标准号
CB3833,
(H 1心944
GB1443
GD 4133
JB/T 6350-92
注,1>KT型回惟柄只限于与快换统克义主样配使用.2
3.2激针快来头的参整
滚针铣灾头的求数见图1和表2.
JB/T635号-92
图1型式】(浓针统来头)
1一夹头体,2一类安套;3弹性套
最大史持孔
英搏萨围
10--32
弹性耗爽头的数
弹性锐来实的参数见国2和表3.
见表1
国2型式(弹性头)
圆恒械型号
最大爽持乱
夹持范函
3.4削平柄铣力铣夹头的季数
JB/T6350—92
见表1
削平朽镜刀壳头的李数见图5和4.XT
画推桥理
图3型式■(削孕锁刀铣米头)
20时只一个频打
来势孔点色
维柄铣刀铁夹头的着微
用来1
准柄链刀铣夹头的孝数见图4和表5。XT
西项型号
来持孔园雄号
3. 6短锥柄铣刀忧夹头的整数
JB/I 6350--92
型式改(锂类头
短锥柄铣刀铣炎头的整数见图和表白现表1
伍真氏圖准
图5型式V(短锥柄洗刀铣夹头)表6
殿大央持孔
湿戴氏阅雅
克娃范
國雅恼困号
[7124]
医雄型号
3.7快换株来专的餐型
JB/T 6350-91
快换铣央头出主体与各种型式的带KT型柄的铣夹头配紊组成.例如滚针快换铣夹头、弹性快换铣壳头,削平柄镜刀快换洗克头,维柄铣刀快换锐类头,短维辆洗刀快换铣夹头等。快换恢夹头的鑫整见图 6 和表 7,
图6型式(决换爽)
1体12-KF型性忧夹头
主体来持孔
圆德4
4热术要求
4.1基本要求
贝表2~禁6
4.1.1铣类买的设计、造,验收应符合GB 9051的规定。4.1.2铣来头四推柄应符合有关标准规定,42附件和工具
见表:
面椎师型号
(7-24)
4.2.1链夹头应配备保证使用性能的附件和工具.扩人使用性能的特辣附件,应根据用户要求,按协议供应,附件和工具一般应标有柜应标记成规格,4.2.2附件和工具应保证连部位的互换性和使用性能。4.3材料及热处理硬度
主要零什的材料应优先选用优质碳素钢,合金钢、轴承钢等。主要工作表面硬必不低于下列数值:主体链辆,光头体
48HRC:
来紧车G3HRC
粥生套45HRC;
螺纹谢分35HRC.
4. 4加工量
4.4.1外露加工面不得有锐边、炎角及其他影啦性用安全的因案,4.4.2主要下作表面超糙度尺,不应大于表8的规定。6
四蜡表面
蛇表面
其地处路声光泰面
JB/T 6350-92
表面组糖鹿 R 佐
圆雄用盘规作涂色法检验.圆继的接独应近大通,实际接触缺长应与上作长些的接触比值不得4.4.3
低于表S 的规定,
厅需圆性项
X\.KT型质性
圆格彩
兴压园
4.5装配质量
到维接匕位
4.5.1挑来头运动部分应送转灵活、安全、可靠4.5.2,究套件应保证连接尺寸的互换性,央换央头链.不得放出贵紧母措口(6),夹紧螺母紧固转动最不应超过90°(见图7)
4.5.3疫针铣夹买来累刀具柄部时,夹像套施力转动量不大于1.5转,锁需套移动量1~3mm4.6外观质量
4.6.」外观表面不应有麟磁、锈蚀,划伤和其他缺陷,4.6.2产品标记应清晰、避久、端正.醒目,4.6.3破络,发蓝件色调应·数·防扩层不得有读色脱落现象。4.7几何精度
铣央头几向特度以来持孔对圆雄概轴线的径闪跳动表示(卫册8).分为M继和P级两个精惠等级.M娠为糖密级,P级为普通级。JB/T 6350-92
4.7.1滚针铣夹头(型式1),削平柄铣刀铣央头(纠式■)、维辆链刀链夹头(尽式N)径雕动成全表的定
因乱直径
>10~20此内容来自标准下载网
莫氏惊孔
园雄号
谢重长低
经向疑动充考
4.了.2弹性铣突头(型式1)、短柄铣刀忧来买(壁式V)及各种型式快换辣夹头(弹性及短维柄统刀快换統夹头除外的疤向跳动应符合表11的规定。表 11
四柱孔直些
2:10--25
创市号
谢重长度
4.7.3弹性改短推援链刀快换钱来头的径向晚动应符合表12范规定。表12
图杜乳直径
2310~20
英氏携孔
宣裤中國
测量长度
径向疏动允些
向跳放地垫
格险工其应符食J乃670的规定,图挂孔用检验持还应符合表19的规定4. 7.4
4.8其他
检险您的技求要求
热理硬究
JB/T635092
情洗等圾
铣央头应进行切削试整,试验后产品各邮位及抵于不应产生塑性变形和损伤,复登精度应符合.了条的规定。
5试验和检验方法
径向跨动的检验方法
径商跳动的检龄方多照JB2670第5.5.1.2.3录的规定。5.1.1检且摘鹿的检验
检验检具主轴锥孔对回转轴线的径间跳动,在检具主轴雄孔内整入检验障,将指示器的测头重直触及检验悼的表面,使主轴媛慢的族转,测取读数(见国9).
5.1.2产品精度的验验
料钝夹头维柄插入检具主轴维孔,紧固(拉紧或正紧)。在来持孔内装入检除样,将指示器的测头垂直地触及整验摔的表面,旋转主轴检验,测取该数,检验相对洗夹头旅转90\.重艾薄量4次记取次读教的算术孕均值,
应对链夹头所有规格的夹持孔进行检验假声以总大值计,5.2:切制试验
5.2.1试验用刀具应符合表14的规定,采用标准型粗齿铣刀、刀直径应接优来头最大夹持直经选联.
实实型式
试验用
GB 1116
树止刀
表 14
GB6116
直摘市铁刀
切判范围成符弃表15的规庭(见图10),GB 11C6
烯柄文烧刀
GE11CP
短燕氏
性柄立境刀
对卒~V翌
缺突头量大类持孔生
图孔直径
其天锥孔妞與氏雄孔
因班号
JB/T635092
钟刀直径
钱感评度
试险材料用45辆·其强度为170~200IIB5. 2. 3
5.2.4试验用玲却衰为乳化油水溶液,检验规则
每套产品均需检验格方可出厂
6.2出厂检验应包括4.1~4.7条的要求。切用量
规削宽度
逆活量
mm/min
6.3批量生严时应进行切前试验,每批浆2%抽检,但不应少于3台。型式检骏时,应对全部技术要求进行检验。6.4
有下列情况之一时,应进行塑式检险,。新产品或老产品特厂生产的试制定型整定:h.正式生产后年结构、材料,工艺有较人变动,可骼影喷产品性能时:c、长期停产后,恢发生产时;
d.国家质量监督机构据出型式试验的要求对,7标志和包装
7.1标志
.1.1在产品外表面明星位置标志型号(或标记>及商标。10
快前这度
mfrain
洗剑长决
7.1.2产品型号应符合JB2326的规定,标记茶侧
JB/T6358-92
量大夹持孔直径d=25mm,圆锥柄为XT45号的P级滋针统夹头标记为:a
统夹头J7125/XT45JB/T6350
5.量大央持孔直径=32mm,圆链恢为JT50号的M级弹生统来头标记为:统宪头J7332/JT50MJB/I6350
夹待孔直径d=16mm,图椎柄为XT45号的P级前平柄铣刀铣央头标记为:c.
铣夹头J7416/XT45:JD/T6350
光持孔回链号为MS3,困维柄为KT45号的P级维柄忧铣夹头标记为:d
统夹头J753/KT45JB/T6350
最大夹持孔为短其氏唇链3号+圆雄柄为MS4的P级短维柄洗刀铣来头标记为:e.
洗宠头J763/MS4JB/T6350
最大夹持孔直径为25mm,医谁柄为XTi0号,快换维柄为KT40号的M级滚针决换铣交r,
头标记为:
铣夹头J7125/XT$0-KT40MJB/T6350E:央持孔西链号为KT40导,圆锥辆为×T50号的快换铣类头±体标记为:铣夹头J7745/XT5DJB/T6350
.2包装
7.2.1产品的包装应符合JB/T3207的规定,在包装箱上标盟两号,名称、出厂编片、商标和制严名,1.1.2:
陷机技术文件应符合JB/289的规定。7.3.31
附加说明,
本标准由全国金属切制机床标准化技术委会提出,术标准由机穗电子工业部烟台机床附件研究所归口。本标准由增凸机床附件研究所负克起草。本标准口实随之口起+/GQ7012一4快换铣光头销度,J/GQ7013一84快换铣夹头滚针选夹头制造与验收技不苯件》.JH/GQ7014-日4裘针式夹头精度3作度。本标准于1984年首次发布于1991年第一次龄订。11
小提示:此标准内容仅展示完整标准里的部分截取内容,若需要完整标准请到上方自行免费下载完整标准文档。
标准图片预览:





- 其它标准
- 热门标准
- 机械行业标准(JB)
- JB/T7940.4-1995 压配式压注油杯
- JB/T7893.1-1999 立式振动离心机
- JB/T7940.3-1995 旋盖式油杯
- JB/T7987-1999 普通磨料 微晶刚玉
- JB/T1648-1999 湿式多片电磁离合器
- JB/T7899-1999 填充聚四氟乙烯软带导轨 技术条件
- JB/T8009.4-1999 机床夹具零件及部件 弧形压块
- JB/T7850-1995 手夹快换接头
- JB/T7952-1995 空气净化器
- JB/T7947-1999 等压式焊炬、割炬
- JB/T1625-2002 工业锅炉焊接管孔
- JB/T7938-1999 液压泵站油箱公称容量系列
- JB/T7925.2-1995 滑动轴承 多层轴承减摩合金硬度检验方法
- JB/T7941.2-1995 旋入式圆形油杯
- JB/T7948.3-1999 熔炼焊剂化学分析方法 高锰酸盐光度法测定氧化锰量
- 行业新闻
请牢记:“bzxz.net”即是“标准下载”四个汉字汉语拼音首字母与国际顶级域名“.net”的组合。 ©2025 标准下载网 www.bzxz.net 本站邮件:bzxznet@163.com
网站备案号:湘ICP备2025141790号-2
网站备案号:湘ICP备2025141790号-2