- 您的位置:
- 标准下载网 >>
- 标准分类 >>
- 机械行业标准(JB) >>
- JB/T 9085-1999 含气饮料灌装压盖机 技术条件
标准号:
JB/T 9085-1999
标准名称:
含气饮料灌装压盖机 技术条件
标准类别:
机械行业标准(JB)
英文名称:
Technical requirements for filling and capping machines for carbonated beverages标准状态:
现行-
发布日期:
1999-07-12 -
实施日期:
2000-01-01 出版语种:
简体中文下载格式:
.rar.pdf下载大小:
247.56 KB
替代情况:
ZB A84002-1989

部分标准内容:
[CS 55.200
中华人民共和国机械行业标准
JB/T9085-1999
含气饮料灌装压盖机
技术条件
Spccifications for gas-bcaring drink bottle filingandcrowningmachines
1999-07-12 发布
国家机械工业局
2000-01-01实
JB/T9085-1999
本标准是对2日A84002一89含气饮料潜装压益机技术条件》的修订。整订对仪按有关规定作了编辑性修改,主要技术内容受有变化。本标准白实随之日起代替ZBA84 002一的。本标准的附录A是标准的陷录。
本标准出全国包接标准化技术委员会包装机糖标准化分变员会提出并门。本标准负斑起草单位:杭州制氧机厂。本标准主要起草人:成钢、“宁成。范国
中华人民共和国机械行业标准
含气饮料装压盖机技术条件
Speeifications forgas-bearigdrink bottle fillingHnd crowniny mchines
本标准规定了含气伙料泄装正盖机的技术要求,试验方决及检验规则等。A 90251999
代 ZB A84 (KG2--89
本标准适用于以冠型瓶口玻璃瓶装各种含气饮料(以下简称饮料)的涨装压机(以下简称产品)2引用标准
下列标准所包含的条文,通过在本标准中引用而构感为本标准的条文。本标准出版时,所示版本均为有效。所有标准都会被修订,使用本标准的各方应探讨使用下列标准最新版本的可能性,GB 4544- 1996
GBT49281991
GB.T 5080.1--1986
G5—1
GET13384—[992
JB.T7232—1994
QU943-1984
3术语符号
3.1.1泄装温度
雄酒瓶
啤酒站验方法
设备可靠性试验总要求
生产设备安全卫生设计总则
机电产品包装薄用术条件
包装机撼噪由声功率级的测定简易法汽水瓶
在正常滞装时产品贮滤披内快料的温,℃3.1.2滋装力
在正带猫装时产品反压室内的压力,MPa。3.1.3灌装精度
饮料在装石后由瓶内实际减面到版的距商与该容积玻璃瓶名义液面到瓶口的标准距离之差值,mm.
3.1.4饮料损失率
在潘装,压盖过程及其中间过程中,饮料总损失量与饮料成品总望加总抵尖量之和的重量户分率,
3.1.5瓶损案
实损瓶数与进人产品的总瓶数之比的百分率。3.1.6压盖合格率
国机械工业局1999-07-12批准
2000-01-01实施
JO/T9085-1999
正益合格总版数与被恰测的总瓶数之比的白分率。密速到象
抽摊装程荒工序间,瓶内饮料起泡沫人景涵出瓶外的一种现息。3.1.8自能造选系统1CIP)wwW.bzxz.Net
不带要求除零件而进行产品内部清洗的系统,3.2符号
产品饮料损失率。
e,…-·-灌装阀吹除损失盘,饿闻在每范成个[作循环后,同气管内留右线剃泄体切泡洼,每次准装后要将共吹除而引越的饮料损失显,名:总:…-谁装阀因游装管从瓶内抽出时粘附在臂子上.的饮料粘附捐失虽,g;e.
量,g:
潮装阅饮料摄失量,它指鲨装过程中困回气气体漏满到回气室内的饮料母引起的饮料损失一产品在泄装压盖过程中,因碎瓶而引起的饮料损失量,g:产品止链压盖过程中、因饮料日泡雨冒出瓶外引起的失料损失盘,吕4技术要求
4.1产品应符合本标准募求,并按经规定程序批准的图样利技术文件制造,4.2基本要求
4.2.1用于激装的跨璃瓶应符合G4544或QB943的规定,4.2.2瓶盖采用冠型,技术要求按附录A(标准的附录)的规定。4.2.3产品的最高温装温接为49℃。4.3使用性能
生产率应符合表规定。
≤=2100
2:4600
2:6000
sa3600
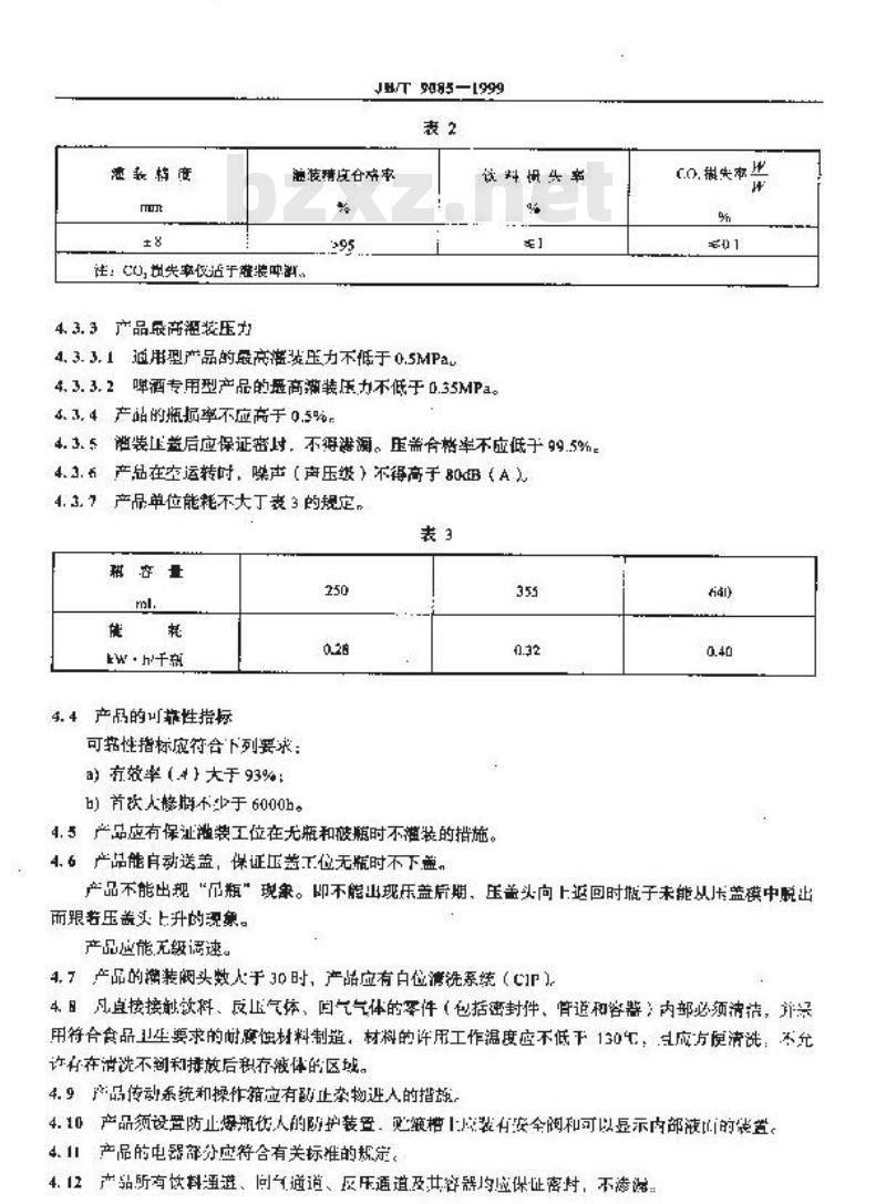
产品海装销度等应持合表2规定:定
2:7200
227500
2-9800
s1250D
=516000
数情产
/085999
融精度合碎牢
注:CO,失率仅适于难装中部、4.3.3产品最商温装压力
4.3.3.1适用型产品的最高溢装压力不低于0.5MPa饮料伊兴率
4.3.3.2酒专用型产品的量商满装压力不低于0.35MPa。4.3,4产站的瓶损率不应高于0.5%,4.3.5泄装正盖后应保证密过,不得谜漏。压盖合格率不应低于99.5%,4.3.产品在空运转时,碟声(声压级)不得高于80dB(A)4.3.7产品单位能耗不大丁表3的规定,表3
程容量
kw·hi千弃
4.4产品的可性措标
可性指标应符合下列要求:
a)有效率(.4)大于93%:
)首次期不少于6000h。
4.5产品应有保证滋装工位在无瓶和被瓶时不灌装的措施。4.6产品能自动送盖,保证压盖工位无瓶时不下盖,355
CO.微失索生
产品不能出规“币瓶现象。即不能山现乐盖府期,压盖头向上返回时搬子未能从卡蓝模中脱止而限若压盖头上升的现象。
产品应能无级调速。
4.7产品的播整阀头数大于30时,产略应有白位湾洗系统(CIP),4日凡臭接接制款料、反正气依,国气气体的零件(包括密封件、管道和容费)内部必须清洁,用符合食品卫生要求的耐度蚀材料制道,材料的许用工作温度应不低下130,应方清洗:本允许存在消选不刻和提效后秘存滤伴的区域。4.9产品传动系统和操作箱应有欧止杂物进人的措施。4.10产品领设置防止爆瓶伤人的防护装置:见领槽上装有安全阅和可以暴示内部滤叫的装置。4.11产品的电器部分应符合有关标准的期定。4.12产品所有饮料谨进、问气通道、区压通道及共容器均应保证密时,不渗游:3
4.13产品外表面结格成便于清洗,用丁外表面的零件应采用耐腐蚀财料战表由防腐蚀处理的其之起料制成.
4.14产品的其定案全卫生及求座符合GB5083的规定。4.15在用户遵守产品行、安装,使用则条件下,产品发货之口起18个月,灶广安装之起12个月内,确因制没,质盘不良而不能正带工作,制造!成无偿为册户修理更换(不望节易换件:5试验方法
s.1 试验条件
5.1.主满装压力稳定,压力被动绝对值低于0.03MPa。5.1.2在产品经谢试送转镜定志,并无“溢述”现象发生。5.2生产率试验
产品的生产率试验应在保证满装压力以及其它装试验项自合格的件下,以教定范装率度试验,时间不少于10min。
5.3港装精度试验
在试验开始5miu后,连续取200瓶已完成泄弹压盖的这料,两10mi后再连然截敢200幅,合计400瓶,燃后逐瓶盘饮料液面倒瓶口的距离,计算灌装精度合格率,最房统计液面到服口邱刷的卡均值。
5.4装0.摘失量测试
按G白门4928的规定测试滋装前后饮料的CO,含至,并计算其差值,求得损失员,5.5饮料超失率测试
女料损失率的测试在连较测试总数中进行,连续测试总瓶教成大于产品准发再头数的50倍:5.5.1产品的该料总损失盘由e,,2、e、e和e,成、5. 5. 1. 1 e,测试
在颜定连续测试总瓶数中收策吹除工位E每只癌装网回气管内被以除的快料总基。5. 5:1. 22,测试
取未经便用的整装管1根:依次伸人饮料内使回气小孔到达液而,热后以约个.3m/5速电沿铅点方向池出,在0.59内于量杯中收集粘附在范装管表面的滋体,每根灌装营重复测试4次,合计40次。所收集到的饮料容积即为粘附摘失量e,。5. 5, 1.3e,测试
企规定的逆续测试总瓶数内收集阅气室的全部返问饮料捌失重e,5.5.1.4.e,测试
以容器收策因碎瓶和管殊引起的损失垒e、es5.5.2产品的饮料损失率心接式(1)进行计算:10098
主中:G饮料成品总量
JB/T 9085-1999
注:技料成品总G即为装正益后划试教中瓶内饮的品5.(瓶报幸过验
在正带泄装条件下统计摄瓶数和总瓶数逆续统计总瓶数为泄装阀头数的50倍,并接式(2)求待瓶率:披瓶激
版损率
总满数
5.了压益试验
压益试验采用模拟瓶试验或没泡试验,x100%6
5.7.1樊拟瓶试验采用3Cr13材料制进的试水压模拟瓶,(21
模拟瓶的瓶口部位热处理硬度为40-45HRC。模拟瓶的外形尺寸按GB4544规定制造,瓶I内径上愉差制造即(17±0.)mm:瓶口外径中(26.3±03)mm;分别按1,下极限啊种模拟瓶,即:瓶口外径(26±0.u15)mm和(26.6±0.015)mm:瓶口外表面粗稳虚尺为1.6m。模拟瓶在I盖机4压盖后按表4进行水压试验,保压2min。表4
版口外轻是寸
邦益式验压力
5.7.2没泡试验
中(26±0.015)
p(26.6±.015
在测试开始5min后,连袋截取口完成题装乐盖的饮料20施,浸泡在45-65的温水中10mim,应无冒泡现象
5.7.3当对试验结果有争议时,应以模拟瓶试验为仲裁试验。5. 8泄装问试验
5.8.1单只满装既的压力试验应在专用试验台上进行或用其它确切叮行的方法进行,5.8.2摊缴阀在整机重友完成整套下作循环动作情况下再按下划规定进行试:a)依压滑漏试验
溢表阀经(.06MPa的水压试验,保压3mi。b)最高装压力试验
范装阀经1.1倍游装压打的水压试验,保压mk。5.少液糖耐压试验
必液槽经不低于1.25倍最高游装质力的耐乐试验,保乐5mlm5.10能耗测试
在颖定生产治下,用标准出率计在主机动力确入端试轴变率,再换算感单他能耗、5.11案声谢试
产品除本测试行法按JB/7232的规定,5.12可率性试验
.1B/T95—1999
产品的可靠性测试按GB5080.1的规定,6格验规则
6.1产品的各等部件及整台产品应经制造厂的质盘检验部门替本标准和机应标准及技术化件(必与制造厂签的协设)检验合格后可出厂,当产品能适用干种以上容积规格版子进行饮料满装乐盖时,以设计的主要规格参数进行性能考核,评定。
6.2检验分类
产出检验分为型式检验和出厂检验,6.3型式检验
6.3.1在下列情况下产品减进行型式检验:8)新产品或老产品转厂生产的试制定型鉴定:b)正式生产后、如结构、材料、丁艺有较大政变,可能影响产品性能时:心产品停产2年后,恢友生产时:d)出厂龄验结果与上次型式检验有较大的差异时:温家质量监督机构携出进行型式检验的要求时。63.2楚式检验的检验项日按本标准技术要求所规定的全部项月进行检验。按生产批盘的10%抽样,但不少于存。
6.3.3型式按验可在用广厂进行。6.4出厂检整
6.4.1出厂检验分为外死检、空运转枪验和性能检监。每台产品出厂前均须经出上检验。6.4.2空运转检验应从低速遥步调向高速,在最高生产率转速下连续运转1h,然后在额定转速下连续送转3h,虚满足下列要求:
轴承温升不超过35℃,且量高温度不过60℃:b)产品运转平稳:
调节手柄、施钮应在规定范围内可调。6.4.3性能检验
产品的性能检验应在空运转检验合格后选行。试验介所充许用水代替。性能检验项目如下;
生产率,瓶:
b蒂装精度合格率,%:
心瓶批率,%:
正差合格率,%:
)密:
0 能耗,kw·h:
)声,B(A)
6.5可性考核
JB/T9085-1999
可靠性考核,可以以用户提供的原始资料作为依据。7标志、包装、运输和购存
7.1再台产品都应在明显部位面定上铭牌,铭牌上应标示下列内容:a)型号和名称:
b)制造广名称:
灌装查头数:
d额定生产卒【瓶min或临h】:
心出厂综号:
0 制造H期-
72产品包装应符合GBF[13384要求。了.3产错在包装前应做防锈,防潮处理,感保正交货后在用户正常保管的条件下6个月内无锈钟,需微。
?.4母台产品出」时应随带下列技术文件:)产品合格证(包括主署配套件的合格证:b)总装配图样、安装图样和必婴的易损件图样:c)产品说期书;
d)装箱清单
7.5产品空存放在通风、于燥、防制的宝内场地上,不充许端天存故或摊置。A1材料夏求
附录A
(标准的谢录)
冠型插蓝技术要求
A1.1冠型瓶盖的基不材料采用厚度为0.25~0.28mm冷轨低合金马1:铁柜,A1.1冠型版盖的徐料要求
瓶差1.的涂料必须确保瓶希不被隔纯,括经搅拌不脱落,焦2瓶形状,尺寸
AZ,1瓶盖的形秋、尺十按图AI及表A1的定。图A1
32.0±0.2
A1.2冲乐成型后的瓶益不得有毛刺、缺口和裂痕、A3瓶蓝垫花
A3.1瓶盖功衬采用是有一定弹性和韧性并有良好窄封性能的材料A3.2瓶盖望村材剂必须符台食品工生要求。A3.3、垂初应渠证马瓶益结合牢5,概益内地村经搅伴不得脱落。A3.4垫对在瓶盖内浩测周方向分市均均。1.6
小提示:此标准内容仅展示完整标准里的部分截取内容,若需要完整标准请到上方自行免费下载完整标准文档。
中华人民共和国机械行业标准
JB/T9085-1999
含气饮料灌装压盖机
技术条件
Spccifications for gas-bcaring drink bottle filingandcrowningmachines
1999-07-12 发布
国家机械工业局
2000-01-01实
JB/T9085-1999
本标准是对2日A84002一89含气饮料潜装压益机技术条件》的修订。整订对仪按有关规定作了编辑性修改,主要技术内容受有变化。本标准白实随之日起代替ZBA84 002一的。本标准的附录A是标准的陷录。
本标准出全国包接标准化技术委员会包装机糖标准化分变员会提出并门。本标准负斑起草单位:杭州制氧机厂。本标准主要起草人:成钢、“宁成。范国
中华人民共和国机械行业标准
含气饮料装压盖机技术条件
Speeifications forgas-bearigdrink bottle fillingHnd crowniny mchines
本标准规定了含气伙料泄装正盖机的技术要求,试验方决及检验规则等。A 90251999
代 ZB A84 (KG2--89
本标准适用于以冠型瓶口玻璃瓶装各种含气饮料(以下简称饮料)的涨装压机(以下简称产品)2引用标准
下列标准所包含的条文,通过在本标准中引用而构感为本标准的条文。本标准出版时,所示版本均为有效。所有标准都会被修订,使用本标准的各方应探讨使用下列标准最新版本的可能性,GB 4544- 1996
GBT49281991
GB.T 5080.1--1986
G5—1
GET13384—[992
JB.T7232—1994
QU943-1984
3术语符号
3.1.1泄装温度
雄酒瓶
啤酒站验方法
设备可靠性试验总要求
生产设备安全卫生设计总则
机电产品包装薄用术条件
包装机撼噪由声功率级的测定简易法汽水瓶
在正常滞装时产品贮滤披内快料的温,℃3.1.2滋装力
在正带猫装时产品反压室内的压力,MPa。3.1.3灌装精度
饮料在装石后由瓶内实际减面到版的距商与该容积玻璃瓶名义液面到瓶口的标准距离之差值,mm.
3.1.4饮料损失率
在潘装,压盖过程及其中间过程中,饮料总损失量与饮料成品总望加总抵尖量之和的重量户分率,
3.1.5瓶损案
实损瓶数与进人产品的总瓶数之比的百分率。3.1.6压盖合格率
国机械工业局1999-07-12批准
2000-01-01实施
JO/T9085-1999
正益合格总版数与被恰测的总瓶数之比的白分率。密速到象
抽摊装程荒工序间,瓶内饮料起泡沫人景涵出瓶外的一种现息。3.1.8自能造选系统1CIP)wwW.bzxz.Net
不带要求除零件而进行产品内部清洗的系统,3.2符号
产品饮料损失率。
e,…-·-灌装阀吹除损失盘,饿闻在每范成个[作循环后,同气管内留右线剃泄体切泡洼,每次准装后要将共吹除而引越的饮料损失显,名:总:…-谁装阀因游装管从瓶内抽出时粘附在臂子上.的饮料粘附捐失虽,g;e.
量,g:
潮装阅饮料摄失量,它指鲨装过程中困回气气体漏满到回气室内的饮料母引起的饮料损失一产品在泄装压盖过程中,因碎瓶而引起的饮料损失量,g:产品止链压盖过程中、因饮料日泡雨冒出瓶外引起的失料损失盘,吕4技术要求
4.1产品应符合本标准募求,并按经规定程序批准的图样利技术文件制造,4.2基本要求
4.2.1用于激装的跨璃瓶应符合G4544或QB943的规定,4.2.2瓶盖采用冠型,技术要求按附录A(标准的附录)的规定。4.2.3产品的最高温装温接为49℃。4.3使用性能
生产率应符合表规定。
≤=2100
2:4600
2:6000
sa3600
产品海装销度等应持合表2规定:定
2:7200
227500
2-9800
s1250D
=516000
数情产
/085999
融精度合碎牢
注:CO,失率仅适于难装中部、4.3.3产品最商温装压力
4.3.3.1适用型产品的最高溢装压力不低于0.5MPa饮料伊兴率
4.3.3.2酒专用型产品的量商满装压力不低于0.35MPa。4.3,4产站的瓶损率不应高于0.5%,4.3.5泄装正盖后应保证密过,不得谜漏。压盖合格率不应低于99.5%,4.3.产品在空运转时,碟声(声压级)不得高于80dB(A)4.3.7产品单位能耗不大丁表3的规定,表3
程容量
kw·hi千弃
4.4产品的可性措标
可性指标应符合下列要求:
a)有效率(.4)大于93%:
)首次期不少于6000h。
4.5产品应有保证滋装工位在无瓶和被瓶时不灌装的措施。4.6产品能自动送盖,保证压盖工位无瓶时不下盖,355
CO.微失索生
产品不能出规“币瓶现象。即不能山现乐盖府期,压盖头向上返回时搬子未能从卡蓝模中脱止而限若压盖头上升的现象。
产品应能无级调速。
4.7产品的播整阀头数大于30时,产略应有白位湾洗系统(CIP),4日凡臭接接制款料、反正气依,国气气体的零件(包括密封件、管道和容费)内部必须清洁,用符合食品卫生要求的耐度蚀材料制道,材料的许用工作温度应不低下130,应方清洗:本允许存在消选不刻和提效后秘存滤伴的区域。4.9产品传动系统和操作箱应有欧止杂物进人的措施。4.10产品领设置防止爆瓶伤人的防护装置:见领槽上装有安全阅和可以暴示内部滤叫的装置。4.11产品的电器部分应符合有关标准的期定。4.12产品所有饮料谨进、问气通道、区压通道及共容器均应保证密时,不渗游:3
4.13产品外表面结格成便于清洗,用丁外表面的零件应采用耐腐蚀财料战表由防腐蚀处理的其之起料制成.
4.14产品的其定案全卫生及求座符合GB5083的规定。4.15在用户遵守产品行、安装,使用则条件下,产品发货之口起18个月,灶广安装之起12个月内,确因制没,质盘不良而不能正带工作,制造!成无偿为册户修理更换(不望节易换件:5试验方法
s.1 试验条件
5.1.主满装压力稳定,压力被动绝对值低于0.03MPa。5.1.2在产品经谢试送转镜定志,并无“溢述”现象发生。5.2生产率试验
产品的生产率试验应在保证满装压力以及其它装试验项自合格的件下,以教定范装率度试验,时间不少于10min。
5.3港装精度试验
在试验开始5miu后,连续取200瓶已完成泄弹压盖的这料,两10mi后再连然截敢200幅,合计400瓶,燃后逐瓶盘饮料液面倒瓶口的距离,计算灌装精度合格率,最房统计液面到服口邱刷的卡均值。
5.4装0.摘失量测试
按G白门4928的规定测试滋装前后饮料的CO,含至,并计算其差值,求得损失员,5.5饮料超失率测试
女料损失率的测试在连较测试总数中进行,连续测试总瓶教成大于产品准发再头数的50倍:5.5.1产品的该料总损失盘由e,,2、e、e和e,成、5. 5. 1. 1 e,测试
在颜定连续测试总瓶数中收策吹除工位E每只癌装网回气管内被以除的快料总基。5. 5:1. 22,测试
取未经便用的整装管1根:依次伸人饮料内使回气小孔到达液而,热后以约个.3m/5速电沿铅点方向池出,在0.59内于量杯中收集粘附在范装管表面的滋体,每根灌装营重复测试4次,合计40次。所收集到的饮料容积即为粘附摘失量e,。5. 5, 1.3e,测试
企规定的逆续测试总瓶数内收集阅气室的全部返问饮料捌失重e,5.5.1.4.e,测试
以容器收策因碎瓶和管殊引起的损失垒e、es5.5.2产品的饮料损失率心接式(1)进行计算:10098
主中:G饮料成品总量
JB/T 9085-1999
注:技料成品总G即为装正益后划试教中瓶内饮的品5.(瓶报幸过验
在正带泄装条件下统计摄瓶数和总瓶数逆续统计总瓶数为泄装阀头数的50倍,并接式(2)求待瓶率:披瓶激
版损率
总满数
5.了压益试验
压益试验采用模拟瓶试验或没泡试验,x100%6
5.7.1樊拟瓶试验采用3Cr13材料制进的试水压模拟瓶,(21
模拟瓶的瓶口部位热处理硬度为40-45HRC。模拟瓶的外形尺寸按GB4544规定制造,瓶I内径上愉差制造即(17±0.)mm:瓶口外径中(26.3±03)mm;分别按1,下极限啊种模拟瓶,即:瓶口外径(26±0.u15)mm和(26.6±0.015)mm:瓶口外表面粗稳虚尺为1.6m。模拟瓶在I盖机4压盖后按表4进行水压试验,保压2min。表4
版口外轻是寸
邦益式验压力
5.7.2没泡试验
中(26±0.015)
p(26.6±.015
在测试开始5min后,连袋截取口完成题装乐盖的饮料20施,浸泡在45-65的温水中10mim,应无冒泡现象
5.7.3当对试验结果有争议时,应以模拟瓶试验为仲裁试验。5. 8泄装问试验
5.8.1单只满装既的压力试验应在专用试验台上进行或用其它确切叮行的方法进行,5.8.2摊缴阀在整机重友完成整套下作循环动作情况下再按下划规定进行试:a)依压滑漏试验
溢表阀经(.06MPa的水压试验,保压3mi。b)最高装压力试验
范装阀经1.1倍游装压打的水压试验,保压mk。5.少液糖耐压试验
必液槽经不低于1.25倍最高游装质力的耐乐试验,保乐5mlm5.10能耗测试
在颖定生产治下,用标准出率计在主机动力确入端试轴变率,再换算感单他能耗、5.11案声谢试
产品除本测试行法按JB/7232的规定,5.12可率性试验
.1B/T95—1999
产品的可靠性测试按GB5080.1的规定,6格验规则
6.1产品的各等部件及整台产品应经制造厂的质盘检验部门替本标准和机应标准及技术化件(必与制造厂签的协设)检验合格后可出厂,当产品能适用干种以上容积规格版子进行饮料满装乐盖时,以设计的主要规格参数进行性能考核,评定。
6.2检验分类
产出检验分为型式检验和出厂检验,6.3型式检验
6.3.1在下列情况下产品减进行型式检验:8)新产品或老产品转厂生产的试制定型鉴定:b)正式生产后、如结构、材料、丁艺有较大政变,可能影响产品性能时:心产品停产2年后,恢友生产时:d)出厂龄验结果与上次型式检验有较大的差异时:温家质量监督机构携出进行型式检验的要求时。63.2楚式检验的检验项日按本标准技术要求所规定的全部项月进行检验。按生产批盘的10%抽样,但不少于存。
6.3.3型式按验可在用广厂进行。6.4出厂检整
6.4.1出厂检验分为外死检、空运转枪验和性能检监。每台产品出厂前均须经出上检验。6.4.2空运转检验应从低速遥步调向高速,在最高生产率转速下连续运转1h,然后在额定转速下连续送转3h,虚满足下列要求:
轴承温升不超过35℃,且量高温度不过60℃:b)产品运转平稳:
调节手柄、施钮应在规定范围内可调。6.4.3性能检验
产品的性能检验应在空运转检验合格后选行。试验介所充许用水代替。性能检验项目如下;
生产率,瓶:
b蒂装精度合格率,%:
心瓶批率,%:
正差合格率,%:
)密:
0 能耗,kw·h:
)声,B(A)
6.5可性考核
JB/T9085-1999
可靠性考核,可以以用户提供的原始资料作为依据。7标志、包装、运输和购存
7.1再台产品都应在明显部位面定上铭牌,铭牌上应标示下列内容:a)型号和名称:
b)制造广名称:
灌装查头数:
d额定生产卒【瓶min或临h】:
心出厂综号:
0 制造H期-
72产品包装应符合GBF[13384要求。了.3产错在包装前应做防锈,防潮处理,感保正交货后在用户正常保管的条件下6个月内无锈钟,需微。
?.4母台产品出」时应随带下列技术文件:)产品合格证(包括主署配套件的合格证:b)总装配图样、安装图样和必婴的易损件图样:c)产品说期书;
d)装箱清单
7.5产品空存放在通风、于燥、防制的宝内场地上,不充许端天存故或摊置。A1材料夏求
附录A
(标准的谢录)
冠型插蓝技术要求
A1.1冠型瓶盖的基不材料采用厚度为0.25~0.28mm冷轨低合金马1:铁柜,A1.1冠型版盖的徐料要求
瓶差1.的涂料必须确保瓶希不被隔纯,括经搅拌不脱落,焦2瓶形状,尺寸
AZ,1瓶盖的形秋、尺十按图AI及表A1的定。图A1
32.0±0.2
A1.2冲乐成型后的瓶益不得有毛刺、缺口和裂痕、A3瓶蓝垫花
A3.1瓶盖功衬采用是有一定弹性和韧性并有良好窄封性能的材料A3.2瓶盖望村材剂必须符台食品工生要求。A3.3、垂初应渠证马瓶益结合牢5,概益内地村经搅伴不得脱落。A3.4垫对在瓶盖内浩测周方向分市均均。1.6
小提示:此标准内容仅展示完整标准里的部分截取内容,若需要完整标准请到上方自行免费下载完整标准文档。

标准图片预览:





- 其它标准
- 上一篇: JB/T 9084-1999 贴标签机
- 下一篇: JB/T 9086-1999 塑料袋热压式封口机
- 热门标准
- 机械行业标准(JB)
- JB/T6882-2006 泵可靠性验证试验
- JB/T7991.4-2001 电镀超硬磨料制品 磨头
- JB/T10325-2002 锅炉除氧器 技术条件
- JB/T8528-1997 普通型阀门电动装置 技术条件
- JB/T8725-1998 旋转接头
- JBJ10-1996 机械工厂采暖通风与空气调节设计规范
- JB/T2740-2008 工业机械电气设备 电气图、图解和表的绘制
- JB/T6313.2-1992 电工铜编织线 斜纹编织线
- JB/T9064-1999 盘管 耐压试验与密封性检查
- JB/T9272-1999 氨压力表
- JB/T5917-2006 袋式除尘器用滤袋框架
- JB/T10187-2011 滚动轴承 深沟球轴承振动
- JB/T9768-1999 内燃机 气缸套平台珩磨网纹 技术规范及检测方法
- JB/T8746.5-2008 塑料异型材挤出模零件 第5部分:定型块
- JB/T4701-2000 甲型平焊法兰
- 行业新闻
请牢记:“bzxz.net”即是“标准下载”四个汉字汉语拼音首字母与国际顶级域名“.net”的组合。 ©2009 标准下载网 www.bzxz.net 本站邮件:bzxznet@163.com
网站备案号:湘ICP备2023016450号-1
网站备案号:湘ICP备2023016450号-1