- 您的位置:
- 标准下载网 >>
- 标准分类 >>
- 机械行业标准(JB) >>
- JB/T 6962.3-1993 机械压力机锻模 模块
标准号:
JB/T 6962.3-1993
标准名称:
机械压力机锻模 模块
标准类别:
机械行业标准(JB)
标准状态:
现行-
发布日期:
1993-07-27 -
实施日期:
1994-07-01 出版语种:
简体中文下载格式:
.rar.pdf下载大小:
122.13 KB

点击下载
标准简介:
标准下载解压密码:www.bzxz.net
本标准规定了机械压力机锻模模块的结构、尺寸、材料、技术条件及标记。本标准适用于机械压力机锻模用模块. JB/T 6962.3-1993 机械压力机锻模 模块 JB/T6962.3-1993

部分标准内容:
中华人民共和国机械行业标准
机械压力机锻模
主题内容与适用范围
本标推规定了机械压力机锻模用模块的结构、尺寸、材料、热处理和标记。本标推适用于机械压力机锻模用模块。2引用标准
GB1299合金工具钢
技术条件
3型式与尺寸
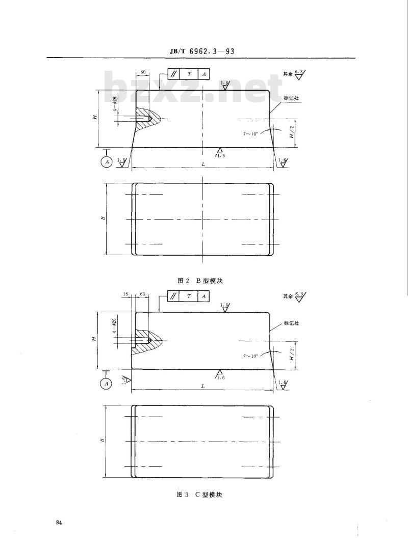
模块型式分为A型(图1),B型(图2),C型(图3),尺寸见表1、表2。JB/T6962.3—93
标记处
中华人民共和国机械工业部1993-07-27批准A型模块
1994-07-01实施
JB/T 6962.3—93
图2B型模块
图3C型模块
其余63
标记处
其余6.3
标记处
JB/T 6962.3--93
矩形模块尺寸
50|160|170|180
260280300 320
220|230|240250
19012001210
150,160,170,180,190,200,220,240,250,260.280,300,320,340,360.380.400,420.450,480,500,530,560,600,630,670,710,800,850
注:①允许模块做成镶块组合结构。②表中划“○”者为列人标准的模块尺寸。5
设备规格免费标准下载网bzxz
注:轮廊尺寸依表1选。
4材料
JB/T 6962.3-93
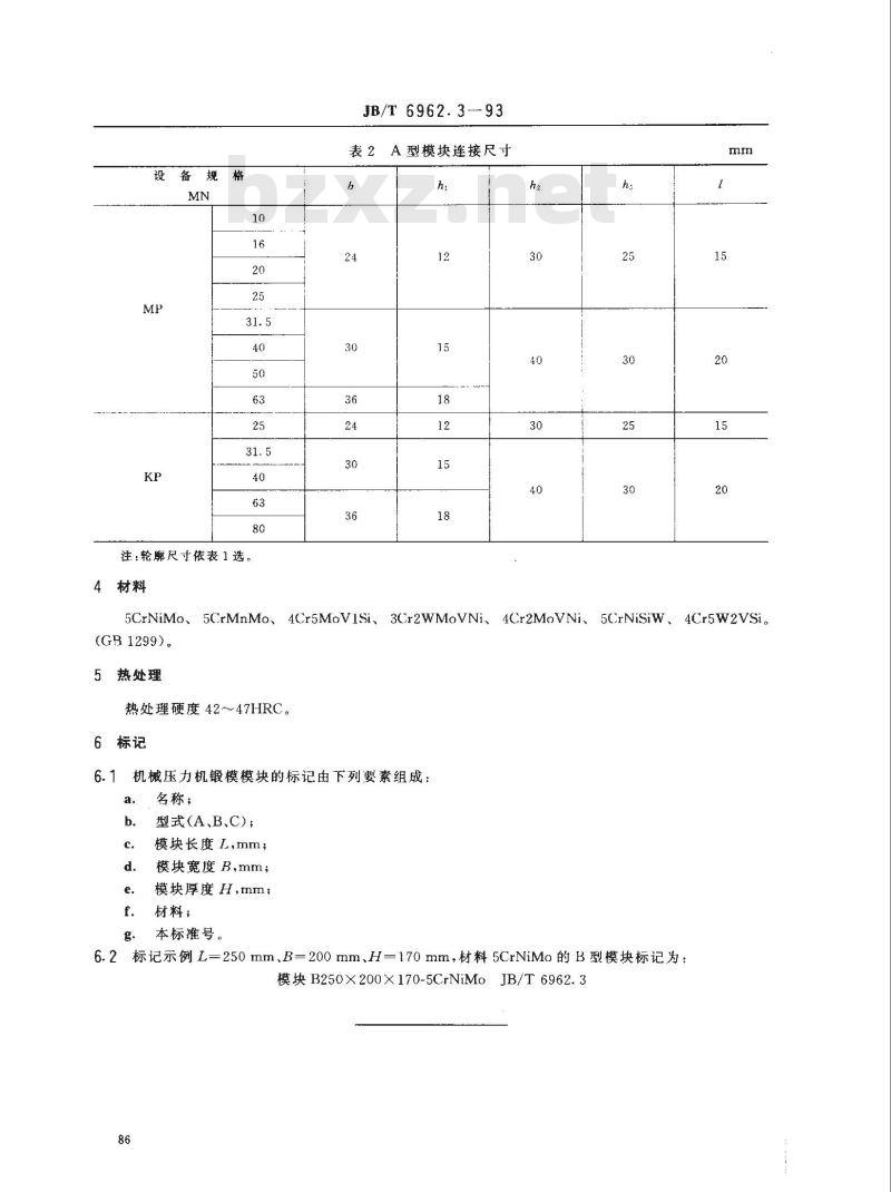
表2A型模块连接尺寸
5CrNiMo、5CrMnMo、4Cr5MoV1Si、3Cr2WMoVNi、4Cr2MoVNi5CrNiSiW、4Cr5W2VSi。(GB1299)。
5热处理
热处理硬度42~47HRC。
6标记
机械压力机锻模模块的标记由下列要素组成:a.
名称;
型式(A,B.C);
模块长度L,mm
模块宽度B,mm;
模块厚度H,mm;
材料;
本标准号。
6.2标记示例L=250mm、B=200mm、H=170mm,材料5CrNiMo的B型模块标记为:模块B250×200×170-5CrNiMoJB/T6962.386
JB/T6962.3--93
附录A
模架结构
(参考件)
A1键定位模架结构(A型模块)见图A1。A2
斜面定位模架结构(B型模块)见图A2。斜面定位模架结构(C型模块)见图A3。定位销
上模座
预料杆
下模座
图A1键定位模架结构(A型模块)嵌钉
撑紧螺钉
定位销
上模座
下模座
顶料杆
侧压铁
后挡板
侧挡板
JB/T 6962.3—93
图A2斜面定位模架结构(B型模块)上压铁
下压铁
掌紧螺钉
定位销
上模座
下模座
顶料杆
侧压铁
后压铁
后挡板
侧挡板
附加说明:
JB/T6962.3-—93
图A3斜面定位模架结构(C型模块)本标由机械工业部北京机电研究所提出并归口。本标准由北京机电研究所、第一汽车制造厂、第二汽车制造厂负责起草。本标准主要起草人武榕、张蕾、汤耀明、黄春。上压铁
下压铁
捧紫螺钉
小提示:此标准内容仅展示完整标准里的部分截取内容,若需要完整标准请到上方自行免费下载完整标准文档。
机械压力机锻模
主题内容与适用范围
本标推规定了机械压力机锻模用模块的结构、尺寸、材料、热处理和标记。本标推适用于机械压力机锻模用模块。2引用标准
GB1299合金工具钢
技术条件
3型式与尺寸
模块型式分为A型(图1),B型(图2),C型(图3),尺寸见表1、表2。JB/T6962.3—93
标记处
中华人民共和国机械工业部1993-07-27批准A型模块
1994-07-01实施
JB/T 6962.3—93
图2B型模块
图3C型模块
其余63
标记处
其余6.3
标记处
JB/T 6962.3--93
矩形模块尺寸
50|160|170|180
260280300 320
220|230|240250
19012001210
150,160,170,180,190,200,220,240,250,260.280,300,320,340,360.380.400,420.450,480,500,530,560,600,630,670,710,800,850
注:①允许模块做成镶块组合结构。②表中划“○”者为列人标准的模块尺寸。5
设备规格免费标准下载网bzxz
注:轮廊尺寸依表1选。
4材料
JB/T 6962.3-93
表2A型模块连接尺寸
5CrNiMo、5CrMnMo、4Cr5MoV1Si、3Cr2WMoVNi、4Cr2MoVNi5CrNiSiW、4Cr5W2VSi。(GB1299)。
5热处理
热处理硬度42~47HRC。
6标记
机械压力机锻模模块的标记由下列要素组成:a.
名称;
型式(A,B.C);
模块长度L,mm
模块宽度B,mm;
模块厚度H,mm;
材料;
本标准号。
6.2标记示例L=250mm、B=200mm、H=170mm,材料5CrNiMo的B型模块标记为:模块B250×200×170-5CrNiMoJB/T6962.386
JB/T6962.3--93
附录A
模架结构
(参考件)
A1键定位模架结构(A型模块)见图A1。A2
斜面定位模架结构(B型模块)见图A2。斜面定位模架结构(C型模块)见图A3。定位销
上模座
预料杆
下模座
图A1键定位模架结构(A型模块)嵌钉
撑紧螺钉
定位销
上模座
下模座
顶料杆
侧压铁
后挡板
侧挡板
JB/T 6962.3—93
图A2斜面定位模架结构(B型模块)上压铁
下压铁
掌紧螺钉
定位销
上模座
下模座
顶料杆
侧压铁
后压铁
后挡板
侧挡板
附加说明:
JB/T6962.3-—93
图A3斜面定位模架结构(C型模块)本标由机械工业部北京机电研究所提出并归口。本标准由北京机电研究所、第一汽车制造厂、第二汽车制造厂负责起草。本标准主要起草人武榕、张蕾、汤耀明、黄春。上压铁
下压铁
捧紫螺钉
小提示:此标准内容仅展示完整标准里的部分截取内容,若需要完整标准请到上方自行免费下载完整标准文档。

标准图片预览:





- 其它标准
- 热门标准
- 机械行业标准(JB)
- JB/T6127-2010 电动平车 技术条件
- JB/T2197-1996 电气绝缘材料产品分类、命名及型号编制方法
- JB/T3411.50-1999 两爪顶拔器 尺寸
- JB/T8803-1998 双金属温度计
- JB/T7015-2010 回转式翻车机
- JB/T4371.2-1999 自紧钻夹头 精度检验
- JB/T5934-1991 工程机械门锁 技术条件
- JB/T8828-2001 切削加工件 通用技术条件
- JB/T9768-1999 内燃机 气缸套平台珩磨网纹 技术规范及检测方法
- JB/T9933.2-1999 小模数齿轮滚齿机 精度检验
- JB/T10491.3-2004 额定电压450/750V及以下交联聚烯烃绝缘电线和电缆 第3部分:耐热125℃交联聚烯烃绝缘电线和电缆
- JB/T10509-2005 中小型异步电机用接线板 技术条件(机座号63~355)
- JB4055-1985 汽轮机用熔模精密铸造油泵、叶轮 技术条件
- JB/T1306-2008 电动单梁起重机
- JB/T10707-2007 热塑性无卤低烟阻燃电缆料
- 行业新闻
请牢记:“bzxz.net”即是“标准下载”四个汉字汉语拼音首字母与国际顶级域名“.net”的组合。 ©2025 标准下载网 www.bzxz.net 本站邮件:bzxznet@163.com
网站备案号:湘ICP备2025141790号-2
网站备案号:湘ICP备2025141790号-2