- 您的位置:
- 标准下载网 >>
- 标准分类 >>
- 国家标准(GB) >>
- GB 14630-1993 猎枪
标准号:
GB 14630-1993
标准名称:
猎枪
标准类别:
国家标准(GB)
标准状态:
已作废-
发布日期:
1993-08-29 -
实施日期:
1994-05-01 -
作废日期:
2005-10-14 出版语种:
简体中文下载格式:
.rar.pdf下载大小:
215.55 KB
标准ICS号:
家用和商用设备、文娱、体育>>97.220运动设备和设施中标分类号:
轻工、文化与生活用品>>文教、体育、娱乐用品>>Y56体育用品
点击下载
标准简介:
标准下载解压密码:www.bzxz.net
本标准规定了猎枪口径号数、主要参数、技术要求、性能试验、检验规则、标志和包装。本标准适用于狩猎和射击运动用的滑膛猎枪。 GB 14630-1993 猎枪 GB14630-1993
部分标准内容:
中华人民共和国国家标准
1主题内容与适用范酮
Shotgun
GB 14630--93
本标准规定了猎枪口径号数、主要参数、技术要求、性能试验、检验规则、标志和包装,本标准适用于狩猎和射击运动用的滑猎枪(以下简称猎枪)。2引用标准
GB699优质碳素结构钢技术条件
GB 3077合金结构钢技术条件
碳素弹簧钢丝
GB4357
GB5676一般工程用铸造碳钢
3术语
3.1 猎枪 shotgun
专门为特猎活动制造的枪支,大部分为滑脑猎枪,也包括一部分特殊口径而不连发的睡线枪。3.2口径 caliber
缩口与弹膛之间枪膛的直径。
3.3 缩 choke
猎枪枪口部分直径的缩小值。
3.4枪管barrel
构成猎枪枪膛和弹髓的主体部分3.5枪bore
从弹膛前端到枪口之间枪管的内表面。3. 6弹瞳 chamber
猎枪与弹壳的接触面。
3.7弹醛长度chamher length
弹瞪与弹壳相适应的长度。
3. 8 机厘前立面 standing face机厘与枪管后端相接触的平面。3.9 击针 firing pin
撞击底火使其发火的针状零件。3. 10 击针突出量 pin protrusion击针伸出机厘前立面的最大长度。3.11击针的偏心ecceatricity of pinindent击针尖在底火上撞击的印痕与底火中心的距离。国家接术监誉普局 1993-0 8-29 批准1994-05-01实施
3. 12标雅弹service cartridge正常对猎使用的猎枪弹。
3. 13闭锁 locking
装填猎枪弹后,使猎枪处于待发状态。3.14 发射firing
扣动板机,使醛弹发射出去的过程。3. 15 抛壳 eject
GB 1463093
弹壳受退无弹资作用,自动从弹體内抛出。3.16扳机trigger
发射时手指扣动的零件。
3. 17弹痕 patten
射到靶纸上的般弹痕迹。
3.18平均膛压mean pressure
发射相同的猎枪弹数发,测得各次压的平均值,3. 19最大膛压 highest value of pressure测量平均體压过程中的體压量大值。3. 20 最小腹压 lowest value of pressure测量平均膛压过程中的腹压最小值。3.21扳机引力trigger pull
扣动扳机,使猎枪达到击发时的引力。4型号、主要参数
4.1猎枪型号
口口0
一设计顺序号
口径号数
枪管配置和枪管数
厂名代号
示例:MLS16-101型猎枪为M猎枪厂生产的立式双管16号猎枪,其中:M为某猎枪厂代号、LS为立式双管的汉语拼音字头,16为口径号数,101为设计序号,即第一种一型。4.2口径号数
4.2.1猎枪口径号数系列为,12、16、20、28、32.36。4.2.2口径尺寸应符合表1规定。口
4.3主要参数
4.3.1抢管结构如图1
GB14630-93下载标准就来标准下载网
最大值
图1枪管结构
1-—弹脑t2—枪脑;3—缩口
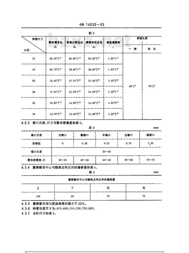
4.3.2弹膜结构如图2所示,弹腹尺寸如表2。图2弹膳结构
最小值
弹睦尺寸
弹底糖直径
22. 50+g 5
20.70+g15
19. ±5+g-15
17. 50+g-15
13.70+g.15
GB 14630—93
弹盈后部直径
20. 65 +#
18.90+g10
17. 75+g:30
15.90+g.1
14.60+930
12.05+g.10
缩口分类、尺寸与散布密集度如表 3。口分类
收缩值
缩口长度
散布密集度,%
无蜻口
弹整前部直径
20. 30+g 1o
17.40+#1o
11. 80+g-10
微绪口
40--45
弹散布中心与瞄准点间允许的偏移量如表 4。表4
弹底槽深度
1.90+g.lo
I. 60+g 10
1. 55+g-1a
1. 55+g.10
1. 55 +g 30
半缩口
最弹散布中心与瞄准点间允许的储移量上
4. 3. 5器弹散布均勾度误差绝对值小于 22%。4.3.6枪管长度尺寸为:670.690、710,730,750,8004.3.7
击针尺寸如表5。
弹胆长度
强缔口
尖端國半径
1. 0~1. 3
5按术要求
5.1材料
突出量
GB14630—93
击针与击针孔间鼠
击针偏心量
5.1.1枪管采用符合GB3077规定的合金结构钢40Cr;主要零件采用符合GB699规定的优质磁素结构钢45号钢,或采用相同性能的其他材料。5.1.2枪托和前托使用核桃秋木、桦木或性能相间的其他材料。木材应进行干爆和浸溃处理,含水量在5%~10%。
5.2枪管
5.2.1枪管需进行探伤,不得有裂纹及影响使用性能的缺陷。5.2.2弹髓及枪表面粗糙度应达到枪管外表面应达到。5.2.3枪管的壁厚差应小于 0. 30 mm,直线度应小于 0. 10 mm。5.3主要零件
5.3. 1金展零件不得有夹层,折痕、毛刺,锈蚀,火药气体烧蚀等缺陷。5. 3.2面柱螺旋弹簧零件应符合GB 4357的规定,等道零件应符合 GB5676的规定。经表面处理的外露金属零件,表面顏色应均匀一致,无锈蚀、划痕,花斑等缺陷。5.3.3
5.3.4枪托和前托木材不允许有死节、裂纹、夹皮层等。外露表面不允许有创棱、木刺、刮痕等。5.3.5涂色和刷油应均匀一致,不得有划痕、流痕、斑点、起泡,夹杂物等。5.4装配
5.4.1全枪活动零件应装配顺利、动作灵活,受弹簧作用的零件,应复位可靠。5.4.2枪管后端与机厘前立面,局部间隙不应大于0.05mm。5.4.3前托应配合牢固,不得因开关,射击而松动。5.5性能要求
5.5.1猪枪开关动作应灵活可靠,装弹,追壳、抛壳顺利,保险可靠。5.5.2击发顺利可靠,一次打响底火.5.5.3前扳机引力为15~20N,后扳机(包括单扳机)引力为20~~25N。5. 5.4
猎枪经冲击试验后,枪托不得断裂,连接部位不得松动。5.5.5枪管经高压弹试验后,弹腹、枪感不得涨大。5.5.6双管猎枪经强度试验后,连接部位不得松动,零件不得出现裂痕5.5.7高低温试验后,射击应无卡涉现象。枪管不得变形,零件不得出现裂衰。5.5.8寿命试验后,各种机构动作灵活可靠,其间面不得大于0.08mm。6试验方法
6.1靶场条件:风速<3m/g,靶距35m使用黑色圆环靶,圆环直径750mml靶心直径50mm。6.2试验用的标准弹,高压弹的腹压如表 6。-口径号
GB 14630—93
平均最高膳压,MPa
标准弹
高压弹
6.3冲击试验:猎枪内装 8 只装有底火的弹壳,处于待发状态,以枪托为神击面,从 1 高处自由跌落在直径为300 mm的原木墩上,按保险和解脱保险各跌落一次。6. 4高压弹试验:枪管加工后,每个枪管装一发高压弹,在专门试验架上射击,考查枪管强度,6.5双管猎枪结构强度试验,双管猎枪两个枪管均装入标准弹,同时扣动两个扳机发射,考查闭锁和其他结构强度。
6. 6精度试验
6.6. 1散布密集度:使用内装7号截弹的标准弹射击,计算如式(1):A =
式中:A——散布密集度,%
N—靶环内弹痕数;
M——5 发标准弹的弹平均数。
-(1)
6.6.2准确性试验:在射击后的环靶内作水平线,使上下弹痕数相等,用间样方法作垂直线,两线交点为弹散布中心,偏移量为5发平均数。6.6.3散布均匀度:射击后,计算环靶内各象限中的弹痕数,均匀度按式(2),(3)计算:4
式中,b散布均匀度最大值,%,
bmm散布均勾度最小值,%,
e———象限内最多的弹衰数,
F——象限内最少的弹痕数
一环靶内总弹痕数。
GB14630-93
6. 7 高温试验:将标准弹和处于待发状态的猎枪,置于 43~45 C条件下,保温 6 h,每管射击两发。6.8低温试验,将标准弹和处于待发状态的猎枪,置于使用地区自然最低温度条件下,保温6h,每管射击两发。
6.9寿命试验:每个枪管射击 7 500发标准弹。试验时,击针、击针赞允许更换两次。7
检验规则
出厂检验:猎枪出厂前,除高低温和寿命试验不检外,其余项目均应检验,并符标准规定。7.2型式试验:样枪数量不得少于30支,抽取其中3支,进行所有项目检验,并应符合标准规定。8标志、包著,运辅和贮存
8.1标志
8-7.1猎枪应打印:高压弹试验合格标志,枪腹直径、缩口直径、枪号、制造日期、商标代号、工厂代号。8.1.2标志部位如图3。
图3标志部位
膳真会,3一检号
1一左枪管高压弹试验合格证,2一左枪管量蹦口直径
4- 全枪检验合格标志 1 5--右枪管高玉弹试验合格标志 18.2包装
6—右枪管糖售量程7一制造日期,B一商标代号枪腾直径
8.2.1猎枪及其附件表面应徐防锈油或用其他防锈方法处理。8.2.2每支猎枪应用包装盒包装,盒内附有台格证、说明书、附件。8.2.310个包装盒装入一个包装箱。8.2.4包装箱应牢固,往有产品名称、商标、许可证号、产品标准代号、内装数量,重量、外形尺寸、出厂月期、制造工厂、防潮、轻放、勿倒置标志。8.3运输过程中,不得摔梵、撞齿,雨淋,倒置。8.4贮存时,放在通风干燥处,避开含酸碱性气体的环境。附加说明:
GB14630-93
本标准由中华人民共和国林业部提出.本标准由全国林业机械标准化技术委员会归口。本标准由东北林业大学负责起草。本标准主要起草人李振营。
小提示:此标准内容仅展示完整标准里的部分截取内容,若需要完整标准请到上方自行免费下载完整标准文档。
1主题内容与适用范酮
Shotgun
GB 14630--93
本标准规定了猎枪口径号数、主要参数、技术要求、性能试验、检验规则、标志和包装,本标准适用于狩猎和射击运动用的滑猎枪(以下简称猎枪)。2引用标准
GB699优质碳素结构钢技术条件
GB 3077合金结构钢技术条件
碳素弹簧钢丝
GB4357
GB5676一般工程用铸造碳钢
3术语
3.1 猎枪 shotgun
专门为特猎活动制造的枪支,大部分为滑脑猎枪,也包括一部分特殊口径而不连发的睡线枪。3.2口径 caliber
缩口与弹膛之间枪膛的直径。
3.3 缩 choke
猎枪枪口部分直径的缩小值。
3.4枪管barrel
构成猎枪枪膛和弹髓的主体部分3.5枪bore
从弹膛前端到枪口之间枪管的内表面。3. 6弹瞳 chamber
猎枪与弹壳的接触面。
3.7弹醛长度chamher length
弹瞪与弹壳相适应的长度。
3. 8 机厘前立面 standing face机厘与枪管后端相接触的平面。3.9 击针 firing pin
撞击底火使其发火的针状零件。3. 10 击针突出量 pin protrusion击针伸出机厘前立面的最大长度。3.11击针的偏心ecceatricity of pinindent击针尖在底火上撞击的印痕与底火中心的距离。国家接术监誉普局 1993-0 8-29 批准1994-05-01实施
3. 12标雅弹service cartridge正常对猎使用的猎枪弹。
3. 13闭锁 locking
装填猎枪弹后,使猎枪处于待发状态。3.14 发射firing
扣动板机,使醛弹发射出去的过程。3. 15 抛壳 eject
GB 1463093
弹壳受退无弹资作用,自动从弹體内抛出。3.16扳机trigger
发射时手指扣动的零件。
3. 17弹痕 patten
射到靶纸上的般弹痕迹。
3.18平均膛压mean pressure
发射相同的猎枪弹数发,测得各次压的平均值,3. 19最大膛压 highest value of pressure测量平均體压过程中的體压量大值。3. 20 最小腹压 lowest value of pressure测量平均膛压过程中的腹压最小值。3.21扳机引力trigger pull
扣动扳机,使猎枪达到击发时的引力。4型号、主要参数
4.1猎枪型号
口口0
一设计顺序号
口径号数
枪管配置和枪管数
厂名代号
示例:MLS16-101型猎枪为M猎枪厂生产的立式双管16号猎枪,其中:M为某猎枪厂代号、LS为立式双管的汉语拼音字头,16为口径号数,101为设计序号,即第一种一型。4.2口径号数
4.2.1猎枪口径号数系列为,12、16、20、28、32.36。4.2.2口径尺寸应符合表1规定。口
4.3主要参数
4.3.1抢管结构如图1
GB14630-93下载标准就来标准下载网
最大值
图1枪管结构
1-—弹脑t2—枪脑;3—缩口
4.3.2弹膜结构如图2所示,弹腹尺寸如表2。图2弹膳结构
最小值
弹睦尺寸
弹底糖直径
22. 50+g 5
20.70+g15
19. ±5+g-15
17. 50+g-15
13.70+g.15
GB 14630—93
弹盈后部直径
20. 65 +#
18.90+g10
17. 75+g:30
15.90+g.1
14.60+930
12.05+g.10
缩口分类、尺寸与散布密集度如表 3。口分类
收缩值
缩口长度
散布密集度,%
无蜻口
弹整前部直径
20. 30+g 1o
17.40+#1o
11. 80+g-10
微绪口
40--45
弹散布中心与瞄准点间允许的偏移量如表 4。表4
弹底槽深度
1.90+g.lo
I. 60+g 10
1. 55+g-1a
1. 55+g.10
1. 55 +g 30
半缩口
最弹散布中心与瞄准点间允许的储移量上
4. 3. 5器弹散布均勾度误差绝对值小于 22%。4.3.6枪管长度尺寸为:670.690、710,730,750,8004.3.7
击针尺寸如表5。
弹胆长度
强缔口
尖端國半径
1. 0~1. 3
5按术要求
5.1材料
突出量
GB14630—93
击针与击针孔间鼠
击针偏心量
5.1.1枪管采用符合GB3077规定的合金结构钢40Cr;主要零件采用符合GB699规定的优质磁素结构钢45号钢,或采用相同性能的其他材料。5.1.2枪托和前托使用核桃秋木、桦木或性能相间的其他材料。木材应进行干爆和浸溃处理,含水量在5%~10%。
5.2枪管
5.2.1枪管需进行探伤,不得有裂纹及影响使用性能的缺陷。5.2.2弹髓及枪表面粗糙度应达到枪管外表面应达到。5.2.3枪管的壁厚差应小于 0. 30 mm,直线度应小于 0. 10 mm。5.3主要零件
5.3. 1金展零件不得有夹层,折痕、毛刺,锈蚀,火药气体烧蚀等缺陷。5. 3.2面柱螺旋弹簧零件应符合GB 4357的规定,等道零件应符合 GB5676的规定。经表面处理的外露金属零件,表面顏色应均匀一致,无锈蚀、划痕,花斑等缺陷。5.3.3
5.3.4枪托和前托木材不允许有死节、裂纹、夹皮层等。外露表面不允许有创棱、木刺、刮痕等。5.3.5涂色和刷油应均匀一致,不得有划痕、流痕、斑点、起泡,夹杂物等。5.4装配
5.4.1全枪活动零件应装配顺利、动作灵活,受弹簧作用的零件,应复位可靠。5.4.2枪管后端与机厘前立面,局部间隙不应大于0.05mm。5.4.3前托应配合牢固,不得因开关,射击而松动。5.5性能要求
5.5.1猪枪开关动作应灵活可靠,装弹,追壳、抛壳顺利,保险可靠。5.5.2击发顺利可靠,一次打响底火.5.5.3前扳机引力为15~20N,后扳机(包括单扳机)引力为20~~25N。5. 5.4
猎枪经冲击试验后,枪托不得断裂,连接部位不得松动。5.5.5枪管经高压弹试验后,弹腹、枪感不得涨大。5.5.6双管猎枪经强度试验后,连接部位不得松动,零件不得出现裂痕5.5.7高低温试验后,射击应无卡涉现象。枪管不得变形,零件不得出现裂衰。5.5.8寿命试验后,各种机构动作灵活可靠,其间面不得大于0.08mm。6试验方法
6.1靶场条件:风速<3m/g,靶距35m使用黑色圆环靶,圆环直径750mml靶心直径50mm。6.2试验用的标准弹,高压弹的腹压如表 6。-口径号
GB 14630—93
平均最高膳压,MPa
标准弹
高压弹
6.3冲击试验:猎枪内装 8 只装有底火的弹壳,处于待发状态,以枪托为神击面,从 1 高处自由跌落在直径为300 mm的原木墩上,按保险和解脱保险各跌落一次。6. 4高压弹试验:枪管加工后,每个枪管装一发高压弹,在专门试验架上射击,考查枪管强度,6.5双管猎枪结构强度试验,双管猎枪两个枪管均装入标准弹,同时扣动两个扳机发射,考查闭锁和其他结构强度。
6. 6精度试验
6.6. 1散布密集度:使用内装7号截弹的标准弹射击,计算如式(1):A =
式中:A——散布密集度,%
N—靶环内弹痕数;
M——5 发标准弹的弹平均数。
-(1)
6.6.2准确性试验:在射击后的环靶内作水平线,使上下弹痕数相等,用间样方法作垂直线,两线交点为弹散布中心,偏移量为5发平均数。6.6.3散布均匀度:射击后,计算环靶内各象限中的弹痕数,均匀度按式(2),(3)计算:4
式中,b散布均匀度最大值,%,
bmm散布均勾度最小值,%,
e———象限内最多的弹衰数,
F——象限内最少的弹痕数
一环靶内总弹痕数。
GB14630-93
6. 7 高温试验:将标准弹和处于待发状态的猎枪,置于 43~45 C条件下,保温 6 h,每管射击两发。6.8低温试验,将标准弹和处于待发状态的猎枪,置于使用地区自然最低温度条件下,保温6h,每管射击两发。
6.9寿命试验:每个枪管射击 7 500发标准弹。试验时,击针、击针赞允许更换两次。7
检验规则
出厂检验:猎枪出厂前,除高低温和寿命试验不检外,其余项目均应检验,并符标准规定。7.2型式试验:样枪数量不得少于30支,抽取其中3支,进行所有项目检验,并应符合标准规定。8标志、包著,运辅和贮存
8.1标志
8-7.1猎枪应打印:高压弹试验合格标志,枪腹直径、缩口直径、枪号、制造日期、商标代号、工厂代号。8.1.2标志部位如图3。
图3标志部位
膳真会,3一检号
1一左枪管高压弹试验合格证,2一左枪管量蹦口直径
4- 全枪检验合格标志 1 5--右枪管高玉弹试验合格标志 18.2包装
6—右枪管糖售量程7一制造日期,B一商标代号枪腾直径
8.2.1猎枪及其附件表面应徐防锈油或用其他防锈方法处理。8.2.2每支猎枪应用包装盒包装,盒内附有台格证、说明书、附件。8.2.310个包装盒装入一个包装箱。8.2.4包装箱应牢固,往有产品名称、商标、许可证号、产品标准代号、内装数量,重量、外形尺寸、出厂月期、制造工厂、防潮、轻放、勿倒置标志。8.3运输过程中,不得摔梵、撞齿,雨淋,倒置。8.4贮存时,放在通风干燥处,避开含酸碱性气体的环境。附加说明:
GB14630-93
本标准由中华人民共和国林业部提出.本标准由全国林业机械标准化技术委员会归口。本标准由东北林业大学负责起草。本标准主要起草人李振营。
小提示:此标准内容仅展示完整标准里的部分截取内容,若需要完整标准请到上方自行免费下载完整标准文档。
标准图片预览:





- 其它标准
- 热门标准
- 国家标准(GB)
- GB/T2828.1-2012 计数抽样检验程序 第1部分:按接收质量限(AQL)检索的逐批检验抽样计划
- GB/T5738-1995 瓶装酒、饮料塑料周转箱
- GB/T11839-1989 二氧化铀芯块中硼的测定 姜黄素萃取光度法
- GB/T97.1-2002 平垫圈A级
- GB/T28809-2012 轨道交通 通信、信号和处理系统 信号用安全相关电子系统
- GB5793-1986 字鼓式行式打印机色带卷轴基本尺寸
- GB/T14652.2-2001 小艇﹐非耐火燃油软管
- GB/T38780-2020 竹席
- GBN226-1984 石英玻璃退火点测试方法(拉丝法)
- GB/T3452.1-2005 液压气动用O形橡胶密封圈第1部分:尺寸系列及公差
- GB/T9074.22-1988 六角头自攻螺钉和平垫圈组合件
- GB/T20957.5-2007 精密加工中心检验条件 第5部分:工件夹持托板的定位精度和重复定位精度检验
- GB/T12611-2008 金属零(部)件镀覆前质量控制技术要求
- GB12951-2009 离子感烟火灾探测器用镅241α放射源
- GB/T23276-2009 钯化合物分析方法 钯量的测定 二甲基乙二醛肟析出EDTA络合滴定法
- 行业新闻
请牢记:“bzxz.net”即是“标准下载”四个汉字汉语拼音首字母与国际顶级域名“.net”的组合。 ©2025 标准下载网 www.bzxz.net 本站邮件:bzxznet@163.com
网站备案号:湘ICP备2025141790号-2
网站备案号:湘ICP备2025141790号-2