- 您的位置:
- 标准下载网 >>
- 标准分类 >>
- 机械行业标准(JB) >>
- JB/T 8808-1998 DLM2 型电磁离合器
标准号:
JB/T 8808-1998
标准名称:
DLM2 型电磁离合器
标准类别:
机械行业标准(JB)
英文名称:
DLM2 electromagnetic clutch标准状态:
现行-
发布日期:
1998-09-30 -
实施日期:
1998-12-01 出版语种:
简体中文下载格式:
.rar.pdf下载大小:
206.66 KB
标准ICS号:
机械系统和通用件>>轴和联轴器>>21.120.20联轴器、离合器、磨擦器中标分类号:
机械>>通用零部件>>J19联轴器、制动器与变速器
替代情况:
JB/ZQ 4385-1986
点击下载
标准简介:
标准下载解压密码:www.bzxz.net
JB/T 8808-1998 本标准规定了 DLM2 型电磁离合器的型式,基本参数和主要尺寸,技术要求,试验方法,检验规则及包装储运。 本标准适用于 DLM2 干式、多摩擦片、线圈旋转型电磁离合器,公称转矩 630~25000N·m,工作环境温度 -20~ 50℃,相对湿度不超过 80% 。 (注: 本标准自生效之日起,同时代替 JB/ZQ 4385-86《DKM2 型电磁离合器》。) JB/T 8808-1998 DLM2 型电磁离合器 JB/T8808-1998
部分标准内容:
JB/T8808-1998
本标准的附录A是标准的附录。
本标准的附录B是提示的附录。此内容来自标准下载网
本标由机械工业部西安重型机械研究所提出并归口。本标准起草单位:第一重型机械集团公司。本标准主要起草人:施钢、刘震。123
中华人民共和国机械行业标准
DLM2型电磁离合器
DLM2 Electromagnetic clutch
JB/T 8808.-7998
本标准规定了DI.M2型电磁离合器的型式、基本参数、主要尺寸、技术要求、试验方法、检验规则及包装、储运。
本标准适用于DI.M2干式、多摩擦片、线圈旋转型电磁离合器,公称转矩6302500>N·m,工作环境温度一20~+50℃,相对湿度不超过80%。2引用标准
下列标准所包含的条文,通过在本标准中引用而构成为本标准的条文,本标准出版时,所示版本均为有效。所有标准都会被修订,使用本标准的各方应探讨使用下列标准最新版本的可能性。GB19190包装储运图示标志
GB/T1184-1996形状和位置公差未注公差值GB/T3478.11995圆柱直齿渐开线花键模数基本齿数公差
GB/T3852--1997联轴器轴孔和键槽型式及尺寸GB487985防锈包装
GB9239—88刚性转子平衡品质许用不平衡的确定3型式、基本参数和主要尺寸
3.1型式
\-DI.M2型电磁离合器的型式见图1;轴孔型式按GB/T3852规定的J型、Z型;-轴孔的键槽型式与尺寸按GB/T3852规定的A型、C型。3.2基本参数和主要尺寸
DLM2型电磁离合器(以下简称离合器)的基本参数和主要尺寸见表1。与离合器配用的电刷架的型式及安装尺寸见附录A(标准的附录),保护罩的型式及尺寸见附录B(提示的附录)。国家机械工业局1998-09-30批准1241
1998-12-01实施
3.3电气参数
3.3.1离合器的控制电路(见图2)。o
JB/T8808-
图1离合器结构型式
SJ--时间继电器(控制强励时间);C一放电电容器;
J一继电器(强励磁与额定励磁转换)CJ一接触器(操作离合器);R--分压电阻;
CI.-电磁离合器线圈;
时间继电器控制的强励磁时间为 1~2 s。图2
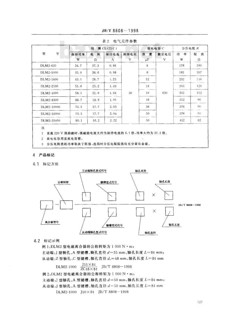
3.3.2离合器控制电路电气元件参数(见表2)。CL
8808--1998
&~0'
1~8'0
021091
56066808
02\9989*09
Br'st*2t*ot
000 o1
00091-7WIa
DLM2-630
DLM2-1000
Dl.M2-1600
DLM2-2500
DLM2-4000
DLM2-6300
DLM2-10000
DLM2-16000
DIM2-25000
保持功率
JB/T8808--1998
表2电气元件参数
线圈C(75()
保持电流保持电压
放电电容(
额定电压
直流220V强励磁时,强磁励电流大约为保持电流的6.1倍,功率大约为37.3倍。2放电电容用直流电容器。
3分压电阻消耗功率取决于阻值,选用时分压电阻阻值应充分留有余量。4产品标记
标记方法
主动端轴孔型式代号
公称转矩
离合器型号
4.2标记示例
链椅型式代号
键槽型式代号
从动端轴孔型式代号
轴孔真径
轴凡长度
分压电阻R
JB/T 8808--1998
轴孔长度
轴孔直径
例1DLM2型电磁离合器的公称转矩为1000N·m;主动端:J型轴孔、A型键槽、轴孔直径d=55mm、轴孔长度L一84mm;从动端:Z型轴孔、C型键槽、轴孔直径d,=48mm,轴孔长度L一84mmDLM2-1000
J55 × 84
ZC48 X 84
JB/T 8808-1998
例2:DLM2型电磁离合器的公称转矩为1000N·m;手动端:J型轴孔、A型键槽、轴孔直径d=50mm、轴孔长度L=84mm;从动端:J型轴孔、A型键槽、轴孔直径d=50mm、轴孔长度I=84mmDLM2-1000J50X84JB/T8808—1998127
5技术要求
JB/T8808-1998
离合器应符合本标准的规定,并按经规定程序批准的图样和技术文件制造。5.2离合器转矩允许有一5%~十10%的偏差。5.3磁钜体和衔铁应来用含量不大下0.09%的低碳钢制造5.4外齿轴套和内齿圈应采用舍金结构钢制造,其力学性能应满足:a)α=700N/mm;
b)aa.2≥500N/mm;
c) Aiu2≥31 J;
d) 269-~302 HB。
5.5隔磁环应用奥氏体不锈钢制造。5.6摩擦片的摩擦材料应采用铜基粉末冶金摩擦材料,其力学性能应满足:a)静摩擦系数μ≥0.35;
b)硬度≥40 HB;
c)抗压强度=140 N/cm2
5.7摩擦片两端面的平行度和对齿顶圆的圆跳动应按(-B/T1184---1996附录B中的7级公差;乎面度应按GB/T1184--1996附录B中的6级公差。5.8渐开线花键精度按GB/T3478.1中的6级公差。5.9装配后做静平衡试验,平衡精度应符合GB9239的规定。5.10所有外露金属表面全部氧化处理,特殊要求在订货时注明。5.11励磁线圈的对地绝缘电阻不小于1×10°05.12离合器安装时两端半联轴器轴线的同轴度应符合表3规定。表3两端轴线同轴度
DLM2-630.DLM2-1000.DLM2-1600DLM2-2500.DLM2-4000.DLM2-6300DLM2-10000,DLM2-16000,DLM2-250006试验方法
6.1静平衡在滚轮式或导轨式静平衡架上进行。轴度
6.2静摩擦转矩在杠杆式扭矩试验台上测定。通过给杠杆一端施加作用力产生静摩擦转矩,直到内、外摩擦片发生相对滑动、然后计算转矩值。6.3用500V兆欧表测定励磁线圈的对地绝缘电阻。6.4通电动作时间及断电动作时间的测定:将动态示波器并联接到励磁线圈上,由电压变化在时标上的显影測定动作时间或将动态示波器申联接到励磁线圈套上,由电流变化在时标上的显影测定动作时间。7检验规则
7.1出厂检验
每台离合器均应经制造厂按本标准规定检验合格后方可出厂,对检验不合格的项目必须重新修整直到合格。
7.1.1检验离合器的转矩、气隙和通、断电动作时间应符合3.2及5.2的规定。128
JB/T8808-1998
7.1.2检验励磁线圈的绝缘电阻应符合5.11的规定7.1.3进行离合器的静平衡试验,精度应满足5.9的规定。如要求进行动平衡试验,应在订货时注明7.2型式检验
离合器的型式检验应包括3.2,3.3.2中励磁线圈的电气参数和第5章(除5.11外)的所有项目当有下列情况之一时,应进行型式检验:a)每种规格离合器第一次生产时;b)正式生产后、如结构、材料、工艺有较大改变,可能影响产品性能时;c)出厂检验结果与上次型式检验有较大差异时;d)国家质量监督机构提出进行型式检验的要求时。8标志、包装、运输与储存
8.1在离合器的明显部位应有产品标牌,产品标牌应标明如下内容:a)制造厂名(或商标);
b)离合器型号;
c)公称转矩:
d)保持/强励磁电压;
e)保持功率(75℃时);
f)出广日期。
8.2离合器应按GB4879中防锈包装C级的规定包装,外包装的标志应符合GB191的规定。8.3离合器包装箱中应随附下列文件:a)产品合格证;
b)离合器使用说明书;
c)装箱单:
d)安装图。
8.4离合器应储存在室内干燥的环境中,避免与酸、碱及有机溶剂等物质接触。储存期满1年应开箱检查并按8.2的规定重新包装。
JB/T8808-1998
附录A
(标准的附录)
离合器电刷架的型式及安装尺寸电刷架的型式及安装尺寸按图A1及表A1规定(L?尺寸见标准正文表1)。d
电刷架结构型式
离合器型号
DLM2-630
DLM2-1000
DLM2-1600
DI.M2-2500
DLM2-4000
DLM2-6300
DLM2-10000
DLM2-16000
DLM2-25000
电刷架安装尺寸
注:电刷架为离合器的附属装置,随离合器一同交货。130
—1998
JB/T8808
附录B
(提示的附录)
离合器保护罩的型式及尺寸
在多灰尘、有蒸汽及有油、水滴入的环境中,建议使用离合器保护罩。保护罩的结构型式及尺寸见图B1及表B1。B3
离合器型号
DLM2-630
DLM2-1000
DLM2-1600
DLM2-2500
DLM2-4000
DI.M2-6300
DLM2-10000
DLM2-16000
DLM2-25000
表中B见标准正文表1
保护罩结构型式
2保护罩H尺寸按实际需要但不应小于200mm,保护罩尺寸
保护罩只在用户需要时提供并应在订货时说明,Ls
见注2
小提示:此标准内容仅展示完整标准里的部分截取内容,若需要完整标准请到上方自行免费下载完整标准文档。
本标准的附录A是标准的附录。
本标准的附录B是提示的附录。此内容来自标准下载网
本标由机械工业部西安重型机械研究所提出并归口。本标准起草单位:第一重型机械集团公司。本标准主要起草人:施钢、刘震。123
中华人民共和国机械行业标准
DLM2型电磁离合器
DLM2 Electromagnetic clutch
JB/T 8808.-7998
本标准规定了DI.M2型电磁离合器的型式、基本参数、主要尺寸、技术要求、试验方法、检验规则及包装、储运。
本标准适用于DI.M2干式、多摩擦片、线圈旋转型电磁离合器,公称转矩6302500>N·m,工作环境温度一20~+50℃,相对湿度不超过80%。2引用标准
下列标准所包含的条文,通过在本标准中引用而构成为本标准的条文,本标准出版时,所示版本均为有效。所有标准都会被修订,使用本标准的各方应探讨使用下列标准最新版本的可能性。GB19190包装储运图示标志
GB/T1184-1996形状和位置公差未注公差值GB/T3478.11995圆柱直齿渐开线花键模数基本齿数公差
GB/T3852--1997联轴器轴孔和键槽型式及尺寸GB487985防锈包装
GB9239—88刚性转子平衡品质许用不平衡的确定3型式、基本参数和主要尺寸
3.1型式
\-DI.M2型电磁离合器的型式见图1;轴孔型式按GB/T3852规定的J型、Z型;-轴孔的键槽型式与尺寸按GB/T3852规定的A型、C型。3.2基本参数和主要尺寸
DLM2型电磁离合器(以下简称离合器)的基本参数和主要尺寸见表1。与离合器配用的电刷架的型式及安装尺寸见附录A(标准的附录),保护罩的型式及尺寸见附录B(提示的附录)。国家机械工业局1998-09-30批准1241
1998-12-01实施
3.3电气参数
3.3.1离合器的控制电路(见图2)。o
JB/T8808-
图1离合器结构型式
SJ--时间继电器(控制强励时间);C一放电电容器;
J一继电器(强励磁与额定励磁转换)CJ一接触器(操作离合器);R--分压电阻;
CI.-电磁离合器线圈;
时间继电器控制的强励磁时间为 1~2 s。图2
3.3.2离合器控制电路电气元件参数(见表2)。CL
8808--1998
&~0'
1~8'0
021091
56066808
02\9989*09
Br'st*2t*ot
000 o1
00091-7WIa
DLM2-630
DLM2-1000
Dl.M2-1600
DLM2-2500
DLM2-4000
DLM2-6300
DLM2-10000
DLM2-16000
DIM2-25000
保持功率
JB/T8808--1998
表2电气元件参数
线圈C(75()
保持电流保持电压
放电电容(
额定电压
直流220V强励磁时,强磁励电流大约为保持电流的6.1倍,功率大约为37.3倍。2放电电容用直流电容器。
3分压电阻消耗功率取决于阻值,选用时分压电阻阻值应充分留有余量。4产品标记
标记方法
主动端轴孔型式代号
公称转矩
离合器型号
4.2标记示例
链椅型式代号
键槽型式代号
从动端轴孔型式代号
轴孔真径
轴凡长度
分压电阻R
JB/T 8808--1998
轴孔长度
轴孔直径
例1DLM2型电磁离合器的公称转矩为1000N·m;主动端:J型轴孔、A型键槽、轴孔直径d=55mm、轴孔长度L一84mm;从动端:Z型轴孔、C型键槽、轴孔直径d,=48mm,轴孔长度L一84mmDLM2-1000
J55 × 84
ZC48 X 84
JB/T 8808-1998
例2:DLM2型电磁离合器的公称转矩为1000N·m;手动端:J型轴孔、A型键槽、轴孔直径d=50mm、轴孔长度L=84mm;从动端:J型轴孔、A型键槽、轴孔直径d=50mm、轴孔长度I=84mmDLM2-1000J50X84JB/T8808—1998127
5技术要求
JB/T8808-1998
离合器应符合本标准的规定,并按经规定程序批准的图样和技术文件制造。5.2离合器转矩允许有一5%~十10%的偏差。5.3磁钜体和衔铁应来用含量不大下0.09%的低碳钢制造5.4外齿轴套和内齿圈应采用舍金结构钢制造,其力学性能应满足:a)α=700N/mm;
b)aa.2≥500N/mm;
c) Aiu2≥31 J;
d) 269-~302 HB。
5.5隔磁环应用奥氏体不锈钢制造。5.6摩擦片的摩擦材料应采用铜基粉末冶金摩擦材料,其力学性能应满足:a)静摩擦系数μ≥0.35;
b)硬度≥40 HB;
c)抗压强度=140 N/cm2
5.7摩擦片两端面的平行度和对齿顶圆的圆跳动应按(-B/T1184---1996附录B中的7级公差;乎面度应按GB/T1184--1996附录B中的6级公差。5.8渐开线花键精度按GB/T3478.1中的6级公差。5.9装配后做静平衡试验,平衡精度应符合GB9239的规定。5.10所有外露金属表面全部氧化处理,特殊要求在订货时注明。5.11励磁线圈的对地绝缘电阻不小于1×10°05.12离合器安装时两端半联轴器轴线的同轴度应符合表3规定。表3两端轴线同轴度
DLM2-630.DLM2-1000.DLM2-1600DLM2-2500.DLM2-4000.DLM2-6300DLM2-10000,DLM2-16000,DLM2-250006试验方法
6.1静平衡在滚轮式或导轨式静平衡架上进行。轴度
6.2静摩擦转矩在杠杆式扭矩试验台上测定。通过给杠杆一端施加作用力产生静摩擦转矩,直到内、外摩擦片发生相对滑动、然后计算转矩值。6.3用500V兆欧表测定励磁线圈的对地绝缘电阻。6.4通电动作时间及断电动作时间的测定:将动态示波器并联接到励磁线圈上,由电压变化在时标上的显影測定动作时间或将动态示波器申联接到励磁线圈套上,由电流变化在时标上的显影测定动作时间。7检验规则
7.1出厂检验
每台离合器均应经制造厂按本标准规定检验合格后方可出厂,对检验不合格的项目必须重新修整直到合格。
7.1.1检验离合器的转矩、气隙和通、断电动作时间应符合3.2及5.2的规定。128
JB/T8808-1998
7.1.2检验励磁线圈的绝缘电阻应符合5.11的规定7.1.3进行离合器的静平衡试验,精度应满足5.9的规定。如要求进行动平衡试验,应在订货时注明7.2型式检验
离合器的型式检验应包括3.2,3.3.2中励磁线圈的电气参数和第5章(除5.11外)的所有项目当有下列情况之一时,应进行型式检验:a)每种规格离合器第一次生产时;b)正式生产后、如结构、材料、工艺有较大改变,可能影响产品性能时;c)出厂检验结果与上次型式检验有较大差异时;d)国家质量监督机构提出进行型式检验的要求时。8标志、包装、运输与储存
8.1在离合器的明显部位应有产品标牌,产品标牌应标明如下内容:a)制造厂名(或商标);
b)离合器型号;
c)公称转矩:
d)保持/强励磁电压;
e)保持功率(75℃时);
f)出广日期。
8.2离合器应按GB4879中防锈包装C级的规定包装,外包装的标志应符合GB191的规定。8.3离合器包装箱中应随附下列文件:a)产品合格证;
b)离合器使用说明书;
c)装箱单:
d)安装图。
8.4离合器应储存在室内干燥的环境中,避免与酸、碱及有机溶剂等物质接触。储存期满1年应开箱检查并按8.2的规定重新包装。
JB/T8808-1998
附录A
(标准的附录)
离合器电刷架的型式及安装尺寸电刷架的型式及安装尺寸按图A1及表A1规定(L?尺寸见标准正文表1)。d
电刷架结构型式
离合器型号
DLM2-630
DLM2-1000
DLM2-1600
DI.M2-2500
DLM2-4000
DLM2-6300
DLM2-10000
DLM2-16000
DLM2-25000
电刷架安装尺寸
注:电刷架为离合器的附属装置,随离合器一同交货。130
—1998
JB/T8808
附录B
(提示的附录)
离合器保护罩的型式及尺寸
在多灰尘、有蒸汽及有油、水滴入的环境中,建议使用离合器保护罩。保护罩的结构型式及尺寸见图B1及表B1。B3
离合器型号
DLM2-630
DLM2-1000
DLM2-1600
DLM2-2500
DLM2-4000
DI.M2-6300
DLM2-10000
DLM2-16000
DLM2-25000
表中B见标准正文表1
保护罩结构型式
2保护罩H尺寸按实际需要但不应小于200mm,保护罩尺寸
保护罩只在用户需要时提供并应在订货时说明,Ls
见注2
小提示:此标准内容仅展示完整标准里的部分截取内容,若需要完整标准请到上方自行免费下载完整标准文档。
标准图片预览:





- 其它标准
- 热门标准
- 机械行业标准(JB)
- JB/T9396-1999 环块磨损试验机 技术条件
- JB/T7422.2-1999 立式内圆珩磨机 精度检验
- JB/T7665-1995 通用机械噪声声功率级现场测定 声强法
- JB/T7732.1-1995 地膜覆盖机 技术条件
- JB/T9272-1999 氨压力表
- JB/T7273.8-1994 背面波纹手轮
- JB/T450-1992 PN16.0~32.0MPa锻造角式高压阀门、管件、紧固件 技术条件
- JB/T6664.2-1993 自吸泵 技术条件
- JB/T8368.1-1996 电锤钻
- JB/T9014.7-1999 连续输送设备 散粒物料 堆积角的测定
- JB/T9541-1999 家用换气扇用电动机 通用技术条件
- JB/T9991-1999 电镀金刚石铰刀
- JB/T10352-2002 YFB系列粉尘防爆型三相异步电动机(机座号63~355)技术条件
- JB/T10438-2004 额定电压450/750V及以下交联聚氯乙烯绝缘电线和电缆
- JB/T3096-1999 自动带锯磨锯机 参数
- 行业新闻
请牢记:“bzxz.net”即是“标准下载”四个汉字汉语拼音首字母与国际顶级域名“.net”的组合。 ©2025 标准下载网 www.bzxz.net 本站邮件:bzxznet@163.com
网站备案号:湘ICP备2025141790号-2
网站备案号:湘ICP备2025141790号-2